Черный провод - провод питания, соедините с корпусом или подключите к отрицательной клемме аккумулятора, обеспечив хороший контакт.
Красный провод - провод питания, подключите непосредственно к положительной клемме аккумулятора, обеспечив хороший контакт.
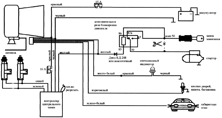
Коричневый провод - подключите к кнопочным выключателям, дающим замыкание на корпус при открывании дверей, капота, багажника. К этому же проводу возможно подключение дополнительных датчиков.
Желтый провод - к реле блокировки двигателя.
Для блокировки запуска двигателя необходимо установить дополнительное реле. Разорвите штатную цепь запуска двигателя, между замком зажигания и реле стартера. В разрыв цепи подключите контакты реле блокировки в соответствии со схемой.
Зелено-белый повод - подключите к лампам габаритных огней. Максимальный ток до 10 А.
Желто-белый провод- подключите к красному проводу светодиодного индикатора, черный провод светодиода соедините с корпусом.
Коричневый провод (петля) - находится под крышкой отсека для дополнительной батареи. Разрежьте для отключения датчика падения напряжения.
Двухконтактный разъем - для подключения дополнительной аккумуляторной батареи. Находиться под крышкой отсека для дополнительной батареи.
Повысить эффективность работы сигнализации можно, установив в корпус сирены дополнительную батарею. Она обеспечивает постоянную подпитку схемы управления, что предотвращает отключение сигнализации кратковременным прерыванием основного питания от автомобильного аккумулятора.
В качестве дополнительной батареи используйте аккумулятор с напряжением 9 В, допускающий многократную зарядку.
Для установки батареи :
В данной сигнализации чувствительность датчика регулируется дистанционно с помощью брелка. После подачи питания на сигнализацию автоматически устанавливается нормальный уровень чувствительности датчика удара (3 уровень). Для изменения чувствительности выключите режим охраны. Одновременно кратковременно нажмите кнопки 1 и 2 брелка. После отпускания кнопок сирена подаст короткие сигналы, число которых будет соответствовать различным порогам чувствительности - от 1 до 6 (1 - минимальная чувствительность, 6 - максимальная).
