Do not disconnect the battery if the vehicle has an antitheft-coded radio. If equipped with an air bag, avoid disconnecting the battery if possible. IMPORTANT: Many airbag systems will display a diagnostic code through their warning light after they lose power. Disconnecting the battery requires this code to be erased, a procedure that can require a trip to the dealer.
Before beginning the installation:
After the install:
Some things to remember about where to mount the siren:
Never put the control module in the engine compartment!
The first step in hot-wiring a vehicle is removing the driver's side underdash panel to access the starterand ignition wires. If the control module is placed just behind the driver's side dash it can easily be disconnected.
When locating the control module, try to find a secure location that will not require you to extend tne harnesses' wires (they are 1 .5 meters long). Keep it away from the heater core (or any heat sources) and any obvious leaks.
The higher the control module is in the vehicle, the better the transmitter range will be. If you put the control module under a seat or inside a metal dashboard, range will suffer, and you may wish to add a 542T Range Extending Antenna (available separately).
Some good control module locations: above the glove box, inside the center console, above the underdash fuse box, above the radio, etc.
Never put the Stingertm in the engine compartment!
Find a spot close to the control module so that the wires do not need to be extended. Keep it away from the heater core (or any other heat sources) and any obvious leaks.
How the Stingertm is mounted is the most important factor in its performance. We recommend two mounting methods: using double-sided tape or hook-and-loop fastener to mount to a trim panel or an air duct, or wire-tying to a wire harness. If mounting the sensor where it cannot be easily reached for adjustment, hook-and-loop fastening tape (such as Velcro) is recommended for ease of removal for future adjustments.
NOTE: In many vehicles, tying the sensor to a steering column or screwing it to metal will result in poor sensitivity, especially on the rear of the vehicle.
Ensure that the location you pick for each switch has sufficient clearance to the rear. The switches should be well hidden. They should be placed so passengers or stored items (such as in a glove box or center console) cannot accidentally hit them. The switches fit in a 9/32"-hole.
This system has Remote Valet®. The user can enter and exit Valet® Mode without having to reach the Valet/Program switch. DEI® introduced this feature so that switch location was less critical in day-to-day use. As long as the Valet/Program switch can be reached to disarm without a transmitter, easy access is not important.
IMPORTANT! When the vehicle is delivered, please show the user where the switches are located and how to disarm the system and the VRS® feature with them.
Things to remember when positioning the Status LED:
If starter kill relay or its connections are immediately visible upon removal of the underdash panel, they can easily be bypassed. Always make the relay and its connections difficult to discern from the factory wiring! Exposed yellow butt connectors do not look like factory parts, and will not fool anyone! For this reason, routing the starter kill wires away from the steering column is recommended.
Now that you have decided where each component will be located, you're going to find the wires in the car that the security system will be connected to.
IMPORTANT: Do not use a 12V test light to find these wires! All testing described in this manual is described using a digital multimeter.
We recommend two possible sources for 12V constant: the (+) terminal of the battery, or the constant supply to the ignition switch. Always install a fuse within 12 inches of this connection. If the fuse also will be powering other circuits, such as door locks, a power window module, a Nile-Lite® headlight control system, etc.; fuse accordingly.
IMPORTANT: Do not remove the fuse holder on the red wire. It ensures that the control module has its own fuse, of the proper value, regardless of how many accessories are added to the main power feed.
The ignition wire is powered when the key is in the run or start position. This is because the ignition wire powers the ignition system (spark plugs, coil) as well as the fuel delivery system (fuel pump, fuel injection computer). Accessory wires, on the other hand, lose power when the key is in the start position to make more current available to the starter motor.
The (+) parking light wire is often found near the switch. Many cars have the switch built into the turn signal lever, and in these cars the parking light wire can be found in the steering column. The same wire is often available in the kick panel or running board.
NOTE: Many Toyotas, as well as many other Asian vehicles, send a (-) signal from the switch to a relay. The relay then sends 12V (+) to the bulbs. Whenever you have difficulty finding a (+) parking light wire near the switch, simply test the wires at any switch or control panel which is lit by the instrument panel lighting. Remember, you need a (+) parking light wire that does not vary with dimmer setting.
The best places to find the door switch wire are:
At the pin switch; When testing at the pin switch, check the wire to ensure that it "sees" all the doors. Often, the passenger switch will cover all the doors even if the driver's switch will not.
At the dome light; This may not be your best choice if the vehicle has delayed domelight supervision, but it will work in many Hondas, or any vehicle with completely diode-isolated pin switches.
Once you have determined the wire color, the easiest place to connect to the wire is often at the kick panel, at the windshield pillar, or in the running board. When an easy location is not available, running a wire to the domelight itself is often the best solution.
NOTE: Make sure the wire you use "sees" all the doors! Some newer GM vehicles lack standard-type pin switches. The dome light in these vehicles is turned on when the door handle is lifted. These usually have a blue/white or white coming out of the door into the kick panel which will provide a (-) trigger for all doors. Some GM vehicles (some Cavaliers, Grand Ams, etc.) have a yellow wire coming out of the door which provides a (+) door trigger.
Before making your connections, plan how your wires will be routed through the vehicle. For instance, the yellow ignition input, the red 12V constant input, and the orange ground-when-armed output (for the optional starter kill relay) will often be routed together to the ignition switch harness. In order to keep the wiring neat and make it harder to find, you may wish to wrap these wires together in electrical tape or conceal them in tubing similar to what the manufacturer used.
There are two acceptable ways of making a wire connection: solder connections and crimp connectors. When properly performed, either type of connection is reliable and trouble-free. Regardless of whether you solder your connections or you use mechanical-type crimp-on connections, ensure that all connections are mechanically sound and that they are insulated.
Cheap electrical tape, especially when poorly applied, is not a reliable insulator. It often falls off in hot weather. Use good-quality electrical tape or heat shrink.
Never twist-and-tape the wires together without soldering.
Never use "fuse taps", as they can damage fuse box terminals.
If you use tapping connectors such as 3M T-Taps (not to be confused with Scotch-Loks), avoid using them in higher-current applications (constant 12V, ground, etc.). Some tapping connectors are inferior in quality and should be avoided.

H1/1 ORANGE (-) ground-when-armed output: This wire supplies a (-) 500 mA ground as long as the system is armed. This output ceases as soon as the system is disarmed. The orange wire is pre-wired to control the 8618 starter kill relay.
NOTE: If connecting the ORANGE wire to control another module, such as a 529T or 530T window controller, a 1 amp diode (type 1N4004) will be required. Insert the diode as shown below.

H1/2 WHITE light flash output: As shipped, this wire should be connected to the (+) parking light wire. If the light flash polarity jumper under the sliding door is moved to the opposite position (see below), this wire supplies a (-) 200 mA output. This is suitable for driving (-) light control wires in Toyota, Lexus, BMW, some Mitsubishi, some Mazda, etc.

H1/3 WHITE/BLUE channel 3 (-) output: This wire provides a (-) 200 mA signal whenever the transmitter code controlling channel 3 is received. This signal will continue as long as that transmission is received. Use for options such as the 551 T Valet Start system, the 529T or 530T power window controllers, etc.
IMPORTANT! Never use this wire to drive anything but a relay or a low-current input! The transistorized output can only provide 200 mA of current, and connecting directly to a solenoid, motor, or other high-current device will cause it to fail.
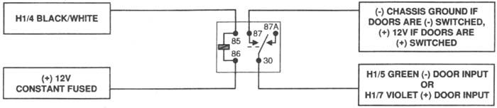
Í1/4 BLACK/WHITE (-) 200 mA domelight-supervision output: Connect this wire to the optional domelight supervision relay as shown below:
IMPORTANT: This output is only intended to drive a relay. It cannot be connected directly to the domelight circuit, as the output cannot support the current draw of one or more light bulbs.

H1/5 GREEN (-) door trigger or H1/7 VIOLET (+) door trigger input: If the door switch wire you found is (-) when the door is open, connect the GREEN wire to it. If the door switch wire you found is (+) when the door is open, use the VIOLET wire instead.
IMPORTANT! Test to make sure this wire "sees" all doors!

H1/6 BLUE(-) instant trigger: This input will respond to a (-) input with an instant trigger. It is ideal for hood and trunk pins and will report on zone one.
H1/8 BLACK (-) chassis ground connection. Connect this wire to bare metal, preferably with a factory bolt rather than your own screw (screws tend to either strip or loosen with time). We recommend grounding all your components to the same point in the vehicle.

H1/9 YELLOW (+) ignition input. Connect this wire to an ignition wire as described on page 5. This wire must show + 12V with the key in run position and during cranking. Take great care that this wire cannot be shorted to the chassis at any point.

H1/10 BROWN (+) siren output: Connect this to the red wire of the 514T Revengertm siren. Connect the black wire of the siren to (-) chassis ground, preferably at the same point you grounded the control module's H1/8 BLACK wire.

H1/11 RED (+) 12V constant power input: Before connecting this wire, remove the supplied fuse. Connect to the battery positive terminal or the constant 12V supply to the ignition switch.
NOTE: Always use a fuse within 12 inches of the point you obtain (+) 12V. Do not use the 10A fuse in the harness for this purpose. This fuse protects the module itself.
H1/12 RED/WHITE channel 2, 200mA (-) output: When the system receives the code controlling channel, for longer than 1. 5 seconds, the red/white will supply an output as long as the transmission continues. This is often used to operate a trunk/hatch release or other relay-driven function.
IMPORTANT! Never use this wire to drive anything but a relay or a low-current input! The transistorized output can only supply 200 mA of current, connecting directly to a solenoid, motor, or other high-current device will cause it to fail.

These plug into the module. The Status LED plugs into the small two-pin socket, while the Valet/Program Switch should be plugged into the larger blue two-pin connector. The Status LED fits in a 9/32" hole.

GREEN (-) Multiplex input: Inputs shorter than. 8 seconds will trigger the Warn Away® response, while inputs longer than. 8 seconds will trigger full alarm sequence and report zone four. If installing an optional DEI dual stage sensor, connect to the GREEN wire as shown below. The diagram below eliminates the need for diodes to isolate the sensors, as well as providing a separate zone for each sensor.

BLUE (-) Multiplex input: Inputs shorter than. 8 seconds will trigger the Warn Away® response, while inputs longer than. 8 seconds will trigger full alarm sequence and report zone two.
RED, BLACK. RED is (+) 12V constant, BLACK is (-) ground. Do not use these for anything besides the plug in shock sensor.
There are times when you need to temporarily bypass all sensor inputs to the unit, such as when remote starting the vehicle. Anytime an auxiliary channel output is used, all inputs are bypassed for 5 seconds. During the 5 second bypass period, ground can be supplied to the H1/6 BLUE wire without triggering the unit. When the 5 second bypass period ends, if the unit sees ground on the H1/6 BLUE wire, all trigger inputs except the door trigger input will remain bypassed until 5 seconds after ground is removed from the blue wire. This can be done using the status output of a 551 T remote start unit as shown below:


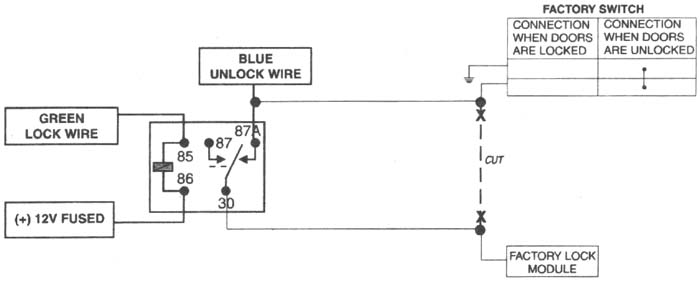
This system can control two common power door lock types without any additional parts! With certain vehicles, or if an actuator is to be installed, either a 451 M Door Lock Relay Satellite or two relays will be required.
IMPORTANT! If you mistake a Type Ñ direct-wired system for a Type A positive-pulse system, the module will be damaged!
The system can control this type of system directly, with no additional parts. The switch will have three wires on it, and one will test (+) 12V constantly. The others will alternately pulse (+) 12V when the switch is pressed to the lock or unlock position.
If you cannot get to the switch, and you find a set of wires that pulse (+) 12V alternately on lock and unlock, you must take care to ensure that it is not a Type Ñ direct-wire system.
Here is a test: Cut the wire which pulses (+) 12V on lock, and then operate the switch to unlock.
If all doors unlock, the vehicle uses type A system.
If you lose all door lock operation in both directions, you are operating the master switch in a Type Ñ system.
If you lose all door lock operation of one or more, but not all motors stop operating, and other doors still work, you have cut a wire leading directly to one or more motors. You must instead find the actual wires leading to the switch.
Many domestically-made GM vehicles use Type A locks. However, many more GM vehicles are Type Ñ than in previous years. The full-size pickups (1989-up), many of the S10 Blazers, the Corvette, '95 Cavalier/Sunfire 1993 - and newer, Camaro/Firebird all use Type Ñ door locks, and cannot be controlled without a 451M! Almost all domestically-built Fords are Type C. Ford builds almost no Type A systems. Chrysler builds both Type A and Type C, so use care.

This system is common in many Toyotas, Nissans, Hondas, and Saturns, as well as Fords with the keyless-entry system (some other Fords also use Type B).
The switch will have three wires on it, and one wire will test ground all the time. One wire will pulse (-) when the switch locks the doors, and the other wire will pulse (-) when the switch unlocks the doors. This type of system is difficult 1 mistake for any other type.

Interfacing with a reversing polarity system requires either two relays or one 451 M (not included). It is critical to identify the proper wires and locate the master switch to interface properly. Locate wires that show voltage on lock and unlock. Cut one of the suspect wires and check operation of the locks from both switches. If one switch loses operation in both directions and the other switch operates in one direction only, you have located one of the target wires. The switch that lost all operation is the master switch. If one switch works both directions and the other switch works only one direction, you have a Type A system. If both switches still operate, but one or more doors have stopped responding entirely, you have cut a motor lead. Reconnect it and continue to test for another wire. Once both wires have been located and the master switch identified, cut both wires and interface as shown below

Important! If these are not connected properly, you will send (+) 12 Volts directly to (-) ground, possibly damaging the alarm or the factory switch.
In order for this system to control one or more aftermarket actuators, a 451 M or two relays (optional) are needed. Vehicles without factory power door locks require the installation of one actuator per door. This requires mounting the door lock actuator inside the door. Other vehicles may only require one actuator installed in the driver's door if all door locks are operated when the driver's lock is used. This type of installation is required to operate factory lock systems in Volvo (except 850), SAAB, and most Mazda, Isuzu and Subaru models.
The fuse used on 12 volt inputs should be 7. 5A per motor installed in the vehicle.

Door locks are controlled by an electrically activated vacuum pump. Some Mercedes and Audis use a Type D system. Test by locking doors from the passenger key cylinder. If all the doors lock, the vehicle's door lock system can be controlled with just two relays (optional). The control wire can be found in either kick panel and will show (+) 12V when doors are unlocked and (-) ground when doors are locked.
To interface see diagram below. The system must be programmed for 3. 5 second door lock pulses (see Operation-Settings Learn Routinetm).

This system usually requires a negative pulse to unlock, and cutting the wire to lock the door. In some vehicles, these are reversed. It is found in late-model Nissan Sentras, some Nissan 240SX, and Nissan 300ZX 1992-up. It is also found in some Mazda MPV's and some Mitsubishi's.
One relay (optional) is used to interface to this type of system as follows:

In order to enter Learn Routinetm, the jumper under the sliding door must be placed into learn position. The Valet/Program button, plugged into the blue port, is used for programming. There is a basic sequence to remember whenever programming this unit: Door, Key, Choose, Transmit and Release.
| Press and Release | To Program |
|---|---|
| One time | Arm/disarm/panic |
| Two times | Channel two output (Silent Mode/Remote Valet) |
| Three times | Channel three output |
Once you have selected the step, press the button once more and hold it. The unit will chirp one, two or three times depending on the channel selected. Do not release the momentary button.
You can step from one step to another by releasing the Valet /Program button and tapping it to advance steps and then holding it. For instance: You have programmed channel one and you want to program channel two. Release the Valet /Program button. Press it one time and release it to advance from step one to step two. Now, press and hold the button down and the unit will chirp twice. As before, do not release it.
If you want to program channel three after programming channel one, release the momentary button press it twice and release it to advance to step three. Then press it once more and hold it. The siren will chirp three times to confirm it is ready to receive the code from the transmitter.
Learn Routinetm will be exited if:
One long chirp indicates that Learn Routinetm has been exited.
You can get two-vehicle operation with the transmitters that come with the system. However, you cannot use all the auxiliary channels of the system (or all the auxiliary channels of the other system), unless using 485T 4-button transmitter.
If using DEI 485T four-button remotes, all auxiliary channels are available on both vehicles. Before program-ming, make a list of all channels on each vehicle, and decide which button (s) should control which channel.
For example, if you wanted the top two buttons to control vehicle # 1 and the bottom two buttons to control vehicle # 2, here is how each system would be programmed:
| Vehicle # 1: | Button I = arm/disarm. |
|---|---|
| Button II = trunk release/Silent Modetm. | |
| Button l+ ll = channel three. |
| Vehicle # 2: | Button III = arm/disarm. |
|---|---|
| Button IV = trunk/release/Silent Modetm. | |
| Button III+ IV = channel three. |
Many of the operating settings of this unit are programmable. They can be changed whenever necessary through a computer-based Learn Routinetm. In order to access Learn Routinetm, the Jumper underneath the sliding door on the module must be in the learn position. The Valet/Program push-button switch, plugged into the blue port is used together with a programmed transmitter to change the settings. To program settings remember: Door, Key, Choose, Transmit and Release.
| Feature Number | One-chirp setting | Two-chirp setting |
|---|---|---|
| 1 | Active arming | Passive arming |
| 2 | Arm/disarm chirps on | Arm/disarm chirps off |
| 3 | Ignition-controlled door locks | Standard door locks |
| 4 | Active locking only | Passive locking |
| 5 | Panic with ignition on | No panic with ignition on |
| 6 | 0. 8 second door lock pulses | 3. 5 second door lock pulses |
| 7 | Forced passive arming on | Forced passive arming off |
| 8 | Automatic engine disable on | Automatic engine disable off |
| 9 | VRS® enabled | VRS® disabled |
| 10 | Code Hoppingtm on | Code Hoppingtm off |
| 11 | Siren | Horn honk |
Once the button has been pressed and released the correct number of times press it once more and hold it. After a second, the siren will chirp to indicate what step you have accessed. For example, three chirps would indicate access to the ignition controlled door lock feature.
For example, to program the arming mode from active to passive, press and release the Valet/Program button once. Then press and hold it. The siren will chirp once, indicating that the setting can now be changed. While holding the Valet /Program button, press the arm/disarm button on the transmitter. The siren will chirp twice to indicate that passive arming has been programmed. If this is the desired setting, release the Valet/Program button. If this is not the desired setting, continue to hold the Valet/Program button and press the arm/disarm button on the transmitter again. The siren will chirp once indicating that active arming has been programmed. Once the desired setting has been selected, release the Valet/Program button.
You can advance from step to step by pressing and releasing the Valet/Program button the number of times necessary to get from the step you just programmed to the step you wish to access. If you just programmed the arm/ disarm chirps to off and you want to program passive locks, release the Valet/Program button, press and release it twice to step from feature two to feature four. Then press it once more and hold it. The unit will chirp four times to confirm that you have accessed feature number four.
The Learn Routinetm will be exited if:
The siren will emit a long chirp when Learn Routinetm is exited.
NPCtm requires that you change the way you test the system as NPCtm will bypass an input zone for 60 minutes.
If the system "sees" the same zone trigger three times AND the triggers are spaced less than an hour apart The system will bypass that input zone for 60 minutes.
If that zone does not attempt to trigger the system during the 60-minute bypass period, the zone's monitoring will begin again at the end of the hour. NEW! If it does attempt to trigger while bypassed, the 60-minute bypass starts over again.
Disarming and rearming the system does not reset NPCtm. The only way to reset NPCtm is for the 60 minutes to pass, without a trigger, or for the ignition to be turned on. This allows the system to be repeatedly triggered, disarmed and rearmed, and still allow NPCtm to bypass a faulty zone.
When disarming the system, 5 chirps indicate NPC is activated. The LED will report the zone that has been bypassed (see diagnostics).
You have now entered or exited Valet Mode (verify by checking your Status LED).
When using the Diagnostic functions, use the Table of Zones to see what input has triggered the system. It is also helpful in deciding what input to use when connecting optional sensors and switches.
| Zone # | Trigger type | Input description |
|---|---|---|
| One | Instant | H1/6 BLUE wire. Connect to optional hood/trunk pins. |
| Two | Multiplex | BLUE wire of plug-in shock sensor. Inputs shorter than. 8 seconds will trigger a Warn Away response, while inputs longer than. 8 seconds will instantly trigger full alarm sequence. |
| Three | Two-stage, progresses from warning to full alarm | Door switch circuit. H1/5 GREEN or H1/7 VIOLET. |
| Four | Multiplex | GREEN wire of plug-in shock sensor. Inputs shorter than. 8 seconds will trigger a Warn Away response, while inputs longer than. 8 seconds will instantly trigger full alarm sequence. |
| Five | Two-stage (similar to doors) | Ignition. H1/9 YELLOW. |
The Warn Away response does not report on the LED.
To install the optional VRS feature, the 8618 starter kill relay must be installed. Mount the button in a well-hidden location and plug it into the red VRS port on the control unit. Make sure it cannot be pressed accidentally. The switch must be placed where it can be reached from the driver's seat. Make sure that the customer is aware of the location of the button and is familiar with the VRS triggered sequence. This will ensure that the customer does not become stranded by the VRS.
IMPORTANT: If the VRS button is being installed, you must enable the VRS. Refer to Operation Settings Learn Routinetm section.
A few minutes are required to test the VRS. To test:
IMPORTANT!: You must make sure that all users of the vehicle know how to disarm the VRS. Remember that the remote does not affect the VRS, so make sure the user can distinguish the standard triggered response from that of the VRS.
Is the correct starter wire being interrupted? If the car starts when the starter kill relay is completely disconnected, the wrong starter wire has been cut and interrupted.
Are the GREEN and BLACK wires properly oriented? The GREEN goes toward the switch, and the BLACK towards the starter motor.
H1/9 YELLOW wire is not connected to true ignition. It is connected to an accessory circuit.
Has the NPCtm system been triggered? If so, you will hear 5 chirps when disarming. To check this, turn the ignition key on and off to clear the NPCtm's memory, and then retest the shock sensor. For a detailed description of NPCtm.
That's how the progressive two-stage door input works! This is a feature of this system. This is an instant trigger, remember, since even if the door is instantly re-closed, the progression from chirps to constant siren will continue.
Have you correctly identified the type of door switch system? This happens often when the wrong door input has been used.
Are the door inputs connected? Is the H1/6 BLUE wire connected to the door trigger wire in the vehicle? Either the H1/5 GREEN or the H1/7 VIOLET should be used instead.
Does the Status LED indicate that the trigger was caused by the shock sensor? (See Diagnostics). The shock sensor, if set to extreme sensitivity, may be detecting the door unlatching before the door switch sends its signal. Reducing the sensitivity can solve this problem.
Is it plugged into the correct socket?
Did you install the switch in the right socket? Did you enable the feature? Did you read the Owner's Guide for operation of this VRS feature? (It differs from the outboard 540T VRS system). Are you arming the VRS with the door closed?
You've probably guessed already, but here goes: is it plugged in? Is the LED plugged into the correct socket?
This unit has easily-reversed lock/unlock outputs.
20.09.1999