Данная система предназначена для установки только на тех автомобилях, которые имеют штатную электрическую проводку с напряжением 12 В и заземлением минусовой клеммы аккумуляторной батареи, бензиновый двигатель или дизельный двигатель с возможностью подачи на систему сигнала с тахометра и автоматическую трансмиссию.
Охранная система с устройством дистанционного запуска двигателя APS 775 предназначена для установки только на автомобили, имеющие автоматическую трансмиссию! Устройство имеет программируемую функцию управления зажиганием автомобиля, которая позволяет подавать 10-секундный выходной сигнал на свечи предпускового прогрева и может использоваться при установке системы на автомобилях с дизельными двигателями (программируемая функция # 9). Если дизельный двигатель имеет немедленное зажигание (то есть не имеет свечей предпускового прогрева), следует оставить заводскую настройку функции # 9 (бензиновый двигатель). Если ваш автомобиль имеет дизельный двигатель, проконсультируйтесь с дилером по поводу того, систему зажигания какого типа имеет ваш автомобиль. Независимо от того, установлен ли на автомобиле дизельный или бензиновый двигатель, автомобиль должен в обязательном порядке иметь автоматическую трансмиссию и возможность подключения к тахометру.
Выберите в пассажирском салоне место для установки основного блока системы (за приборной панелью автомобиля). При выборе места установки учитывайте, основной блок должен находится на расстоянии не более 60 сантиметров от жгута проводов замка зажигания, чтобы была обеспечена возможность подключения шестипроводного основного жгута системы.
При выборе места установки учитывайте, что основной блок не должен препятствовать нормальной работе систем автомобиля. Никогда не закрепляйте основной блок на рулевой колонке и не прокладывайте вокруг нее провода системы, потому что модуль или провода могут заблокировать рулевую колонку и воспрепятствовать нормальному управлению автомобилем. Закрепите модуль в выбранном месте с помощью кабельных стяжек или винтов, если это необходимо.
Никогда не устанавливайте основной блок системы в отсеке двигателя автомобиля, потому что корпус данного модуля негерметичен.
Для установки сирены выберите в отсеке двигателя место, в котором сирена будет защищена от доступа со стороны днища автомобиля. В выбранном для установки сирены месте отсека двигателя не должно быть горячих или движущихся деталей. Сирена должна быть направлена вниз, чтобы избежать накапливания в ней воды, а раструб должен быть направлен из отсека двигателя наружу для максимального распространения звука. Перед тем, как закрепить сирену, убедитесь, что для этого достаточно места и винты крепления сирены не повредят штатную проводку автомобиля или трубопровод какой-нибудь из его систем. Закрепите кронштейн сирены с помощью самонарезающихся винтов # 8. Сначала вы можете разметить отверстия для закрепления кронштейна, используя сам кронштейн в качестве шаблона; затем просверлите три отверстия сверлом диаметром 1/8 дюйма (3 мм) и закрепите сирену с помощью крепежных винтов # 8.
Концевые выключатели, входящие в комплект данной системы, предназначены для защиты зон багажника и капота автомобиля. В любом случае концевой выключатель должен закрепляться на металлической поверхности, электрически соединенной с "массой" автомобиля. При срабатывании концевого выключателя (когда открывается капот или багажник автомобиля) по проводу концевого выключателя на вход основного блока системы подается отрицательная полярность ("масса"), что приводит к срабатыванию сигнализации. Кроме того, концевой выключатель капота необходим для отключения устройства дистанционного запуска двигателя автомобиля. Концевой выключатель капота предотвращает дистанционный запуск двигателя автомобиля (даже при поступлении с передатчика команды на запуск двигателя), когда капот автомобиля открыт, например, для осуществления ремонта или обслуживания двигателя. Данный концевой выключатель должен устанавливаться в обязательном порядке. Несоблюдение данного правила может привести к ранениям и повреждению автомобиля. Устанавливайте концевые выключатели капота и багажника подальше от водоотводов. При необходимости можно использовать входящие в комплект кронштейны, позволяющие закрепить концевые выключатели подальше от водоотводов и дающие возможность закрепить концевой выключатель капота на перегородке, разделяющей отсек двигателя и салон автомобиля (за резиновым уплотнителем капота). В любом случае концевые выключатели должны быть установлены таким образом, чтобы капот или крышка багажника при закрывании нажимали на концевой выключатель и перемещали его движущийся контакт не меньше, чем на 6 мм, а при открывании позволяли движущемуся контакту полностью подняться. Для установки концевого выключателя непосредственно в кузов автомобиля необходимо просверлить отверстие диаметром 6 мм (1/4 дюйма). Перед тем, как просверлить монтажное отверстие, осмотрите выбранное место, чтобы не повредить штатную электрическую проводку автомобиля или трубопровод какой-либо из его систем. Просверлите в выбранном месте отверстие диаметром 6 мм (1/4 дюйма) и закрепите в нем концевой выключатель, используя гаечный ключ 11 мм (7/16 дюйма) или торцевой ключ достаточной глубины. При закреплении концевого выключателя на кронштейне сначала закрепите в выбранном месте кронштейн, а затем закрепите концевой выключатель в резьбовом отверстии кронштейна.
В комплект данной системы входит красный светодиодный индикатор, который показывает состояние охранной системы и выполняет роль визуального предупреждения для потенциальных грабителей и угонщиков. Также светодиодный индикатор служит в качестве средства визуального подтверждения во время программирования передатчиков или различных функций системы. Светодиодный индикатор должен быть установлен в приборную панель автомобиля в таком месте, где он будет хорошо виден как с водительского сиденья, так и снаружи через окна автомобиля. Перед тем, как просверлить отверстие в выбранном на приборной панели месте, осмотрите его со всех сторон, чтобы не повредить сверлом провода штатной электрической проводки автомобиля или трубопроводы его систем. Аккуратно просверлите в выбранном месте отверстие диаметром 6 мм (1/4 дюйма), пропустите через отверстие разъем и провода светодиода и проложите их к основному блоку системы. Нажмите на светодиод и плотно установите его в монтажное отверстие.
В комплект данной системы входит блок супергетеродинного приемника-антенны. Антенна прокладывается от основного блока над приборной панелью автомобиля и обеспечивает максимальный радиус действия передатчиков дистанционного управления системой. Особое внимание следует обратить на тип ветрового стекла, установленного в автомобиле, так как на некоторых новых автомобилях используются ветровые стекла с металлизированным покрытием, которые ухудшают или блокируют прием сигналов, подаваемых передатчиком дистанционного управления. При установке системы на таких автомобилях проложите открытый (неэкранированный) конец антенны в сторону заднего стекла, что позволит улучшить качество приема. После того, как вы закрепите открытый конец антенны с помощью клейкой ленты, мы рекомендуем также закрепить и антенный кабель. Это предотвратит падение антенны в том случае, если клейкая лента, крепящая конец антенны, в результате нагрева высохнет и утратит свои клеящие свойства. Проложите жгут проводов с трехконтактным разъемом к основному блоку системы. Постарайтесь не повредить кабель, так как это может привести к ухудшению дистанционного управления системой или невозможности управления системой с передатчика.
Переключатель VALET используется для переключения системы в сервисный режим, программирования системы, а также ручного ее отключения. Для установки данного переключателя выберите такое место, в котором водитель автомобиля мог бы легко им воспользоваться. Тщательно прятать переключатель нет необходимости, однако, рекомендуется все же использовать определенные методы маскировки, потому что это повысит уровень защищенности системы и затруднит действия угонщиков. Переключатель VALET может быть закреплен снизу к приборной панели автомобиля со стороны водителя. Внимательно осмотрите предполагаемое место установки переключателя, чтобы убедиться в том, что для установки корпуса переключателя достаточно места, и при сверлении вы не повредите провода штатной электрической проводки автомобиля или трубопроводы каких-либо его систем. Просверлите в выбранном месте отверстие диаметром 6 мм (1/4 дюйма) и установите переключатель, просунув его через отверстие в панели с обратной стороны. Закрепите переключатель с помощью гайки, шайбы и планшайбы с маркировкой положения ON/OFF (включено/выключено). Рекомендуется ориентировать переключатель таким образом, чтобы позиция "ON" (включено) находилась вверху или ближе к водителю, а позиция "OFF" (выключено) находилась внизу или дальше от водителя. Проложите жгут с разъемом от переключателя к основному блоку системы.
Выберите для установки выключателя устройства дистанционного запуска двигателя автомобиля место, удобное водителю. Выключатель может быть установлен под приборной панелью, сбоку на декоративной накладке или в отделении для перчаток. Внимательно осмотрите предполагаемое место установки выключателя, чтобы убедиться в том, что для установки корпуса выключателя достаточно места, и при сверлении вы не повредите провода штатной электрической проводки автомобиля или трубопроводы каких-либо его систем. Просверлите в выбранном месте отверстие диаметром 6 мм (1/4 дюйма) и установите выключатель, просунув его через отверстие в панели с обратной стороны. Закрепите выключатель с помощью гайки, шайбы и планшайбы с маркировкой положения ON/OFF (включено/выключено). Рекомендуется ориентировать выключатель таким образом, чтобы позиция "ON" (включено) находилась вверху или ближе к водителю, а позиция "OFF" (выключено) находилась внизу или дальше от водителя. Проложите жгут с разъемом от выключателя к основному блоку системы. Наденьте красную резиновую насадку, входящую в комплект системы, на рычаг выключателя, чтобы иметь возможность отличить его от переключателя VALET.
Для установки датчика удара выберите расположенную в середине ровную твердую поверхность, при закреплении на которой датчик удара сможет контролировать все зоны автомобиля. Выбранное для установки датчика место должно находиться в пределах расстояния 45 сантиметров (18 дюймов) от основного блока системы, чтобы вы имели возможность проложить и подключить к нему четырехпроводный жгут датчика удара. Закрепите датчик удара в выбранном месте с помощью двух самонарезающихся винтов # 8. Также датчик можно закрепить на стойках, к которым крепится приборная панель автомобиля, с помощью кабельных стяжек. Независимо от того, какой метод крепления датчика удара используется, необходимо обеспечить свободный доступ к потенциометру регулировки чувствительности датчика, который может потребоваться использовать при последующей настройке системы.
Для установки реле блокировки стартера выберите место, находящееся на расстоянии не более 30 сантиметров (12 дюймов) от слаботочного провода, идущего от замка зажигания к соленоиду стартера автомобиля. Закрепите реле на штатном жгуте проводов в выбранном месте, соединив с помощью кабельной стяжки этот жгут проводов со жгутом проводов реле.
Внимание! Никогда не закрепляйте с помощью кабельной стяжки штатные жгуты проводов на металлических кронштейнах, так как вибрация, возникающая при эксплуатации автомобиля, может привести к повреждению изоляции проводов и короткому замыканию в электрической проводке автомобиля. Если реле блокировки стартера невозможно закрепить на штатном жгуте электрической проводки автомобиля, закрепите реле на кронштейне крепления приборной панели автомобиля с помощью самонарезающегося винта # 8. Подключите провода реле так, как указано на соответствующем рисунке ниже в данном Руководстве.
Система APS 775 должна устанавливаться только на автомобилях, имеющих автоматическую трансмиссию! Хотя данная охранная система с возможностью дистанционного запуска двигателя автомобиля представляет собой продуманное современное устройство, обладающее большим количеством усовершенствованных функций, она не должна устанавливаться на автомобилях, имеющих механическую коробку передач. Установка данной системы на таких автомобилях может привести к различным травмам, а также повреждению автомобиля и другой собственности.
Внимание! Не подсоединяйте шестиконтактный разъем основного жгута проводов питания или кабель с многоконтактным разъемом к основному блоку системы до тех пор, пока не будут сделаны все остальные соединения. После того, как вы найдете все провода штатной проводки автомобиля, к которым должны быть подключены провода системы, описанные ниже, перед началом монтажа отсоедините минусовую клемму от аккумуляторной батареи автомобиля.
Подключите данный провод к постоянному источнику питания + 12 В на замке зажигания автомобиля через предохранитель 30 А, установленный в держатель предохранителя, который входит в комплект устройства. Данный провод обеспечивает подачу питания в цепи управления реле зажигания 1 и реле зажигания 2.
Подключите данный провод к постоянному источнику питания + 12 В на замке зажигания автомобиля через предохранитель 30 А, установленный в держатель предохранителя, который входит в комплект устройства, но не к тому же проводу, к которому подключен красный провод с белой полосой. Большинство автомобилей имеют более одного источника питания, от которого питание подается на замок зажигания. Красный провод и красный провод с белой полосой должны подключаться к разным проводам подачи питания. В том случае, если в автомобиле питание подается на замок зажигания только по одному проводу, подсоедините оба провода системы к аккумуляторной батарее автомобиля. Данный провод обеспечивает подачу питания на реле стартера и реле дополнительного провода.
Важное замечание!
В обязанности мастера-установщика входит определение нагрузки электрических цепей автомобиля при работающем двигателе и выбор правильного номинала предохранителей, которые должны быть установлены на провода подачи питания. Если ток в электрической сети автомобиля при полной нагрузке (работает кондиционер, электродвигатель нагнетательного вентилятора отопителя и другие дополнительные устройства) превышает 24 А, рекомендуется установить в каждую цепь питания два предохранителя. Мы рекомендуем использовать два предохранителя с держателями, подключив их параллельно в провода питания, как показано на рисунке ниже. При параллельном подключении необходимо использовать предохранители, каждый из которых рассчитан на ток 15 А.
Дополнительную информацию можно найти в Технических рекомендациях от 30/9/96.

На подключение данного провода следует обратить особое внимание, потому что это позволит предотвратить дистанционный запуск двигателя автомобиля, когда рычаг управления автоматической трансмиссией находится в положении прямой или задней передачи. Понимание разницы между механическим и электрическим выключателем нейтрального положения позволит вам правильно идентифицировать цепь и выбрать необходимый метод подключения. Кроме того, вы поймете, почему подключение провода блокировки является необходимым для всех конфигураций, в которых используется механический выключатель.
Отказ от выполнения данного подключения, а также неправильное его выполнение могут привести к различным травмам или повреждению автомобиля и другой собственности.
При выборе любого метода подключения на мастере-установщике лежит обязанность проверить работу устройства дистанционного запуска двигателя автомобиля и убедиться в том, что двигатель автомобиля невозможно запустить, подавая команду с передатчика дистанционного управления, когда рычаг управления автоматической трансмиссией находится в любом положении, кроме "PARK" (парковка) или "NEUTRAL" (нейтральное).
Независимо от того, используется ли механический или электрический выключатель нейтрального положения, желтый провод должен быть подключен к слаботочному проводу соленоида стартера, который входит в жгут проводов, идущих от замка зажигания автомобиля. На данный провод питание +12 В подается только тогда, когда ключ поворачивается в замке зажигания в положение "START" или "CRANK" (стартер). В любом другом положении ключа в замке зажигания на данном проводе должно быть напряжение 0 В.
Примечание: Если на автомобиле установлено реле блокировки цепи стартера, желтый провод должен быть подключен к тому концу разрываемого провода стартера, который идет к стартеру автомобиля. При использовании электрического выключателя нейтрального положения данное подключение должно быть сделано между реле блокировки стартера (если данное реле установлено) и выключателем нейтрального положения, как показано на рисунке ниже.
Подключение желтого провода к той стороне выключателя нейтрального положения, провод от которой идет к замку зажигания автомобиля, может привести к различным травмам или повреждению автомобиля и другой собственности.
Более подробная информация приводится в разделе "Проверка работы цепи выключателя нейтрального положения" данного Руководства.

Подключите синий провод к первому проводу зажигания, идущему от замка зажигания автомобиля. На данный провод подается питание +12 В, когда ключ повернут в замке зажигания в положение "ON" или "RUN" (зажигание) и "START" или "CRUNK" (стартер), и подается напряжение 0 В, когда ключ повернут в положения "OFF" (выключено) и "ACCESSORY" (дополнительное).
При установке системы на автомобиле с дизельным двигателем данный провод должен быть подключен к цепи зажигания, по которой подается питание на свечи предпускового прогрева (если конструкция дизельного двигателя предполагает использование свечей предпускового прогрева; программируемая функция # 9).
Подключите зеленый провод ко второму проводу зажигания, идущему от замка зажигания автомобиля. На данный провод подается питание +12 В, когда ключ повернут в замке зажигания в положение "ON" или "RUN" (зажигание) и, в некоторых случаях, "START" или "CRUNK" (стартер), и подается напряжение 0 В, когда ключ повернут в положения "OFF" (выключено) и "ACCESSORY" (дополнительное).
Примечание: Система позволяет запрограммировать подачу выходного сигнала на данный провод, когда ключ находится в замке зажигания в положении "START" (стартер). Обратитесь к разделу "Программирование функций охранной системы".
Подключите фиолетовый провод к дополнительному проводу замка зажигания. На данный провод подается питание +12 В, когда ключ повернут в замке зажигания в положение "ACCESSORY" (дополнительное) и положение "ON" или "RUN" (зажигание), и подается напряжение 0 В, когда ключ повернут в положения "OFF" (выключено) и "START" или "CRUNK" (стартер).

Данный провод в блоке системы подключен к общему контакту встроенного реле управления габаритными огнями автомобиля. Если цепь питания габаритных огней автомобиля, на котором устанавливается система, положительной полярности (+ 12 В), то подключите данный провод к защищенному предохранителем источнику питания + 12 В (максимальный ток 15 А).
Примечание: Если цепь питания габаритных огней автомобиля, на котором устанавливается система, отрицательной полярности, то подключите данный провод к "массе" (металлической детали кузова автомобиля).

Данный провод позволяет подавать на сирену питание положительной полярности (+ 12 В). Проложите данный провод через отверстие с резиновой втулкой, которое имеется в перегородке между отсеком двигателя и салоном автомобиля, к тому месту, в котором установлена сирена. Соедините белый провод с черной полосой с красным проводом сирены. Подсоедините черный провод, идущий от сирены, к "массе" (металлической детали кузова автомобиля).

Если при открывании двери автомобиля включается внутреннее освещение его салона и автомобиль имеет цепь подачи питания на внутрисалонное освещение положительной полярности (некоторые автомобили Форд и некоторые автомобили неамериканского производства), вы должны подключить лиловый провод системы к положительному выходу одного из концевых выключателей дверей автомобиля. В большинстве случаев лиловый провод достаточно подключить к концевому выключателю одной из дверей, независимо от того, сколько дверей имеет автомобиль, потому что большинство концевых выключателей дверей подключено параллельно. Вход данного провода будет заблокирован на время дистанционного запуска двигателя автомобиля, и будет оставаться заблокированным, даже если сработал концевой выключатель, все время, пока двигатель работает под контролем устройства дистанционного запуска. Если система ставится на охрану, когда на данный провод подается сигнал от сработавшего концевого выключателя двери (например, когда дверь автомобиля неплотно закрыта), сирена подаст три коротких звуковых сигнала. После закрывания двери, вызвавшей срабатывание концевого выключателя, сирена подаст один короткий звуковой сигнал, подтверждая полную постановку системы на охрану. Схема подключения приводится на рисунке ниже.

Темно-зеленый провод является проводом мгновенного отрицательного триггера. Данный провод необходимо подключить к концевым выключателям капота и багажника, постоянно соединенным с "массой".
Примечание: Данный вход будет блокироваться при поступлении с передатчика дистанционного управления сигнала по каналу 2 (открывание багажника). Данный вход будет оставаться заблокированным все время, пока на нем будет отрицательная полярность и еще 5 секунд после того, как отрицательная полярность будет снята. Это позволяет пользователю отпирать багажник автомобиля с передатчика дистанционного управления, не снимая перед этим систему с охраны. Схема подключения приводится на рисунке ниже.

На голубой провод подается выходной сигнал отрицательной полярности (300 мА) за три секунды до включения устройства дистанционного запуска двигателя автомобиля. Сигнал остается на данном проводе в течение всего времени работы двигателя и еще в течение 4 секунд после выключения устройства дистанционного запуска. Во всех случаях использования данного выхода, которые описываются ниже, потребуется установить дополнительное реле.
Голубой провод системы может использоваться следующим образом.
А. Отключение датчика удара.
Если в охранной системе используется датчик удара, и он не отключается на время работы устройства дистанционного запуска двигателя автомобиля, то вибрация работающего двигателя может привести к срабатыванию сигнализации. В этом случае подключите голубой провод к контакту # 86 внешнего реле. Соедините контакт # 85 реле с источником питания + 12 В, защищенным предохранителем. Перережьте провод подключения датчика удара и подключите один конец перерезанного провода к контакту # 30 реле, а другой конец перерезанного провода к контакту # 87а. Непосредственно перед включением устройства дистанционного запуска двигателя автомобиля контакты реле разомкнутся, блокируя работу датчика удара до тех пор, пока устройство дистанционного запуска двигателя не выключится.
В. Третий провод зажигания.
Некоторые новые модели автомобилей имеют третий провод зажигания, который используется для запуска двигателя автомобиля и поддержания его нормальной работы. В этом случае подключите голубой провод к контакту # 86 внешнего реле. Соедините контакты # 30 и # 85 реле с источником питания + 12 В, защищенным предохранителем, который рассчитан как минимум на 25 А. Соедините контакт # 87 с третьим проводом зажигания автомобиля.
С. Блокировка работы системы VATS в автомобилях компании "Дженерал Моторс".
Если на автомобиле установлена система VATS компании "Дженерал Моторс", вам необходимо блокировать работу данной системы на то время, пока двигатель автомобиля будет работать под управлением устройства дистанционного запуска двигателя. Для этого:
Примечание: Обычно это белый провод с черной полосой и фиолетовый провод с желтой полосой, однако, в последних моделях "Кадиллак" эти провода проложены в оранжевой изоляционной трубке, причем оба провода имеют либо черный, либо желтый, либо белый цвет изоляции. Более подробная информация приводится в инструкции, прилагаемой к автомобилю.
Примечание: Вся приведенная выше информация и приведенная ниже схема относятся только к системе VATS компании "Дженерал Моторс". Если на автомобиле установлена система GM PASS LOCK, вам понадобится модуль Audiovox AS-PASS II.

На зеленый провод с белой полосой в течение 30 секунд подается отрицательный выходной сигнал (300 мА) каждый раз, когда с передатчика дистанционного управления подается команда снятия системы с охраны или отпирания дверей автомобиля; также на данный провод подается непрерывный импульсный выходной сигнал каждый раз, когда срабатывает система. Если вы хотите, чтобы ваша система управляла внутрисалонным освещением автомобиля, зеленый провод с белой полосой должен быть подключен к внешнему реле, к которому в свою очередь подключаются провода цепи внутрисалонного освещения автомобиля. Схема подключения проводов к дополнительному реле приводится на рисунке ниже.

Каждый раз, когда на серый провод с черной полосой подается отрицательная полярность ("масса"), производится немедленная блокировка устройства дистанционного запуска двигателя автомобиля. Подключите серый провод с черной полосой к ранее установленному концевому выключателю капота. Данный провод должен быть проложен через отверстие с резиновой втулкой в перегородке, разделяющей отсек двигателя и салон автомобиля, и подключен к концевому выключателю капота. Если данный концевой выключатель используется также и для включения охранной системы автомобиля, подключите серый провод с черной полосой, используя входящую в комплект диодную развязку.
Внимание! Подключение данного провода является одной из мер обеспечения безопасности. Провод должен быть подключен так, как показано на рисунке ниже, и надлежащим образом проверен. Отказ от подключения данного провода может привести к различным травмам, а также к повреждению автомобиля или другой собственности. Схема подключения провода приводится на рисунке ниже. Данный провод может использоваться также в том случае, если автомобиль имеет цепь включения стоп-сигналов отрицательной полярности. В этом случае в серый провод с черной полосой должен быть установлен разделительный диод, и провод может быть подключен к выключателю стоп-сигналов.

На оранжевый провод подается выходной сигнал отрицательной полярности (300 мА), когда системы находится в режиме охраны. Данный провод позволяет управлять работой реле блокировки стартера. Подключите оранжевый провод к контакту # 86 (оранжевый провод) входящего в комплект реле. Соедините контакт # 85 (красный провод) реле с проводом зажигания автомобиля, на который подается питание + 12 В, когда ключ повернут в замке зажигания в положения "зажигание" и "стартер", и 0 В, когда ключ повернут в положение "выключено". Найдите и перережьте слаботочный провод соленоида стартера, который входит в жгут проводов, идущих от замка зажигания автомобиля. На данный провод питание +12 В подается только тогда, когда ключ поворачивается в замке зажигания в положение "стартер". В любом другом положении ключа в замке зажигания на данном проводе должно быть напряжение 0 В. Подключите один конец перерезанного провода к контакту # 87а (черный провод) реле. Подключите другой конец перерезанного провода к контакту # 30 (бело-черный провод) реле. Схема подключений приводится на рисунке ниже. Также обратитесь к разделу, в котором описывается подключение желтого провода системы.

Если на коричневый провод с черной полосой подается питание + 12 В, это приводит к немедленному выключению модуля управления устройства дистанционного запуска двигателя автомобиля. Если автомобиль имеет цепь подачи питания на стоп-сигналы положительной полярности, то есть при нажатии педали тормоза с выключателя стоп-сигналов на лампы подается питание + 12 В, подключите коричневый провод с белой полосой к выходу выключателя стоп-сигналов. После этого устройство дистанционного запуска будет выключать двигатель автомобиля, если угонщик попытается уехать на вашем автомобиле, не имея ключа, когда двигатель автомобиля работает под контролем устройства дистанционного запуска. В большинстве автомобилей для того, чтобы передвинут рычаг управления автоматической трансмиссией в положение прямой передачи, необходимо нажать на педаль тормоза. Поступление сигнала от выключателя стоп-сигналов на вход устройства приведет к тому, что устройство дистанционного запуска заглушит двигатель автомобиля. Схема подключения к выключателю стоп-сигналов приводится на рисунке ниже.

Подключите черный провод к "массе" (металлическая деталь кузова автомобиля). Тщательно удалите краску и грязь в месте подключения провода и закрепите его глухой полюсный наконечник с помощью самонарезающегося винта.

Зеленый провод с оранжевой полосой позволяет постоянно контролировать уровень оборотов двигателя по сигналу, поступающему с тахометра, когда двигатель работает под управлением устройства дистанционного запуска. Данный провод должен быть подключен либо к входу тахометра электронного модуля управления, либо проложен через отверстие в перегородке, разделяющей отсек двигателя и салон автомобиля, в отсек двигателя и подключен к минусовому выводу катушки зажигания. Устройство дистанционного запуска двигателя "изучит" характер работы тахометра автомобиля и в подавляющем числе случаев будет нормально работать с одним многокатушечным блоком, независимо от количества цилиндров двигателя автомобиля. Если на автомобиле для каждого цилиндра установлена отдельная катушка зажигания, для получения правильного входного сигнала тахометра может потребоваться подключить зеленый провод с оранжевой полосой к нескольким катушкам зажигания. Более подробная информация по подключению провода к нескольким катушкам зажигания приводится ниже в данном Руководстве.

Если при открывании двери автомобиля включается внутреннее освещение его салона и автомобиль имеет цепь внутрисалонного освещения отрицательной полярности (большинство автомобилей Дженерал Моторс и автомобилей неамериканского производства), вы должны подключить коричневый провод системы к отрицательному выходу одного из концевых выключателей дверей автомобиля. В большинстве случаев коричневый провод достаточно подключить к концевому выключателю одной из дверей, независимо от того, сколько дверей имеет автомобиль, потому что большинство концевых выключателей дверей подключено параллельно. Вход данного провода будет заблокирован на время дистанционного запуска двигателя автомобиля, и будет оставаться заблокированным, даже если сработал концевой выключатель, все время, пока двигатель работает под контролем устройства дистанционного запуска. Если система ставится на охрану, когда на данный провод подается сигнал от сработавшего концевого выключателя двери (например, когда дверь автомобиля неплотно закрыта), сирена подаст три коротких звуковых сигнала. После закрывания двери, вызвавшей срабатывание концевого выключателя, сирена подаст один короткий звуковой сигнал, подтверждая полную постановку системы на охрану. Схема подключения приводится на рисунке ниже.

На темно-синий провод системы подается отрицательный импульсный выходной сигнал 300 мА каждый раз, когда на второй канал приемника системы поступает управляющий сигнал. Нажатие предварительно запрограммированной кнопки передатчика на три секунды приведет к поступлению управляющего сигнала по каналу 2. Темно-синий провод системы представляет собой слаботочный выход, поэтому он должен быть подключен к реле, если вы собираетесь использовать данный выход для открывания багажника или подачи питания в какую-либо другую цепь. Подключите темно-синий провод к контакту # 86 реле типа VF45F11 P&B или эквивалентного. На контакт # 85 реле подайте питание +12 В по цепи, защищенной предохранителем. Подключитесь к общему, нормально разомкнутому и нормально замкнутому контактам реле в соответствии с тем, какая функция будет управляться по каналу 2. Схема подключения проводов к реле приводится на рисунке ниже.

На зеленый провод с черной полосой подается фиксированный выходной сигнал 300 мА каждый раз, когда на третий канал приемника системы поступает управляющий сигнал. Нажатие предварительно запрограммированной кнопки (кнопок) передатчика приведет к поступлению управляющего сигнала по каналу 3 приемника системы. Фиксированный сигнал будет подаваться на зеленый провод с черной полосой, пока кнопка (кнопки) передатчика удерживаются в нажатом положении (до 8 секунд). Зеленый провод с черной полосой представляет собой слаботочный выход, поэтому он должен быть подключен к реле, если вы собираетесь использовать данный выход для подачи питания в цепь какого-либо устройства. Подключите зеленый провод с черной полосой к контакту # 86 реле типа VF45F11 P&B или эквивалентного. На контакт # 85 реле подайте питание +12 В по цепи, защищенной предохранителем. Подключитесь к общему, нормально разомкнутому и нормально замкнутому контактам реле в соответствии с тем, какая функция будет управляться по каналу 3.
Темно-синий провод с черной полосой позволяет включать устройство дистанционного запуска двигателя автомобиля с внешнего устройства. Основным назначением данного провода является обеспечение возможности управления устройством дистанционного запуска с пейджинговой системы "POSSE/CAR-LINK" или с другого подобного устройства. Когда на данный вход поступает импульсный сигнал отрицательной полярности, устройство запускает двигатель автомобиля. Подключите данный провод к импульсному выходу отрицательной полярности внешнего управляющего устройства.
Провода дополнительного жгута с 4-контактным разъемом представляют собой слаботочные выходы для управления различными функциями автомобиля на различных этапах работы устройства дистанционного запуска двигателя. Понимание того, какие выходные сигналы и в какое время подаются на данные выходы, позволит вам определить, необходимо ли подключать данные провода на автомобиле, на котором устанавливается данная система, а также как их использовать.
Черный провод с синей полосой: На данный провод подается импульсный выходной сигнал отрицательной полярности перед дистанционным запуском двигателя автомобиля.
На черный провод с синей полосой подается импульсный выходной сигнал 300 мА отрицательной полярности длительностью 1 секунду за 1,5 секунды до включения устройства дистанционного запуска двигателя автомобиля. Обычно данный сигнал используется для снятия с охраны штатной охранной системы автомобиля, что позволяет предотвратить срабатывание сигнализации штатной охранной системы при запуске двигателя автомобиля, или в том случае, когда система APS-775 используется для отпирания дверей автомобиля.
Черный провод со светло-зеленой полосой: На данный провод подается импульсный выходной сигнал отрицательной полярности после дистанционного запуска двигателя автомобиля.
На черный провод со светло-зеленой полосой подается импульсный выходной сигнал 300 мА отрицательной полярности длительностью 1 секунда после запуска устройством дистанционного запуска двигателя автомобиля. Обычно данный сигнал используется для повторного запирания дверей автомобиля, если при снятии штатной системы с охраны двери автомобиля отпираются автоматически.
Черный провод с красной полосой: На данный провод подается импульсный выходной сигнал отрицательной полярности после остановки двигателя автомобиля.
На черный провод с красной полосой подается импульсный выходной сигнал 300 мА отрицательной полярности длительностью 1 секунда после того, как устройство дистанционного запуска заглушит двигатель автомобиля. Данный сигнал подается независимо причины остановки двигателя: истекло ли запрограммированное время работы двигателя под управлением устройства дистанционного запуска, или двигатель был заглушен водителем. Обычно данный сигнал используется для повторного запирания дверей автомобиля, если двери автомобиля отпираются автоматически при прекращении подачи питания в цепь зажигания автомобиля.
Черный провод с желтой полосой: На данный провод подается выходной сигнал отрицательной полярности во время работы стартера автомобиля.
На черный провод с желтой полосой подается выходной сигнал 300 мА отрицательной полярности одновременно с подачей выходного сигнала с устройства дистанционного запуска двигателя в цепь стартера автомобиля. Данный провод может использоваться для включения цепи Crank Low/Bulb Test на некоторых автомобилях "Дженерал Моторс". Этот провод также используется для включения электронного модуля управления не некоторых автомобилях "Крайслер".
Примечание: Все описанные выше провода представляют собой слаботочные выходы и должны подключаться к дополнительным реле в том случае, если потребляемый ток превышает 300 мА.
Идущие от красного разъема черный провод и черный провод с белой полосой позволяют включать и выключать устройство дистанционного запуска двигателя автомобиля. Если "масса" подается на черный провод с белой полосой, то устройство может использоваться для дистанционного запуска двигателя. Если же на данный провод "масса" не подается, то вы не сможете использовать устройство для дистанционного запуска двигателя автомобиля. Проложите черный провод и черный провод с белой полосой от выключателя до основного модуля системы и подключите красный двухконтактный разъем к красному двухконтактному разъему на основном блоке системы.
От белого разъема системы идут четыре провода: красный (питание + 12 В), черный ("масса"), синий (зона предупреждения) и зеленый (включение сигнализации, если система установлена на охрану). Данный жгут проводов представляет собой входы и выходы датчика удара. Проложите четырехпроводный жгут от датчика удара до основного блока системы и подключите 4-контактный белый разъем к соответствующему белому разъему на основном блоке системы.
Примечание: На время работы двигателя под управлением устройства дистанционного запуска датчик удара будет заблокирован. Как только устройство дистанционного запуска выключится, датчик удара снова будет включен в систему охраны автомобиля.
Красный и синий провода, идущие от двухконтактного миниатюрного белого разъема, подключаются к катоду и аноду светодиода, устанавливаемого в приборной панели автомобиля. Проложите красный и синий провода от светодиода к основному блоку системы и подключите двухконтактный разъем к соответствующему двухконтактному миниатюрному белому разъему на основном блоке системы.
Черный и серый провода, идущие от двухконтактного синего разъема, подключаются к переключателю VALET. На один из этих проводов подается "масса", другой подключается к входу "программирование/режим VALET" основного блока системы. Когда при определенных условиях на серый провод подается "масса", устройство переключается в сервисный режим VALET. Если же на серый провод "масса" подается при других условиях, устройство переключается в различные режимы программирования. Проложите черный и серый провода от переключателя VALET к основному блоку системы и подключите двухконтактный синий разъем к соответствующему синему разъему на основном блоке. Работа переключателя VALET (при его использовании для программирования системы) описывается в данном Руководстве ниже, в разделах, посвященных программированию с передатчика дистанционного управления, а также программированию основных и дополнительных функций системы.
Подключите трехконтактный разъем ранее проложенного жгута блока антенны-приемника к соответствующему разъему на основном модуле системы. По трем проводам данного жгута подается питание + 12 В, "масса" и данные дистанционного управления от антенны-приемника на основной модуль системы. Обратите особое внимание на надежность подключения данного разъема к основному блоку системы.
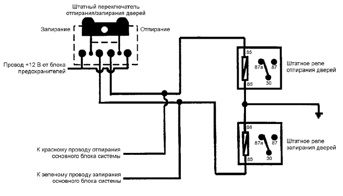
Красный и зеленый провода, идущие от данного разъема, являются выходами управления электроприводами замков дверей автомобиля. Для управления цепью запирания/отпирания дверей автомобиля на данные выходы подается либо импульсный сигнал отрицательной полярности ("масса"), либо импульсный сигнал положительной полярности (+ 12 В). Максимальный ток, подаваемый на данные выходы, 300 мА. Многие современные автомобили имеют штатные реле запирания дверей, которые могут быть напрямую подключены к данным выходам системы, однако, необходимо обязательно убедиться, что штатные реле цепи отпирания/запирания дверей автомобиля, на котором устанавливается система, не потребляют ток, превышающий 300 мА. Подключите двухконтактный разъем жгута управления электроприводами дверей автомобиля к соответствующему разъему на основном блоке системы. Определите, какую полярность имеет цепь запирания/отпирания дверей автомобиля, и подключите провода в соответствии со схемами, приведенными на рисунках ниже.
В данном случае красный провод, идущий от двухконтактного белого разъема, обеспечивает подачу импульсного сигнала отрицательной полярности во время постановки системы на охрану (импульсный выходной сигнал запирания дверей отрицательной полярности). Подключите красный провод системы к слаботочному проводу подачи сигнала отрицательной полярности, который идет от штатного переключателя запирания/отпирания дверей к штатному реле запирания дверей.
Зеленый провод, идущий от двухконтактного белого разъема, обеспечивает подачу импульсного сигнала отрицательной полярности во время снятия системы с охраны (импульсный выходной сигнал отпирания дверей отрицательной полярности). Подключите зеленый провод системы к слаботочному проводу подачи сигнала отрицательной полярности, который идет от штатного переключателя запирания/отпирания дверей к штатному реле отпирания дверей. Схема подключения проводов приводится на рисунке ниже.

В данном случае красный провод, идущий от двухконтактного белого разъема, обеспечивает подачу импульсного сигнала положительной полярности (+ 12 В) во время снятия системы с охраны (импульсный выходной сигнал отпирания дверей положительной полярности). Подключите красный провод системы к слаботочному проводу подачи сигнала положительной полярности (+ 12 В), который идет от штатного переключателя запирания/отпирания дверей к штатному реле отпирания дверей.
Зеленый провод, идущий от двухконтактного белого разъема, обеспечивает подачу импульсного сигнала положительной полярности (+ 12 В) во время постановки системы на охрану (импульсный выходной сигнал запирания дверей положительной полярности). Подключите зеленый провод системы к слаботочному проводу подачи сигнала положительной полярности (+ 12 В), который идет от штатного переключателя запирания/отпирания дверей к штатному реле запирания дверей. Схема подключения проводов приводится на рисунке ниже.

Примечание: Для подключения системы к цепям управления электроприводами замков дверей другого типа (четырехпроводная с обратной полярностью, пятипроводная на 12 В переменного тока и др.) необходимо использовать интерфейс Audiovox AS-9159 (или аналогичные автомобильные реле на 30 А). Схема правильного подключения проводов приводится в приложении "Audiovox Door Lock Wiring Supplement".
Примечание: Описание всех процедур программирования охранной системы и устройства дистанционного запуска двигателя базируется на той настройке передатчика, при которой первая кнопка передатчика подает управляющий сигнал по каналу 1, а вторая кнопка передатчика подает управляющий сигнал по каналу 2.
| Функция | 1 звуковой сигнал | 2 звуковых сигнала | Заводская установка |
|---|---|---|---|
| Первая * | Длительность импульса, подаваемого на электроприводы замков дверей 1 секунда | Длительность импульса, подаваемого на электроприводы замков дверей 3,5 секунды | Длительность импульса, подаваемого на электроприводы замков дверей 1 секунда |
| Вторая | Функция автоматического запирания дверей при включении зажигания включена | Функция автоматического запирания дверей при включении зажигания выключена | Функция автоматического запирания дверей при включении зажигания выключена |
| Третья | Функция автоматического отпирания дверей при выключении зажигания включена | Функция автоматического отпирания дверей при выключении зажигания выключена | Функция автоматического отпирания дверей при выключении зажигания выключена |
| Четвертая | Запирание дверей при пассивной постановке системы на охрану | При пассивной постановке системы на охрану двери не запираются | При пассивной постановке системы на охрану двери не запираются |
| Пятая | Функция пассивной постановки системы на охрану включена | Функция пассивной постановки системы на охрану выключена | Функция пассивной постановки системы на охрану включена |
* Также три звуковых сигнала: для запирания - импульс длительностью в 1 секунду, для отпирания - два импульса длительностью в 1 секунду.
| Функция | Действие | Сигналы подтверждения, подаваемые сиреной | Сигналы, подаваемые светодиодным индикатором |
|---|---|---|---|
| Поверните ключ в замке зажигания в положение "зажигание". | Сигналы не подаются | ||
| Три раза установите переключатель VALET в положение "ON" (включено) и затем "OFF" (выключено). | Один звуковой сигнал сирены и одно включение светодиодного индикатора | ||
| В течение трех секунд поверните ключ в замке зажигания в положение "выключено" и затем назад в положение "зажигание". | Короткий звуковой сигнал, затем длинный звуковой сигнал | ||
| Первая | Для изменения нажмите кнопку 1 на передатчике Или |
1 звуковой сигнал = длительность импульса 1 секунда 2 звуковых сигнала = длительность импульса 3,5 секунды 3 звуковых сигнала = длительность импульса запирания 1 секунда; для отпирания подаются два импульса по 1 секунде |
Одна вспышка, пауза и т.д. |
| Вторая | Установите переключатель VALET в положение "ON" (включено) и затем "OFF" (выключено).Для изменения нажмите кнопку 1 на передатчике Или |
2 звуковых сигнала = функция автоматического запирания дверей при включении зажигания выключена 1 звуковой сигнал = функция автоматического запирания дверей при включении зажигания включена |
Две вспышки, пауза и т.д. |
| Третья | Установите переключатель VALET в положение "ON" (включено) и затем "OFF" (выключено).Для изменения нажмите кнопку 1 на передатчике Или |
2 звуковых сигнала = функция автоматического отпирания дверей при выключении зажигания выключена 1 звуковой сигнал = функция автоматического отпирания дверей при выключении зажигания включена |
Три вспышки, пауза и т.д. |
| Четвертая | Установите переключатель VALET в положение "ON" (включено) и затем "OFF" (выключено).Для изменения нажмите кнопку 1 на передатчике Или |
2 звуковых сигнала = функция запирания дверей при пассивной постановке на охрану выключена 1 звуковой сигнал = функция запирания дверей при пассивной постановке на охрану включена |
Четыре вспышки, пауза и т.д. |
| Пятая | Установите переключатель VALET в положение "ON" (включено) и затем "OFF" (выключено).Для изменения нажмите кнопку 1 на передатчике Или |
1 звуковой сигнал = функция пассивной постановки на охрану включена 2 звуковых сигнала = функция пассивной постановки на охрану выключена |
Пять вспышек, пауза и т.д. |
| Установите переключатель VALET в положение "ON" (включено) и затем "OFF" (выключено). Или |
Выход из режима программирования | ||
| Поверните ключ в замке зажигания в положение "выключено" | Выход из режима программирования |
Примечание: После того, как вы вошли в режим программирования, не делайте между выполнением шагов процедуры паузы, превышающие 15 секунд, иначе система выйдет из режима программирования.
Устройство дистанционного запуска имеет возможность автоматически запускать двигатель автомобиля через запрограммированные промежутки времени. Данную функцию очень удобно использовать зимой (или в условиях холодного климата), когда единственным средством поддержать уровень заряда аккумуляторной батареи и не дать замерзнуть системам автомобиля является периодический прогрев двигателя. Водитель имеет возможность запрограммировать автоматический запуск двигателя своего автомобиля через каждые 2 или 4 часа в течение 48 часов. При этом на заводе для работы данной функции запрограммирован интервал времени 4 часа. Для того чтобы запрограммировать интервал времени (2 или 4 часа) для таймера функции автоматического запуска двигателя, проделайте следующее.
Примечание: После выбора интервала автоматического запуска двигателя (2 или 4 часа), запрограммированное значение будет сохраняться в памяти до момента его перепрограммирования. Для изменения интервала времени проделайте указанную выше процедуру еще раз.
Для включения таймера автоматического запуска двигателя автомобиля в течение 10 секунд после выключения зажигания автомобиля два раза подайте с передатчика команду дистанционного запуска двигателя (нажмите вторую кнопку передатчика четыре раза). Затем четыре раза мигнут габаритные огни автомобиля, и сирена подаст четыре коротких звуковых сигнала. После этого двигатель автомобиля будет автоматически запускаться каждые 2 или 4 часа (в зависимости от того, какой интервал времени запрограммирован). Для отключения режима автоматического запуска двигателя запустите двигатель автомобиля либо дистанционно с передатчика, либо с помощью ключа зажигания.
| Функция | Габаритные огни мигают 1 раз | Габаритные огни мигают 2 раза | Заводская установка | Сигналы, подаваемые светодиодным индикатором |
|---|---|---|---|---|
| Первая | Подача звукового сигнала сирены при дистанционном запуске двигателя выключена | Подача звукового сигнала сирены при дистанционном запуске двигателя включена | Подача звукового сигнала сирены при дистанционном запуске двигателя выключена | Одна вспышка, пауза и т.д. |
| Вторая | Время работы двигателя после дистанционного запуска 10 минут | Время работы двигателя после дистанционного запуска 15 минут | Время работы двигателя после дистанционного запуска 10 минут | Две вспышки, пауза и т.д. |
| Третья | Во время работы двигателя после дистанционного запуска габаритные огни горят, не мигая | Во время работы двигателя после дистанционного запуска габаритные огни мигают | Во время работы двигателя после дистанционного запуска габаритные огни горят, не мигая | Три вспышки, пауза и т.д. |
| Четвертая | (не используется) | Контроль тахометра | Контроль тахометра | Четыре вспышки, пауза и т.д. |
| Пятая | (не используется) | (не используется) | - - - - - - - - - - | Пять вспышек, пауза и т.д. |
| Шестая | Когда при запуске работает стартер, выход второй цепи зажигания не работает | Выход второй цепи зажигания работает как при запуске, так и во время работы двигателя | Когда при запуске работает стартер, выход второй цепи зажигания не работает | Шесть вспышек, пауза и т.д. |
| Седьмая | Режим диагностики выключен | Режим диагностики включен | Режим диагностики выключен | Семь вспышек, пауза и т.д. |
| Восьмая | (не используется) | (не используется) | - - - - - - - - - - | Восемь вспышек, пауза и т.д. |
| Девятая | Бензиновый двигатель | Дизельный двигатель | Бензиновый двигатель | Девять вспышек, пауза и т.д. |
| Десятая | Функция "Starter Pole 5X" (определяет время работы стартера) | Функция "Starter Pole 3X" (определяет время работы стартера) | Функция "Starter Pole 5X" | Десять вспышек, пауза и т.д. |
Примечание:
Примечание:
При выборе настройки "Дизельный двигатель" автомобиль обязательно должен иметь точку, с которой можно было бы получить истинный сигнал тахометра; к данной точке следует подключить провод, являющийся входом сигнала тахометра системы.
Примечание: После того, как вы вошли в режим программирования, не делайте между выполнением шагов процедуры паузы, превышающие 15 секунд, иначе система выйдет из режима программирования.
Примечание: Программирование сигнала тахометра является обязательным при установке системы на любом автомобиле.
Система не будет работать до тех пор, пока не будет запрограммирован сигнал тахометра. При попытке запуска двигателя автомобиля с помощью устройства дистанционного запуска до того, как запрограммирован сигнал тахометра, семь раз мигнут габаритные огни автомобиля, указывающие на то, что сигнал тахометра не был заложен в память системы. Если сигнал тахометра (уровень оборотов двигателя) не будет правильно запрограммирован, устройство может не "понять", что двигатель автомобиля уже работает, и повторно подать питание на электродвигатель стартера.
Устройство дистанционного запуска двигателя может работать с отдельными катушками зажигания, многокатушечными блоками или отдельными инжекторами.
Для программирования сигнала тахометра проделайте следующее.
Примечание: Если устройство не может заложить в память сигнал тахометра из-за неправильного подключения к тахометру или слабого сигнала, включится режим защиты от отказов.
Для исправления данной ситуации найдите и подключите зелено-оранжевый провод системы к той точке, в которой можно получить правильный сигнал тахометра, и снова запрограммируйте сигнал тахометра.
Используя приведенную выше процедуру, войдите в режим программирования, выберите функцию # 7 и включите режим диагностики.
Примечание: Режим диагностики является временным режимом. После того, как вы включили режим диагностики, последует двухсекундная пауза, после которой начнут мигать габаритные огни автомобиля, указывая причину, по которой в последний раз заглох двигатель. Код, соответствующий причине отключения двигателя, будет показан три раза подряд, после чего устройство автоматически выйдет из режима диагностики.
Габаритные огни автомобиля мигнут такое количество раз, которое соответствует коду определенной причины отключения двигателя во время последнего дистанционного его запуска.
| 1 вспышка габаритных огней | Истекло время работы двигателя под контролем устройства дистанционного запуска двигателя (10 или 15 минут) |
| 2 вспышки габаритных огней | Низкий уровень или отсутствие сигнала от тахометра (уровень оборотов двигателя) |
| 3 вспышки габаритных огней | Сработала положительная или отрицательная цепь блокировки работы устройства дистанционного запуска двигателя (открыт капот или нажата педаль тормоза). |
| 4 вспышки габаритных огней | Выключатель устройства дистанционного запуска двигателя установлен в положение "OFF" (выключено). |
| 5 вспышек габаритных огней | Двигатель заглушен с передатчика дистанционного управления, принят сигнал дистанционного управления или повторно активирован провод триггера ручного запуска. |
| 6 вспышек габаритных огней | С тахометра поступил слишком высокий сигнал (высокий уровень оборотов двигателя). |
| 7 вспышек габаритных огней | Сигнал тахометр не был запрограммирован в память устройства. |
Адаптер многокатушечного блока предназначен для использования на автомобилях, на которых установлено несколько катушек зажигания и отсутствует единый источник сигнала тахометра.
Для использования данного адаптера зелено-черные провода должны быть подсоединены к отрицательному выводу катушки (катушек) зажигания.
| Если порядок зажигания 1, 8, 4, 3, 6, 5, 7, 2 |
![]() |
| Подсоедините к цилиндрам 1 3 7 или 8 6 2, или 4 5 1 |
| Если порядок зажигания 1, 5, 6, 3, 4, 2, 7, 8 |
![]() |
| Подсоедините к цилиндрам 1 3 7 или 5 4 8, или 6 2 1 |

Внимание!! Приведенная ниже процедура должна быть выполнена после установки устройства дистанционного запуска двигателя автомобиля Audiovox в обязательном порядке. Выполнение данной процедуры входи в обязанности мастера-установщика. Невыполнение данного требования может привести к серьезным травмам, а также повреждению автомобиля и другой собственности.
Основное назначение подключенного к устройству концевого выключателя капота заключается в блокировке устройства дистанционного запуска двигателя при открытом капоте автомобиля, то есть тогда, когда механик или водитель занимается обычным ремонтом или обслуживанием автомобиля.
Для проверки работоспособности данной цепи проделайте следующее:
Если двигатель автомобиля не заглохнет, проверьте подключение серо-черного провода устройства дистанционного запуска двигателя Audiovox к концевому выключателю капота.
Не передавайте автомобиль владельцу до тех пор, пока не убедитесь в работоспособности данной цепи блокировки устройства дистанционного запуска двигателя автомобиля.
Основное назначение цепи ручного выключения и включения устройства заключается в возможности блокировки дистанционного запуска двигателя автомобиля, то есть запуска двигателя при поступлении команды от передатчика управления системой.
Для проверки работоспособности цепи ручного выключения и включения устройства проделайте следующее:
Если двигатель автомобиля не заглохнет, проверьте подключение выключателя устройства дистанционного запуска к "массе" и черно-белому проводу устройства дистанционного запуска двигателя Audiovox. Если данный выключатель подключается к основному блоку разъемом, убедитесь в том, что двухконтактный разъем выключателя надежно подключен к соответствующему разъему на основном блоке системы.
Не передавайте автомобиль владельцу до тех пор, пока не убедитесь в работоспособности данной цепи отключения устройства дистанционного запуска двигателя автомобиля.
Основное назначение выключателя нейтрального положения заключается в предотвращении запуска двигателя автомобиля, если рычаг управления автоматической трансмиссией находится в любом положении, кроме "PARK" (парковка) или "NEUTRAL" (нейтральное). При установке устройства дистанционного запуска двигателя автомобиля желтый провод системы (выход для подключения к стартеру автомобиля) в обязательном порядке должен быть подключен к той стороне выключателя нейтрального положения, провод от которой идет в сторону замка зажигания. Также важным является выбор места установки реле блокировки стартера, которое должно быть подключено к проводу стартера до места подключения желтого провода системы (еще ближе к замку зажигания).
Для проверки работоспособности цепи выключателя нейтрального положения проделайте следующее:
Внимание! Не забудьте снова подключить коричнево-черный провод, который был временно отключен в шаге 3 процедуры, приведенной выше.
Не передавайте автомобиль владельцу до тех пор, пока не убедитесь в работоспособности данной цепи отключения устройства дистанционного запуска двигателя автомобиля.
Механический выключатель нейтрального положения немного отличается тем, что не обеспечивает тот же уровень безопасности при установке системы дистанционного запуска двигателя автомобиля. Очень часто, когда ключ поворачивается в замке зажигания в положение "выключено", когда рычаг управления автоматической трансмиссией установлен в какое-либо положение, отличное от положения "PARK" (парковка) или "NEUTRAL" (нейтральное), механический выключатель не позволяет повернуть ключ в положение "стартер" или вынуть его из замка зажигания. Такая конфигурация выключателя блокирует механические действия, когда рычаг управления автоматической трансмиссии находится в положении передачи, но не имеет никакого воздействия на электрическую систему автомобиля. Из-за этого при установке устройства дистанционного запуска двигателя требуется дополнительно подключить провод системы к входу электронного модуля управления положениями PARK/NEUTRAL (парковка/нейтральное) или к датчику наличия ключа в замке зажигания автомобиля. Подключение данного провода предотвратит дистанционный запуск двигателя автомобиля в том случае, если ключ оставлен в замке зажигания, независимо от положения рычага управления автоматической трансмиссией.
Наилучшим методом является использование входа электронного модуля управления положениями PARK/NEUTRAL. Это позволит не только сохранить целостность штатной цепи автомобиля, но и значительно облегчит процесс установки, разумеется, только в том случае, если на автомобиле имеется данный вход электронного модуля управления.
Используемая в данном методе схема подключения приводится на рисунке ниже. Из нее следует, что потребуется немного изменить подключение выключателя устройства дистанционного запуска двигателя и установить дополнительный диод серии 4000. На схеме показана типовая входная цепь электронного модуля управления положениями PARK/NEUTRAL автомобиля "Дженерал Моторс". Для подключения устройства дистанционного запуска двигателя автомобиля Audiovox к входу электронного модуля управления положениями PARK/NEUTRAL автомобиля "Дженерал Моторс" проделайте следующее.
На рисунке ниже показана типичная схема прохождения контрольного провода электронного модуля управления в автомобиле "Дженерал Моторс" с кузовом типа В и подключение к этому проводу устройства дистанционного запуска двигателя автомобиля.

Если автомобиль, на который устанавливается система, не имеет контрольного провода электронного модуля управления или вы не можете найти данный провод, есть еще два альтернативных варианта. Хотя это и нежелательно, но вы можете изменить конфигурацию схемы датчика наличия ключа в замке зажигания автомобиля. Это обеспечит определенный уровень безопасности и предотвратит запуск двигателя автомобиля, имеющего механический выключатель нейтрального положения, когда рычаг управления автоматической трансмиссией установлен на передачу.
Компания Audiovox рекомендует не изменять штатную цепь автомобиля, если это возможно. Описываемые ниже две цепи могут использоваться только в том случае, когда автомобиль не имеет штатных цепей, описанных выше.
Примечание: После подключения к любой из описанных ниже цепей датчика наличия ключа в замке зажигания автомобиля, если водитель вставит ключ в замок зажигания, когда двигатель работает под управлением устройства дистанционного запуска, двигатель заглохнет. Следовательно, водитель должен получить все необходимые разъяснения, потому что такая работа системы отличается от нормальной работы того автомобиля, на котором используется электрический выключатель нейтрального положения, и не соответствует инструкции по эксплуатации.
Перед тем, как выбрать любой из двух методов подключения к датчику наличия ключа в замке зажигания, необходимо ознакомиться со всей информацией, приведенной ниже.
Первый метод обеспечит уровень безопасности, необходимый для работы устройства дистанционного запуска двигателя автомобиля, и предотвратит запуск двигателя автомобиля, когда рычаг управления автоматической трансмиссией находится в любом положении, кроме положения PARK или NEUTRAL, когда ключ находится в замке зажигания. Однако, если ключ оставлен в замке зажигания и не закрыта дверь автомобиля, на дополнительное реле будет подаваться напряжение, которое будет потреблять ток 150 мА, снижая заряд аккумуляторной батареи автомобиля.
Второй метод также обеспечит уровень безопасности, необходимый для работы устройства дистанционного запуска двигателя автомобиля, и предотвратит запуск двигателя автомобиля, когда рычаг управления автоматической трансмиссией находится в любом положении, кроме положения PARK или NEUTRAL, когда ключ находится в замке зажигания. Однако, штатный модуль подачи звуковой сигнализации о забытом в замке зажигания ключе не будет предупреждать водителя о том, что ключ остался в замке зажигания автомобиля. Кроме того, использование данного метода может повлиять на подачу других предупреждающих сигналов, например, напоминания о включенных осветительных приборах.
Перед внесением изменения в штатные цепи автомобиля необходимо внимательно изучить оба метода и подробно объяснить их владельцу автомобиля.

Для подключения к датчику наличия ключа в замке зажигания автомобиля по первому методу проделайте следующее.
Примечание: Для обеспечения работоспособности цепи отключения двигателя при открывании капота автомобиля может потребоваться второй диод серии 4002. В этом случае диод должен быть установлен так, как показано на рисунке выше. Анод (немаркированная сторона) диода должен быть подключен к серо-черному проводу устройства дистанционного запуска двигателя. Катод (маркированный конец) диода должен быть подключен к концевому выключателю капота. Если концевой выключатель капота также подключен и к входу охранной системы автомобиля, обязательно используйте диодную развязку, входящую в комплект устройства дистанционного запуска двигателя автомобиля Audiovox, как было описано выше в данном Руководстве.

Для подключения к датчику наличия ключа в замке зажигания автомобиля по второму методу проделайте следующее.
Примечание: Для обеспечения работоспособности цепи отключения двигателя при открывании капота автомобиля может потребоваться второй диод серии 4002. В этом случае диод должен быть установлен так, как показано на рисунке выше. Анод (немаркированная сторона) диода должен быть подключен к серо-черному проводу устройства дистанционного запуска двигателя. Катод (маркированный конец) диода должен быть подключен к концевому выключателю капота. Если концевой выключатель капота также подключен и к входу охранной системы автомобиля, обязательно используйте диодную развязку, входящую в комплект устройства дистанционного запуска двигателя автомобиля Audiovox, как было описано выше в данном Руководстве.
После подключения провода к цепи выключателя нейтрального положения с использованием любого из указанных выше методов обязательно проверьте работоспособность данной цепи.
Проверка проводится с использованием той же процедуры, что приведена в разделе "Проверка работы цепи выключателя нейтрального положения".
После того, как вы проверите работу устройства дистанционного запуска двигателя Audiovox и проверите все функции обеспечения безопасности данной системы:
Внимание: Особенно будьте внимательны при прокладывании проводов вокруг рулевой колонки, так как провода могут обмотаться вокруг рулевого механизма и воспрепятствовать нормальному безопасному управлению.

Передатчики, входящие в комплект данной охранной системы, предварительно запрограммированы производителем, причем каждая кнопка передатчика управляет определенной функцией охранной системы автомобиля. Хотя охранная система, установленная в автомобиле, может иметь три или четыре канала управления, входящие в комплект передатчики обладают возможностью подавать управляющие сигналы по семи каналам. Это позволяет запрограммировать каждый передатчик для управления системами, установленными на нескольких автомобилях (например, если в семье имеется два автомобиля). Также это позволяет самостоятельно запрограммировать кнопки (или комбинации кнопок) передатчика для управления различными функциями охранной системы. (Например: пятый канал управления на передатчике может быть запрограммирован на включение канала 2 на приемнике (охранной системе)). Ниже в таблице приводится список всех каналов передатчика с указанием тех кнопок, которые запрограммированы производителем для подачи сигнала по каждому каналу управления.
| Передатчик управления системой | Приемник охранной системы | ||
|---|---|---|---|
| Канал | Кнопки | Канал | Функция |
| 1 | 1 | 1 | Дистанционная постановка системы на охрану и снятие системы с охраны Дистанционное включение режима "Паника" Дистанционное запирание и отпирание дверей автомобиля |
| 2 | 2 | 2 | * Импульсный выходной сигнал для управления дополнительными устройствами |
| 3 | 3 | 3 | * Программируемый выход для управления дополнительными устройствами |
| 4 | 2 и 3 | 4 | * Программируемый выход для управления дополнительными устройствами |
| 5 | 1 и 2 | - | - |
| 6 | 1 и 3 | - | - |
| 7 | 1, 2, 3 | - | - |
* Обычно по данным дополнительным каналам осуществляется управление следующими дополнительными устройствами:
AS 9151N - Устройство запуска двигателя автомобиля с дистанционным управлением.
AS 9153 - Устройство закрывания окон автомобиля с дистанционным управлением.
AS 9256 - Реле открывания багажника с дистанционным управлением.
Помните, что во время программирования передатчиков каждый последующий шаг процедуры должен выполняться в пределах 15 секунд после предыдущего шага процедуры. Если во время выполнения процедуры программирования вы сделаете паузу, превышающую 15 секунд, система автоматически прервет процедуру программирования и выйдет из данного режима. При этом в качестве подтверждения выхода из режима программирования прозвучит длинный сигнал сирены. Кроме того, система позволяет запрограммировать коды четырех различных передатчиков дистанционного управления. Если для какого-либо канала приемника вы попытаетесь запрограммировать пятый передатчик, то код управления того передатчика, который был ранее запрограммирован для данного канала системы, будет стерт из памяти охранной системы. Если на автомобиле не установлена охранная система, для подтверждения программирования кодов передатчиков будут мигать только габаритные огни автомобиля.
Для программирования нового или дополнительного передатчика проделайте следующее.
По мере расхода заряда батарейки питания передатчика дистанционного управления вы будете замечать постепенное уменьшение радиуса его действия. Рекомендуется заменять батарейку передатчика по крайней мере каждые 10 - 12 месяцев, в зависимости от того, как часто передатчик используется. В корпус передатчика встроен маленький светодиод. Данный светодиод используется для проверки состояния батарейки питания передатчика. Если данный светодиод не горит, значит, батарейка разряжена и ее необходимо заменить.
Для замены батарейки питания передатчика проделайте следующее.