Примечание. Система имеет два способа включения режима Valet: кодированный и стандартный. Не забудьте сделать пометку напротив выбранного способа включения этого режима на последней странице Инструкции пользователя.
| № переключателя | Положение ВКЛ. | Положение ВЫКЛ. | Фабричная установка |
|---|---|---|---|
| DIP-переключатель № 1 | Кодированный режим Valet | Стандартный режим Valet | Стандартный режим Valet |
| DIP-переключатель № 2 | Срабатывание при падении напряжения | Срабатывание от триггеров концевых выключателей | Срабатывание при падении напряжения |
Примечание: При одновременном выборе функций пассивной постановки на охрану и срабатывания при падении напряжения необходимо подсоединить концевой выключатель двери водителя для начала последовательности пассивной постановки на охрану.
| Функция | 1 сигнал | 2 сигнала | Фабричная постановка |
|---|---|---|---|
| Первая | Длительность импульса, подаваемого на замки - 1 сек. | Длительность импульса, подаваемого на замки - 3,5 сек. | Длительность импульса, подаваемого на замки - 1 сек. |
| Вторая | Автозапирание дверей при включении зажигания включено | Автозапирание дверей при включении зажигания выключено | Автозапирание дверей при включении зажигания выключено |
| Третья | Автоотпирание дверей при выключении зажигания включено | Автоотпирание дверей при выключении зажигания выключено | Автоотпирание дверей при выключении зажигания выключено |
| Четвертая | Выход на фары включен | Выход на фары выключен | Выход на фары включен |
| Пятая | Запирание дверей при пассивной постановке на охрану | Запирание дверей при активной постановке на охрану | Запирание дверей при пассивной постановке на охрану |
| Шестая | Пассивная постановка на охрану | Активная постановка на охрану | Активная постановка на охрану |
| Действие | Сигналы подтверждения | |
|---|---|---|
| Включите зажигание | Нет | |
| Включите/выключите Valet 3 раза | 1 сигнал - 1 вспышка СИДа | |
| В течении 3 сек выключите зажигание | 1 короткий и 1 длинный сигнал сирены | |
| Первая | Снова включите зажигание Нажмите кнопку 1 передатчика один раз для изменения |
1 сигнал = длительность импульса 1 сек. 2 сигнала = длительность импульса 3,5 сек. |
| или | ||
| Вторая | Включите/выключите переключатель Valet еще раз Нажмите кнопку 1 передатчика один раз для изменения |
2 сигнала = автозапирание при включении зажигания выключено 1 сигнал = автозапирание при включении зажигания включено |
| или | ||
| Третья | Включите/выключите переключатель Valet еще раз Нажмите кнопку 1 передатчика один раз для изменения |
2 сигнала = автоотпирание при выключении зажигания выключено 1 сигнал = автоотпирание при выключении зажигания включено |
| или | ||
| Четвертая | Включите/выключите переключатель Valet еще раз Нажмите кнопку 1 передатчика один раз для изменения |
2 сигнала = выход на фары включен 1 сигнал = выход на фары выключен |
| или | ||
| Пятая | Включите/выключите переключатель Valet еще раз Нажмите кнопку 1 передатчика один раз для изменения |
1 сигнал = пассивная постановка на охрану 2 сигнала= активная постановка на охрану |
| или | ||
| Шестая | Включите/выключите переключатель Valet еще раз Нажмите кнопку 1 передатчика один раз для изменения |
1 сигнал = запирание дверей при пассивной постановке на охрану 2 сигнала=запирание дверей при активной постановке на охрану |
| или | ||
| Включите/выключите переключатель Valet еще раз | Выход из режима программирования | |
| или | ||
| Выключите зажигание | Выход из режима программирования |
Примечание: При включении программного режима не допускайте, чтобы между операциями прошло более 15 секунд иначе система автоматически выйдет из этого режима.
Выберите место для установки центрального блока управления в салоне (под приборной панелью) и закрепите его при помощи двух прилагаемых шурупов. Центральный блок управления можно также закрепить при помощи пластиковых перетяжек.
Не устанавливайте центральный блок управления в моторном отсеке, так как он не герметичен. Избегайте устанавливать блок непосредственно на имеющиеся в автомобиле электронные компоненты. Они могут быть источником радиопомех, уменьшающих радиус действия передатчика или вызывающих перебои в работе.
Выберите место для установки сирены в моторном отсеке, которое хорошо защищено от доступа из-под днища автомобиля. Не размещайте сирену рядом с сильно нагревающимися узлами или движущимися частями в моторном отсеке. Для предотвращения скопления влаги раструб сирены должен быть направлен вниз.
Установите сирену в выбранном месте при помощи входящих в комплект винтов и кронштейна.
Для охраны капота или багажника (задней двери) автомобиля прилагается концевой выключатель. Выключатель должен всегда устанавливаться на служащую массой металлическую поверхность автомобиля. Важно выбрать такое место, где исключается скопление или протекание воды и избегать места стока влаги на стенках крыльев капота или багажника. Выбирайте места, защищенные резиновыми прокладками, когда капот или багажник закрыты.
Концевой выключатель может быть установлен с помощью прилагаемой скобы или в монтажном отверстии на 1/4 дюйма (6 мм). Помните, что при правильной установке концевой выключатель должен иметь ход, как минимум, 1/4 дюйма (6 мм) при закрывании капота или багажника.
В комплект входит небольшой красный светодиодный индикатор (СИД), который показывает состояние охранной системы. Он должен устанавливаться на приборной панели и быть хорошо виден снаружи автомобиля, но не отвлекать водителя.
После выбора места установки проверьте возможность прокладки проводов за панелью и убедитесь, что при сверлении отверстия не будут повреждены существующие компоненты.
Просверлите отверстие диаметром 1/4 дюйма (6 мм) и пропустите в него с лицевой стороны красный и синий провода СИДа. Установите его на место.
Выберите место установки, легко доступное для водителя автомобиля. Переключатель может быть установлен в нижней части приборной панели в отверстии диаметром 1/4" (6 мм). Убедитесь в достаточности места для установки корпуса переключателя под панелью и в том, что сверло не повредит имеющиеся компоненты. При любом методе крепления убедитесь в наличии свободного доступа к задней части переключателя для подсоединения проводов при установке.
Выберите твердую поверхность на переборке между салоном и моторным отсеком внутри салона и установите датчик при помощи двух прилагаемых винтов. Датчик также может быть легко установлен при помощи перетяжек под панелью приборов.
При любом методе крепления датчика убедитесь в наличии свободного доступа для его регулировки.
Этот провод влияет на чувствительность функции срабатывания при падении напряжения, которая обнаруживает включение освещения салона при открывании двери. Она также определяет включение габаритных огней или фар и во многих случаях подает тревогу, когда включается управляемый термостатом электронный вентилятор охлаждения.
При установке данной системы на автомобили с электронным вентилятором, действующим после выключения двигателя рекомендуется выключать цепь срабатывания при падении напряжения.
При использовании цепи срабатывания при падении напряжения, чем ближе к аккумулятору подсоединяется красный провод, тем ниже будет чувствительность этой цепи. Перемещение точки подсоединения ближе к блоку предохранителей повысит чувствительность, а подсоединение к предохранителю "вежливой" подсветки обеспечит максимальную чувствительность цепи срабатывания при падении напряжения.
При подсоединении блока управления к концевым выключателям всех точек входа цепь срабатывания при падении напряжения должна быть отключена. Переведите DIP-переключатель № 2 в положение ВЫКЛ., а затем подсоедините красный провод к источнику +12В постоянного тока.
Этот провод обеспечивает мигание габаритных огней. Подсоедините белый провод к плюсу любой из сторон габаритных огней.
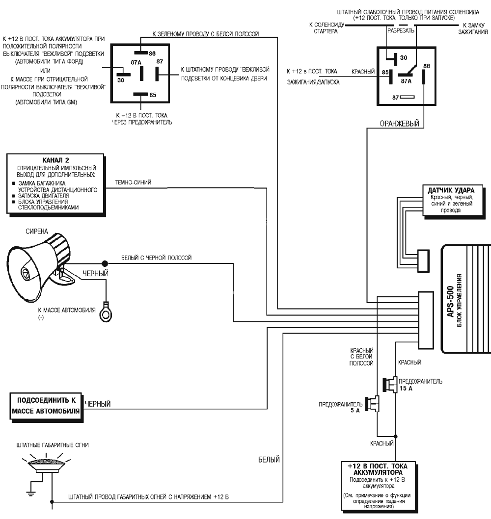
Подсоедините этот провод к твердой металлической части шасси автомобиля. Не перепутайте этот провод с тонким черным проводом антенны, который выходит из центрального блока управления отдельно.
Проложите этот провод через резиновую втулку в теплоизоляционной перегородке к месту установки сирены.
Подсоедините белый/черный провод к положительному проводу сирены. Закрепите черный отрицательный провод сирены на массе.
ТЕМНО-СИНИЕ провода передают импульс на массу по независимому радиочастотному каналу при помощи передатчика. Это транзисторный слаботочный выход и используется только для управления внешней катушкой реле.
Внимание! Подсоединение этого слаботочного темно-синего провода к сильноточному выходу выключателя замка багажника, некоторым сильноточным входам триггеров устройства дистанционного запуска двигателя повредит центральный блок управления.
Подсоедините темно-синий провод к клемме 86 реле AS-9256 (или аналогичному автоматическому реле на 30А), а оставшиеся контакты реле в соответствии с выбранной функцией канала 2.
Темно-зеленый провод с белой полосой обеспечивает 30-секундный отрицательный сигнал при выключенной охране и отрицательный импульсный сигнал при срабатывании системы.
Он должен использоваться для (дополнительно) включения "вежливой" подсветки при посадке и ее мигания при срабатывании системы. Это транзисторный слаботочный выход и может использоваться только для управления внешней катушкой реле.
Подсоедините один темно-зеленый провод с белой к клемме 86 реле AS-9256 (или аналогичному автоматическому реле на 30А), а оставшиеся контакты реле в соответствии с полярностью "вежливой" подсветки в автомобиле.
Примечание. При прокладке проводов для обеспечения данной функции в автомобилях с заводской цепью задержки выключения "вежливой" подсветки лучше всего выполнить подсоединение к выходу таймера, через который питание подается на "вежливую" подсветку, а не к выключателю двери. Это обеспечит мигание подсветки при срабатывании системы.
Этот провод служит для управления реле блокировки стартера. Подсоедините оранжевый провод к клемме 86 реле. Подсоедините клемму 85 реле к проводу зажигания, на который поступает напряжение при включении зажигания и при запуске двигателя, но отсутствует напряжение при его выключении. (В этом месте должен подсоединяться желтый провод охранной системы).
Обрежьте слаботочный провод соленоида стартера автомобиля и подсоедините одну сторону обрезанного провода к клемме 87А, а другую сторону этого провода к клемме 30 реле.
Примечание: Это блокировка стартера нормально замкнутым реле. При отключении питания охранной системы блокировка стартера функционировать не будет и автомобиль можно завести. Компания Audiovox не рекомендует использовать оранжевый провод для прерывания цепей других устройств кроме цепи стартера.
Это провод триггера мгновенного замыкания на массу. Этот провод (зона) должен быть зарезервирован для подсоединения к дополнительным триггерным устройствам с отрицательным выходом, таких как датчики движения и/или удара.
Белый провод с синей полосой обеспечивает управление дополнительной функцией включения фар. Это транзисторный слаботочный (300 мА) выход и может использоваться только для управления внешней катушкой реле.
По этому проводу подается отрицательный 30-секундный сигнал при каждой постановке или снятии с охраны.
Подсоедините белый провод с синей полосой к клемме 86 реле AS 9256 (или аналогичному автоматическому реле на 30 А), а клемму 85 реле - к +12 В постоянного тока аккумулятора через предохранитель. Подсоедините клемму 87 реле к одному из проводов ближнего света, а клемму 30 реле либо к массе, либо к +12 В постоянного тока аккумулятора через предохранитель (минимум 15 А) в зависимости от полярности цепи фар в автомобиле.
Подсоедините этот провод к источнику, который работает, когда ключ находится в положениях ON (ВКЛ.) и CRANK (ЗАПУСК), и не работает, когда ключ находится в положении OFF (ВЫКЛ.).
Если на выходе выключателей "вежливой" подсветки имеется +12В при открывании двери (большинство автомобилей Ford), Вы должны подсоединить этот провод к положительному выходу одного из дверных выключателей. В большинстве случаев лиловый провод необходимо подсоединить только к одному дверному выключателю независимо от количества дверей в автомобиле.
Внимание! Не используйте лиловый провод, если у дверного выключателя отрицательная полярность. (См. КОРИЧНЕВЫЙ провод).
Если выход выключателей "вежливой" подсветки имеет отрицательную полярность при открывании дверей (автомобили Дженерал Моторс), Вы должны подсоединить этот провод к отрицательному выходу одного из выключателей дверей.
Внимание! Не используйте коричневый провод, если полярность выключателей дверей в автомобиле +12В (См. ЛИЛОВЫЙ провод).
Это провод триггера мгновенного замыкания на массу. Он должен быть подсоединен к ранее установленным концевым выключателям капота и багажника.
Этот провод служит для управления реле блокировки стартера. Подсоедините оранжевый провод к клемме 86 реле. Подсоедините клемму 85 реле к проводу зажигания, на который поступает напряжение при включении зажигания и при запуске двигателя, но отсутствует напряжение при его выключении. ( В этом месте должен подсоединяться желтый провод охранной системы).
Обрежьте слаботочный провод соленоида стартера автомобиля и подсоедините одну сторону обрезанного провода к клемме 87, а другую сторону этого провода к клемме 30 реле.
Примечание: Это блокировка стартера нормально разомкнутым реле. При отключении питания охранной системы блокировка стартера будет функционировать и автомобиль нельзя будет завести. Компания Audiovox не рекомендует использовать оранжевый провод для прерывания цепей других устройств кроме цепи стартера.
Черный провод с белой полосой обеспечивает подачу автомобильных сигналов. Это транзисторный слаботочный выход и должен подсоединяться только к слаботочному отрицательному выходу выключателя автомобильного сигнала.
Если в автомобиле используется сигнал +12В постоянного тока, подсоедините черный провод с белой полосой к клемме 86 реле AS 9256 (или аналогичному автоматическому реле на 30 А). Подсоедините клемму 85 реле к +12В постоянного тока аккумулятора через предохранитель. Подсоедините клемму 87 реле к выходу выключателя сигнала автомобиля, а клемму 30 реле к +12 В постоянного тока аккумулятора через предохранитель.
Темно-зеленый провод с черной полосой замыкается на массу по независимому радиочастотному каналу при помощи передатчика. Это транзисторный слаботочный (300 мА) выход и может использоваться только для управления внешней катушкой реле.
Этот провод обеспечивает немедленный сигнал массы и остается замкнутым на ней все время пока кнопка передатчика нажата.
Внимание! Подсоединение этого слаботочного темно-зеленого с черной полосой провода к сильноточному выходу выключателя замка багажника повредит центральный блок управления.
Подсоедините темно-зеленый провод с черной полосой к клемме 86 реле AS-9256 (или аналогичному автоматическому реле на 30А), а оставшиеся контакты реле в соответствии с выбранной функцией канала 3.
Светло-синий провод замыкается на массу по независимому радиочастотному каналу при помощи передатчика. Это транзисторный слаботочный (300 мА) выход и может использоваться только для управления внешней катушкой реле.
Этот провод обеспечивает немедленный сигнал массы и остается замкнутым на ней все время пока кнопка передатчика нажата.
Внимание! Подсоединение этого слаботочного светло-синего провода к сильноточному выходу выключателя замка багажника повредит центральный блок управления.
Подсоедините светло-синий провод к клемме 86 реле AS-9256 (или аналогичному автоматическому реле на 30А), а оставшиеся контакты реле в соответствии с выбранной функцией канала 4.
Проложите серый и черный провода, оканчивающиеся 2-контактным разъемом от выключателя VALET к центральному блоку управления охранной системы и подсоедините его к синему разъему блока.
Проложите красный и синий провода, оканчивающиеся 2-контактным белым разъемом от СИДа к центральному блоку управления охранной системы и подсоедините его к белому разъему блока.
Проложите красный, черный, синий и зеленые провода, оканчивающиеся 4-контактным белым разъемом, от датчика удара к центральному блоку управления охранной системы и подсоедините его с одной стороны к датчику удара, а с другой - к соответствующему белому разъему блока.
Эти провода обеспечивают либо отрицательный импульсный выход, либо импульсный выход +12 В на заводское реле управления замками дверей. В любом случае, максимальный ток, протекающий через эти выходы не должен превышать 300 мА.
В автомобилях с такими цепями красный провод обеспечивает отрицательный импульс при постановке на охрану или отрицательный импульсный выход запирания. Подсоедините красный провод к проводу, который обеспечивает слаботочный отрицательный сигнал от заводского выключателя запирания двери к заводскому реле управления замками дверей.
Зеленый провод обеспечивает отрицательный импульс при снятии с охраны или отрицательный импульсный выход отпирания. Подсоедините зеленый провод к проводу, который обеспечивает слаботочный отрицательный сигнал от заводского выключателя отпирания двери к заводскому реле управления замками дверей.
В автомобилях с такими цепями красный провод обеспечивает положительный импульс при снятии с охраны или импульсный выход отпирания +12 В. Подсоедините красный провод к проводу, который обеспечивает слаботочный положительный сигнал от заводского выключателя отпирания двери к заводскому реле управления замками дверей.
Зеленый провод обеспечивает положительный импульс при постановке на охрану или импульсный выход запирания +12 В. Подсоедините зеленый провод к проводу, который обеспечивает слаботочный положительный сигнал от заводского выключателя запирания двери к заводскому реле управления замками дверей.
В автомобилях с такими цепями необходимо использовать Интерфейс замков дверей AS 9159 (или аналогичное автоматическое реле на 30 А). Смотрите Приложение фирмы Audiovox со схемами подсоединения таких цепей.
ПРОВОД АНТЕННЫ: Вытяните тонкий черный провод на всю длину, закрепите в том месте, где он не может быть поврежден. Избегайте укладки этого провода вокруг главных сильноточных жгутов проводки.
РЕГУЛИРОВКА ДАТЧИКА УДАРА: Чувствительность цепи предупреждения автоматически устанавливается на 30% меньше цепи срабатывания системы.
Осторожно поверните регулировочный винт против часовой стрелки до упора при помощи маленькой отвертки (НЕ проворачивайте винт вокруг оси. Максимальный угол регулировки 270°). Закройте капот, багажник и поставьте систему на охрану. Подождите 6 секунд пока работа всех охранных устройств стабилизируется, затем сильно ударьте по заднему бамперу кулаком с такой силой, которая была бы достаточной для того чтобы разбить стекло.
Внимание! Не стучите по стеклу, Вы можете его разбить.
Поверните регулировочный винт по часовой стрелке (для увеличения чувствительности) примерно на 1/4 оборота и проверьте чувствительность датчика еще раз. Повторяйте это процедуру до тех пор, пока не сработает сигнализация. В конце, при одном сильном ударе по заднему бамперу система должна подавать сигналы предупреждения.
Предупреждение! При установке слишком высокой чувствительности датчик будет срабатывать при сильных звуковых вибрациях, когда мимо будут проезжать тяжелые грузовые автомобили. Для уменьшения чувствительности поверните регулировочный винт против часовой стрелки.
ЗАЩИТА ПРОВОДКИ: Всегда защищайте кабели спиральными трубками или обматывайте их изоляционной лентой. Закрепите эти жгуты по всей длине при помощи пластиковых перетяжек. Это обеспечит отсутствие повреждений проводов при соприкосновении с горячими или острыми подвижными частями автомобиля.
РАБОТА СИСТЕМЫ: Уделите некоторое время просмотру соответствующих пунктов в Руководстве пользователя и детально объясните работу системы Вашему заказчику.

