Pharaon SCS-4500 представляет собой компактную и удобную в эксплуатации автомобильную охранную систему. Pharaon SCS-4500 разработан с использованием современных технологий. Постоянные исследования и новые находят воплощение в системах Pharaon. Самые передовые идеи служат для удовлетворения потребностей пользователей системы.
Pharaon SCS-4500 предназначена для установки на автомобили с напряжением бортовой сети 12В и заземлённым отрицательным выводом батареи. Компоненты системы входящие в базовый комплект могут устанавливаться только в салоне автомобиля, при установке выбирайте места, в которых исключено попадание внутрь блока и датчика удара системы технологических жидкостей. Защита системы от внешних воздействий соответствует стандарту IP 40. Провода следует прокладывать так, чтобы они не мешали подвижным элементам автомобиля, и исключалась возможность их повреждения.
| Параметр | Не менее | Не более |
|---|---|---|
| Диапазон рабочих температур (° C) | -40 | +85 |
| Напряжение питания (В) | 10 | 18 |
| Ток потребления (мА) | 15 | |
| Выходной ток по каналу управления указателями поворотов (А) | 15 | |
| Выходной ток по каналу на сирену (А) | 3 | |
| Выходной ток по каналу на пейджер (А) | 3 | |
| Выходной ток по каналу управления реле блокировки (мА) | 300 | |
| Выходной ток по каналу управления реле соленоида багажника (мА) | 300 | |
| Выходной ток по каналам управления ЦЗ (мА) | 300 | |
| Дальность действия брелока (м) | 30 | |
| Тип батареи брелока | Тип 27А, 12В | |
| Наименование | Количество |
|---|---|
| Блок | 1 |
| Брелок | 2 |
| Реле блокировки | 1 |
| Колодка реле блокировки | 1 |
| Датчик удара | 1 |
| Концевой датчик багажника | 1 |
| Переключатель VALET | 1 |
| Провода подключения | 1 комплект |
| Инструкция | 1 |
| Гарантийный талон | 1 |

| Кнопка | Режим охраны | Снято с охраны | Зажигание включено |
|---|---|---|---|
| Нажатие Кнопки 1 | Постановка на охрану | Постановка на охрану | Запирание замков |
| Нажатие Кнопки 2 | Снятие с охраны | Снятие с охраны | Отпирание замков |
| Нажатие Кнопки 1 (2 сек.) | Поиск автомобиля | ||
| Нажатие Кнопки 3 (2 сек.) | Отпирание багажника | ||
| Нажатие Кнопки 4 | Режим ПАНИКА | Anti Car-hijacking | Anti Car-hijacking |
| Нажатие Кнопки 3 с последующим нажатием на Кнопку 1 | Режим бесшумной охраны |
Перед началом эксплуатации системы необходимо записать коды брелоков в память блока. Для этого:
Все эти действия должны быть выполнены в течение 10 секунд.
Если в режиме программирования не будет введен код хотя бы одного брелока, то система сохранит в памяти коды ранее записанных брелоков.
Если в режиме программирования будет введен код хотя бы одного брелока, то коды всех ранее записанных брелоков будут стерты из памяти системы.
Внимание! Система не сохраняет коды брелоков при длительном отключении питания. В этом случае система автоматически переходит в режим тревоги и Вам необходимо воспользоваться режимом VALET для отключения режима охраны и повторить запись брелоков в память системы.
Нажать один раз Кнопку 1: указатели поворотов вспыхнут один раз, прозвучит один короткий сигнал сирены и дверь будет заблокирована. Светодиодный индикатор (СИД) будет мигать каждую секунду. Система начинает реагировать на сигналы датчика удара и на включение зажигания немедленно, а на сигналы от датчиков дверей – через 20 сек. после постановки на охрану. Если в течение 20 сек. двери не будут закрыты, то система предупредит Вас об этом четырьмя короткими сигналами сирены и временно отключит датчик дверей. После того как двери будут закрыты, датчик дверей тут же будет принят под охрану.
После постановки системы в режим охраны система немедленно начинает реагировать на сигналы датчика удара. На первый сигнал датчика удара последует предупредительный сигнал сирены, серия коротких сигналов в течение 5 сек., выход на пейджер включится на 5 сек., указатели поворотов будут вспыхивать 5 сек.
Если в течение 30 сек. система получит второй сигнал от датчика удара, то сирена включится на 30 сек., выход на пейджер включится на 30 сек., указатели поворотов будут вспыхивать 30 сек.
Через 20 сек. после постановки системы в режим охраны система начинает реагировать на сигналы от датчиков дверей. При срабатывании датчика двери сирена включится на 30 сек., выход на пейджер включится на 30 сек., указатели поворотов будут вспыхивать 30 сек.
После постановки системы в режим охраны система немедленно начинает реагировать на включение зажигания. Сирена включится на 30 сек., выход на пейджер включится на 30 сек, указатели поворотов будут вспыхивать 30 сек. Если в течение 30 сек. зажигание не будет выключено система перейдет в режим охраны. В этом режиме система будет игнорировать сигналы датчика удара. Срабатывание по сигналу датчика дверей будет в обычном режиме. Датчик удара будет принят под охрану сразу после выключения зажигания.
При включенном зажигании Вы можете отпереть или запереть замки дверей с помощью брелока. Для запирания замков коротко нажмите Кнопку 1 брелока. Для отпирания – Кнопку 2. При запирании указатели поворотов вспыхнут один раз, при отпирании два раза.
Нажать один раз Кнопку 2, указатели поворотов вспыхнут два раза и прозвучат два коротких сигнала сирены. Охрана будет снята, замки дверей отопрутся. Если в Ваше отсутствие система входила в режим тревоги, то Вы услышите три коротких сигнала сирены. СИД укажет зону срабатывания. В соответствии с таблицей:
| Воздействие на датчики | Сигналы СИД |
|---|---|
| Датчик удара (основная зона) | Одна вспышка – пауза |
| Датчик дверей | Две вспышки – пауза |
| Датчик включения зажигания | Три вспышки – пауза |
Информация о срабатывании будет удалена из памяти системы при нажатии Кнопки 1 брелока или после автоматической перепостановки в режим охраны, или при включении зажигания.
Если система находится в режиме тревоги, то короткое нажатие Кнопки 2 приведет только к прекращению режима тревоги и переходу системы в режим охраны. Если второй раз коротко нажать Кнопку 2 брелока, то система будет снята с охраны.
Если после снятия с охраны дверь не открывали в течение 30 сек., система запрет замки дверей и автоматически перейдет в режим охраны. Режим бесшумной постановки на охрану (режим постановки на охрану без сигналов сирены)
При снятой охране нажать один раз Кнопку 3: указатели поворотов вспыхнут один раз. Затем нажать один раз Кнопку 1: СИД будет мигать каждые 2 сек. Система встанет в режим охраны без подверждающих сигналов сирены, если после этого открыть дверь ( капот, багажник), ударить по машине, сигналов сирены не последует. Будет активизирован только выход на пейджер и на указатели поворотов. Когда Вы нажмете Кнопку 2, то охрана будет снята и одновременно отменен бесшумный режим.
Если Вы не используете пейджер, то можно объединить между собой выход на пейджер (розовый провод в разъеме 3) и выход на сирену (белый/красный провод в разъеме С3), тогда в данном режиме будут отсутствовать только сигналы подтверждения сирены, а при срабатывании от датчиков сирена будет звучать как обычно.
Примечание. В ночное время всегда рекомендуется использовать данный режим.
При снятой охране нажать Кнопку 3 на 3 сек.: указатели поворотов вспыхнут один раз, а затем для подтверждения вспыхнут еще четыре раза. На выходе управления электрозамком багажника появится сигнал длительностью 1 сек.
В режиме охраны нажать Кнопку 1 на 3 сек.. В течение 20 сек. будут вспыхивать указатели поворотов, и раздаваться короткие звуковые сигналы для обнаружения машины.
В режиме охраны нажать Кнопку 4 брелока: в течение 20 сек. будут вспыхивать указатели поворотов, и раздаваться звуковые сигналы. Прекратить режим ПАНИКА можно нажатием на Кнопку 2 брелока.
При снятой охране нажать Кнопку 4, указатели поворотов вспыхнут один раз и система перейдет в режим Anti Car-hijacking. Спустя 30 сек. раздастся один короткий звуковой сигнал, и через 5 сек. реле блокировки двигателя будет разомкнуто.
При необходимости временного отключения системы, при утере брелока или если система потеряла код брелока после длительного отключения питания, Вы можете воспользоваться переключателем VALET.
Для включения режима VALET:
Если система находилась в режиме охраны (тревоги), то режим охраны (тревоги) будет снят, СИД засветится постоянно, указывая, что система находится в режиме VALET. Если система не находилась в режиме охраны (тревоги) при включении режима VALET ,то указатели поворотов вспыхнут один раз, Вы услышите один сигнал сирены, СИД засветится постоянно.
Для выключения режима VALET:
В подтверждение выхода из режима VALET. Указатели поворотов вспыхнут дважды, Вы услышите два сигнала сирены, СИД погаснет.
В режиме VALET возможно управление замками дверей. Для запирания замков коротко нажмите Кнопку 1 брелока, для отпирания Кнопку 2. При запирании указатели поворотов вспыхнут один раз, а при отпирании - два раза.
Для временного отключения системы, например при передаче автомобиля на сервисную станцию Вы можете воспользоваться включением режима VALET с помощью брелока.
Для входа в режим VALET:
Система войдет в режим VALET, подтвердив это одной вспышкой указателей поворотов и одним сигналом сирены, СИД засветится постоянно.
Для выхода из режима VALET, повторите указанные действия. Система выйдет из режима VALET, подтвердив это одной вспышкой габаритных огней и двумя сигналами сирены.
В режиме VALET возможно управление замками дверей. Для запирания замков коротко нажмите Кнопку 1 брелока, для отпирания Кнопку 2. При запирании указатели поворотов вспыхнут один раз, а при отпирании – два раза.
Если выключить зажигание, то замки дверей отопрутся автоматически. Если двери отрывались после включения зажигания, то автоматическое отпирание замков дверей будет отменено.
(Заводская установка – “Режим 1”)
Выход на Реле блокировки может иметь два режима работы:
(Заводская установка – “Включено”)
Замки дверей запрутся автоматически через 30 сек. после того, как будет закрыта дверь и включено зажигание. Если двери автомобиля в этот период были открыты, то замки не будут автоматически заперты.
(Заводская установка – “Выключено”)
Система автоматически перейдет в режим охраны через 30 сек., после того как будет выключено зажигание и закрыта последняя дверь.
(Заводская установка – “0,5 сек.”)
В зависимости от типа центрального замка автомобиля можно изменить длительность импульсов управления на оранжевом и зеленом проводе разъема С4: 0,5 или 4 сек. Увеличенная длительность импульсов может понадобиться, если в автомобиле используется ЦЗ с пневматическим компрессором, например в автомобилях AUDI или MERCEDES.
| № | Функция | Кнопка 2 | Кнопка 1 (заводские установки) |
|---|---|---|---|
| 1. | Реле блокировки | Включается после срабатывания | Включается сразу |
| 2. | Запирание дверей после включения зажигания | Выключено | Включено |
| 3. | Автоматическая постановка в режим охраны после выключения зажигания и закрытия последней двери | Включена | Выключена |
| 4. | Длительность импульсов управления ЦЗ | 4 сек. | 0.5 сек. |
Внимание! Система не сохраняет значение программируемых функций при длительном отключении питания. Программируемые функции в этом случае принимают значение заводских установок.
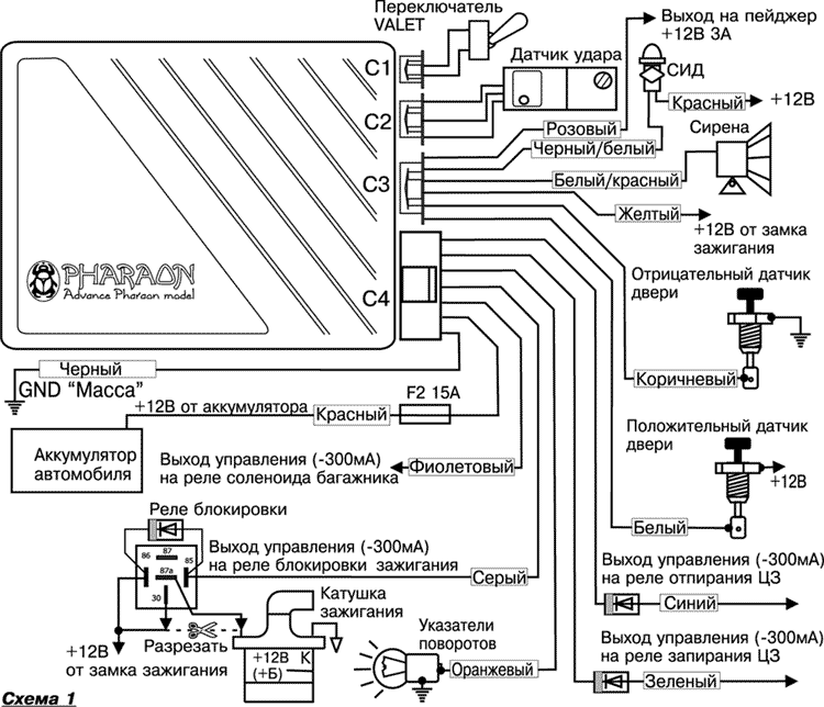
Подключите к разъему C1 переключатель VALET
| Красный | Питание на датчик удара, (выход +12 В) |
| Синий | Вход от датчика удара |
| Черный | Масса на датчик удара |
| Розовый | +12В, 3А. Выход на пейджер |
| Черный/Белый | Выход на СИД (соединить с черным проводом СИД) |
| Белый/Красный | +12В, 3А. Выход на сирену |
| Желтый | Вход + 12В при включенном замке зажигания |
| Коричневый | Отрицательный вход для дверных датчиков |
| Белый | Положительный вход для дверных датчиков |
| Синий | (- 300 мА) отпирание, (+ 300 мА) запирание |
| Зеленый | (- 300 мА) запирание, (+ 300 мА) отпирание |
| Оранжевый | +12В, 15А. Выход на указатели поворотов |
| Серый | (-300 мА). Выход на реле блокировки двигателя (соединить с желтым проводом реле блокировки, вывод №85) |
| Фиолетовый | (-300 мА). Выход на реле соленоида багажника |
| Красный | + 12В. Питание |
| Черный | МАССА |


