| Наименование параметра | Значение |
|---|---|
| Ток потребления в режиме охраны, мА | Не более 20 |
| Напряжение питания базового блока, В | 9..15 |
| Частота радиоканала, МГц | 433,92 |
| Девиация частоты, МГц | от 433,075МГц до 434,79МГц |
| Мощность излучения, мВт | Менее 10 |
| Диапазон рабочих температур | От-40°С до+85°С |
| Тип кода брелока | Динамический "Keeloq" |
| Максимальный ток нагрузки, коммутируемый по выходу: | |
| - Сирена, А | 3 |
| - Световая сигнализация, А | 5+5 |
| - Цепь блокировки, А | 10 |
| - Замки дверей, А | 10 |
| - Канал дистанционного радиооповещения, таймерный канал №3, А | 3 |
| - Дополнительная блокировка / таймерный канал №1, А | 0,3 |
| - Дополнительная блокировка / таймерный канал №2, А | 10 |
| Количество кнопок на брелоке | три |
| Дальность действия брелока (зависит от заряда батареи брелока), м | 30 |
| Датчик удара | Встроенный, адаптивный |
| Габаритные размеры: | |
| - Базовый блок, мм | 98x92x32 |
| - Брелок дистанционного управления, мм | 45x39x14* |
| - Упаковка, мм | 210x170x65 |
| Защита электрических цепей: | |
| - Цепи питания | Автомобильные предохранители |
| - Выходные цепи | Схемная защита от короткого замыкания на массу |
| - Входные цепи | Схемная защита от перенапряжения, короткого замыкания на массу |
| - Переполюсовка | Схемная защита от переполюсовки |
| Содержание драгоценных металлов | Нет |
| Элемент питания брелока | А27, 12В |
| Масса брутто, не более, кг | 0,79 |
ПРИМЕЧАНИЕ: Размеры могут незначительно меняться в зависимости от применяемой модели, при этом эксплуатационные характеристики не хуже заявленных.
| Наименование сигнала | Описание |
|---|---|
| Режим "тревога", посредством сирены/ пейджера | 30 сек непрерывно, не более 9 раз от одного датчика в одном цикле охраны, 15 сек - 1 сигнал пейджера (заводская уст.) |
| Режим "тревога", посредством световой сигнализации | 30 сек с частотой 1 Гц, не более 9 раз от одного датчика в одном цикле охраны |
| Режим "паника", посредством сирены | Непрерывно, постоянно |
| Режим "паника", посредством световой сигнализации | Непрерывно, с частотой 1 Гц |
| "Постановка на охрану", посредством сирены / световой сигнализации / пейджера | 1 звук, сигнал 0,04 сек./ 1 свет, сигнал 0,4 сек. / 1 сигнал пейджера 15 сек. - (заводская уст.) |
| "Постановка на охрану с отключенным датчиком удара", посредством сирены / световой сигнализации | 1 звук, сигнал 0,04 сек./ 1 свет, сигнал 0,4 сек. |
| "Постановка на охрану с работающим двигателем", посредством сирены / световой сигнализации | 1 звук, сигнал 0,04 сек./ 1 свет, сигнал 0,4 сек. |
| "Снятие с охраны", посредством сирены / световой сигнализации / пейджер | 2 звук, сигнала - частота 7 Гц / 2 свет, сигнала - частота 1 Гц, 1 сигнал пейджера 15 сек. - (заводская уст.) |
| "Сигнал о срабатывании датчиков при снятии с охраны", посредством сирены / световой сигнализации | При снятии с охраны 4 звук, сигнала - частота 7 Гц / 2 свет, сигнала - частота 1 Гц |
| "Сигнал разряда батареи в брелоке" посредством световой сигнализации при снятии с охраны | 1 сигнал - 2 сек. |
| "Сигнал о неисправности датчика при постановке на охрану", посредством сирены / световой сигнализации | При постановке на охрану - 4 звук, сигнала - частота 7 Гц / 3 свет, сигнала - частота 1,7 Гц |
| "Сигнал о срабатывании предупредительного уровня датчика ", посредством сирены / световой сигнализации / пейджера | 3 звук, сигнала - частота 7 Гц / 1 свет, сигнал - 0,4 сек., 15 сек. -1 сигнал пейджера (заводская уст.) |
| "Отключение предупредительного уровня датчика удара", посредством сирены / посредством световой сигнализации | 1 звук, сигнал 0,04 сек./ 1 свет, сигнал 0,4 сек. |
| "Поиск автомобиля", посредством сирены / посредством световой сигнализации | 1 звук, сигнал 0,04 сек. / 5 свет, сигналов - частота 1 Гц |
*ПРИМЕЧАНИЕ: Указанные сигналы могут быть показаны повторно до следующей постановки на охрану. Для этого необходимо нажать кнопку "2" брелока в режиме "Зажигание выключено, снято с охраны".

| Кнопка (комбинация) | Система снята с охраны | Система на охране, сигнал "тревоги" не звучит | |
|---|---|---|---|
| Зажигание включено | Зажигание выключено | ||
| "1" | Запирание дверей | Постановка на охрану | Поиск машины со звуковым подтверждением. |
| "1" (1сек) | Бесшумная постановка на охрану | Поиск машины без звукового подтверждения | |
| "2" | Отпирание дверей / выключение иммобилайзера если он включен | Отпирание дверей / выключение иммобилайзера если он включен. Индикация сработавших датчиков. | Снятие с охраны. |
| "2" (1сек) | Включение/выключение пассивного режима "ANTI HI JACK" | Бесшумное снятие с охраны | |
| "3" | Таймерный канал №1 | ||
| "3" (1сек) | Таймерный канал №2 | ||
| "1"+"2" | Паника | ||
| "1"+"2" (1сек) | Включение активного режима "ANTI HI JACK" | ||
| "1"+"3" | Постановка на охрану с работающим двигателем | Запуск / отмена постановки на охрану с задержкой 30 сек.- режим "Свободные руки" | Отключение предупредительного уровня датчика удара |
| "1"+"3" (1сек) | Бесшумная постановка на охрану с работающим двигателем | Запуск / отмена бесшумной постановки на охрану с задержкой 30 сек. - режим "Свободные руки" | Отключение сигналов сирены на весь период режима охраны |
| "2"+"3" | Постановка на охрану с отключением датчика удара | ||
| "2"+"3" (1сек) | Бесшумная постановка на охрану с отключением датчика удара | ||
| "VALET" + "2" (3 сек) | Режим технического обслуживания | ||
В режиме "Тревога" или "Паника" на охране - нажатие любой кнопки -прекращение звучания сирены без снятия с охраны.
Признаками разряженной батареи в брелоке являются: длительный (2 сек.) световой сигнал при снятии с охраны, уменьшение яркости индикатора брелока или уменьшение его дальности действия.
В этом случае необходимо заменить батарею в брелоке.
Постановку системы на охрану можно производить как при включенном, так и при выключенном зажигании. При выключенном зажигании систему можно переводить как в режим полной охраны с контролем всех имеющихся датчиков, так и в режим охраны с отключением датчика удара. В любом из режимов охраны индикатор системы мигает красным цветом.
Для постановки системы на полную охрану при выключенном зажигании - коротко нажать кнопку "1" брелока (длительное нажатие, более 1 сек., отключит звуковые сигналы подтверждения). Система подтвердит выполнение команды однократной вспышкой фонарей и одиночным коротким сигналом сирены.
Для постановки системы на охрану с отключением датчика удара при выключенном зажигании - коротко нажать кнопки "2"+"3" брелока (длительное нажатие, более 1 сек., отключит звуковые сигналы подтверждения). Система подтвердит выполнение команды однократной вспышкой фонарей и одиночным коротким сигналом сирены.
Для постановки системы на охрану с работающим двигателем (при включенном зажигании) - коротко нажать кнопки "1+3" брелока (длительное нажатие - для бесшумной постановки). Система подтвердит выполнение команды однократной вспышкой фонарей и одиночным коротким сигналом сирены. Цепь блокировки двигателя в этом случае включена НЕ будет и система также автоматически отключит встроенный датчик удара для того, чтобы вибрация автомобиля при работающем двигателе не вызывала срабатывания системы.
Если эта функция включена при программировании, то система встанет в режим охраны через 30 сек. после того, как будет выключено зажигание, открыта и после этого закрыта любая дверь, капот или багажник.
Постановка на охрану с задержкой 30 сек. (режим "Свободные руки").
Данный режим рекомендуется использовать при выходе из автомобиля, если ваши руки заняты вещами. Для этого при выключенном зажигании коротко нажать кнопки "1+3" брелока - система издаст один звуковой и один световой сигнал (длительное нажатие, более 1сек. - для бесшумной постановки), после этого в течение 30 сек, забрать все нужные веши из машины и захлопнуть двери. По истечении 30 сек. система опять издаст один звуковой и один световой сигнал, после чего двери будут заблокированы центральным замком. В течении времени задержки индикатор непрерывно светится красным цветом. Для отмены команды необходимо до истечения 30 сек. повторно нажать кнопки "1+3" брелока - система издаст два звуковых и два световых сигнала (длительное нажатие, более 1сек. - для бесшумной отмены), после этого на индикаторе системы установится предшествующее состояние.
ВНИМАНИЕ: Перед использованием режимов "Пассивная постановка на охрану" и "Постановка на охрану с задержкой 30 сек." проверьте, что ключи и брелок от охранной системы находятся при вас, так как существует опасность заблокировать их в автомобиле.
При постановке на охрану, система проверяет состояние датчиков, работа которых разрешена. При срабатывании или неисправности какого-либо из датчиков, она извещает об этом четырехкратным звуковым и световым сигналами и отключает этот датчик. Отключенный датчик будет снова взят под охрану через 15 сек. после восстановления его работоспособности. Кроме того, при постановке на охрану, система обеспечивает запирание замков дверей и блокировку двигателя.
Система имеет возможность установки на автомобили с функцией задержки выключения салонного света (программируемая функция). Если функция включена, то при постановке на охрану система не будет реагировать на датчик открывания двери в течении 15 сек.
Если эта функция включена, произойдет постановка в режим охраны с запиранием замков дверей через 30 сек. каждый раз после того, как система была снята с режима охраны брелоком. Система не встанет в режим охраны, если в это время будет открыта хотя бы одна из дверей, капот, багажник. В период отсчета этого времени индикатор системы горит красным цветом.
Если в течение 25 сек. после открытия двери, капота или багажника не было включено зажигание, то система автоматически блокирует запуск двигателя (программируемая функция). Если зажигание включалось, и была открыта хотя бы одна дверь, то система так же блокирует двигатель. После включения блокировки индикатор выдает вспышки красного и зеленого цвета. Для выхода из режима иммобилайзера нужно нажать кнопку "2" брелока при выключенном зажигании, при этом индикатор системы перестанет попеременно мигать красным и зеленым цветом.
Если кнопки брелока нажимались более 16 раз вне зоны его радиуса действия, то первое нажатие на кнопку брелка в зоне его радиуса действия будет проигнорировано системой, а второе (и все последующие) нажатия будут действовать как обычно. В этот момент включается функция защиты от подбора кода и происходит синхронизация брелоков.
Основной задачей системы в режиме охраны является контроль датчиков, работа которых разрешена.
При срабатывании предупредительного уровня датчика удара (объема) система подает предупредительные трехкратный звуковой и однократный световой сигналы (кроме режима охраны с работающим двигателем), при этом подача звукового сигнала может быть отменена при программировании системы.
Система переходит в режим тревоги:
Система оснащена двухуровневым адаптивным встроенным датчиком удара и датчиком напряжения бортовой сети.
В режиме охраны датчик удара отслеживает, изменяющиеся условия окружающей среды и подстраивает свою чувствительность от начально-установленной, что уменьшает количество ложных срабатываний.
Датчик напряжения бортовой сети постоянно контролирует уровень напряжения. Если питание пропадало полностью, следующее включение будет сопровождаться включением режима тревоги.
В режиме тревоги на 30 сек. включаются световые и звуковые сигналы, а также выход передатчика пейджера. Существует возможность отменить включение звуковой сигнализации и выхода передатчика пейджера при программировании системы.
Если в момент включения тревоги система находилась в режиме охраны с работающим двигателем, то при этом происходит блокировка работы двигателя, и по окончании тревоги система переходит в режим полной охраны. В остальных случаях по окончании тревоги система возвращается в прежний режим охраны.
Для досрочного выхода из режима тревоги и прекращения подачи всех тревожных сигналов достаточно нажать любую кнопку брелока. В течение 2 сек. система не будет реагировать на состояние датчиков, ожидая команды от брелока (например, снятие с охраны).
Датчик, из-за срабатывания которого система три раза подряд выходила в тревогу, будет временно отключен. Если три раза срабатывал предупредительный уровень датчика удара, то система временно отключит датчик. Отключенный датчик будет снова взят под охрану через 15 сек. после восстановления его состояния готовности. Датчик, сработавший в общей сложности 9 раз, будет отключен до следующей постановки на охрану (за исключением предупредительного уровня датчика удара).
Для отключения предупредительного уровня датчика удара необходимо одновременно нажать на кнопки "1" + "3" брелока, после постановки системы на охрану. Система подтвердит команду одной вспышкой фонарей.
В том случае, когда система находится в режиме тревоги, перед снятием с охраны необходимо предварительно отключить режим тревоги, нажав любую кнопку брелока.
Чтобы снять сигнализацию с охраны, когда она не находится в режиме тревоги, коротко нажмите кнопку "2" брелока (длительное нажатие, более 1 сек, отключит звуковые сигналы подтверждения).
Если срабатывания тревоги не было, система подтвердит выполнение команды двукратной вспышкой фонарей и двумя короткими сигналами сирены, в случае, если в период охраны происходило срабатывание тревоги, она сообщит об этом четырьмя (вместо двух) звуковыми и световыми сигналами .
В то же время система отключит блокировку двигателя и отопрет двери (если подключены электроприводы), а также включит выход на пейджер (программируемая функция). Затем, если батарея в брелоке разряжена, система сообщит об этом продолжительной вспышкой (2 сек.) фонарей.
В момент снятия с охраны система один раз вспышками индикатора показывает наиболее важный сработавший датчик. Повторить индикацию сработавших датчиков можно при выключенном зажигании вплоть до следующей постановки на охрану нажатием кнопки "2" брелока.
Система управляет замками дверей, запирая их при постановке на охрану. При снятии и постановке на охрану предусмотрен двухшаговый режим отпирания/запирания дверей (программируемая функция). При снятии с охраны первое нажатие на кнопку "2" брелока снимает систему с охраны, не отпирая дверей, а второе нажатие на кнопку "2" брелока приводит к отпиранию дверей.
При постановке на охрану в двухшаговом режиме первый импульс блокирует двери от отпирания их снаружи, а второй от отпирания их изнутри.
Система может автоматически запирать замки дверей после включения зажигания и отпирать их после выключения зажигания. Через 5 секунд после включения зажигания, двери автоматически запираются, а после выключения зажигания двери отпираются немедленно (программируемая функция). Если после включения зажигания какая-либо дверь открывалась, автоматического запирания не произойдет - это необходимо для предотвращения запирания ключей зажигания внутри автомобиля.
При включенном зажигании существует возможность запирать и отпирать двери, нажимая на кнопки брелока "1" и "2" соответственно.
Нажатие кнопки "1" брелока в режиме охраны активирует функцию поиска автомобиля. Система подаст однократный звуковой и пятикратный световой сигналы, а затем вернется в режим охраны.
Длительное (1 сек.) нажатие кнопки "1" брелока в режиме охраны активирует функцию бесшумного поиска автомобиля: система подаст пятикратный световой сигнал, а затем вернется в режим охраны.
Независимо от того, находится ли система в режиме охраны, в режиме охраны с работающим двигателем или снята с охраны, одновременное нажатие кнопок "1" и "2" брелока вызывает включение функции "Паника":
Для отключения функции "Паника" нужно нажать любую кнопку брелока. Состояние блокировки двигателя изменится на предыдущее.
Система имеет два полноценных таймерных канала, с помощью которых можно управлять различными сервисными устройствами.
При программировании системы вы можете выбрать для них одно из следующих применений, например:
Управление таймерными каналами осуществляется как автоматически при возникновении определенных событий, так и при помощи кнопок брелока.
В момент поставки система настроена так, что короткое нажатие кнопки "3" брелока включает таймерный канал №1 , а длительное (более 1 сек.) нажатие кнопки "3" брелока включает таймерный канал №2. При программировании, можно изменить данную настройку и даже сделать включение обоих каналов одной кнопкой.
Так же при программировании системы можно установить длительность действия сигнала на выходе или перевести любой канал в режим, когда одно нажатие кнопки брелока включает канал, а другое выключает.
В автоматическом режиме система может включать выбранные таймерные каналы при постановке на охрану и (или) при снятии с охраны.
Если программно таймерный канал назначен для открывания замка багажника, то замком можно управлять в режимах "на охране" и "снято с охраны". В случае, когда система находится на охране, при включении таймерного канала временно отключается концевой выключатель багажника и датчик удара. После закрытия багажника через 15 сек. датчики опять станут под охрану.
Любой из таймерных каналов можно программно назначить для выполнения функции поддержки зажигания. Данная функция позволяет оставить двигатель автомобиля работающим без ключей зажигания. Для включения необходимо:
ВНИМАНИЕ: Не начинайте движение, находясь в режиме поддержки зажигания. После выхода из него обязательно вставьте ключи зажигания в замок и поверните до положения "Зажигание".
Система имеет канал управления радиопередатчиком пейджера и может формировать следующие управляющие сигналы:
Подача каждого из этих сигналов может быть разрешена или запрещена при программировании системы.
Во время подачи сигнала пейджера система не контролирует состояние датчика удара или объема (для исключения электромагнитного влияния передатчика пейджера на датчик).
В случае, если Вы не используете пейджер, канал дистанционного радиооповещения может быть использован как дополнительный таймерный канал для автоматического управления дополнительными внешними устройствами (при постановке на охрану, снятии с охраны, срабатывании предупредительного датчика удара, тревоги).
При отсутствии у Вас брелка или выходе его из строя, управлять работой системы можно посредством ввода секретного кода.
При вводе секретного кода у Вас есть возможность произвести следующие действия:
Секретный код системы состоит из трех чисел от 1 до 9. Для ввода секретного кода необходимо произвести следующие действия:
Этот режим работы системы предусмотрен для постановки автомобиля на техническое обслуживание. В этом режиме система снята с охраны, все ее функции отключены и не мешают обслуживанию автомобиля. Кроме того, при использовании данного режима, оставляя автомобиль на техническое обслуживание, не требуется оставлять брелок от охранной системы. В данном случае сканирование кода брелока становится невозможным.
Для перевода системы в режим техобслуживания необходимо:
Признаком перехода системы в режим технического обслуживания будет свечение индикатора системы зеленым светом при включенном зажигании. При выключенном зажигании индикатор системы будет погашен. Для выхода из режима технического обслуживания в режим снятия с охраны достаточно нажать кнопку "2" брелока.
Режим "Anti HI JACK" предоставляет возможность предотвратить попытку завладеть транспортным средством насильственным путем. Он предусматривает возможность поэтапного блокирования двигателя автомобиля во время движения.
Предусмотрены два типа режима - Активный и Пассивный. Пассивный режим используется в случае, если вы находитесь за рулем, а пассажир пытается завладеть вашим транспортным средством. В данной ситуации Вам необходимо нажать требуемую кнопку на брелке и убедившись по сигналам индикатора состояния, что режим "Anti HI JACK" включился, при малейшей возможности покинуть машину.
Активный режим используется в случае, если захват уже произошел, вы находитесь вне автомобиля, в зоне действия брелока и брелок остался с вами.
В любом случае режим "Anti HI JACK" даст возможность угонщику отъехать на безопасное для Вас расстояние, после этого охранная система включит световую и звуковую сигнализацию и заблокирует двигатель.
Этап 1 (режим готовности). Зажигание должно быть включено, двери -закрыты, при получении угрозы от пассажира незаметно нажмите и удерживайте кнопку "2" брелока более 1 сек. Включится режим готовности, индикатор будет выдавать одиночные короткие вспышки зеленого цвета.
Этап 2 (обратный отсчет). Если водителя заставили выйти из машины -открытие любой двери, а затем закрытие всех дверей запускает обратный отсчет на 30 сек. Время дается для того, чтобы машина отъехала на безопасное для владельца расстояние. В течении этого времени индикатор непрерывно мигает зеленым цветом.
Этап 3 (предупреждение о блокировке). По истечении времени обратного отсчета, на 30 сек включается предупредительный сигнал сирены и световой сигнализации, для исключения аварийной ситуации на дороге. Автомобиль на этом этапе привлекает к себе внимание и предупреждает, что двигатель будет немедленно блокирован.
Этап 4 (блокирование двигателя и режим тревоги). Включается блокировка двигателя, на 30 сек. сигнал сирены и световой сигнализации.
Этап 5 (Режим охраны с игнорированием команд брелоков). Система перейдет в режим охраны, однако управление посредством брелоков будет временно исключено. Снять систему с режима охраны, в данном случае, возможно только с помощью секретного кода.
ПРИМЕЧАНИЕ: На этапе 1 Вы можете выключить режим "ANTI HI JACK" нажатием и удерживанием кнопки "2" брелока более 1 сек, при этом все двери должны быть закрыты. В остальных случаях для отключения данного режима возможно только с помощью секретного кода.
Этап 1 (обратный отсчет). Если владельца уже заставили выйти из машины, необходимо нажать и удерживать одновременно кнопки "1" + "2" брелока более 1 сек. Запускается обратный отсчет на 30 сек, что позволяет автомобилю отъехать на безопасное для владельца расстояние. В течение этого времени индикатор выдает одиночные продолжительные вспышки зеленого цвета.
Этап 2 (предупреждение о блокировке). По истечении времени обратного отсчета, на 30 сек включается предупредительный сигнал сирены и световой сигнализации, для исключения аварийной ситуации на дороге. Автомобиль на этом этапе привлекает к себе внимание и предупреждает, что двигатель будет немедленно блокирован.
Этап 3 (блокирование двигателя и режим тревоги). Включается блокировка двигателя, на 30 сек. сигнал сирены и световой сигнализации.
Этап 4 (Режим охраны с игнорированием команд брелоков). Система перейдет в режим охраны, однако управление посредством брелоков будет временно исключено. Снять систему с режима охраны, в данном случае, возможно только с помощью секретного кода.
ПРИМЕЧАНИЕ: Отключение данного режима возможно только с помощью секретного кода.
Режим "ANTI HI JACK" не является штатным режимом охранной системы, так как предусматривает полную остановку двигателя во время движения транспортного средства и может привести к аварии. Мы настоятельно не рекомендуем пользоваться этим режимом.
Ответственность за использование данного режима полностью возлагается на владельца транспортного средства. Для некоторых типов автомобилей, имеющих автоматическую трансмиссию, использование данного режима не рекомендовано, так как может привести к ее повреждению.
В целях обеспечения безопасности НЕ РЕКОМЕНДУЕТСЯ держать на одной связке брелок сигнализации и ключи от автомобиля.
В момент поставки системы режим Anti Hi Jack отключен в программных настройках. Для его использования необходимо установить настройку Подуровня 9.1 в состояние "РАЗРЕШЕНО".
Некоторые установки системы можно изменить в режиме программирования. В системе предусмотрено одиннадцать уровней программирования, каждый из которых имеет несколько подуровней.
В настоящем руководстве это обозначается комбинацией из двух цифр, первая из которых соответствует номеру уровня, а вторая - номеру подуровня.
Процесс программирования можно описать так:
ПРИМЕЧАНИЕ: Каждое нажатие кнопки VALET сопровождается оранжевой вспышкой индикатора состояния. Пауза между нажатиями не должна превышать 1 сек.
Система позволяет программировать все настройки по радиоканалу при помощи компьютера. Для осуществления данной операции необходим модуль программирования по радиоканалу RMP-01. Модуль вместе с управляющей программой поставляется отдельно.

Подготовка включает следующие этапы:
Системные требования для работы с модулем RMP-01:
Для программирования настроек необходимо:
Заводские установки системы отмечены серым фоном.
| Название уровня | Уровень и подуровень | Индикатор | |
|---|---|---|---|
| КРАСНЫЙ | ЗЕЛЕНЫЙ | ||
| Запись брелоков в память системы | 1. Поочередная запись брелоков (до четырех) | См. описание | |
| Занесение секретного кода | 2. Ввод нового секретного кода | См. описание | |
| Работа сирены | 3.1 Сигнал сирены при предупредительном уровне датчиков | ЗАПРЕЩЕНО | РАЗРЕШЕНО |
| 3.2 Сигнал сирены в режиме "Тревога" и "Паника" | ЗАПРЕЩЕНО | РАЗРЕШЕНО | |
| Функции иммобилайзера и автопостановки на охрану | 4.1 Включение иммобилайзера после снятия с охраны | ЗАПРЕЩЕНО | РАЗРЕШЕНО |
| 4.2 Автоматическая перепостановка на охрану | ЗАПРЕЩЕНО | РАЗРЕШЕНО | |
| 4.3 Пассивная постановка на охрану | ЗАПРЕЩЕНО | РАЗРЕШЕНО | |
| 4.4 Тип контактов реле блокировки | НОРМ. РАЗОМКН | НОРМ. ЗАМКН. | |
| Работа таймерного канала №1 | 5.1 Управление замком багажника по таймерному каналу | ЗАПРЕЩЕНО | РАЗРЕШЕНО |
| 5.2 Функция поддержки зажигания | ЗАПРЕЩЕНО | РАЗРЕШЕНО | |
| 5.3 Включение таймерного канала при постановке на охрану | ЗАПРЕЩЕНО | РАЗРЕШЕНО | |
| 5.4 Включение таймерного канала при снятии с охраны | ЗАПРЕЩЕНО | РАЗРЕШЕНО | |
| 5.5 Вкл./ выкл. постоянно таймерного канала кнопкой 3 брелока | ЗАПРЕЩЕНО | РАЗРЕШЕНО | |
| 5.6 Тип нажатия кнопки "3" брелока для срабатывания канала | ДЛИННОЕ | КОРОТКОЕ | |
| 5.7 Длительность работы таймерного канала | 0,8 СЕК | ||
| Работа таймерного канала №2 | 6.1 Управление замком багажника по таймерному каналу | ЗАПРЕЩЕНО | РАЗРЕШЕНО |
| 6.2 Функция поддержки зажигания | ЗАПРЕЩЕНО | РАЗРЕШЕНО | |
| 6.3 Включение таймерного канала при постановке на охрану | ЗАПРЕЩЕНО | РАЗРЕШЕНО | |
| 6.4 Включение таймерного канала при снятии с охраны | ЗАПРЕЩЕНО | РАЗРЕШЕНО | |
| 6.5 Вкл./ выкл. постоянно таймерного канала кнопкой 3 брелока | ЗАПРЕЩЕНО | РАЗРЕШЕНО | |
| 6.6 Тип нажатия кнопки "3" брелока для срабатывания канала | ДЛИННОЕ | КОРОТКОЕ | |
| 6.7 Длительность работы таймерного канала | 0,8 СЕК | ||
| Работа канала дистанционного радиооповещения (таймерного канала №3) | 7.1 Вкл. канала радиооповещения при предупредительном уровне | ЗАПРЕЩЕНО | РАЗРЕШЕНО |
| 7.2 Вкл. канала радиооповещения при снятии с охраны | ЗАПРЕЩЕНО | РАЗРЕШЕНО | |
| 7.3 Вкл. канала радиооповещения при постановке на охрану | ЗАПРЕЩЕНО | РАЗРЕШЕНО | |
| 7.4 Вкл. канала радиооповещения в режиме тревоги | ЗАПРЕЩЕНО | РАЗРЕШЕНО | |
| 7.5 Длительность работы канала радиооповещения | 15 СЕК | ||
| Управление замками дверей | 8.1 Длительность сигнала управления замками дверей | 0,8 СЕК | 5 СЕК. |
| 8.2 Запирание/ отпирание замков при вкл./выкл. зажигания | ЗАПРЕЩЕНО | РАЗРЕШЕНО | |
| 8.3 Откл. концевого выключателя двери при постановке на охрану | ЗАПРЕЩЕНО | РАЗРЕШЕНО | |
| 8.4 Отпирание дверей при снятии с охраны | ЗАПРЕЩЕНО | РАЗРЕШЕНО | |
| 8.5 Отпирание дверей двойным импульсом | ЗАПРЕЩЕНО | РАЗРЕШЕНО | |
| 8.6 Запирание дверей двойным импульсом | ЗАПРЕЩЕНО | РАЗРЕШЕНО | |
| 8.7 Задержка отключения концевых выключателей дверей при постановке на охрану | 15 СЕК | ||
| Функция Anti Hijack | 9.1 Разрешить функцию "Anti Hi Jack" | ЗАПРЕЩЕНО | РАЗРЕШЕНО |
| Управление полярность ю датчиков | 10.1 Полярность датчика капота | ОТРИЦАТЕЛЬНАЯ | ПОЛОЖИТЕЛЬНАЯ |
| 10.2 Полярность датчика дверей | ОТРИЦАТЕЛЬНАЯ | ПОЛОЖИТЕЛЬНАЯ | |
| 10.3 Полярность датчика багажника | ОТРИЦАТЕЛЬНАЯ | ПОЛОЖИТЕЛЬНАЯ | |
| Настройка чувствительности датчика удара | 11.1 Настройка предупредительного уровня | См. описание | |
| 11.2 Настройка тревожного уровня | См. описание | ||
В систему можно записать не более четырех брелоков. При записи любого количества брелоков (до четырех) в оставшиеся ячейки так же автоматически прописываются коды тех же брелоков, что обеспечивает защиту от записи посторонних пультов.
При утере брелока необходимо заново записать коды оставшихся брелоков, чтобы удалить из памяти код утерянного. При входе на этот уровень и записи хотя бы одного брелока, все пульты, записанные до этого в систему, будут стерты.
Войти на первый уровень. Запись брелоков производится последовательно (один за другим). Два раза нажмите и отпустите любую кнопку 1-го брелока. При успешной записи индикатор выдаст серию из двух оранжевых вспышек. Затем таким же образом произведите запись оставшихся брелоков. Для выхода из этого уровня нажмите кнопку VALET. Если был записан хотя бы 1 брелок, то индикатор выдаст серию красных и зеленых вспышек. Если ни один брелок не был записан, то индикатор вспыхнет красным.
Секретный код, состоит из трех чисел от 1 до 9, и позволяет управлять работой системы в отсутствие брелока.
Заводская установка секретного кода - "1 -1 -1".
ВНИМАНИЕ! Запомните и запишите свой секретный код и храните его вне автомобиля. Без секретного кода Вы не сможете менять настройки системы и управлять ей без брелока. Для обеспечения секретности в начале эксплуатации необходимо изменить заводской секретный код.
Ввод нового секретного кода осуществляется после входа на первый подуровень:
По окончании ввода индикатор гаснет и система ожидает ввода номера нового уровня.
На данном уровне можно настроить работу сирены в различных ситуациях. Настройки будут иметь силу каждый раз при постановке на охрану.
Подуровень 3.1 - разрешает или запрещает работу сирены при срабатывании предупредительного уровня датчиков. Заводская установка - "РАЗРЕШЕНО".
Подуровень 3.2 - разрешает или запрещает работу сирены в режимах "Тревога" и "Паника". Заводская установка -"РАЗРЕШЕНО".
На данном уровне настраивается работа иммобилайзера, автопостановки на охрану, пассивной постановки на охрану, тип контактов встроенного реле блокировки. От установленного типа контактов реле блокировки зависит алгоритм его работы.
Подуровень 4.1 - разрешает или запрещает включение функции иммобилайзера после снятия с охраны. Заводская установка -"ЗАПРЕЩЕНО".
Подуровень 4.2 - разрешает или запрещает включение функции автоматической перепостановки на охрану. Заводская установка -"ЗАПРЕЩЕНО".
Подуровень 4.3 - разрешает или запрещает включение функции пассивной постановки на охрану. Заводская установка -"ЗАПРЕЩЕНО".
Подуровень 4.4 - задается тип контактов встроенного реле блокировки - НОРМАЛЬНО ЗАМКНУТЫЕ / НОРМАЛЬНО РАЗОМКНУТЫЕ. Заводская установка -"НОРМАЛЬНО ЗАМКНУТЫЕ".
В случае, когда Подуровни 5.1- 5.5 данного уровня находятся в состоянии "ЗАПРЕЩЕНО" таймерный канал будет управляться только кнопкой "3" брелока (в зависимости от установки подуровня 5.6 - длинными или короткими нажатиями). При каждом нажатии на кнопку на выходе таймерного канала будет появляться сигнал с длительностью установленной в Подуровне 5.7
Подуровень 5.1 - разрешает или запрещает управление электрозамком багажника с помощью данного таймерного канала. При срабатывании таймерного канала во время охраны временно отключается датчик удара и датчик багажника. Управление происходит, только кнопкой "3" брелока. Если функция разрешена, то она автоматически запрещает работу подуровней 5.3 и 5.4. На Подуровне 5.2 в этом случае автоматически установится значение "ЗАПРЕЩЕНО". Заводская установка-"ЗАПРЕЩЕНО".
Подуровень 5.2 - разрешает или запрещает управление поддержкой зажигания с помощью данного таймерного канала. Таймерный канал срабатывает, только если система снята с охраны и включено зажигание. Если в течение 30 сек. не произошло постановки на охрану с включенным двигателем, таймерный канал отключается. Управление происходит, только кнопкой "3" брелока. Если функция разрешена, то она автоматически запрещает работу подуровней 5.3 и 5.4. На Подуровне 5.1 в этом случае автоматически установится значение "ЗАПРЕЩЕНО". Заводская установка -"ЗАПРЕЩЕНО".
Подуровень 5.3 - разрешает или запрещает автоматическое включение таймерного канала при постановке на охрану. Заводская установка - "ЗАПРЕЩЕНО".
Подуровень 5.4 - разрешает или запрещает автоматическое включение таймерного канала при снятии с охраны. Заводская установка -"ЗАПРЕЩЕНО".
Подуровень 5.5 - разрешает или запрещает триггерное переключение таймерного канала кнопкой брелока (одно нажатие включает на неограниченное время, второе - выключает ). При разрешении данной функции, другие функции 5.1-5.4 не действуют. Управление таймерным каналом происходит, как обычно, кнопкой "3" брелока. Заводская установка -"ЗАПРЕЩЕНО".
Подуровень 5.6 - устанавливается - от какого нажатия кнопки "3" брелока будет срабатывать таймерный канал №1, от длинного или от короткого. Заводская установка -"КОРОТКОЕ".
Подуровень 5.7 - установка длительности включения выхода таймерного канала. Для этого необходимо войти на данный подуровень. Индикатор погашен. Нажмите и удерживайте кнопку VALET (индикатор включится оранжевым цветом) в течение времени, равного требуемой длительности таймера (но не более 10 мин). При отпускании кнопки время работы таймера будет зафиксировано, система вспышками индикатора красного и зеленого цвета подтвердит его запись в память, после чего индикатор гаснет и система ожидает ввода номера нового уровня. Заводская установка - 0,8 сек. (оптимизировано для использования с замком багажника или замком двери).
Подуровни 6.1 - 6.7 настраиваются аналогично подуровням 5.1-5.7 и имеют такое же назначение. Таймерный канал №2 в отличие от таймерного канала №1 имеет встроенное реле и предустановлен для управления замком багажника.
В случае, когда Подуровни 7.1- 7.4 данного уровня находятся в состоянии "ЗАПРЕЩЕНО" на канал дистанционного радиооповещения не будет выдаваться никаких сигналов.
Подуровень 7.1 - разрешает или запрещает включение канала радиооповещения при срабатывании предупредительного уровня датчиков. Заводская установка -"ЗАПРЕЩЕНО".
Подуровень 7.2 - разрешает или запрещает включение канала радиооповещения при снятии с охраны. Заводская установка -"ЗАПРЕЩЕНО".
Подуровень 7.3 - разрешает или запрещает включение канала радиооповещения при постановке на охрану. Заводская установка - "ЗАПРЕЩЕНО".
Подуровень 7.4 - разрешает или запрещает включение канала радиооповещения в режиме тревоги. Заводская установка -"ЗАПРЕЩЕНО".
Подуровень 7.5 - установка длительности включения выхода канала радиооповещения. Для этого необходимо войти на данный подуровень. Индикатор погашен. Нажмите и удерживайте кнопку VALET (индикатор включится оранжевым цветом) в течение времени, равного требуемой длительности работы (но не более 10 мин). При отпускании кнопки время работы канала будет зафиксировано. Система вспышками индикатора красного и зеленого цвета подтвердит его запись в память, после чего индикатор гаснет и система ожидает ввода номера нового уровня.
Заводская установка - 15 сек.
Независимо от установок подуровней закрытие дверей происходит автоматически при постановке на охрану, при этом используются настройки Подуровней 8.1, 8.7
Подуровень 8.1 - установка длительности сигнала управления замками. Предусмотрено два типа длительности 0,8СЕК. и 5СЕК. Заводская установка -0,8СЕК
ВНИМАНИЕ! Неправильный выбор длительности и типа импульса может привести к выходу из строя центрального замка автомобиля. Программирование данной функции должно осуществляться только в специализированных центрах квалифицированными специалистами.
Подуровень 8.2 - разрешает или запрещает автоматическое запирание замков при включении зажигания и отпирание замков при выключении зажигания. Заводская установка -"ЗАПРЕЩЕНО".
Подуровень 8.3 - отключение датчика открывания двери при постановке на охрану. Настройка предназначена для установки системы на автомобили с функцией задержки выключения салонного света. При работе использует задержку установленную в подуровне 8.7 Заводская установка - "ЗАПРЕЩЕНО".
Подуровень 8.4 - разрешает или запрещает отпирание дверей при снятии с охраны. Заводская установка -"РАЗРЕШЕНО".
Подуровень 8.5 - разрешает или запрещает отпирание дверей двойным импульсом. Если состояние данного уровня - "РАЗРЕШЕНО", то открытие дверей будет происходить в 2 этапа. При первом нажатии на кнопку "2" брелока, базовый блок выдаст первый импульс (для открытия только водительской двери), при втором нажатии - второй импульс, для открытия всех остальных дверей. Длительность каждого импульса будет соответствовать подуровню 8.1. Если разрешен Подуровень 8.4 , то при снятии с охраны первый импульс будет выдан сразу. Если разрешен Подуровень 8.2 , то при выключении зажигания будут выдаваться два импульса, тем самым, открывая все двери. Если состояние данного уровня "ЗАПРЕЩЕНО", то открытие дверей будет происходить как обычно одним импульсом. Заводская установка - "ЗАПРЕЩЕНО".
Подуровень 8.6 - разрешает или запрещает запирание дверей двойным импульсом. Если состояние данного уровня - "РАЗРЕШЕНО", то закрытие дверей всегда будет происходить двумя импульсами, следующими один за другим. Длительность каждого будет соответствовать Подуровню 8.1. Заводская установка -"ЗАПРЕЩЕНО".
Подуровень 8.7 - установка длительности отключения датчика открывания двери при постановке на охрану (если разрешена функция 8.3). Для этого необходимо войти на данный подуровень. Индикатор погашен. Нажмите и удерживайте кнопку VALET (индикатор включится оранжевым цветом) в течение времени, равного требуемой длительности (но не более 10 мин). При отпускании кнопки время будет зафиксировано, система красными и зелеными вспышками индикатора подтвердит запись в память, после чего индикатор гаснет и система ожидает ввода номера нового уровня.
Заводская установка - 15 сек.
При запрещении данной функции будет невозможно включить с брелока, как активный режим данной функции, так и пассивный. Заводская установка - "ЗАПРЕЩЕНО"
Подуровень 9.1 - разрешает или запрещает функцию "ANTI HI JACK".
В зависимости от установок подуровней, датчики будут реагировать либо на замыкание на "+", либо на массу. Можно установить отдельно полярность датчиков капота, дверей, багажника. Заводская установка полярности всех датчиков "ОТРИЦАТЕЛЬНАЯ"
Подуровень 10.1 - Установка полярности датчика капота.
Подуровень 10.2 - Установка полярности датчика дверей.
Подуровень 10.3 - Установка полярности датчика багажника.
На данном уровне можно настроить чувствительность предварительного и тревожного уровней встроенного датчика удара. Для изменения чувствительности войдите или на подуровень 10.1 или 10.2. Всего предусмотрено 50 ступеней чувствительности для каждого из уровней. Индикатор горит постоянно, цвет - в зависимости от установленного значения плавно меняется от зеленого (минимальная чувствительность) до красного (максимальная чувствительность). Одно нажатие кнопки "1" брелока увеличивает, а одно нажатие кнопки "2" брелока уменьшает чувствительность на 1 ступень. При нажатии кнопок индикатор один раз мигает. При достижении максимального или минимального значения чувствительности индикатор перестает реагировать на нажатия кнопки брелока.
Чувствительность датчика можно проверить сразу, не выходя из данного уровня. Срабатывание предупредительного уровня выдаст три коротких звуковых и один световой сигнал, а тревожного уровня один длинный звуковой и световой сигнал. Индикатор в этот момент выдает зеленую вспышку для предупредительного уровня и красную для тревожного
При нажатии кнопки VALET чувствительность будет зафиксирована, система красными и зелеными вспышками индикатора подтвердит запись в память, после чего индикатор гаснет и система переходит на следующий подуровень.
Заводские установки чувствительности - 45 СТУПЕНЬ для предварительного уровня и 25 СТУПЕНЬ для тревожного уровня.
Подуровень 10.1 - Установка чувствительности предупредительного уровня встроенного датчика удара.
Подуровень 10.2 - Установка чувствительности тревожного уровня встроенного датчика удара.
В момент настройки чувствительности базовый блок со встроенным датчиком удара уже должен быть установлен и закреплен в автомобиле. Это обеспечит точность настройки. Не устанавливайте слишком высокую чувствительность датчиков, это может вызвать ложные срабатывания охранной системы.
Монтаж и эксплуатация охранной системы должны осуществляться в строгом соответствии с данным руководством.
ЗАПРЕЩАЕТСЯ производить подключение системы к электропроводке автомобилей другого типа или с номинальным напряжением отличным от 12В.
ЗАПРЕЩАЕТСЯ исключать штатно предусмотренные в охранной системе предохранители при подключении к электропроводке автомобиля.
ВНИМАНИЕ! Все мощные цепи с использованием внешних реле и других исполнительных устройств, не питающихся от базового блока охранной системы должны иметь свои предохранители в цепи питания.
ЗАПРЕЩАЕТСЯ производить подключение охранной системы, имеющей повреждения выходных кабелей.
ВНИМАНИЕ! Все места подключения выходных кабелей охранной системы к проводке автотранспортного средства должны быть тщательно изолированы и должны исключать возможность возникновения короткого замыкания при эксплуатации, или при попадании влаги в место контакта.
ВНИМАНИЕ! Все составные компоненты охранной системы должны быть тщательно закреплены. Крепление должно полностью исключать перемещение во время движения.
ВНИМАНИЕ! Для установки компонентов системы следует выбирать места, исключающие случайное их механическое повреждение и попадание внутрь агрессивных жидкостей и воды.
ВНИМАНИЕ! Охранная система является необслуживаемым устройством. Запрещается снимать его кожух. В случае отказа в работе ремонт должен производиться в специализированных мастерских.
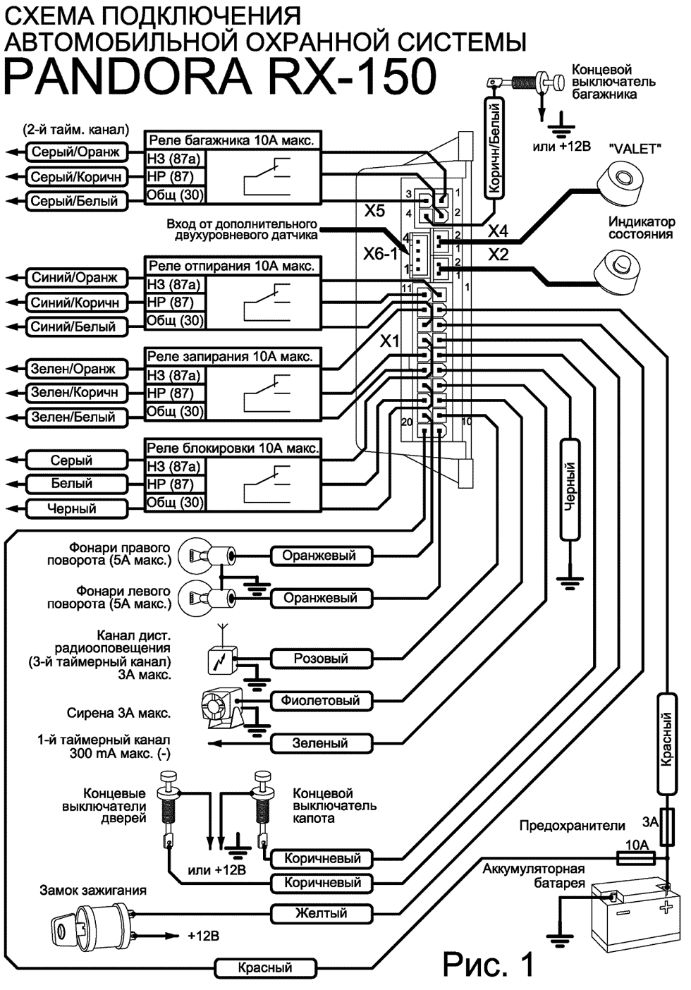
Перед установкой внимательно изучите руководство по эксплуатации и руководство по монтажу. В процессе установки предохранители системы должны быть извлечены из своих гнезд. Распакуйте охранную систему. Выберите место установки базового блока. Это место должно быть труднодоступным для потенциального угонщика. Желательно выбрать место так, чтобы доступ к нему осуществлялся с помощью специального инструмента. Так как базовый блок имеет встроенный датчик удара, то при его монтаже необходимо обеспечить его стабильное срабатывание.
Установите базовый блок с помощью пластиковой стяжки или винтов-саморезов. Антенна базового блока, представляющая собой выходящий отрезок провода около 17 см длиной, должна быть расправлена на полную длину и расположена так, чтобы прием сигнала был устойчивым. Антенну не подключать!
Если вы устанавливаете дополнительный датчик (объема), выберите оптимальное место для его установки. Датчик закрепленный в этом месте должен хорошо и стабильно реагировать на проникновение в автотранспортное средство. Подключить кабель датчика к разъему Х6-1 базового блока согласно рис.1.

Установите индикатор состояния системы на приборной панели так , чтобы обеспечить нормальный обзор как в салоне так и снаружи автомобиля, подключите кабель индикатора к разъему Х2 согласно рис. 1.
Установите кнопку VALET системы в легкодоступном, но в то же время скрытом от посторонних глаз месте, подключите кабель кнопки к разъему Х4 согласно рис.1.
Произведите соединения шлейфов системы с проводкой автомобиля в соответствии с руководством по монтажу и учитывая топологию проводки автомобиля. При необходимости соедините базовый блок с дополнительными устройствами, такими как: центральный замок, блок управления стеклоподъемниками, запуском двигателя и т.д.
Закрепите проводку изоляционной лентой, при этом желательно максимально обеспечить маскировку проводки
Установите предохранители в свои гнезда.
Запрограммируйте систему в соответствии с пожеланиями владельца автомобиля, используя руководство по программированию системы.
При подключении к базовому блоку внешних реле запрещается использовать защитные диоды. Они уже предусмотрены схемотехникой базового блока.

Четырехконтактный разъем служит для подключения дополнительного двухуровневого датчика (объема). Функциональное назначение контактов разъема Х6-1 блока управления приведено ниже:
1 - сигнальный вход тревожного уровня (-);
2 - сигнальный вход предупредительного уровня(-);
3 - общий 0В;
4 - питание датчика +12В.
Система позволяет управлять дверными замками различных типов, с разной длительностью и типом управляющего сигнала. Предусмотрены следующие типы сигнала и длительности, которые выставляются при программировании системы. Раздел "программирование системы", уровень 7: Одинарные сигналы для открытия и закрытия (программируется раздельно) Двойные сигналы для открытия и закрытия (программируется раздельно) Длительность сигналов открытия и закрытия для электрических замков -0,8 сек. Длительность сигналов открытия и закрытия для пневматических замков - 5 сек.
Неверно установленная длительность сигнала управления центральным замком может привести к выходу из строя элементов или частей его схемы.
На рис. 2... 10 приводятся различные примеры схем подключения дверных замков автомобилей.



Схему двухступенчатого открывания дверей (сначала дверь водителя, затем все остальные) возможно осуществить двумя способами. Если центральный замок автомобиля - поддерживает функцию управления двумя импульсами, то можно выбрать схему подключения по рис.2...9, а настройки Подуровней 8.5 и 8.6 - установить в состояние "РАЗРЕШЕНО". Тогда при снятии системы с охраны кнопкой "2" брелока будет открыта только дверь водителя, а для открытия остальных дверей будет нужно нажать кнопку "2" брелока еще раз. При постановке на охрану все двери будут блокированы двумя импульсами - от открывания снаружи и изнутри.
Если центральный замок устанавливается на автомобиль вместе с системой охраны, или существующий центральный замок не поддерживает функцию двухступенчатого открывания, то для ее реализации необходимо использовать таймерный канал. Схема подключения показана на рис. 10. Система должна быть запрограммирована следующим образом: Подуровни 5.1 - 5.6 (6.1 - 6.6), 8.4 - 8.6 - в соответствии с заводскими настройками. В этом случае при снятии системы с охраны кнопкой "2" брелока будет открыта только дверь водителя, а для открытия остальных дверей нужно коротко (длинно) нажать кнопку "3" брелока. При постановке на охрану все как обычно, двери блокируются автоматически.
Базовый блок системы противоугонной сигнализации PANDORA RX-150 имеет одно внутреннее реле для осуществления блокировки двигателя. Все три контакта реле выведены на разъем XI (17 контакт - общий вывод реле, 14 контакт - нормально замкнутый вывод реле, 18 контакт - нормально разомкнутый вывод реле). В данной модели охранной системы существует возможность осуществления блокировки двигателя как нормально замкнутыми, так и нормально разомкнутыми контактами. Выбранный способ блокировки реализуется путем выбора нужной схемы подключения к электропроводке автомобиля и установкой типа блокировки (нормально замкнутая/нормально разомкнутая) при программировании системы.
Блокировка нормально замкнутыми контактами - во время нормальной эксплуатации автомобиля контакты реле все время замкнуты и размыкаются в следующем случае:
Блокировка нормально разомкнутыми контактами - реле все время разомкнуто, контакты замыкаются в следующем случае:
Внутреннее реле блокировки базового блока рассчитано на блокировку цепей автомобиля, ток в которых не превышает 10А.
Чаще всего блокировки устанавливаются на следующие цепи автомобиля:
Типовые схемы реализации блокировок двигателя приведены на рисунках 11, 12, но необходимо помнить, что блокировки, имеющие высокую стойкость к взлому, получаются только с применением нестандартного подхода.
Необходимо учитывать, что способ блокировки не должен создавать проблем во время движения автомобиля и снижать управляемость. При несоблюдении данного требования, в случае создания аварийных ситуаций компания ответственности не несет.
Для питания исполнительных реле блокировки следует выбирать такие цепи автомобиля, в которых во время движения не пропадает даже временно, напряжение +12В, или не отключается масса.
Таймерные каналы могут использоваться для управления различными исполнительными устройствами автомобиля. Таймерный канал №1 выведен на 7 контакт разъема XI базового блока. Максимальный ток, обеспечиваемый каналом не более 300мА. Во время работы канала на его выходе присутствует низкий уровень напряжения. В пассивном состоянии выход отключен. Заводская настройка данного таймерного канала №1 - для управления замком двери коротким нажатием кнопки "3" брелока.
Таймерный канал №2 выведен на разъем Х5 (3 контакт - общий вывод реле, 1 контакт - нормально замкнутый вывод реле, 2 контакт - нормально разомкнутый вывод реле). Максимальный ток, коммутируемый реле не более 10А. Заводская настройка таймерного канала №2 - для управления замком багажника длинным нажатием кнопки "3" брелока.
Примерный перечень оборудования, для управления которым используются таймерные каналы, может включать:
Для подключения к таймерным каналам устройств с током потребления выше допустимого необходимо применять внешние мощные реле (не входят в комплект).
Алгоритм работы таймерных каналов, и временные характеристики задаются при программировании системы.
Схемы примерного использования таймерных каналов показаны на рис 10, 13, 14, 15, 16.

Канал радиооповещения выведен на 9 контакт разъема XI базового блока и предназначен для подключения питания передатчика радиопейджера (в комплект не входит). Посредством данного выхода осуществляется дистанционное оповещение о наступлении тревожных событий через радиопейджер. При этом на 9 контакте разъема появляется +12В, тем самым, включая передатчик радиопейджера. Максимальный ток, потребляемый передатчиком, должен быть не более ЗА.
События, при которых базовый блок системы может включать передатчик радиопейджера, задаются при программировании системы.
Если передатчик радиопейджера потребляет ток более ЗА то для его подключения необходимо использовать внешнее реле (не входит в комплект). Примерное подключение показано на рис. 17. При необходимости канал радиооповещения может использоваться как таймерный канал №3, без управления с брелока, для этого при программировании системы необходимо в настройках указать его назначение.
Для подключения звуковой сигнализации используется 8 контакт разъема XI базового блока. В момент активации данного канала на выводе присутствует +12В. Максимальный ток канала ЗА. Если потребляемый ток сирены выше данного значения, или используются две сирены, то их подключение необходимо производить через внешнее реле (не входит в комплект) по схеме на рисунке 17.
Для подключения световой сигнализации используются 10 и 19 контакты разъема XI базового блока. Максимальный ток по каждому из каналов не более 5А. Питание каналов световой сигнализации осуществляется отдельно от питания базового блока через 20 контакт того же разъема, в цепь питания установлен предохранитель 10А.
При установке базового блока провод с 10 контакта разъема XI подключается к проводке фонарей левого поворота, а 19 контакт того же разъема к проводке фонарей правого поворота.
При необходимости использования в качестве аварийной сигнализации габаритных фонарей, провода от 10 и 19 контактов замыкаются между собой и подключаются к проводке габаритных огней.
Подключение концевых выключателей дверей производится к 4 контакту разъема XI базового блока. Обычно в автомобилях стационарные концевые выключатели дверей подключены параллельно и вывод от любого из выключателей, можно подключить к базовому блоку.
Если в автомобиле предусмотрен блок управления салонным освещением или выключатели дверей подключены раздельно, то к базовому блоку охранной системы возможно подключить вывод салонного освещения. Необходимо удостовериться, что на выводе салонного освещения, при открывании дверей, всегда появляется напряжение +12В независимо от положения выключателей.
Базовый блок позволяет подключать концевые выключатели дверей подключенные как к +12В так и к массе автомобиля. Полярность выключателя устанавливается при программировании системы. Так же при программировании системы возможно установить задержку при принятии концевого выключателя под охрану, что необходимо на автомобилях с задержкой выключения салонного освещения.
Подключение концевых выключателя капота производится к 5 контакту разъема XI, а концевого выключателя багажника к 4 контакту разъема Х5 базового блока. При необходимости можно использовать заводские концевые выключатели, установленные на автомобиле, подключив их базовому блоку и настроив полярность, либо использовать концевые выключатели в комплекте охранной системы, установив их в удобном месте.
2.06.2005