MONGOOSE
AMG-700
Инструкция по установке
Перед началом установки отсоедините "-" клемму аккумулятора автомобиля.
Выберите наилучшие места для расположения элементов и блоков сигнализации по следующим критериям:
- скрытность установки;
- отсутствие вблизи источников тепла и влаги;
- небольшая длина соединительных проводов;
- уменьшение взаимовлияния устройств сигнализации, штатной электроники автомобиля. Например, Пейджер надо устанавливать подальше от блока управления сигнализацией и т. д.
- Блок управления сигнализации устанавливается внутри салона. Антенну радиоприемника для получения максимального радиуса действия брелоков следует располагать максимально высоко, вдали от металлических панелей кузова и жгутов электропроводки. Её не следует ни удлинять, ни укорачивать, ни сворачивать петлями.
- Сирена устанавливается под капотом, под подкрыльниками и т. д. в недоступном угонщику месте, рупором вниз или в сторону. Если сирена с автономным питанием, необходимо обеспечить доступ к скважине сервисного ключа. Подсоединение проводов сирены (в том числе и "-") рекомендуется делать внутри салона.
- Концевые выключатели капота и багажника врезаются в защищенные от влаги места, недоступные при закрытом капоте и багажнике. Необходимо периодически смазывать трущиеся части концевых выключателей во избежание заедания и коррозии.
- Датчик удара устанавливается в салоне (лучше вблизи продольной оси автомобиля) на металл кузова и крепится саморезами или приклеивается.
- Дополнительные датчики (ультрасоник, микроволновик и т. д.) в местах, наилучших с точки зрения их работы.
- Все сильноточные цепи (мигалок, центрального замка и т. д.) должны быть защищены плавкими предохранителями на соответствующие токи.
- Рекомендуется пропаять контакты в местах разрывов цепей зажигания, стартера и т. д.
Подсоединения проводов
- Красный - питание системы - подсоединить к +12В автомобиля через предохранитель 15А.
- Черный - "-" системы - при помощи болта присоединить к корпусу автомобиля.
- Синий - информационный вход "зажигание" - присоединить к точке, в которой присутствует +12В в положениях ключа зажигания "Включено" и "Стартер". Обратите внимание на надежность этого присоединения - оно скажется на безопасности движения автомобиля.
- Зелено/белые провода - выходы на мигающие фонари -подсоединить к фонарям аварийной сигнализации (поворотникам), габаритных огней обоих бортов автомобиля через предохранители в 5А. В случае необходимости применять дополнительные реле.
- Бело/красный - выход на сирену - подсоединить к "+" входу сирены с потребляемым током не более 2А.
- Коричневый - "-" вход концевых выключателей - подсоединить к концевым выключателям капота и багажника.
- Коричнево/белый - "-" вход концевых выключателей - подсоединить к "-" концевым выключателям дверей. (В некоторых автомобилях штатные дверные концевики имеют раздельную проводку для управления салонным светом, стеклоподъемниками и т. д. В этом случае присоединение к ним следует выполнять через развязывающие диоды).
- Оранжевый - "+" вход концевых выключателей - подсоединить к "+" концевым выключателям дверей (автомашины "Волга", Ford и т. д.). Возможно использовать этот вход для подключения к штатному выключателю света багажника в некоторых автомобилях.
- Коричнево/черный - выход дополнительного канала - на этом проводе появляется "-" импульс (500мА max.) при активизации дополнительного канала (кнопка №2). Его можно использовать для запуска автостартера, автомата открывания стекол, отпирания замка багажника и т. д. При токе потребления > 500 мА использовать дополнительное реле.
- Красно/черный - выход на пейджер - на этом проводе появляется постоянный или пульсирующий "+" при срабатывании сигнализации, в режиме паника, максимальный ток 500 мА. Его можно использовать для управления пейджером, дополнительной сиреной, клаксоном и т. д. При необходимости использовать дополнительное реле.
- Серый "-" при режиме охрана - на этом проводе появляется "-" (500 мА max.) при постановке сигнализации на охрану. Его можно использовать для включения доп. датчика второй блокировки двигателя, управления автоматом закрытия стекол и т. д. При подключении нескольких устройств их необходимо развязывать диодами.
- Оранжевые провода (толстые) - внутренний разрыв - провода контактов внутреннего реле (10А max.) подключаются в разрыв цепей зажигания, реле стартера и т. д. Полярность подключения любая.
- Разъем светодиода - установите светодиодный индикатор в хорошо видимом снаружи автомобиля и со стороны водителя месте.
- Разъем кнопки аварийного отключения - установите кнопку аварийного отключения в скрытом, но все же доступном месте, просверлив отверстие и закрепив ее там, например, под Торпедо, в перчаточном ящике, под сиденьями и т. д.
- Разъем шок-сенсора - помимо шок-сенсора к этому разъему можно подсоединять некоторые типы дополнительных датчиков. При этом красный провод - "+" 12В, черный провод "-". Сигнальные (триггерные) выходы датчиков при параллельном подключении требуется развязывать диодами.
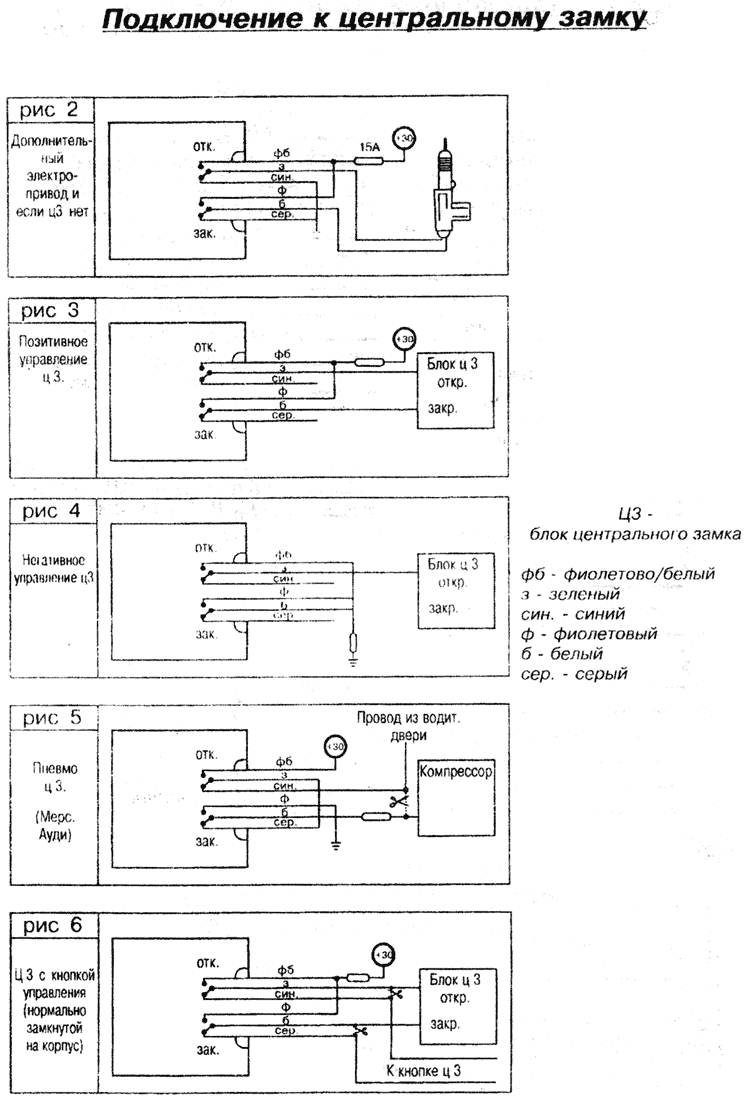
- 6-контактный разъем центрального замка - подключается к штатному переключателю центрального замка автомобиля или к приводам замков дверей. В любом случае устанавливать предохранитель нужного номинала. Не перегружать контакты внутренних реле. Например, актуаторов "UNIKA" можно подсоединять не более 4 шт. В случае необходимости использовать дополнительные реле. Схемы подключения прилагаются.
! Во всех внешних реле рекомендуем параллельно обмоткам ставить шунтирующие диоды, помня об ЭДС самоиндукции.
Назначение перемычек
- С перемычкой - включается автопостановка. Без перемычки - выключается автопостановка
- С перемычкой - для обычных концевиков дверей. Без перемычки - для машин с задержкой выключения внутрисалонного света
- С перемычкой - запирание дверей при включении зажигания. Без перемычки - без запирания дверей
- С перемычкой - для подключения белого/красного провода к клаксону. Без перемычки - для подключения с обычной сиреной
- С перемычкой - время управления центральным замком 1 секунда. Без перемычки - время управления центральным замком 3 секунды
Примечание: После изменения положения перемычек надо отключить и включить питание на блоке
Настройка датчиков
При настройке шок-сенсора и, если есть, дополнительного датчика выведите регуляторы чувствительности на минимум. Настраивайте датчики по очереди, понемногу увеличивая чувствительность и оказывая на автомобиль воздействие - постукивание по корпусу ладонью для шок-сенсора и движение рукой в салоне через приоткрытое окно для ультрасоника и микроволнового датчика. Избыточная чувствительность может привести к большому числу ложных срабатываний.
Проверка системы
- Подсоединить аккумулятор автомобиля, вставить предохранитель в колодку на красном проводе сигнализации.
- Проверить следующие устройства и режимы:
- постановка/снятие с охраны
- тихая постановка/снятие с охраны
- паника
- срабатывание на шок-сенсор и доп. датчик
- двушаговое снятие с охраны
- срабатывание при открывании. всех дверей, капота, багажника
- отсутствие срабатывания концевиков капота/багажника при
- колебаниях крышек капота/багажника - работа кнопки аварийного отключения.
- управление центральным замком
- управление дополнительным каналом (если подключен)
- автопостановка, репостановка (защита от случайного снятия с охраны).
- Valet режим
- радиус действия брелоков
- блокировка двигателя
- ограничение времени срабатывания
18.08.1999