НАЗАД

MISTER X

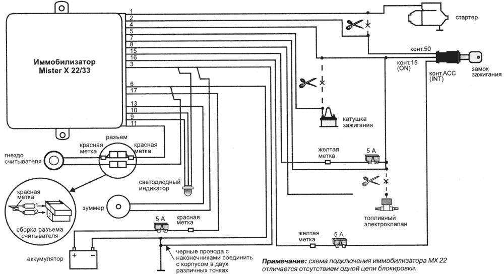
MX 22/32

Схема подключения

MISTER X 22/32 - схема подключения
25.12.1999