MICRO CAR ALARM
Модель 052.1
Инструкция по установке и эксплуатации
Данная модель предлагает Вам следующие функции:
- включение и выключение с помощью дистанционного управления;
- визуальное подтверждение включения и выключения;
- электрическая блокировка двигателя;
- способность запоминать информацию о несанкционированных воздействиях на автомобиль и визуальная индикация памяти;
- автоматическое отключение любой неисправной зоны (дверей, капота, багажника) и звуковое предупреждение об этом;
- дистанционное отключение ультразвуковых датчиков и функции управления стеклоподъемниками и электрическим люком;
- режим паники;
- защита от ограбления;
- датчик изменения напряжения автоматически самоблокирующийся на время работы светодиодного индикатора;
- универсальное программирование длительности импульсов управления, позволяющее одновременно управлять дверными замками, стеклоподъемниками и люком;
- возможность пассивного и активного включения режима охраны;
- автоматическое возвращение в режим охраны в случае выключения системы и неиспользования автомобиля;
- электронная сирена с автономным питанием, датчиком удара и аварийным ключом.
ВКЛЮЧЕНИЕ РЕЖИМА ОХРАНЫ
Нажатие в течение 1 секунды на шероховатую кнопку вызовет включение сигнализации. Это проявится следующим образом:
- два вспыхивания габаритных огней и два "бипа";
- постоянное свечение СИДа (светодиодного индикатора);
- через 5 секунд закрываются люк и окна;
- если после включения габаритные огни вспыхивают 4 раза (4 "бипа"), это указывает на то, что двери или капот/багажник, или пятипроводные приводы передних дверей неплотно закрыты. Неисправная зона автоматически исключается и не вызывает срабатывания режима тревоги;
- после 30 секундной задержки СИД замигает.
ВЫКЛЮЧЕНИЕ РЕЖИМА ОХРАНЫ
Нажатием той же кнопки на дистанционном ключе в течение 1 секунды происходит снятие с режима охраны. Это проявится следующим образом:
- одно вспыхивание габаритных огней и один "бип";
- СИД гаснет;
- двери открываются;
- если после выключения системы СИД продолжает мигать, это указывает на то, что система срабатывала в Ваше отсутствие.
- 1 вспыхивание - открывание багажника или срабатывал датчик удара.
- 2 вспыхивания - происходил перепад напряжения.
- 3 вспыхивания - были попытки завести автомобиль.
- 4 вспыхивания - открывание двери.
- 5 вспыхиваний - были попытки открыть замки передних дверей, оборудованных 5-ти проводными проводами.
- 6 вспыхиваний - срабатывание ультразвуковых датчиков.
Память сигнализации автоматически обнуляется через 15 секунд после запуска двигателя или в случае нового включения системы в режим охраны.
РАБОТА РЕЖИМА ПАНИКИ
Нажатие гладкой кнопки на брелке вызовет звуковой и визуальный сигнал длительностью в 6 секунд.
- Эта функция возможна и когда сигнализация выключена и через 30 секунд после включения системы охраны.
- Режим паники может быть отключен повторным нажатием гладкой кнопки на брелке.
ВКЛЮЧЕНИЕ СИСТЕМЫ С ОТКЛЮЧЕННЫМ УЛЬТРАЗВУКОВЫМ ДАТЧИКОМ И БЛОКИРОВКОЙ СТЕКЛОПОДЪЕМНИКОВ БРЕЛКОМ.
Включите систему, используя дистанционный ключ. В течение 30 секунд после включения нажмите гладкую кнопку брелка. При этом 3 "бипа" и 3 мигания габаритных огней будут сигнализировать о включении этого режима.
Система действует, но ультразвуковой датчик не вызовет срабатывания сигнализации.
- Если эта операция производится до закрывания окон стеклоподъемниками, они автоматически не закроются.
- Если эта операция производится в течение процесса закрывания окон стеклоподъемниками (только если модуль установлен), то окна немедленно остановятся.
- Если эта операция проводится после автоматического закрытия окон, ультразвуковой датчик останется не задействованным.
Система позволяет оставлять окна частично открытыми для вентиляции салона в летний период времени, без включения тревоги объемным датчиком.
АВТОМАТИЧЕСКОЕ ВКЛЮЧЕНИЕ СИГНАЛИЗАЦИИ
Вставьте черную вилку в розетку и соедините серо-красный провод с "землей".
При выключении мотора система пассивно подготовлена для включения.
После закрытия всех дверей, подсоединенных к пурпурному проводу, сигнализирующий СИД замигает через 15 секунд, если двери не будут вновь открыты.
Центральная запирающая система (если она подсоединена) не вызовет закрытия.
Для выключения системы процедура остается обычной.
Нормальное включение системы остается возможным с помощью нажатия шероховатой кнопки брелка.
Если Вы хотите иметь возможность отключать этот режим, то достаточно подсоединить красно-серый провод к "земле" через переключатель, установленный внутри автомобиля.
Если машина принадлежит людям, незнакомым с работой пассивного включения сигнализации, советуем исключить эту функцию с помощью этого переключателя.
СИСТЕМА ЗАЩИТЫ ОТ ОГРАБЛЕНИЙ
Если Вас вынудили оставить машину с включенным зажиганием, то после выхода из машины в течение 15 секунд нажмите шероховатую кнопку брелка, в этом случае включается система защиты от ограбления.
- Через 15 секунд включаются сирена и свет;
- Через 120 секунд происходит блокировка двигателя;
- Еще через 120 секунд система переходит в режим охраны. Только аварийный ключ сирены может выключить систему. Держите брелки подальше от детей, т.к. данная система работает при включенном зажигании.
Для правильного использования пожалуйста помните:
- Если сигнализация выключена и в машину не входили в течение 30 секунд - она включится сама автоматически, включая центральное запирающее устройство.
- Во время режима тревоги возможно остановить звучание сирены нажатием гладкой кнопки брелка без выключения системы.
- В блоке сирены существует ключевой переключатель, который позволяет выключить сигнализацию в любое время аварийным ключом.
- При сдаче автомобиля в ремонт рекомендуем выключить сигнализацию аварийным ключом.
- Батареи сирены с автономным питанием обычно не требуют подзарядки, они подзаряжаются при движении автомобиля.
- Если в режиме тревоги багажник, капот или двери остаются открытыми, это вызовет последующие 30 с сигналы тревоги с 8-ми секундным интервалом.
- Убедитесь, что машина заводится при выключенной сигнализации.
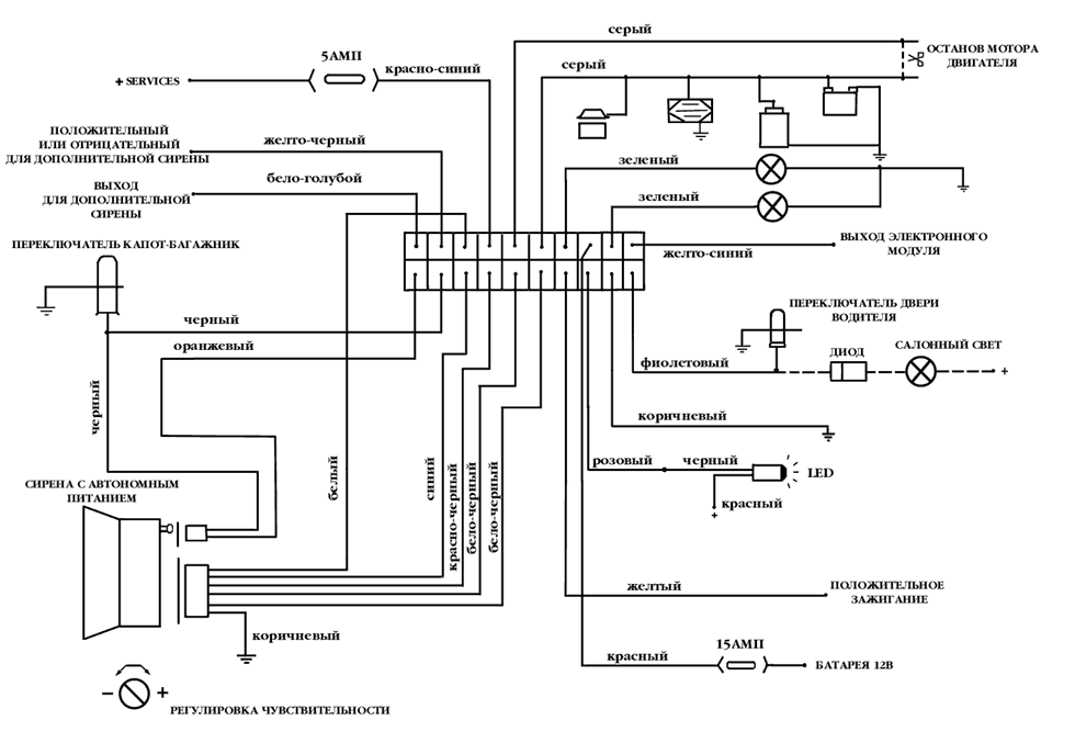
ИНСТРУКЦИЯ ПО УСТАНОВКЕ
- Закрепите сирену в двигательном отсеке подальше от источников тепла. Контрольный блок должен быть установлен только внутри салона.
- Отделите питание, идущее к сирене от питания, идущего к другим исполнительным устройствам, таким как габаритные огни, блок центральной блокировки, модули для стеклоподъемников, люка и т.д.
- Используйте кабель из набора.
- Ни при каких обстоятельствах не укорачивайте и не удлиняйте антенну.
- Не используйте неизолированные провода.
ЦЕПЬ № 1
- Подсоедините коричневый провод к неразъемной металлической части автомобиля. Советуем подсоединить его напрямую к отрицательной клемме батареи.
- Подсоедините желтый провод к положительной клемме замка зажигания. Существенно, чтобы напряжение было в этой точке в момент запуска двигателя, в противном случае, двигатель не запустится.
- Подсоедините два зеленых провода к лампам габаритных огней, макс. 60 Вт.
- Подсоедините красный провод от блока сигнализации к положительной клемме аккумулятора.
- Подсоедините красно-синий провод к положительной клемме салонного освещения.
- Подсоедините синий провод основного контрольного модуля к синему проводу сирены.
- Подсоедините красно-черный провод кабеля к такому же проводу сирены.
- Подсоедините желто-синий провод к электронным модулям, чтобы автоматически закрывать стеклоподъемники и электрический люк.
- Подсоедините розовый провод кабеля к черному проводу индикатора СИД: красный провод СИДа должен быть подсоединен к источнику + 12В.
- Желто-черный провод от блока сигнализации должен быть подсоединен к положительному или отрицательному полюсу с целью обеспечить необходимую полярность для дополнительного сигнала или сирены.
- В течение периода (фазы) тревоги бело-голубой провод получает ту же самую полярность, что и желто-черный.
- Подсоедините белый провод основного блока к белому проводу сирены.
- Подсоедините оранжевый провод основного блока к оранжевому проводу сирены.
- Чтобы использовать датчик удара необходимо подсоединить черный провод сирены к такому же проводу основного блока. Тот же самый черный провод также подсоединен к капотному и багажному переключателям.
- Подсоедините фиолетовый провод к дверному переключателю со стороны водителя. Это соединение существенно для использования всех функций системы (пассивное включение, автоматическое перевключение, сигнализирование о том, что дверь открыта).
- Два серых провода используются для блокировки двигателя различными способами в зависимости от типа автомобиля.
- Два бело-черный провода основного модуля подсоединяются к таким же от сирены.
- Красно-серый провод от маленькой черной вилки даст возможность автоматическому включению сигнализации, если будет подключен к "земле".
- Расположите два ультразвуковых датчика на правой и левой стороне у лобового стекла. Таким образом, чтобы они сходились в одну точку в направлении спинки заднего сидения и "не смотрели" друг на друга.
- Подключите соответственно красную вилку ультразвукового датчика в красный разъем, белую - в белый.
ФУНКЦИИ 4-х ПЕРЕКЛЮЧАТЕЛЕЙ
№ 1 Включено (OFF). Прерывистое звучание сигнализации для подключения к собственным сигналам автомобиля.
Включено (ON). Непрерывная тревога для подключения к сирене.
№ 2 Используется для программирования времени синхронизации, требуемой для центрального запирания, а также для закрытия стеклоподъемников и люка.
№ 3 Используется для изменения кода брелка.
№ 4 Выключено (OFF). Система работает в режиме изменения напряжения.
Включено (ON). Система работает в режиме контактного срабатывания (кнопочные выключатели).
РЕГУЛИРОВКА ЧУВСТВИТЕЛЬНОСТИ УЛЬТРАЗВУКОВОГО ДАТЧИКА
- Опустите окно одной из дверей примерно на 30 см. Включите сигнализацию, просуньте руку внутрь и покрутите ею. В течение нейтрального периода СИД будет гаснуть при каждом движении (руки); это подтверждение того, что датчик срабатывает. В противном случае повысьте чувствительность поворотом по часовой стрелке регулятора основного блока. После нейтрального периода в 30 секунд движение руки внутри автомобиля должно вызывать срабатывание сигнализации.
- Включите сигнализацию, подождите одну минуту и проверьте правильность работы датчика сотрясений, не устанавливаю чувствительность слишком высокой. Если необходимо повысить чувствительность, поверните по часовой стрелке регулятор, расположенный на задней стороне сирены под резиновой заглушкой.
ПРОГРАММИРОВАНИЕ В РЕЖИМЕ СИНХРОНИЗАЦИИ
Эта процедура проводится, если необходимо изменить время, нужное для осуществления центрального запирания (установлено 1 секунда на фабрике) и тех модулей, которые осуществляют автоматическое закрытие окон и люка (установлено 12 секунд на фабрике).
- Выключите систему, используя дистанционное управление. Программирование невозможно, если сигнализация включена.
- Перебросьте переключатель № 2 в положение включено (ON). Индикатор СИД мерцает.
- Чтобы запрограммировать длительность открывающего импульса, заземлите коричнево-черный провод разъема управления исполнительного устройства (касанием рамы автомобиля) на период времени, требуемый и запоминаемый.
- Чтобы запрограммировать длительность закрывающего импульса, заземлите пурпурно-черный провод разъема управления исполнительного устройства (касанием к раме автомобиля) на период времени, требуемый и запоминаемый.
- Чтобы запрограммировать время закрывания стеклоподъемников и люка, одновременно заземлите коричнево-черный и пурпурно-черный провода (касанием к раме автомобиля) на величину требуемой задержки.
- Возвратите переключатель № 2 в положение выключено (OFF). СИД прекращает мерцать и программирование закончено.
- Эти программирования могут варьироваться в процессе установки, чтобы адаптировать к любому типу автомобиля.
- Если коричнево-черный и пурпурно-черный провода не используются, крайне важно изолировать их, чтобы предотвратить неправильные срабатывания.
ПОДСОЕДИНЕНИЕ К ЦЕНТРАЛЬНОМУ ЗАПИРАЮЩЕМУ УСТРОЙСТВУ
ЦЕПЬ № 2
Подходит для автомобилей, снабженных электрическим центральным запирающим устройством с приводом также в двери водителя ("Фиат", "Лянча", "Альфа", "Рено", "Пежо").
Нет необходимости менять время работы.
Подходит для машин, снабженных электрическим центральным запирающим устройством для окон и дверей, с (или без) запирающим устройством, находящимся в двери водителя (БМВ, Passat).
Продолжите программирование длительности импульса закрывания с целью получения полного закрытия дверей, окон и люка.
ЦЕПЬ № 3
Подходит для "Мерседесов" и "Ауди", снабженных электрическими компрессорами. Выделите провод, идущий от двери водителя к закрывающему компрессору. И соедините его с синим проводом для "Мерседесов" или зелено-красным - для "Ауди".
Обратите особое внимание на то, чтобы не проинвертировать связи. Следуйте рекомендациям раздела программирования для обеспечения полного закрытия и открытия дверей.
ЦЕПЬ № 4
Для всех автомобилей, которые снабжены электрическим закрыванием, без привода в двери водителя ("Вольво" и японские машины).
Установите в двери водителя маленький двухпроводной мотор, придав необходимую форму стержневому приводу с целью его подсоединения к собственному блокирующему стержню двери.
Два провода от мотора соединяются в соответствии со схемой.
Нет необходимости изменять длительность открывающего импульса.
Для машин, снабженных центральным запиранием с управляющим микропереключателем в двери водителя (VW, SAAB), следуйте схеме, исключая существующий микропереключатель и устанавливая маленький пятипроводный мотор вместо него.
ЦЕПЬ № 5
Подходит для всех машин, с двумя или четырьмя дверьми, не снабженных центральным запиранием.
Установите приводы в дверях в соответствии со схемой, не изменяя длительность открывающего импульса. Уменьшите наполовину остающийся ходовой зазор маленького мотора, если он больше чем собственный запирающий блокировочный рычаг.
ЦЕПЬ № 6
Для машин "Yaguar", "Opel", "Calibra", "Vectra", "Omega", которые используют автоматическое запирание окон, управляемых одним из замков передних дверей. В соответствии с указанной схемой возможно получить их закрытие с помощью добавочного диода или дополнительных модулей.
Измените длительность управляющего импульса для полного закрывания окон.
ЦЕПЬ № 7
Для серии "Volkswagen Golf 3", которые позволяют закрытие электрических окон и люка ключом от двери водителя. Следуйте схеме, обращая внимание на тщательность соединений.
Продолжайте программирование длительности управляющего импульса с целью получить полное закрытие окон, дверей и люка.
ТЕХНИЧЕСКИЕ ХАРАКТЕРИСТИКИ
| Напряжение питания |
10-15 V |
| Потребляемый ток |
8/18 mA |
| Температурный режим |
- 40 + 85С |
| Максимальный ток нагрузки |
10 А |
| Длительность упр./имп. дверей |
1 сек. |
| Длительность упр./имп. стеклоподъемника |
12 сек. |
| Ток блокировки двигателя |
10 А |
| Нагрузка центральных замков |
10 А |
| Максимальный ток дополнительной сирены |
5 А |
| Нейтральное время |
30 сек. |
| Длительность режима тревоги |
30 сек. |
| Перевключение |
8 сек. |
| Режим паники |
6 сек. |
| Противоугонная задержка |
16 сек. |
| Пассивная задержка |
15 сек. |
| Частота работы ультразвукового датчика |
40 КГц |
| Ток потребления сирены |
1,2 А |
| Питание брелков |
6 V |
| Дальность действия брелка не менее |
10 м |
| Звуковой сигнал постановки на охрану |
2 бип |
| Звуковой сигнал снятия с охраны |
1 бип |
| Звуковой сигнал отключения ультразвуковых датчиков без снятия режима охраны |
3 бип |
| Визуальный сигнал постановки и снятия режима охраны |
1/2 вспышки фар |
ИЗМЕНЕНИЕ КОДА ПЕРЕДАТЧИКА
Для изменения кода передатчика выполните следующие операции:
- Переключатель № 3 в положение вкл.(ON)
- Ключ зажигания в положение вкл. (ON)
- Нажмите любую кнопку передатчика и держите ее до погасания СИД 3 сек.
- Верните переключатели № 3 и ключ зажигания в положение выключено (OFF).
В момент перекодировки исключите возможность работы чужого брелка системы М.С.А.
Таким образом, без изменения кода можно кодировать до 8 брелков.
При следующем кодировании (более 8-ми раз) будет изменен код системы.
14.07.2002