Free Japan Cars Factory Service Manuals
[ICO]NameSize
[PARENTDIR]Parent Directory -
[IMG]a.gif869
[IMG]a1.gif874
[IMG]alarm.gif958
[IMG]alloff.gif1.4K
[IMG]autostop.gif1.3K
[IMG]battery.gif1.0K
[IMG]block.gif1.1K
[IMG]brake.gif1.0K
[IMG]clock.gif1.3K
[IMG]dezone.gif1.1K
[IMG]engine.gif1.1K
[IMG]error.gif922
[IMG]hd.gif1.1K
[IMG]hijack.gif1.3K
[IMG]hit.gif1.2K
[IMG]immobil.gif1.3K
[IMG]indication.gif 18K
[IMG]key1.gif1.2K
[IMG]key2.gif1.2K
[IMG]key3.gif1.3K
[IMG]key4.gif1.3K
[IMG]lock.gif1.4K
[IMG]lock1.gif1.5K
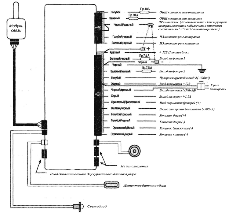
[IMG]ls-7010ec.gif134K
[TXT]ls-7010ec.htm 48K
[IMG]openbaggage.gif1.0K
[IMG]opencapot.gif1.1K
[IMG]opendoor.gif1.0K
[IMG]pin.gif1.2K
[IMG]pult1.gif 47K
[IMG]pults.gif 48K
[IMG]sf.gif1.0K
[IMG]timer.gif1.0K
[IMG]translate.gif1.0K
[IMG]turn.gif1.0K
[IMG]unlock.gif1.1K
[IMG]vallet.gif1.0K
[IMG]zone1.gif1.0K
[IMG]zone2.gif1.3K
Thanks to donations there are no ads! All manuals are available on downloadable archives HERE. You will get the pass with 5 EUR donation. If you have new service manuals, send them my way to be shared with the fellow owners!   
Contact