НАЗАД

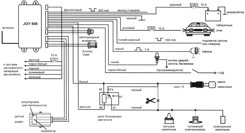
JOY

908

Схема подключения

JOY 908 - схема подключения
20.12.1999