НАЗАД

HAUER

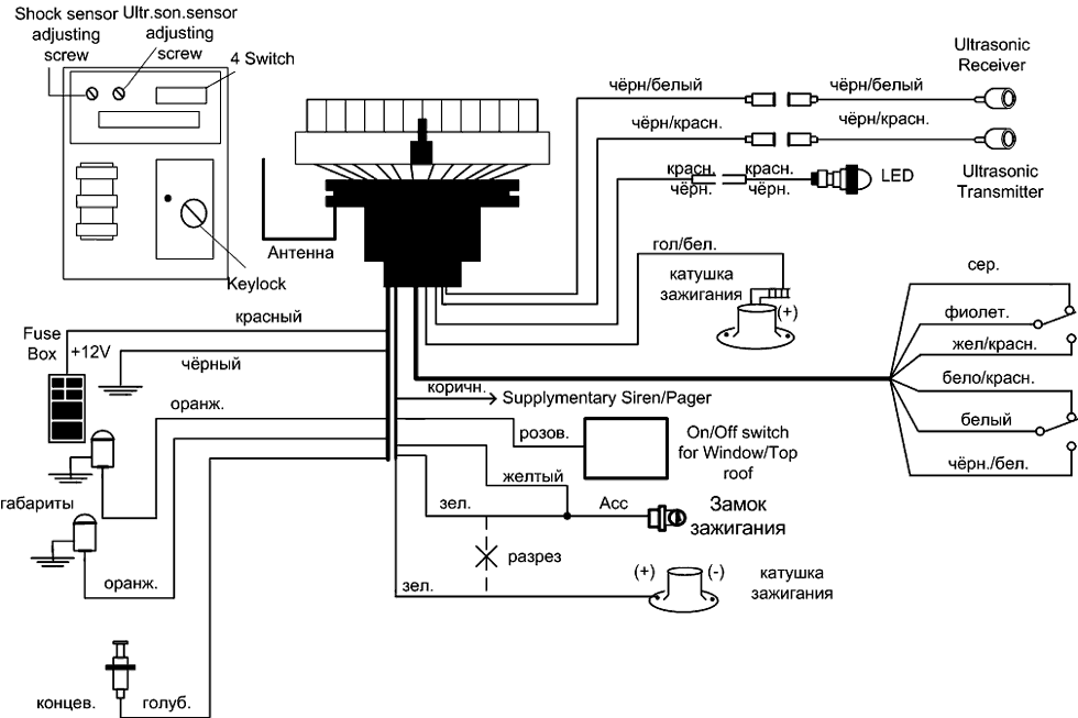
RS-9300

Схема подключения

Схема подключения
26.02.2002