GUARD
RF-40
РУКОВОДСТВО ПОЛЬЗОВАТЕЛЯ
Противоугонная система GUARD RF-40 предназначена для охраны путем блокировки электрических цепей с использованием радиореле. В состав системы входят:
- Радиореле HOOK-UP типа R1 (с нормально разомкнутыми контактами) - управляемое по радио электронное устройство, собранное в корпусе стандартного автомобильного реле;
- Радиобрелок с динамическим кодом.
ТЕХНИЧЕСКИЕ ХАРАКТЕРИСТИКИ
- Рабочая частота . . . . . . . . . . . . . . . . . . . . . . . . . . . . 433,92 МГц
- Напряжение питания реле . . 10,5 - 15 В (любой полярности)
- Ток потребления реле. . .. .. . . .. .. . . . .. .. . . .. . 5,5 / 85 мА
- Максимальный коммутируемый ток реле . . . . . . . . . . . . . 20 А
- Рабочий диапазон температур реле. . . . . . минус 40 - +85 °С
- Число вариантов кода радиобрелока ... . . . . ... . . . . 2 x 1019
- Количество радиобрелоков в системе . . . . . . . . . . . . . . . 1 - 4
Максимальное расстояние взаимодействия между радиобрелоком и радиореле (в открытом пространстве при отсутствии радиопомех) - 15 метров.
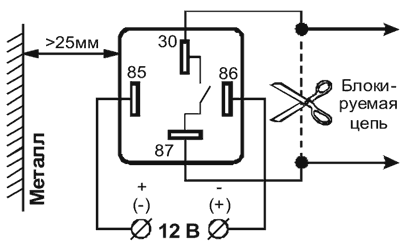
СХЕМА ПОДКЛЮЧЕНИЯ
Расстояние от стенки радиореле (со стороны вывода 85) до металлической поверхности должно быть не менее 25 мм.
ПОЛЬЗОВАНИЕ СИСТЕМОЙ
В системе допускается использование радиобрелоков различных охранных систем разработки фирмы "Геолинк-Электроникс". На чертеже приведено расположение кнопок для основных конструктивов используемых радиобрелоков.
Порядок работы
- При подключении напряжения питания (12 В любой полярности) к выводам 85, 86 радиореле контакты реле (выводы 30, 87 радиореле) будут разомкнуты, а потребляемый ток составит около 5,5 мА.
- При нажатии на кнопку 2 радиобрелока контакты реле замыкаются, а потребляемый радиореле ток будет равен примерно 85 мА.
- При нажатии на кнопку 1 радиобрелока контакты реле размыкаются.
- При кратковременном (до 5 секунд) пропадании напряжения питания радиореле помнит свое включенное радиобрелоком состояние.
Если в течение 5 секунд после размыкания контактов реле (по команде радиобрелока) произойдет кратковременное пропадание напряжения питания, то контакты реле вернутся в замкнутое состояние.
При выборе блокируемой цепи необходимо иметь в виду, что блокировка во время движения автомобиля не должна приводить к снижению управляемости автомобиля и, как следствие, к созданию аварийных ситуаций.
Обучение радиореле новому радиобрелоку
При введении в состав системы новых радиобрелоков (или при утере какого-либо радиобрелока) необходимо провести процесс обучения радиореле новому комплекту радиобрелоков.
Непосредственно перед обучением следует собрать все радиобрелоки, которые предполагается использовать в составе системы, и отключить напряжение питания радиореле.
При обучении в память радиореле можно записать до 4 радиобрелоков. Если радиобрелоков меньше, необходимо заполнить память радиореле, записав один из радиобрелоков несколько раз. Это необходимо для уверенности в том, что в память радиореле не записаны чужие радиобрелоки.
Для обучения необходимо произвести следующие действия:
Поднести любой радиобрелок вплотную к поверхности радиореле со стороны вывода 85
- Нажать и удерживать кнопку 1 или 2 радиобрелока.
- При нажатой кнопке радиобрелока включить питание радиореле
- Отпустить нажатую кнопку радиобрелока и кратковременно нажать на нее 2-3 раза. Реле должно щелкнуть один раз. Это означает, что в память радиореле записан первый радиобрелок.
- Поднести второй радиобрелок к радиореле и кратковременно нажать 2-3 раза кнопку 1 или 2 радиобрелока. Реле должно щелкнуть два раза. Это означает, что в память радиореле записан второй радиобрелок.
- Аналогично записать в память радиореле третий и четвертый радиобрелоки. При записи третьего радиобрелока реле должно щелкнуть три раза, а при записи четвертого радиобрелока - четыре раза
- После записи четвертого радиобрелока радиореле переходит в рабочий режим.
Перерывы между записями радиобрелоков не должны превышать 3 секунды. В противном случае радиореле переходит в рабочий режим, сохраняя в памяти "новые" радиобрелоки и часть "старых", которые были до входа в режим обучения
Замена батареи в радиобрелоке
Неработоспособность радиобрелока может быть следствием разряда его батареи.
Для замены батареи;
- Отверните винт крепления и снимите нижнюю половину корпуса радиобрелока.
- Не вынимая плату, замените батарею на новую с соблюдением полярности.
- Установите нижнюю половину корпуса и заверните винт крепления.
Не удерживайте кнопки радиобрелока в нажатом состоянии длительное время для предотвращения преждевременного разряда батареи.
15.11.2001