Блок управления системы устанавливается скрытно в салоне автомобиля.
Каждый выход системы представляет собой открытый коллектор транзистора, ток нагрузки не более 0,35 А.
Антенна приемника (отрезок провода, выходящий из блока) располагается как можно выше и как можно дальше от металлических частей. Подключать антенну никуда не нужно.
Индикатор и кнопка Valet устанавливаются на приборной панели в местах, обеспечивающих удобство пользования.
Индикатор и кнопка Valet могут не устанавливаться, при этом некоторые функции системы будут недоступны.

| № | Описание |
| 1 | Выход питания датчика +12 В |
| 2 | Шина 0 В ("масса") |
| 3 | Вход тревожного уровня активен при замыкании на шину 0 В |
| 4 | Вход предупредительного уровня активен при замыкании на шину 0 В |
При выборе блокируемой цепи и алгоритма блокировки необходимо иметь в виду, что блокировка во время движения автомобиля не должна приводить к снижению управляемости автомобиля и, как следствие, к созданию аварийных ситуаций. Геолинк-Электроникс не несет ответственности при несоблюдении данного требования.
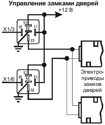
Не рекомендуется использовать штатные реле автомобиля!
Не допускается замыкание выходов системы на шину + 12 В!
Не допускается использование в качестве нагрузки выходов системы более одного реле!
Не используйте колодки реле с защитными диодами !





