Антенна приемника сигналов брелока представляет собой отрезок провода длиной около 17 см, выходящий из блока управления. Расправьте антенну на полную длину и расположите ее так, чтобы она не была экранирована.
Установите индикатор системы на приборной панели в месте, обеспечивающем необходимый обзор.
Установите кнопку VALET на приборной панели в месте, обеспечивающем удобство пользования.
Установку датчика объема или внешнего датчика удара произведите согласно инструкции по установке на соответствующее устройство.
Произведите подключение блока управления в соответствии со схемой (предварительно вынув предохранители из держателей).

Система RF-311 позволяет управлять дверными замками различных типов и с разной длительностью управляющего сигнала. Ниже приведена схема выходных цепей управления дверными замками.

Двухуровневый датчик объема или датчик удара подключается к разъему ХЗ блока управления. Функциональное назначение контактов разъема ХЗ блока управления (нумерация слева направо).
Сигнальные входы рассчитаны на низкий активный уровень (например, открытый коллектор n-p-n).
Таймерные каналы (№1 и №2) могут использоваться для управления различными устройствами. Выбор варианта использования таймерных каналов определяется наличием на автомобиле соответствующего оборудования.
Во время активности таймерного канала, на его выходе присутствует нулевой уровень напряжения. В пассивном состоянии таймерного канала его выход отключен.
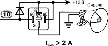
Для включения звуковой сигнализации необходимо использовать дополнительное реле, если ток, потребляемый сиреной, превышает в импульсе 2 А.

Дополнительное реле можно не использовать, если ток, потребляемый сиреной, не превышает в импульсе 2 А.

Выходы блокировки 16 и 17 представляют собой "сухие" контакты реле с допустимым током до 9 А. Их можно использовать как для штатной блокировки электрических цепей автомобиля, так и для работы с дистанционно управляемыми реле HOOK AS или HOOK DS. В случае, если дистанционно управляемые реле не используются, работа с ними должна быть запрещена при программировании системы (подуровень 5.1). В этом случае схема блокировки (например, зажигания) выглядит следующим образом:

В системе возможно применение дистанционно управляемых реле (HOOK AS или HOOK DS). При этом работа с ними должна быть разрешена при программировании системы (подуровень 5.1). Код дистанционно управляемого реле (две шестнадцатеричные цифры от 0 до F) указывается на его корпусе (HOOK AS) или на разъеме (HOOK DS) и должен быть занесен при программировании (подуровень 5.2) в память системы.
Применение дистанционно управляемого реле обеспечивает высокий уровень защиты автомобиля. Дистанционно управляемые реле включают и отключают блокировку по командам блока управления.
При выборе блокируемой цепи и алгоритма блокировки необходимо иметь в виду, что блокировка во время движения автомобиля не должна приводить к снижению управляемости автомобиля и, как следствие, к созданию аварийных ситуаций. "Геолинк-Электроникс" не несет ответственности при несоблюдении данного требования.
Реле HOOK AS выполнено в конструкции штатного реле, что обеспечивает высокую скрытность установки, а также позволяет устанавливать реле HOOK AS вместо штатного реле автомобиля в подавляющем большинстве случаев.
Реле HOOK DS имеет оригинальную конструкцию и рассчитано на блокировку сигнала датчика Холла в распределителе зажигания 40.3706 (ВАЗ 2108, 2109, 2110 и др.).
При использовании дистанционно управляемого реле HOOK AS вывод 86 реле должен быть подключен к цепи питания (+12 В), а вывод 85 - к блоку управления системы (контакт Х1/16). Допустимо и обратное подключение: вывод 85 реле - к цепи питания (+12 В), а вывод 86 - к блоку управления (контакт Х1/16). При этом питание +12 В должно быть постоянно подключено к дистанционно управляемому реле при включенном зажигании (например, поступать непосредственно от контакта замка зажигания, соединенного с контактом Х1/5 блока управления).
Не допускается подключать реле HOOK AS к цепи, в которой при работе двигателя напряжение +12 В может временно пропадать.
Элемент системы автомобиля, цепь которого блокируется, необходимо подключать к выводу 30 дистанционно управляемого реле.
Ниже приведены примеры схем подключения дистанционно управляемых реле.


Дистанционно управляемые реле HOOK AS рассчитаны на блокировку цепей с током не более 20 А. Для блокировки цепей с большим током необходимо использовать дополнительное реле.

Выход дополнительной блокировки активен (замкнут на 0 В), когда система разрешает работу двигателя.
Если Вы используете этот выход для управления реле блокировки, питание реле необходимо осуществлять от цепей, на которых появляется и присутствует напряжение + 12 В при включении зажигания.

Для подключения световой сигнализации используются нормально разомкнутые контакты реле (18 - "Фонари правого поворота" и 20 - "Фонари левого поворота"). Напряжение "+12 В" поступает на реле по проводу 19 через предохранитель 10 А.
Остальные выходные цепи системы (7 - "Дополнительная блокировка", 9 - "Дистанционное радиооповещение (Таймерный канал №2)", 8 - "Таймерный канал №1", 10 - "Управление сиреной") представляют собой открытые коллекторы транзисторов n-p-n.
Внимание! Не используйте защитные диоды при подключении дополнительного реле к выходам 7, 8, 9 системы.
При поставке система запрограммирована следующим образом.
Первый уровень: записаны коды двух брелоков, входящих в комплект.
Второй уровень: записан секретный код 3/3.
Третий уровень:
подуровень 3.1 - сирена при предупреждении включена;
подуровень 3.2 - сирена при тревоге включена;
подуровень 3.3 - сигнал сирены при тревоге непрерывный;
подуровень 3.4 - длительность сигнала тревоги 15 с.
Четвертый уровень:
подуровень 4.1 - функция иммобилайзера включена;
подуровень 4.2 - функция автопостановки на охрану включена.
Пятый уровень:
подуровень 5.1 - работа с дистанционно управляемыми реле HOOK AS и HOOK DS разрешена;
подуровень 5.2 - код управляющего сигнала HOOK AS и HOOK DS установлен 00.
Шестой уровень:
подуровень 6.1- сигнал таймерного канала №1 при постановке включен;
подуровень 6.2 - сигнал таймерного канала №1 при снятии выключен;
подуровень 6.3 - сигнал таймерного канала №1 по команде брелока включен;
подуровень 6.4 - длительность сигнала таймерного канала №1 1 с.
Седьмой уровень:
подуровень 7.1 - работа с трехзонным пейджером запрещена (канал дистанционного радиооповещения - вывод Х1/9 - переназначен для использования в качестве таймерного канала №2);
подуровень 7.2 - контроль радиоканала пейджера разрешен;
подуровень 7.3 - передача на приемник пейджера предупредительного сообщения разрешена;
подуровень 7.4 - передача на приемник пейджера сообщения о снятии с охраны разрешена;
подуровень 7.5 - передача на приемник пейджера сообщения о постановке на охрану разрешена;
подуровень 7.6 - передача на приемник пейджера тревожного сообщения разрешена;
подуровень 7.7 - сигнал таймерного канала №2 при постановке выключен;
подуровень 7.8 - сигнал таймерного канала №2 при снятии включен;
подуровень 7.9 - длительность сигнала таймерного канала №2 установлена 1 с.
Восьмой уровень:
подуровень 8.1 - длительность импульса управления замком 0,8 с;
подуровень 8.2 - запирание замков при включении зажигания разрешено;
подуровень 8.3 - отпирание замков при выключении зажигания разрешено.
Девятый уровень:
подуровень 9.1 - чувствительность предупредительного уровня датчика удара 200 единиц;
подуровень 9.2 - чувствительность тревожного уровня датчика удара 50 единиц.