НАЗАД

GUARD

GT-24

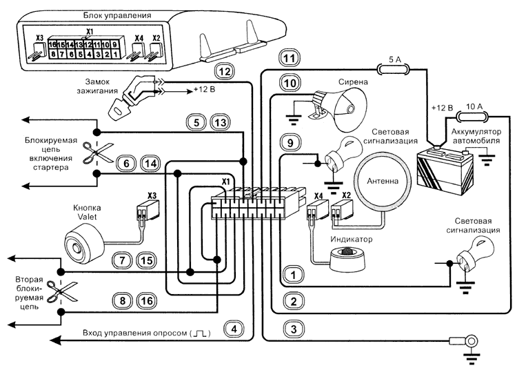
Схема подключения системы GUARD GT-24

Схема подключения системы GUARD GT-24
19.11.2000