
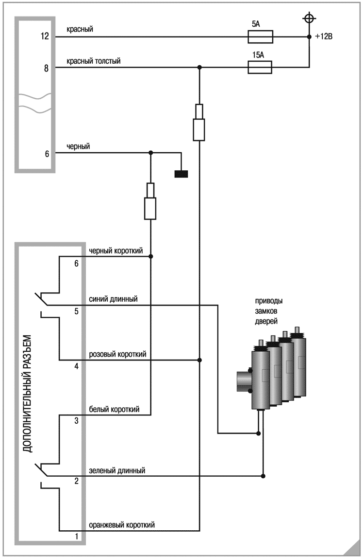
Приведенные ниже схемы и назначения проводов соответствуют заводской настройке системы и могут быть изменены при компьютерном программировании.
№12, красный с предохранителем на 5А. - Питание +12В базового блока системы. Подсоединяется к плюсовой клемме аккумулятора.
№6, черный - Общий провод, подсоединяется к кузову автомобиля или минусовой клемме аккумулятора.
№8, красный толстый с предохранителем на 15А. - Питание выходов на указатели поворота и приводы замков. Подсоединяется к плюсовой клемме аккумулятора.
№5, зеленый с серым, спидометр - Назначение этого входа программируется при помощи компьютера.
№4, белый, двери - Двери считаются открытыми, если провод замкнут на массу.
№2, зеленый, багажник - Багажник считается открытым, если провод замкнут на массу.
№3, фиолетовый, зажигание - Зажигание считается включенным, если провод замкнут на +12В.
Выходы системы защищены от короткого замыкания и перегрузки. Если при подключении нагрузки ток по выходу превышает максимально допустимый, система отключает выход до следующей постановки в охрану.
№10, желтый, блокировка - Система замыкает выход на "массу", если при включенном зажигании работа двигателя разрешена2. Максимальный ток 0,7А.
№7, серый, правые указатели поворота - Система замыкает выход на +12В для включения указателя поворота. Выход релейный, максимальный ток 15А ограничен предохранителем на проводе №8.
№1, коричневый,пейджер - Система замыкает выход на +12В при подаче команды на пейджер. Максимальный ток 1,5А.
№11, салатовый, замок багажника - Система замыкает выход на "массу" на 0,8 секунды для открытия замка багажника. Максимальный ток 0,7А.
№9, серый с черным, левые указатели поворота - Система замыкает выход на +12В для включения указателя поворота. Выход релейный, максимальный ток 15А ограничен предохранителем на проводе №8.
Ha этот разъем выведены свободные группы контактов реле управления центральным замком. Вы можете получить сигналы произвольной полярности.
№1, оранжевый короткий - Нормально разомкнутый контакт реле.
№2, зеленый длинный - Средний контакт реле.
№3, белый короткий - Нормально замкнутый контакт реле.
№4, розовый короткий - Нормально разомкнутый контакт реле.
№5, синий длинный - Средний контакт реле.
№6, черный короткий - Нормально замкнутый контакт реле.
Микроволновый датчик и датчик удара подключаются к любому из двух разъемов датчиков на базовом блоке.
Светодиод системы и кнопка ввода ПИН-кода подключаются к соответствующим разъемам.



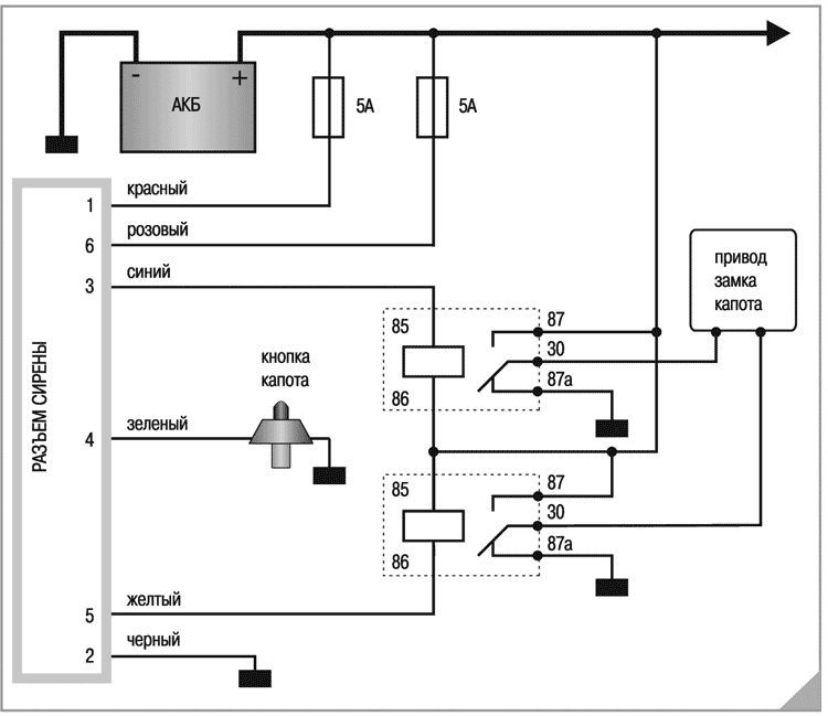
№1, Красный, с предохранителем 5А - Основное питание сирены +12В.
№2, черный - общий провод, "масса".
№3, синий - Выход на открытие замка капота. Система замкнет этот провод на "массу" на 0,8 секунды при снятии с охраны, если ранее замок капота был закрыт. Максимальный ток 0,7А.
№4, зеленый - Вход кнопки капота. Капот считается открытым, если провод замкнут на "массу".
№5, желтый - Вход на закрытие замка капота. Система замкнет этот провод на "массу" на 0,8 секунды при постановке на охрану, если капот закрыт и зажигание выключено. Максимальный ток 0,7А.
№6, розовый, с предохранителем 5А - Дополнительное питание сирены +12В. При исчезновении основного или дополнительного питания сирены система перейдет в режим тревога.

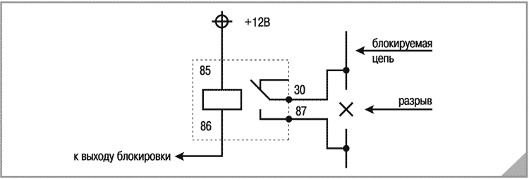
При пассивной блокировке (заводская установка) разрываемая цепь подключается к нормально разомкнутым контактам реле. Блокировка снимается (контакты реле замыкаются, восстанавливая разорванную цепь) при включении зажигания в режиме снято с охраны.

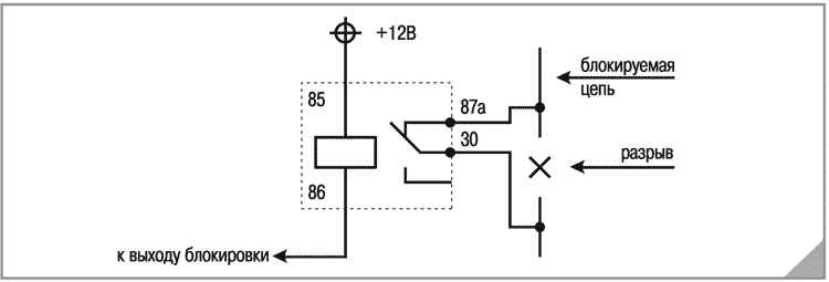
При активной блокировке разрываемая цепь подключается к нормально замкнутым контактам реле. Двигатель блокируется (контакты реле размыкаются, разрывая цепь) при включении зажигания в режиме тревога.
Примечание: при активной блокировке удаление или обесточивание базового блока системы позволяет завести двигатель.
Американский центральный замок - такое подключение приводов дверей, при котором во время снятия с охраны отпирается только дверь водителя а затем, по желанию владельца, остальные двери. Приводы дверей пассажиров подключаются по приведенным ниже схемам, дверь водителя - как обычно. В стандартной конфигурации отдельный выход для управления таким замком не предусмотрен. Тем не менее, реализовать такое отпирание возможно, дополнив систему сервисным реле американского замка.

Подключение электрического замка багажника позволяет отпирать багажник, не пользуясь ключами, по команде с брелка. Если автомобиль не имеет электропривода замка багажника, его придется установить дополнительно.
Подключение стеклоподъемников позволяет закрывать стекла автомобиля при постановке на охрану.
Если в автомобиле есть функция "комфорт", то, обычно, удерживание ключа в повернутом состоянии при запирании дверей (или повторное запирание) приводит к закрытию стекол. В этом случае никаких дополнительных подключений не требуется. Установите длительность импульса на запирание дверей достаточной для поднятия стекол.
Стеклоподъемники имеют автоматический режим. Подсоедините сервисное реле стеклоподъемников2, имитирующее нажатие клавиши автоматического закрытия стекол.

Автоматического режима нет. Потребуется блок управления стеклоподъемниками, обеспечивающий отключение их двигателей при достижении крайних положений.
Если требуется обеспечить режим турбо-таймера, подключите сервисное реле SRI в соответствии с этой схемой.

Турбо-таймер (т.е. реле поддержки зажигания) включается на 30 секунд, если перевести АКПП в положение ПАРК (вытянуть "ручник") при работающем двигателе. Для работы турбо-таймера необходимо, чтобы один из входов системы был подключен к "ручнику" или датчику положения ПАРК. Вам потребуется переназначить, например, вход "капот" на этот датчик при помощи компьютерного программы. Концевой выключатель капота при этом подключается паралельно концевому выключателю багажника.
Для управления дополнительными устройствами можно использовать сервисные реле. Ниже приведены сервисные реле, для работы с которыми система настроена при изготовлении:
Основные, наиболее часто используемые параметры системы можно настроить при помощи брелка. Это чувствительность датчиков, длительность импульсов, главные параметры дистанционного запуска, подключение дополнительных микроиммобилайзеров и брелков, основные пользовательские функции.
Дополнительные настройки, позволяющие адаптировать систему к той или иной модели автомобиля, доступны при компьютерном программировании.
Таблица номеров функций приведена ниже. Откройте ее и отметьте те функции, которые Вы собираетесь установить.
Шаг первый. Начало программирования
Начать программирование можно только в течение первых 25 секунд после включения зажигания, в режиме снято с охраны. Для этого нажмите кнопку 1 брелка и удерживайте ее до звукового сигнала. Светодиод часто мигает, показывая готовность системы к программированию.
Брелок: включите зажигание, нажмите и удерживайте кнопку 1 до звукового сигнала.
Светодиод часто мигает, показывая готовность системы к программированию.
Шаг второй. Выбор функции
Номер функции состоит из двух цифр. Нажимая кнопку 1 брелка нужное количество раз, Вы вводите первую цифру. Для ввода второй цифры нажимайте кнопку 2. Каждое нажатие на кнопку сопровождается коротким сигналом сирены и вспышкой светодиода. Система "поймет", что Вы закончили ввод номера, если Вы не нажимаете кнопку 2 в течение двух секунд.
После этого система подтвердит ввод световым сигналом, светодиод покажет номер выбранной функции. Количество длинных вспышек показывает первую цифру, количество коротких - вторую.
Брелок: нажимайте кнопку 1 для ввода первой цифры, кнопку 2 - для ввода второй.
Пример: Вы хотите выбрать функцию 14 (тип тревоги). Для этого нажмите 1 раз на кнопку 1, затем 4 раза на кнопку 2 Через две секунды светодиод будет мигать следующим образом: одна длинная вспышка, четыре коротких.
Важно: нажимая кнопки, не делайте перерывов больше, чем на две секунды, иначе система решит, что Вы закончили ввод.
Примечание: Если Вы определили по светодиоду, что ввели не тот номер, который собирались, повторите ввод номера.
Шаг третий. Переход к выбору состояния
Брелок: нажмите кнопку 3.
Система подтвердит переход световым сигналом. Светодиод теперь показывает текущее состояние функции.
Пример: одиночные вспышки светодиода показывают, что функция тип тревоги находится в состоянии "полная тревога".
Защищенные функции.
Важно: функции, отмеченные знаком !!, защищены от случайного изменения. Номер такой функции (шаги 2 и 3) необходимо ввести дважды. После первого ввода Вы услышите сигнал сирены, а светодиод будет часто мигать. Повторите ввод номера функции (шаги 2 и 3).
Пример: Вы хотите выбрать защищенную функцию 36 (тип блокировки). Для этого нажмите 3 раза на кнопку 1, затем 6 раз на кнопку 2 Нажмите кнопку 3. Вы услышите сигнал сирены, светодиод будет часто мигать. Повторите ввод номера: нажмите 3 раза на кнопку 1, затем 6 раз на кнопку 2. Через две секунды светодиод будет мигать следующим образом: три длинных вспышки, шесть коротких. Нажмите кнопку 3 для перехода к выбору состояния функции.
Шаг четвертый. Выбор состояния функции
Посмотрите еще раз на таблицу. Разные функции имеют различное число состояний. Например, два состояния: тихая постановка (есть, нет); три состояния: тип тревоги (полная, тихая, скрытая) и так далее. Вот часть таблицы функций:
| Функция | Ее номер | Состояние |
|---|---|---|
| Тип тревоги | 14 | 1 - полная 2 - тихая 3 - скрытая |
Брелок: нажмите кнопку 2 для выбора следующего состояния функции, кнопку 1 для - выбора предыдущего.
Пример: Вы хотите установить функцию тип тревоги в состояние 3 "скрытая". Нажмите кнопку 2 брелка, состояние сменится на "тихая". Нажмите кнопку 2 еще раз, чтобы установить функцию тип тревоги в состояние "скрытая". Светодиод будет мигать сериями из трех коротких вспышек.
Шаг пятый. Следующая функция?
Можно перейти к вводу номера следующей функции, которую Вы хотите установить. Для этого:
Брелок: нажмите кнопку 3 для перехода к шагу 2 (ввод номера функции).
Если Вы уже установили все функции, которые хотели, заканчивайте программирование.
Шаг шестой. Окончание программирования
Закончить программирование Вы можете на любом шаге. При этом сохраняются сделанные Вами изменения, и система возвращается в режим снято с охраны.
Брелок: нажмите одновременно кнопки 2 и 3 для сохранения изменений и выхода из программирования.
Если Вы не нажимаете кнопки брелка более минуты, система выйдет из программирования, не сохраняя изменения.

| Функция | № | Состояние |
|---|---|---|
| Тихая постановка | 11 | 1 - нет 2-есть |
| Иммобилайзер | 12 | 1 - нет 2 -есть |
| Защита от захвата | 13 | 1 - нет 2-есть |
| Тип тревоги | 14 | 1 - полная 2 - тихая 3 - скрытая |
| Автоснятие | 15 | 1 - нет 2 - по метке 3 - по метке и датчику |
| Автопостановка | 16 | 1 - нет 2 - по датчикам 3 - по метке |
| Время задержки автопостановки | 41 | 1 - 10 секунд 2 - 30 секунд 3 - 2 минуты 4 - 5 минут |
| Запирание дверей при автопостановке | 17 | 1 - нет 2 -есть |
| Запирание дверей при включении зажигания | 18 | 1 - нет 2-есть |
| Запирание дверей при движении | 19 | 1 - нет 2 -есть |
| Контроль канала пейджера | 31 | 1 - нет 2-есть |
| Громкость сирены | 32 | 1 - тихо 2 - средне 3 - средне 4 - громко |
| Мелодия тревоги | 33 | от 1 до 15 |
| Голосовые сообщения | 34 | 1 - нет 2-есть |
| Настройка на подсветку и тип блокировки | ||
| !! Подсветка салона | 35 | 1 - нет 2 -есть |
| !! Тип блокировки | 36 | 1 - пассивная 2 - активная |
| Длительность импульсов | ||
| !! Время на отпирание дверей | 42 | 1 - 0,8 секунды 2 - 1,2 секунды 3 - 5 секунд |
| !! Время на запирание дверей | 43 | 1 - 0,8 секунды 2 - 1,2 секунды 3 - 5 секунд 4 - 10 секунд 5 - 15 секунд 6 - 20 секунд 7 - 25 секунд 8 - 30 секунд |
| !! Время на стеклоподъемники | 44 | 1 - 0,8 секунды 2 - 1,2 секунды 3 - 5 секунд 4 - 10 секунд 5 - 15 секунд 6 - 20 секунд 7 - 25 секунд 8 - 30 секунд |
| Чувствительность датчиков | ||
| Датчик удара, зона предупреждения | 21 | от 1 до 16-ти |
| Датчик удара, зона тревоги | 22 | от 1 до 16-ти |
| Микроволновый датчик, зона предупреждения | 23 | от 1 до 16-ти |
| Микроволновый датчик, зона тревоги | 24 | от 1 до 16-ти |
| ПИН-код | ||
| Первое число ПИН-кода | 55 | от 1 до 15-ти |
| Второе число ПИН-кода | 56 | от 1 до 15-ти |
| Время работы двигателя | 63 | 1 - 5 минут 2 - 10 минут 3 - 15 минут 4 - 20 минут 5 - 25 минут 6 - 30 минут |
| !! Турбо-таймер | 64 | 1 - нет 2 -есть |
| !! Время охлаждения турбины | 65 | 1 - 30 секунд 2 - 1 минута 3 - 1,5 минуты 4 - 2 минуты 5 - 2,5 минуты 6 - 3 минуты 7 - 4 минуты 8 - 5 минут |
| Просмотр информации | ||
|---|---|---|
| Функция | № | Состояние |
| Тревоги | 71 | от 1 до 4 |
| Перегрузки | 72 | от 1 до 4 |
| Неисправные датчики | 73 | от 1 до 4 |
| Диагностика запуска | 74 | от 1 до 4 |
| Версия ПО системы | 75 | |
| Количество брелоков | 76 | |
Примечание: жирным отмечены заводские настройки.
Эти функции предназначены только для просмотра информации, их нельзя изменить. Система хранит диагностическую информацию для четырех групп: причины тревог, перегрузки выходов, неисправные или отключенные при постановке на охрану датчики, диагностика дистанционного запуска или включения поддержки зажигания. В каждой группе запоминаются до четырех событий.
Пример: Посмотрим причины тревог. Выберите функцию 71, выполнив шаги 1-3. Светодиод покажет причину последней тревоги. Посмотреть причины предыдущих тревог можно, нажимая кнопку 2 брелка. Далее можно нажать кнопку3 для перехода к выбору другой функции или кнопки 2+3 одновременно для завершения сеанса программирования.
Пример: Посмотрим номер версии программы базового блока системы. Выберите функцию 75, выполнив шаги 1-3. Светодиод покажет номер версии, длинными вспышками -первую цифру (может отсутствовать), короткими - вторую.
Пример: Посмотрим количество брелков, подключенных к системе. Выберите функцию 76, выполнив шаги 1-3. Светодиод длинными вспышками покажет количество меток Magic Label, короткими - количество брелков.
Установка этой функции отменяет звуковые сигналы при постановке на охрану и при снятии с охраны. Отмена не касается сигналов оповещения о неисправном датчике (при постановке) или случившейся тревоге (при снятии).
Команды постановки без звуковых сигналов при установке этой функции меняют свое действие на противоположное.
При "полной" тревоге мигают указатели поворота, звучит сирена, горит светодиод, работает пейджер. В "тихой" тревоге сирена не включается.
Если Вы установили тип тревоги "скрытая", поведение системы несколько изменится: через 30 секунд после постановки в охрану перестанет мигать светодиод. В тревоге не включаются сирена и указатели поворотов, светодиод не горит. Сигналы оповещения передаются только на пейджер. Система как бы "скрывает" свое присутствие в автомобиле.
Состояние "по метке". Система снимается с охраны, получив сигнал присутствия от метки. Метка передает эти сигналы каждые две-три секунды.
Состояние "по метке и датчику". В этом случае система, получая от метки сигнал присутствия, увеличивает внешнюю зону микроволнового датчика (зону предупреждения) и снимается с охраны, если Вы подходите к автомобилю достаточно близко (около метра). Тонировка стекол автомобиля затрудняет использование этого режима, значительно уменьшая чувствительность микроволнового датчика за пределами автомобиля.
После закрытия дверей, капота и багажника при выключенном зажигании система в течение заданного времени проверяет, выполняются ли условия автопостановки. Если условия выполняются, система самостоятельно переходит в охрану. При нарушении условий автопостановка откладывается.
Состояние "нет". Автопостановка запрещена. Перепостановка (возврат в режим охраны, если не открывались двери, капот и багажник, и не включалось зажигание) происходит всегда.
Состояние "по датчикам". Автопостановка происходит, если интеллектуальные датчики системы не "обнаруживают" владельца.
Состояние "по метке". Автопостановка происходит, если сигналы метки отсутствуют и не срабатывает микроволновый датчик.
Автопостановка при включенной поддержке зажигания. Если работает турбо-таймер или поддержка зажигания включена кнопкой ПИН-кода (брелком), то после закрытия двери автопостановка разрешается.
По истечении этого времени происходит автопостановка, если выполняются приведенные выше условия.
Разрешает запирание замков дверей при автопостановке.
Если после закрытия дверей прошло больше трех секунд, то при включении зажигания система запрет дверные замки (опустит "кнопки"), при выключении - отопрет (если прошло не менее пяти секунд после запирания).
Система запрет дверные замки, когда Вы начинаете поездку, если это не было сделано ранее, например, при включении зажигания.
Это произойдет при наборе определенной скорости (если при компьютерном программировании один из входов назначен как вход спидометра) или при повышении оборотов (если "ручник" отпущен и селектор АКПП не находится в положении ПАРК).
Разрешает системе раз в минуту посылать на пейджер команду проверки канала связи. Если приемник пейджера не получает команду более двух минут, он оповещает о потере связи с системой.
Эта функция устанавливает громкость сигналов постановки на охрану, снятия с охраны и голосовых сообщений. Громкость сигналов тревоги всегда остается максимальной.
Примечание: нажмите одновременно кнопки 1 и 2 брелка, чтобы оценить громкость при установке состояния функции
Выбор мелодии сигнала тревоги.
Примечание: нажмите одновременно кнопки 1 и 2 брелка, чтобы прослушать мелодию при установке состояния функции
Разрешает системе сообщать голосом о причине тревоги (при снятии с охраны) или при неисправном датчике (при постановке).
При постановке на охрану система не будет опрашивать состояние кнопок дверей до прекращения работы подсветки (но не более 40 сек). Это позволяет подключить вход дверей к лампе освещения салона.
Примечание: Примечание: такое подключение затрудняет использование функции "автопостановка по метке". Рекомендуется подключение к кнопкам дверей (в некоторых случаях потребуется диодная развязка).
Выбор пассивного (используются нормально разомкнутые контакты реле) или активного (используются нормально замкнутые контакты) способа блокировки.
Это время используется при отпирании дверей, а также при запирании дверей: в поездке и при включении зажигания.
Это время используется для запирания дверей при постановке на охрану. При наличии в автомобиле встроенной системы поднятия стекол и/или люка, установите время, достаточное для закрытия стекол или люка.
Длительность импульса на стеклоподъемники при постановке на охрану.
Состояние "механическая". Для того чтобы обеспечить нейтральное положение КПП, необходимо включить поддержку зажигания перед постановкой на охрану.
Состояние "автоматическая". Требуется подключение к датчику положения ПАРК АКПП.
Двигатель работает в течение этого времени при дистанционном запуске и в режиме охраны с работающим двигателем без ключа в замке зажигания.
Состояние "нет". Турбо-таймер отсутствует.
Состояние "есть". Турбо-таймер включается при переводе АКПП в положение ПАРК (вытягивании "ручника") при работающем двигателе. Если есть подключение к тахометру, система определяет необходимость включения турбо-таймера по оборотам двигателя. Если нет подключения к тахометру, время охлаждения турбины отсчитывается от момента включения турбо-таймера.
Установите первое (функция 55) и второе (функция 56) числа ПИН-кода. Запомните установленный ПИН-код.
Датчики системы (датчик удара и микроволновый) имеют по две зоны - зону предупреждения и зону тревоги. Диапазон чувствительности по каждой зоне разбит на 16 уровней. Наименьшей чувствительности ("выключено") соответствует уровень 1, наибольшей -уровень 16. При изготовлении системы чувствительность всех зон установлена на минимум.
Во время настройки при срабатывании зоны предупреждения Вы услышите сигнал сирены. Если при настройке зоны предупреждения срабатывает зона тревоги, система "мигнет" указателями поворота.
Датчик удара. Установите такой уровень чувствительности, при котором при несильном ударе по кузову автомобиля раздается сигнал сирены, но отсутствует сигнал указателями поворота.
Микроволновый датчик. Установите такой уровень чувствительности, при котором сигналы сирены раздаются при движении в направлении стекол, но отсутствуют, если пройти вдоль автомобиля. Сигналов указателями поворота (срабатывания зоны тревоги) быть не должно.
При настройке зон тревоги система игнорирует срабатывание датчиков по зонам предупреждения. Срабатывание зоны тревоги система покажет световым сигналом (указателями поворота).
Датчик удара. Световой сигнал должен быть при достаточно сильном ударе по автомобилю, например по колесу или по крышке багажника.
Микроволновый датчик. Световой сигнал должен быть при открытии двери и проникновении в салон автомобиля.
Как это работает. При интенсивном срабатывании зоны предупреждения датчики временно уменьшают свою чувствительность на один уровень. При этом датчики продолжают оценивать срабатывание зоны предупреждения и на предыдущем, до уменьшения, уровне. Если срабатывание не прекращается, следует дальнейшее уменьшение чувствительности. Если срабатывания нет ни на текущем, ни на предыдущем уровне, чувствительность повышается, вплоть до первоначального значения. Система автоматической коррекции чувствительности отключена в течение первой минуты после постановки на охрану и при настройке чувствительности датчиков.
Входящий в комплект системы микроиммобилайзер готов к работе и не требует обучения. Дополнительные, новые микроиммобилайзеры или сервисные реле обучаются автоматически при первом включении. Тем не менее, есть возможность переобучить беспроводные реле. Это может потребоваться, например, при смене базового блока системы или при переустановке беспроводного реле на другой автомобиль.
| Функция | № |
|---|---|
| !! Обучение беспроводных реле | 51 |
Переобучение беспроводных реле проводится при программировании системы специальным обучающим брелком. Начните сеанс программирования и введите номер функции (шаги 2 и 3 выполнить дважды1). Нажмите кнопку 2 обучающего брелка. Система пошлет команду обучения для беспроводных реле. Обучаемое реле несколько раз коротко замкнет/разомкнет контакты.
Примечание: на все беспроводные реле, которые необходимо обучить, к этому времени должно быть подано питание.
После этого можно закончить сеанс программирования, нажав кнопки 2 и 3 обычного брелка одновременно, или перейти к вводу номера другой функции, нажав кнопку 3.
Входящая в комплект сирена готова к работе и не требует обучения. Переобучение сирены потребуется при смене базового блока системы или самой сирены. Для этого используются две функции программирования: №51, чтобы сирена могла управлять выходами и №52, чтобы система могла получать информацию о состоянии кнопки капота.
| Функция | № |
|---|---|
| !! Обучение сирены Magic Voice | 52 |
Начните сеанс программирования и введите номер функции (шаги 2 и 3 выполнить дважды). Нажмите кнопку 2 брелка. Если обучение прошло успешно, система подаст световой сигнал и одиночные вспышки светодиода сменятся двойными. После этого можно закончить сеанс программирования, нажав кнопки 2 и 3 брелка одновременно, или перейти к другим фунциям, нажав кнопку 3.
Обучение скорости потребуется, если при компьютерном программировании система настроена для измерения сигналов спидометра. При обучении система запоминает скорость автомобиля. Это значение используется для работы функции защиты от захвата и для закрытия замков дверей при движении автомобиля. Обучение можно проводить на движущемся автомобиле (с помощником) или на подъемнике (домкрате).
| Функция | № |
|---|---|
| !! Обучение скорости автомобиля | 54 |
Заведите двигатель, начните сеанс программирования и введите номер функции (шаги 2 и 3 выполнить дважды). При достижении желаемой скорости нажмите кнопку 2 брелка, чтобы начать обучение.
Примечание: нет ограничения времени, в течение которого система ожидает начала обучения (нажатия кнопки 2). В этом состоянии система будет находиться вплоть до выключения зажигания.
По окончании обучения система завершит сеанс программирования и перейдет в режим снято с охраны. Если обучение закончилось неудачно, Вы услышите три сигнала сирены, светодиод покажет код события "Нет сигналов спидометра".
Обучение потребуется, если один из брелков системы утерян или испорчен, или если пользователю недостаточно брелков, входящих в комплект системы. Система способна работать с тремя брелками и тремя метками.
Важно: в течение одного сеанса система должна быть обучена всем имеющимся брелкам и меткам. Все прочие брелки и метки стираются из памяти системы.
Обучение проводится в режиме снято с охраны, при выключенном зажигании. Чтобы начать сеанс обучения, необходимо знать ПИН-код системы. Метки, которым Вы хотите обучить систему, должны быть выключены перед началом обучения.
Шаг 1. Нажмите кнопку ввода ПИН-кода. Система начнет постановку на охрану, светодиод будет часто мигать.
Шаг 2. Включите зажигание, введите первое число ПИН-кода.
Шаг 3. Выключите и вновь включите зажигание.
Шаг 4. Введите второе число ПИН-кода, после чего выключите зажигание.
Вы услышите шесть сигналов сирены, светодиод погаснет. Система начнет сеанс обучения брелкам.
Шаг 5. Нажмите все три кнопки обучаемого брелка одновременно. Светодиод системы должен загореться непрерывно.
Нажмите дважды на кнопку 1 обучаемого брелка. При успешном обучении система мигнет указателями поворота. Светодиод сериями вспышек покажет текущее количество брелков.
Повторите шаг 5 для всех брелков, которым Вы хотите обучить систему.
Перед обучением метка должна быть выключена.
Шаг 6. Нажмите и удерживайте кнопку метки. Вы услышите мелодию включения, затем, после паузы, короткий звуковой сигнал. Отпустите кнопку метки, когда светодиод системы загорится непрерывно.
Дважды пошлите команду №1. При успешном обучении система мигнет указателями поворота. Светодиод сериями вспышек покажет текущее количество меток (длинные вспышки) и брелков (короткие вспышки).
Повторите шаг 6 для всех меток, которым Вы хотите обучить систему.
Примечание: если обучение брелку или метке прошло с ошибками, то вместо сигнала указателями поворота Вы услышите: один сигнал сирены - при помехах во время обучения или при обучении неподходящему брелку (метке), например, от предыдущих моделей Excellent; три сигнала сирены - если обучаемый брелок уже записан в память системы
Сеанс обучения закончится автоматически через двадцать секунд после того, как Вы обучили систему последнему брелку или метке. Чтобы закончить сеанс раньше, включите зажигание. По окончании сеанса обучения система переходит в режим снято с охраны.
Передаваемые в эфир команды метки защищены от перехвата системой синхронизации: базовый блок ожидает от метки "нужный код в нужное время". При обычном выключении метки система синхронизации продолжает работать, не передавая команды в эфир. Если Вы отключаете аккумулятор автомобиля или демонтируете базовый блок системы более чем на десять дней, необходимо "полностью" выключить метку, остановив работу системы синхронизации.
Для этого на включенной метке нажмите и удерживайте кнопку. После восьми сигналов Вы услышите мелодию выключения, затем, после паузы, два коротких сигнала и повторную мелодию. Отпустите кнопку - метка выключена полностью. Включается метка как обычно.
Мы рекомендуем использовать программу Magic Tuner для настройки всех функций системы, за исключением функций обучения, ввода ПИН-кода и точной подстройки датчиков "по месту". Подробное описание всех функций и настроек можно найти в справочной системе программы или в Интернете, на странице технической поддержки. Программа Magic Tuner позволяет установить различные временные параметры (длительности импульсов, время автопостановки и т.д.), назначить алгоритмы работы входов и выходов системы.
"Беспроводные" реле - это микропроцессорные устройства для коммутации электрических цепей. Они подключаются к "массе" автомобиля и к цепи +12В. "Плюс" может быть как постоянным, так и появляющимся при включении зажигания. Подключения к базовому блоку системы не требуется. Команды управления такие реле получают от базового блока системы по штатным проводам автомобиля при помощи высокочастотного сигнала с переменным кодом. Существует два типа таких реле.
Микроиммобилайзеры. Применяются для блокировки двигателя автомобиля. Если при установке системы при помощи микроиммобилайзеров планируется блокировать несколько цепей, можно приобрести дополнительные микроиммобилайзеры.
Сервисные реле. Предназначены для управления различными устройствами (приводы замков, сирена, и т.д.).
И микроиммобилайзеры, и сервисные реле могут получать команды только того базового блока, которому они обучены. Обучение происходит при получении ими первой команды включения (микроиммобилайзеры - при включении зажигания, сервисные реле - по команде включения соответствующего устройства). Переобучение их другому базовому блоку возможно с помощью специального обучающего брелка.
Входящий в комплект системы микроиммобилайзер обучен при изготовлении системы. Команды включения/выключения микроиммобилайзеров обычно передаются синхронно с включением/выключением выхода базового блока на блокировку. Кроме микроиммобилайзера в стандартном исполнении можно приобрести его модификации. Модификация MRS допускает переобучение другому базовому блоку только в специальном адаптере. Модификация MRU имеет измененный алгоритм работы. Такие микроиммобилайзеры подключаются к цепи "появляющегося плюса". Если команда разрешения работы двигателя не поступает от базового блока в течение 10-15 секунд после включения зажигания (например, в тревоге или при отсутствии самого блока), микроиммобилайзер разрывает цепь, подключенную к его нормально замкнутым контактам. Бескорпусная модификация MRM предназначена для монтажа, например, в жгуты электропроводки и имеет уменьшенные габариты и ток коммутации. Ниже приведена схема подключения микроиммобилайзера при пассивной блокировке.

Если количество устройств, которыми Вы собираетесь управлять при помощи системы, больше предусмотренного, систему можно дополнить различными сервисными реле, настроив ее для работы с ними при помощи программы Magic Tuner.

Предназначено для управления электроприводом замка капота в системах без сирены Magic Voice. Длительность импульсов можно изменить с помощью программы Magic Tuner. Команда закрытия замка капота подается при постановке в охрану, если выключено зажигание и капот закрыт. Команда открытия замка капота подается при снятии с охраны, если ранее замок капота был закрыт.

Предназначено для управления электрическим замком багажника. Длительность импульса программируется с помощью программы Magic Tuner. Команда открытия багажника подается с брелка или метки.

Предназначено для управления модулем стеклоподъемников. Система подает команду закрытия стекол при постановке на охрану, после закрытия замков дверей.

Предназначено для включения поддержки зажигания, если нет необходимости в дистанционном запуске, например, для обеспечения режима турбо-таймера.

Предназначено для управления приводами замков дверей пассажиров при подключении американского центрального замка. Приводы дверей пассажиров подключается по приведенной схеме, дверь водителя - как обычно.

Предназначено для управления обычной сиреной в системах, не имеющих сирены Magic Voice.

Предназначено для управления приводами замков дверей. Питание +12В приводов замков должно подключаться через предохранитель.

Предназначено для управления указателями поворота. Питание +12В на указатели должно подключаться через предохранитель.

| Микроиммобилайзер | MR |
| Микроиммобилайзер с запретом обучения | MRS |
| Микроиммобилайзер с автоматическим выключением | MRU |
| Микроиммобилайзер с запретом обучения и автоматическим выключением | MRSU |
| Бескорпусный микроиммобилайзер | MRM |
| Реле американского замка | SRA |
| Реле стеклоподъемников | SRW |
| Реле багажника | SRT |
| Реле поддержки зажигания | SRI |
| Реле сирены | SRS |
| Реле капота (двухканальное) | SRH |
| Реле приводов замков дверей (двухканальное) | SRD |
| Реле указателей поворота (двухканальное) | SRL |
Светодиод показывает диагностический код сериями вспышек. Длинные (0,8 секунды) вспышки соответствую первому числу кода, короткие (0,1 секунды) - второму. После паузы код повторяется. Диагностика тревог и перегрузок показывается при снятии с охраны (4 или 3 сигнала сирены), неисправных датчиков - при постановке, диагностика системы дистанционного запуска - при включении поддержки зажигания и собственно при запуске.
| Код | Событие |
|---|---|
| 11 | тревога при открытии двери |
| 12 | тревога при открытии багажника |
| 13 | тревога при открытии капота |
| 14 | тревога при проникновении в салон (микроволновый датчик) |
| 15 | тревога при ударе по автомобилю (датчик удара) |
| 16 | тревога при включении зажигания |
| 17 | тревога после пропадания питания системы |
| 18 | тревога при пропадании питания сирены |
| 19 | тревога при повышении оборотов двигателя при запуске |
| 21 | открыта дверь при постановке в охрану |
| 22 | открыт багажник при постановке в охрану |
| 23 | открыт капот при постановке в охрану |
| 24 | сработала зона тревоги микроволнового датчика при постановке |
| 25 | сработала зона тревоги датчика удара при постановке |
| 26 | включено зажигание при постановке |
| 27 | отсутствует питание сирены при постановке |
| 28 | нет радиосвязи между сиреной и базовым блоком |
| 29 | короткое замыкание линии датчиков |
| 31 | селектор АКПП не в положении ПАРК или не вытянут "ручник" |
| 34 | перегрузка выходов при включении поддержки/стартера |
| 35 | нет выходов системы на поддержку/стартер |
| 37 | не включена поддержка зажигания при постановке |
| 39 | автомобиль движется при включенной поддержке зажигания |
| 41 | перегрузка выхода на сирену |
| 42 | перегрузка выхода на пейджер |
| 43 | перегрузка выхода на замок багажника |
| 44 | перегрузка выхода на блокировку 1 |
| 45 | перегрузка выхода на реле поддержки зажигания |
| 47 | перегрузка выхода на стеклоподъемники |
| 48 | перегрузка выхода на блокировку 2 |
| 49 | перегрузка выхода на питание датчиков |
| 50 | перегрузка выхода на закрытие замков дверей |
| 51 | перегрузка выхода на открытие замков дверей |
| 52 | перегрузка выхода на открытие дверей пассажиров |
| 53 | перегрузка выхода на закрытие замка капота |
| 54 | перегрузка выхода на открытие замка капота |
| 55 | перегрузка выхода на левый борт |
| 56 | перегрузка выхода на правый борт |
| 57 | перегрузка выхода на программу 1 |
| 58 | перегрузка выхода на программу 2 |
| 59 | неисправность системы защиты от перегрузок |
| 60 | перегрузка выхода на программу 3 |
| 61 | тревога по селектору АКПП или "ручнику" |
| 62 | тревога при движении автомобиля во время запуска |
| 63 | ошибка энергонезависимой памяти системы |
| 64 | отсутствует микроволновый датчик при постановке |
| 65 | отсутствует датчик удара при постановке |
| 66 | разряжена батарейка брелка |
| 67 | нет сигналов спидометра |
| 68 | перегрузка выхода на программу 4 |
| 69 | перегрузка выхода на программу 5 |
| Напряжение питания | 9...18В |
| Ток потребления, в режиме охраны | 14 мА |
| Сопротивление по входам дверей, капота и багажника | 2к0м |
| Сопротивление по входам датчиков | 68...120кОм |
| Габаритные размеры | 129x84x33 мм |
| Температурный диапазон | -40...+80°С |
| Напряжение питания (батарейка А23) | 12В |
| Ток потребления, в режиме передачи | 7мА |
| Система кодирования | Keeloq |
| Габаритные размеры | 46x37x12 мм |
| Температурный диапазон | 0...+40°С |
| Напряжение питания (батарейка CR2430) | 3В |
| Ток потребления в режиме автоматической передачи кода | 30мкА |
| Система кодирования | Keeloq |
| Ток потребления в режиме передачи команды | 5мА |
| Габаритные размеры | 57x39x13 мм |
| Температурный диапазон | 0...+40°С |
| Напряжение питания | 7,5... 18 В |
| Ток потребления в покое, не более | 2,8 мА |
| Габаритные размеры | 49x39x23 мм |
| Тип чувствительного элемента | магнитоэлектрический |
| Температурный диапазон | -40...+80 ?С |
| Напряжение питания | 7,5... 18 В |
| Ток потребления в покое, не более | 2,8 мА |
| Габаритные размеры | 83x56x15 мм |
| Температурный диапазон | -40...+80°С |
| Напряжение питания | 7,5... 18 В |
| Ток потребления в покое, не более | 2,8 мА |
| Габаритные размеры | 83x56x15 мм |
| Температурный диапазон | -40...+80°С |
| Напряжение питания | 7,5... 18 В |
| Ток потребления в покое, не более | 4мА |
| Максимальный ток выходов | 0,7 А |
| Габаритные размеры | 115x105x80 мм |
| Температурный диапазон | -40...+80 °С |
| Напряжение питания | 7,5... 18 В |
| Ток потребления в покое, не более | 4мА |
| Ток коммутации (кроме MRM) | 15А |
| Ток коммутации реле MRM | 0,5 А |
| Габаритные размеры | 44x32x32 мм |
| Температурный диапазон | -40...+80 °С |