НАЗАД

DINNO

AM375-DV

Руководство пользователя

Дистанционное управление

Кнопка Функция Состояние перед командой
1 Включает сигнал и закрывает двери
Звуковой и визуальный "Поиск"
Прекращает звуковой аларм
Закрывает двери
Сигнализация выключена
Сигнализация включена
Сигнализация в режиме аларма
Зажигание включено
2 Выключает сигнал и открыв. двери
Открывает двери
Прекращает звуковой аларм
Выключает автоблокировку
Сигнализация включена
Зажигание включено
Сигнализация в режиме аларма
Включена блокировка
3 Тихо включает сигнализацию
Только визуальный "Поиск"
Антикарджакинг
Сигнализация выключена
Сигнализация включена
Зажигание включено
1+2 Режим паники В любой момент
2+3 Открывает капот, окна и друг. Сигнализация выключена

Примечание: Сигнализация управляется плавающим кодом.

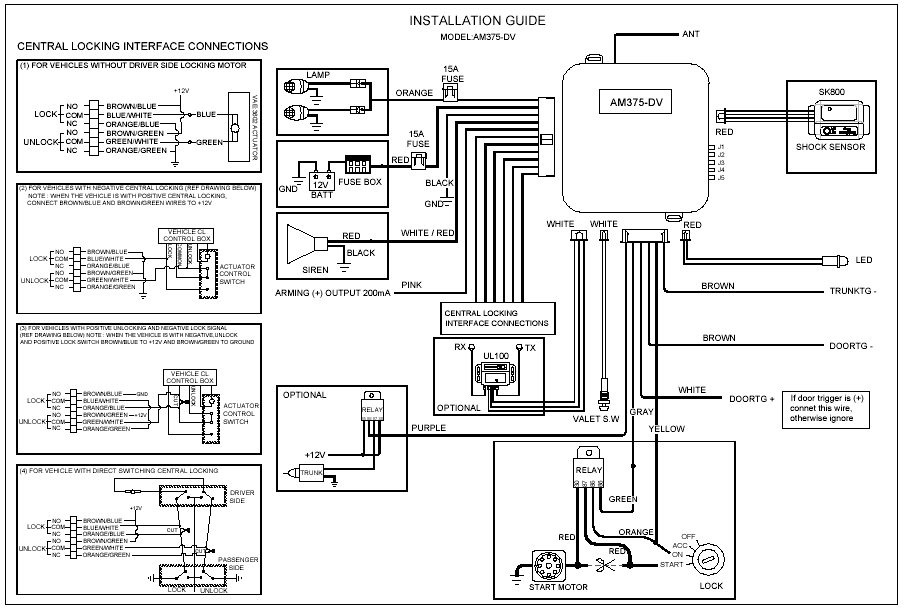
Рис. 1

Программирование новых пультов

  1. При включенном зажигании, в течение 8 секунд, 10 раз нажмите тайную кнопку. Как подтверждение перехода в режим программирования, сирена квикнет 3 раза. После этого, в течение 8 секунд , нажмите одну из кнопок пультов которые хотите запрограммировать.
  2. При программировании новых пультов, старые пульты забываются. Поэтому при, переходе в режим программирования, надо запрограммировать (максимально 3) все используемые пульты дистанционного управления.

Включение сигнализации

  1. Нажмите 1 кнопку.
  2. Сирена квикнет один раз. В тихом режиме сирена не квикнет.
  3. Габариты мигнут один раз.
  4. Двери закроются (импульс: 0.5 или 3.5 сек., выбирается перемычкой).
  5. LED индикатор начнет медленно мигать.
  6. После 3 секунд сигнализация перейдёт в режим охраны. Если в это время сработает один из входов (например, плохо закрытые двери), сигнализация, при переходе в режим охраны вас предупредит двумя сигналами сирены и автоматически отключает этот вход. Если датчик вернется в нормальный режим охраны (например, закроете двери которые были открыты), спустя 2 сек. вход будет разблокирован и сможет вызвать аларм.

Выключение сигнализации

  1. Нажмите 2 кнопку.
  2. Сирена квикнет 3 раза. Если сирена квикнет 4 раза, это значит что сигнализация была в режиме аларма. (Если выключаете сигнализацию в тихом режиме, сирена не квикнет).
  3. Габариты мигнут 3 раза. Если габариты мигнут 4 раза, это значит что сигнализация была в режиме аларма.
  4. Двери откроются (импульс: 0.5 или 3.5 сек., выбирается перемычкой).
  5. Выключается блокировка зажигания мотора (если подключено реле блокировки).
  6. Если выбран режим автоматического включения сигнализации, LED индикатор начнет быстро мигать и, если не войдёте в автомобиль в течение 30 сек. (не сработает ни один вход), сигнализация автоматически перейдёт в режим охраны.

Включение сигнализации в тихом режиме

  1. Нажмите 3 кнопку.
  2. Габариты мигнут один раз.
  3. Двери закроются (импульс: 0.5 или 3.5 сек., выбирается перемычкой).
  4. LED индикатор начнет медленно мигать.
  5. После 3 секунд сигнализация перейдет в режим охраны. Если в это время сработает один из входов (например, плохо закрытые двери), сигнализация, переходя в режим охраны автоматически отключает этот вход.
  6. Если сигнализация включена в тихом режиме, то при срабатывании ударного датчика, об аларме предупредят мигающие габариты и аларм будет тихим. Если сработает другой датчик, об аларме предупредит и сирена, и мигающие габариты.

Аварийное отключение

  1. В режиме охраны, откройте дверь (это вызовет аларм) и включите зажигание.
  2. В течение 8 сек., 10 раз нажмите тайную кнопку (после последнего нажатия оставьте включено зажигание и подождите несколько секунд). Как подтверждение о выходе из режима охраны, сирена квикнет 4 раза.

Автоматическая блокировка

  1. После выключение зажигания, если Вы открыли и закрыли двери, и если не включили сигнализацию, то после 3 мин. включается блокировка.
  2. Чтобы выйти из блокировки нажмите 2 кнопку и LED индикатор погаснет.

Аварийное отключение автоматической блокировки

При включенном зажигании в течение 8 сек. 5 раз нажмите тайную кнопку. Сирена квикнет 4 раза.

Автоматическое открытие дверей

Когда выключите зажигание, двери откроются автоматически.

Режим паники

  1. Нажмите 1 и 2 кнопки вместе, сирена будет квикать а габариты мигать 30 сек.
  2. Нажатие 1 или 2 кнопки прерывает режим паники.

Поиск автомобиля

  1. Сигнализация в режиме охраны.
  2. Нажмите 1 кнопку: сирена квикнет 1 раз а габариты мигнут 10 раз.
  3. Нажмите 3 кнопку (тихий поиск автомобиля) габариты мигнут 10 раз (сирена не квикнет).
  4. Чтобы прервать режим поиска нажмите 2 кнопку.

Антикарджакинг (см. установление перемычки J5)

  1. При включенном зажигании и закрытых дверях, нажмите 3 кнопку и в течение 8 сек. откройте двери.
  2. После открытия и закрытия дверей начинается 30 сек. отсчет.
  3. После 30 сек., сирена будет квикать каждые 2 сек., а после 20 сек. будет квикать постоянно. После этого начнут мигать габариты и заглохнет мотор. После отключения зажигания, перестанет квикать сирена и мигать габариты, но при включение зажигания аларм будет продолжен.
  4. Отключение антикарджакинга: при включенном зажигании, нажмите и держите 3 кнопку 2 сек. Как подтверждение отключения, габариты мигнут 1 раз.

Ударный датчик

  1. Чувствительность ударного датчика регулируется.
  2. При получении слабого удара сирена квикнет 5 раз а габариты мигнут один раз.
  3. При получении сильного удара сирена будет квикать а габариты мигать 30 секунд.
  4. При тихом включении будут мигать только габариты.

Открывание капота, окон и др.

При выключенной сигнализации, чтобы открыть капот, окна и др., вместе нажмите кнопки 2 и 3 (нужен дополнительный блок управления).

Управление замком дверей

  1. На ходу: если хотите закрыть двери, нажмите 1 кнопку. Дверь закроются (импульс: 0.5 или 3.5 сек., выбирается перемычкой).
  2. Чтобы открыть двери нажмите 2 кнопку. Двери откроются (импульс: 0.5 или 3.5 сек., выбирается перемычкой).

Автоматическое включение сигнализации

После выключения сигнализации, если Вы, в течении 30 секунд не откроете дверей, сигнализация автоматически включается.

Память статуса сигнализации

Если отключите а потом подключите питание сигнализации, она выдержит статус, который был прежде.

Датчик падения напряжения (см. установление перемычки J1)

При падении напряжения (освещение салона, включение зажигания) включится аларм.

Отключение плохо работающего датчика в момент включения (с предупреждением)

После включения сигнализации через 3 секунды она перейдёт в режим охраны. Если в это время сработает один из входов (например, плохо закрытые двери), сигнализация, переходя в режим охраны вас предупредит двумя сигналами сирены и автоматически отключает этот вход. Если датчик вернется в нормальный режим охраны (например, закроете дверь которая была открыта), спустя 2 сек. он будет разблокирован и сможет вызвать аларм.

Незакрытые двери при включении зажигания (см. установление перемычки J4)

При включении зажигания если плохо закрытые двери, габариты будут мигать 1 минуту.

ВЫБОР ФУНКЦИЙ

С помощью пяти перемычек (J1~J5) можно выбрать функцию из следующей таблицы:

Обязательно: выбирайте функции при отключенном питании.

Рис. 2

Визуальная индикация сигнализации (LED индикатор):

  1. При включенной сигнализации, индикатор медленно мигает (1 раз в секунду).
  2. При включенной сигнализации, при аларме, индикатор мигает быстро.
  3. При автоблокировке, индикатор каждые 3 сек. мигнет 0.5 доли секунды.
Рис. 1
27.09.2004