COMMANDER - удобная автомобильная охранная система, обладающая полным набором функций и безопасным динамическим кодом. Система предназначена для охраны престижных автомобилей высокого класса.
Коротко нажмите кнопку М брелка. Фары автомобиля один раз мигнут, будет слышен короткий сигнал сирены, а светодиод, находящийся на приборном щитке начнет мерцать короткими вспышками с длинными промежутками. Охрана включена.
Коротко нажмите кнопку М брелка. Фары автомобиля два раза мигнут, будет слышен двойной, короткий сигнал сирены, а светодиод, находящийся на приборном щитке перестанет мерцать. Охрана выключена.
После выключения охраны, в течение 2 сек, повторно нажмите кнопку М брелка. Если в автомобиле есть центральный замок - он отопрется.
При желании, во время установки COMMANDER можно подключить так, чтобы отпирание центрального замка совпадало с выключением охраны.
Нажмите и держите кнопку М брелка, в течение 1 сек. Фары автомобиля один раз мигнут, а светодиод, находящийся на приборном щитке начнет мерцать короткими вспышками с длительными промежутками. Охрана включена.
Нажмите и держите кнопку М брелка, в течение 1 сек. Фары автомобиля два раза мигнут, а светодиод, находящийся на приборном щитке перестанет мерцать. Охрана выключена.
Нажмите и держите нажатой кнопку М брелка. Сначала фары мигнут один раз, а через 2 сек. начнут светиться. В это время отпустите кнопку М брелка. Охрана включится, но система не будет реагировать на сигнал "предупреждения" от датчика. Такой способ включения охраны наиболее удобен, оставляя автомобиль в оживленном месте, если в Вашем автомобиле установлен двухуровневый микроволновый датчик или шок сенсор.
Нажмите и держите нажатой кнопку М брелка. Сначала фары мигнут один раз, а через 2 сек. начнут светиться, и еще через 2 сек. будет слышен короткий сигнал сирены, в это время отпустите кнопку М брелка. Охрана включится, и будет контролировать датчики дверей, капота и багажника, но не будет реагировать на вибрацию кузова или движение в салоне автомобиля.
Система перейдет в режим тревоги и включит сирену, если, находясь в режиме охраны, будет открыта дверь, капот, багажник или сработает датчик вибрации кузова. Нажмите кнопку М брелка, и сирена выключится, хотя охрана по-прежнему останется включенной. Если срабатывание системы было вызвано вибрацией кузова, то система не будет реагировать на датчик вибрации кузова до следующего включения охраны.
Если дверцы автомобиля закрыты, а двигатель заведен, нажатие кнопки М запрет дверцы, а повторное нажатие этой же кнопки - отопрет их. Оставляя в машине малолетних детей одних, или прогревая двигатель автомобиля, эта функция особенно удобна.
При желании, во время установки, COMMANDER можно подключить так, чтобы замыкание центрального замка не зависело оттого, открыты дверцы автомобиля или нет.
Водитель автомобиля будет себя чувствовать безопаснее, если при включении зажигания будут автоматически запираться дверцы автомобиля. Для включения (выключения) этой функции необходимо: выключить охрану и выключить зажигание; одновременно нажать кнопку М брелка и держать нажатыми примерно 5 сек. до короткого сигнала сирены. (Если дверцы не закрыты, то запирание может не сработать, в зависимости от варианта установки).
Нажмите кнопку I брелка, и система проинформирует Вас о своем состоянии. Если охрана включена - то фары автомобиля мигнут один раз, если охрана выключена - два раза.
Нажмите кнопку I брелка, и держите нажатой. Мигнут фары автомобиля, а через 2 сек, включится сирена. Эта функция удобна, во время поиска автомобиля на большой стоянке или предупреждая любопытных интересующихся автомобилем.
При желании, во время установки COMMANDER можно подключить так, чтобы при нажатии кнопки I отпирался замок капота или багажника.
Несмотря на то, что в комплект COMMANDER входит 2 брелка, при необходимости этой охранной системой могут управлять до 5 брелков. COMMANDER полностью защищен от несанкционированного программирования брелков. так как дополнительные брелки можно запрограммировать только при установке системы. Проверить, какое количество брелков запрограммировано можно так:
Если у Вас есть 2 управляющих системой брелка и количество мерцаний после нажатия I кнопки так же равно 2, то можете быть уверены, что владеете всеми управляющими системой брелками.
Как дополнительное средство для системы COMMANDER можно выбрать функции "внутреннего иммобилайзера" или "защиту от открытого грабежа". "Внутренний иммобилайзер" не позволит завести двигатель, даже если хозяин автомобиля, забудет включить охрану. "Защита от открытого грабежа" по истечению заданного времени, заблокирует работу двигателя, если секретный выключатель не был нажат. Пользоваться функцией "защита от открытого грабежа" можно только в тех странах, где она разрешена.
Если включена функция "внутреннего иммобилайзера", то каждый раз после выключения зажигания, и по истечению Времени Включения Иммобилайзера (далее "ВВИ") находящийся на приборном щитке светодиод, будет мерцать длинными вспышками с короткими промежутками, а завести двигатель будет можно только, перед этим нажав секретный выключатель или кнопку I брелка.
При желании, во время установки COMMANDER, "внутренний иммобилайзер" можно подключить так, чтобы он выключался при помощи скрытого выключателя, в этом случае после выключения охраны "внутренний иммобилайзер" включится сразу же, а после выключения зажигания включится по истечению "ВВИ".
Если "внутренний иммобилайзер" создает неудобства, при желании можно отключить (подключить) эту функцию. Для этого нужно: выключить охрану, выключить "внутренний иммобилайзер": завести двигатель: одновременно нажать кнопки М и I , и держать нажатыми около 5 сек., пока послышится короткий сигнал сирены.
При желании, во время установки COMMANDER можно подключить так, чтобы "внутренний иммобилайзер" не выключался при помощи брелка. Например, фирмам, арендующим автомобили такой вариант установки особенно удобен.
Если "защита от открытого грабежа" активизирована, то каждый раз, заведя двигатель или открыв дверцы при заведенном двигателе, водитель должен нажать скрытую кнопку (один, два или три раза в зависимости от установки охранной системы). В противном случав по истечению Времени Включения Защиты От Открытого Грабежа (далее "ВВЗООГ") включится сирена и начнут мигать фары.
Нажав в этот момент скрытую кнопку, через 2 секунды выключится сигнализирование и вы Сможете ехать дальше (выключить сигнализирование при помощи брелка нельзя). Если же вы не нажмете скрытую кнопку, по истечению еще 15 сек. двигатель автомобиля заблокируется и охрана автоматически включится. Разблокировать двигатель можно будет, только нажав секретную кнопку!
Все переключения, связанные с "защитой от открытого грабежа" подтверждаются мерцанием светодиода, находящегося на приборном щитке автомобиля.
Если конструкция багажника автомобиля позволяет, то систему можно установить так, что бы при нажатии кнопки (G) автоматически открывался багажник автомобиля. Если во время открытия багажника включена охрана, то система не будет реагировать на открытие багажника и на - датчик движения, причем дверцы и зажигание автомобиля по-прежнему будут охраняться. После закрытия багажника, система вновь вернется в нормальный режим охраны.
В экстренных случаях (потеря брелка, ремонт автомобиля) COMMANDER можно переключить в сервисный режим (далее "СР"). В "СР" система не реагирует на датчики, не блокирует двигатель, сирена не включается, а находящийся на приборном щитке светодиод мерцает характерными короткими и частыми вспышками. "СР" включается при помощи специального скрытого провода (если он установлен) или PIN кода. Включить "СР" можно, соединив специальный скрытый провод с "массой" автомобиля не менее чем на 30 сек. Для удобства, во время установки специальный скрытый провод можно подключить к выключателю. Конкретный способ включения "СР" указывается в Сводке Установок Системы.
Включив охрану, откройте дверцы, вспомните PIN код и включите зажигание. Через некоторое время светодиод, находящийся на приборном щитке автомобиля, начнет мерцать. Считайте мерцания светодиода, и когда их число совпадет с первой цифрой PIN кода, ненадолго выключите, а потом включите зажигание. После чего светодиод будет мерцать двойными сигналами, считайте мерцания до совпадения их со второй цифрой PIN кода, после чего вновь выключите и включите зажигание. Таким же способом введите третью и четвертую цифры PIN кода. При допущении ошибки выключите зажигание, дождитесь мерцаний светодиода, вновь включите зажигание и начните вводить PIN код. Если PIN код введен правильно, то светодиод на приборном щитке будет часто мерцать короткими вспышками.
Производитель каждой системе охраны COMMANDER вводит одинаковый PIN код (1234). Поэтому владелец автомобиля после установки системы обязан его сменить. Заменить PIN код можно так:
Для того чтобы отдать автомобиль в ремонт, необходимо:
Если в вашем автомобиле присутствуют автоматические стеклоподъемники и/или автоматически закрываемый люк, то во время установки систему можно подключить так, чтобы во время включения охраны автоматически закрывались окна и/или люк автомобиля.
Если управление воротами вашего гаража, дверьми общего пользования или какая-либо другая техника совместима с системами CODEperfect, то управлять ею вы можете так же при помощи брелка системы охраны COMMANDER. Например, нажав кнопку G брелка, вы закроете/откроете двери гаража. А кнопка I в то же время будет управлять въездными воротами.
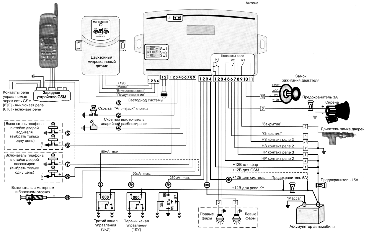
COMMANDER так же может регулировать чувствительность дополнительно приобретенного микроволнового датчика "МВЕЗ". Датчик обладает двумя зонами срабатывания - внешней и внутренней. Обнаружив движение во внешней зоне, система включает сигнал "предупреждения". При обнаружении движения во внутренней зоне включается сирена, и начинают мигать фары автомобиля.
Регулирование чувствительности внешней зоны:
Регулирование чувствительности внутренней зоны:
Охрана включится автоматически, если после ее выключения в течение 25 сек не были открыты двери автомобиля или заведен двигатель. Система двери не запирает!
Сирена подаст дополнительный тройной сигнал, если во время включения охраны будут не закрыты дверцы, багажник или капот автомобиля. Запрутся ли дверцы автомобиля, зависит от варианта установки охранной системы.
При выключении охраны фары мигают четыре раза, если при включенной охране срабатывала система.
Элемент питания брелка рекомендуется менять каждые 12 месяцев. Подходят все элементы типа 23А 12V. Хотя конструкция корпуса брелка и предотвращает попадание воды внутрь брелка, но погружать брелок в воду запрещается.
Практически со всеми охранными системами можно использовать двухуровневый микроволновый датчик "МВЕЗ". Он обнаруживает движение в автомобиле или рядом с ним. Получив сигнал от "МВЕЗ" о движении рядом с автомобилем, система включает сигнал "предупреждения". При сигнале о движении внутри автомобиля система включает сирену.
У некоторых охранных систем семейства "CODEperfect" есть возможность дополнительного подключения приставки телефонной связи "PLUS - GSM". Приставка в случае включения сирены, звонит на указанные телефонные номера (максимум 3 номера) и передает сообщение о включении сирены и о причине вызвавшей включение. В свою очередь, позвонив на номер приставки "PLUS - GSM" вы сможете получить информацию о состоянии системы, а так же изменить установки, включить/выключить какое-нибудь дополнительное устройство.
Это устройство - универсально. С его помощью можно, как управлять автоматически управляемыми дверьми и механизмам ворот, так открывая автоматические замки, так и использовать для управления другими механизмами. При установке "GVK5" можно выбрать удобную вам кнопку для управления этим механизмом, поэтому, установив несколько модулей "GVK5" одна кнопка брелка сможет управлять, например въездными воротами, а другая дверьми гаража. Одновременно управлять устройством "GVK5" могут 200 брелков, такая возможность, а так же возможность легкого программирования брелоков делает "GVK5" удобным для его использования в местах общего пользования (в многоквартирных домах).
Предназначена для охраны помещений. К этой системе можно подключить до 5 датчиков. Если какой - нибудь из этих датчиков сработает, то система позвонит на указанные телефонные номера и оповестит о возможной опасности. Наличие автономного питания и связь "GSM", которой не нужен легко повредимый телефонный кабель, обеспечивают надежность системы. А также система удобна тем, что ею можно управлять, позвонив с любого телефонного аппарата с тоновым режимом набора, или при помощи брелка, который уже управляет охранной системой автомобиля и открытием дверей вашего гаража.
