CLIFFORD
NOVA 200LE
Инструкция по установке
Стандартные функции системы
- Гарантия 36 месяцев ( условия гарантии смотрите в гарантийном талоне ).
- Два 3-кнопочных 6-канальных пульта дистанционного управления . Входящие в комплект системы
высококачественные и удобные 3-кнопочные пульты дистанционного управления позволяют управлять
6-ю различными функциями системы , включая , например , дистанционное открывание багажника .
- Технология защиты цифровых кодов от перехвата (Anti-CodeGrabbing). Каждый раз , когда
владелец автомобиля ставит свою систему на охрану или снимает ее с охраны , угонщик , имеющий в своем
распоряжении аппаратуру перехватывания электронного кода (Code Grabber), может мгновенно считать
и записать цифровые коды , передаваемые устройствами дистанционного управления . После того , как
владелец автомобиля уйдет , злоумышленник сможет воспроизвести перехваченный код для того ,
чтобы снять систему с охраны и отпереть двери автомобиля . Пульты дистанционного управления многих
охранных систем беззащитны перед такой аппаратурой перехватывания кода , потому что передают
один и тот же код каждый раз . Пульты дистанционного управления системы Nova 200LE обладают
технологией защиты цифровых кодов от перехвата (Anti-CodeGrabbing), позволяющей менять коды в
случайном порядке при каждом их использовании . Это делает бесполезным использование аппаратуры
перехватывания электронного кода , если на автомобиле установлена система Nova 200LE.
- Возможность программирования дополнительных пультов дистанционного управления в
память системы . В любой момент пользователь может запрограммировать до четырех разных пультов
дистанционного управления в память системы . Если пульт дистанционного управления потерян или
украден , владелец может всего лишь с помощью одной операции стереть его код из памяти системы .
- Функция предотвращения электронного сканирования (ESP). Многие угонщики автомобилей также
используют электронные сканеры , которые быстро один за другим передают коды пультов
дистанционного управления , чтобы отключить охранную систему автомобиля . Данная функция системы Nova 200LE позволяет предотвратить снятие системы с охраны с помощью внешнего электронного сканера .
- Возможность управления с одного пульта дистанционного управления системами ,
установленными на нескольких автомобилях . Программируемые пользователем 6-канальные пульты
дистанционного управления позволяют пользователю управлять охранными системами , установленными на разных автомобилях , с одного пульта дистанционного управления .
- Функция дистанционного открывания багажника . Второй канал системы позволяет дистанционно
открывать багажник автомобиля .
- Встроенное реле управления габаритными огнями автомобиля . Подключение всего лишь одного
провода системы к цепи габаритных огней автомобиля позволяет обеспечить подачу сигналов
светового подтверждения активной и пассивной постановки системы на охрану , подачу световой сигнализации при срабатывании системы , а также сигналов предупреждения о попытке проникновения в охраняемый системой автомобиль и какой-либо неисправности самой системы .
- Возможность бесшумной постановки системы на охрану и снятия системы с охраны . Данная
функция не требует никакого предварительного программирования . Для бесшумной постановки
системы на охрану и снятия системы с охраны достаточно нажать кнопку
на пульте дистанционного
управления .
- Программируемое пользователем долговременное отключение звуковых сигналов
подтверждения . Несколько переключений тумблера Valet позволяют пользователю запрограммировать
долговременное отключение звуковых сигналов подтверждения . Для подтверждения постановки системы на охрану и снятия системы с охраны будут только мигать габаритные огни автомобиля .
- Возможность быстрого отключения функции пассивной постановки системы на охрану . Для
временного отключения функции пассивной постановки системы на охрану быстро поверните ключ в
замке зажигания в положение " Зажигание " (ON) и затем в положение " Выключено " (OFF) два раза .
Система автоматически вернется в нормальный режим работы при следующей постановке на охрану .
- Программируемое пользователем запирание дверей автомобиля при пассивной постановке
системы на охрану . Система Nova 200LE запрограммирована производителем таким образом , что не
запирает двери автомобиля при пассивной постановке на охрану , чтобы случайно не запереть ключи
внутри автомобиля . Однако , несколько переключений тумблера Valet позволяют пользователю
запрограммировать функцию запирания дверей автомобиля при пассивной постановке системы на охрану .
Обратитесь к разделу " Функции системы , программируемые пользователем " в данном Руководстве .
- Функция автоматического запирания дверей автомобиля при включении зажигания и отпирания
дверей при выключении зажигания . Для обеспечения безопасности водителя и пассажиров данная
система автоматически запирает двери автомобиля при включении зажигания и отпирает их при
выключении зажигания . При необходимости данная функция может быть отключена . Обратитесь к разделу
" Функции системы , программируемые пользователем " в данном Руководстве .
- Двухуровневый датчик удара с регулируемой чувствительностью . Данная система имеет функцию
двухуровневого предупреждения . Когда двухуровневый датчик удара реагирует на небольшое внешнее
воздействие , система подаст только два коротких сигнала сирены в качестве предупреждения . Если же
датчик реагирует на сильное внешнее воздействие , сирена системы включится на 30-секунд .
- Выходы для запирания и отпирания дверей автомобиля с пульта дистанционного управления .
Система Nova 200LE имеет выходы для подключения цепей электрических приводов замков дверей
положительной и отрицательной полярности , а также выход отпирания замков дверей в два этапа с
возможностью программирования положительной или отрицательной полярности выходного сигнала .
- Обеспечение многозоновой защиты автомобиля . Система Nova 200LE имеет различные входы для
подключения концевых выключателей дверей и багажника/капота автомобиля .
- Функция предупреждения о попытке проникновения в охраняемый автомобиль с памятью
сработавшего триггера/датчика . Если за Ваше отсутствие была сделана попытка проникнуть в ваш
автомобиль ( срабатывала сигнализация ), система сообщит Вам об этом при снятии с охраны с пульта
дистанционного управления . Кроме того , система сообщит Вам , какой триггер или датчик при этом
срабатывал .
- Функция предупреждения о неисправности системы с указанием конкретного триггера или
датчика . Если пользователь переключает систему в режим охраны с пульта дистанционного управления ,
когда открыт багажник , капот или какая-либо из дверей автомобиля , или неисправен какой-либо триггер
или датчик системы , система с помощью звуковой и световой индикации известит пользователя о
неисправности . Также будет подаваться световая индикация с указанием конкретного триггера или датчика .
- Блокировка стартера с помощью внешнего реле .
- Дистанционное включение режима " Паника " с автоматическим запиранием или отпиранием
дверей автомобиля , которое основывается на том , включено зажигание автомобиля или нет . В
потенциально опасной ситуации пользователь может включить сирену системы и мигающие габаритные
огни автомобиля с расстояния до 30 метров . Если в момент включения режима " Паника " включено
зажигание автомобиля ( что свидетельствует о том , что Вы уже находитесь в автомобиле ), двери
автомобиля будут автоматически заперты , что помешает злоумышленникам попасть в Ваш автомобиль . Если же зажигание выключено , будут открыты замки дверей , что позволит пользователю немедленно попасть в автомобиль .
- Светодиодный индикатор системы . Яркий светодиодный индикатор , установленный в приборной панели или консоли Вашего автомобиля используется для предупреждения потенциальных злоумышленников , а также обеспечивает подачу световой индикации владельцу о состоянии системы ( система находится на охране , в режиме Valet или снята с охраны ). Также светодиодный индикатор обеспечивает подачу индикации о любом неисправном триггере или датчике и , если система срабатывала , находясь в режиме охраны , укажет на определенный триггер или датчик , вызвавший срабатывание системы .
- Функция памяти состояния системы . Если аккумуляторная батарея автомобиля отключается и затем
снова подключается , охранная система автоматически возвращается в то состояние , в котором она
была перед отключением аккумуляторной батареи ( система находится на охране , система снята с охраны ,
режим Valet). Если механик отключает аккумуляторную батарею , когда система находится в сервисном
режиме Valet, при восстановлении подачи питания система вернется именно в режим Valet. Если
угонщик отключит аккумуляторную батарею , когда система находится в режиме охраны , то при подключении
аккумуляторной батареи система немедленно сработает , включится сирена , замигают габаритные огни
автомобиля и стартер автомобиля будет заблокирован .
Инструменты , необходимые для установки системы
- Вольтметр
- Электрическая дрель и сверла
- Инструмент для зачистки проводов
- Обжимной инструмент для соединения проводов
- Крестообразная отвертка
- Серповидный гаечный ключ
- Паяльный пистолет и припой
- Гофрированная трубка
- Термоусаживающаяся трубка или изоляционная лента
Важная информация
- Не отсоединяйте кабели от аккумуляторной батареи автомобиля !
- Перед тем , как начать установку системы , выключите внутрисалонное освещение автомобиля или
снимите соответствующий предохранитель питания .
- Все цепи электрической проводки автомобиля должны проверяться только с помощью вольтметра .
Никогда не используйте проверочную лампу .
- Все соединения должны выполняться с помощью стыковых соединителей или с помощью пайки с
последующей изоляцией термоусаживающейся трубкой . Никогда не используйте для соединения
проводов простую скрутку . Также не рекомендуется использовать для соединения проводов гайки и
соединители типа Scotchlock.
- Все удлинительные провода должны быть как можно короче . В качестве коротких удлинительных
проводов могут использоваться провода такого же диаметра , что и штатные провода системы . Для более
длинных удлинительных проводов следует выбирать провода большего диаметра .
- Перед установкой системы обязательно обсудите с владельцем автомобиля место установки
светодиодного индикатора и переключателя Valet.
- Никогда не устанавливайте компоненты системы и не прокладывайте провода рядом с
движущимися деталями автомобиля или теми деталями , которые нагреваются до высокой температуры .
- Никогда не устанавливайте датчик системы в отсеке двигателя автомобиля .
- Для обеспечения правильности установки и проверки системы в точности соблюдайте
последовательность установки , приведенную ниже .
Последовательность установки системы
- Пассажирский салон автомобиля .
- Выберите подходящее место для установки блока управления .
- Подключите реле блокировки стартера и провод входа зажигания .
- Установите и подключите светодиодный индикатор системы .
- Установите и подключите переключатель Valet.
- Установите и подключите датчик удара .
- Подключите систему к цепи концевых выключателей дверей и внутрисалонного освещения автомобиля .
- Подключите систему к цепям запирания и отпирания замков дверей автомобиля .
- Подключите систему к цепи габаритных огней автомобиля .
- Подключите систему к цепи концевого выключателя багажника .
- Подключите систему к цепи открывания багажника .
- Подключите провод питания системы к + 12В постоянного питания от аккумулятора .
- Подключите Черный провод заземления системы к металлической детали кузова автомобиля (" Массе ").
- Отсек двигателя автомобиля .
- Выберите в отсеке двигателя место для установки сирены системы и концевого выключателя капота ( если это необходимо ).
- Проложите все необходимые провода в пассажирский салон автомобиля и подключите их к системе .
- Отрегулируйте чувствительность датчика .
Схема подключения переключателя Valet, светодиодного индикатора и датчика удара

14-контактный разъем системы
| Контакт |
Цвет изоляции провода |
Назначение |
| 1 |
Зеленый |
Вход для подключения концевых выключателей дверей положительной (+) или отрицательной (-) полярности |
| 2 |
Красно-черный |
Вход для подключения габаритных огней положительной (+) или отрицательной (-) полярности |
| 3 |
Белый |
Выход для подключения габаритных огней положительной (+) или отрицательной (-) полярности |
| 4 |
Синий |
Вход для подключения концевых выключателей капота и багажника отрицательной (-) полярности |
| 5 |
Желтый |
Вход зажигания (+) |
| 6 |
Красный |
Вход питания : +12 В |
| 7 |
Черный |
Вход питания : " Масса " |
| 8 |
Коричневый |
Выход для подключения сирены (-) |
| 9 |
Оранжевый |
Выход для подключения реле блокировки стартера (-) |
| 10 |
Черно-белый |
Выход для подключения к цепи внутрисалонного освещения автомобиля отрицательной (-) полярности , 200 мА |
| 11 |
Красно-белый |
Выход отрицательной полярности (-) канала 2 системы , 200 мА |
| 12 |
Голубой |
Отпирание дверей в два этапа (+) или (-), 200 мА |
| 13 |
Сине-черный |
Отпирание дверей (-) или запирание дверей (+), 200 мА |
| 14 |
Зелено-черный |
Запирание дверей (-) или отпирание дверей (+), 200 мА |
Схема подключения проводов 14-контактного разъема системы
Подключения , выполняемые в пассажирском салоне автомобиля
Блок управления системой
- Выберите место в пассажирском салоне автомобиля , в котором будет установлен блок управления .
Никогда не устанавливайте блок управления системой в отсеке двигателя автомобиля . Для обеспечения
максимально возможного радиуса действия пультов дистанционного управления закрепите блок
управления как можно выше под приборной панелью автомобиля и как можно дальше от металлических
деталей .
- Прокладывайте провода от выбранной точки , оставив запас для облегчения обслуживания системы .
Антенна
- Не укорачивайте и не удлиняйте провод антенны .
- Проложите провод антенны по направлению от блока управления . Никогда не прокладывайте провод
антенны параллельно какому-либо жгуту проводов автомобиля .
- Прокладывайте провод антенны как можно дальше от металлических деталей автомобиля , потому что
наличие металлических препятствий значительно снижает радиус действия пультов дистанционного
управления системой .
Светодиодный индикатор системы
Обсудите место установки светодиодного индикатора системы с владельцем автомобиля . Светодиодный индикатор системы должен быть виден снаружи через окна автомобиля , как со стороны водителя , так и со стороны пассажира .
- Просверлите отверстие диаметром 1/4 дюйма (6,3 мм ).
- Пропустите 2-контактный разъем светодиодного индикатора и провода через просверленное отверстие .
- Подключите 2-контактный разъем светодиодного индикатора к разъему на блоке управления системой .
Двухуровневый датчик удара
Датчик удара должен быть надежно закреплен на неподвижной металлической поверхности ( например, на
рулевой колонке ). Закрепляйте датчик удара в выбранном месте с помощью винтов или кабельных стяжек .
Подключите 4-контактный разъем датчика удара к блоку управления .
Переключатель Valet
Переключатель Valet используется для включения и выключения охранных функций системы и для
программирования пользователем различных функций системы . Обсудите место установки переключателя
Valet с владельцем автомобиля и установите его в скрытом , но легко доступном для пользователя месте .
Рекомендуется устанавливать переключатель Valet в ящике для перчаток или под приборной панелью
автомобиля . Никогда не устанавливайте переключатель в таком месте , где его можно случайно переключить
или повредить .
- Просверлите отверстие диаметром 1/4 дюйма (6,3 мм ).
- Вставьте переключатель в отверстие с обратной стороны панели .
- Закрепите переключатель Valet с помощью гайки . Затяните гайку рукой .
- Подключите 2-контактный разъем переключателя Valet к разъему на блоке управления системой .
Вход зажигания
Желтый провод , входящий в жгут проводов системы , должен быть обязательно подключен к цепи зажигания автомобиля .
- С помощью вольтметра найдите провод , на который подается питание +12 В , когда ключ в замке
зажигания находится в положениях " зажигание " и " стартер ", и 0 В , когда ключ находится в положении " выключено ".
- Подсоедините Желтый провод системы к найденному штатному проводу зажигания , как показано на
схеме подключения проводов 14-контактного разъема системы .
Реле блокировки стартера
В комплект системы входит нормально замкнутое реле блокировки стартера . При подключении данного
реле следите за тем , чтобы все провода были надежно подключены , так как через данное реле протекает
очень большой ток . Рекомендуется пропаять все соединения и заизолировать их с помощью термоусаживающейся трубки .
- Найдите под приборной панелью автомобиля жгут проводов , идущий от замка зажигания .
- С помощью вольтметра найдите единственный провод , на который подается питание +12 В , когда ключ
замка зажигания находится только в положении " стартер ". Это провод соленоида стартера автомобиля .
- Перережьте провод соленоида стартера автомобиля . Попробуйте запустить двигатель , поворачивая
ключ в замке зажигания . Если вы перерезали правильный провод , стартер автомобиля работать не
должен .
- При необходимости использования удлинительных проводов , они должны иметь сечение не меньше ,
чем перерезанный провод стартера . Подключите Красный провод от колодки реле ( контакт 30) к тому
концу перерезанного провода стартера , который идет к замку зажигания , а Белый провод от колодки
реле ( контакт 87а ) к тому концу перерезанного провода стартера , который идет к стартеру .
- Соедините Оранжевый провод системы , на который подается сигнал отрицательной полярности , когда
система находится на охране , с Оранжевым проводом от колодки реле ( контакт 86).
Примечание : Если к Оранжевому проводу системы необходимо подключить еще какое-либо электронное
устройство , необходимо изолировать провод управления каждым устройством с помощью диода 1 N4003.
Триггер двери
Большинство автомобилей ( за исключением практически всех автомобилей Форд ) имеет цепь концевых
выключателей дверей отрицательной полярности . Система позволяет запрограммировать правильную
полярность для входа триггера двери . Для того , чтобы определить полярность цепи концевых выключателей
дверей , проделайте следующее :
- Найдите жгут проводов , идущий от переключателя на двери автомобиля .
- Подключите " минусовой " пробник вольтметра к " массе ".
- Найдите провод , на котором появляется +12 В , когда нажат переключатель на двери автомобиля , и
имеется напряжение менее 1 В , когда переключатель не нажат . Данный провод представляет собой
цепь концевых выключателей дверей отрицательной полярности .
- Если Вы не можете найти провод , соответствующий характеристикам , описанным в шаге 3, ищите про -
вод на котором появляется напряжение менее 1 В , когда нажат переключатель на двери автомобиля , и
имеется напряжение +12 В , когда переключатель не нажат . Этот провод представляет собой цепь
концевых выключателей дверей положительной полярности .
- Подключите Зеленый провод системы к найденному проводу цепи концевых выключателей дверей .
- Если автомобиль имеет цепь концевых выключателей дверей отрицательной полярности , никакого
дополнительного программирования не требуется . Для подключения к цепи положительной полярности
необходимо запрограммировать положительную полярность , как описано в разделе " Функции системы ,
программируемые пользователем " в данном Руководстве .
Если необходимо обеспечить управление внутрисалонным освещением автомобиля , подключите дополнительное реле , как описано ниже :
- Подключите Черно-белый провод системы к контакту 86 дополнительного реле .
- С помощью куска провода соедините Красно-белый провод (+12 В ) с контактом 85 реле .
- С помощью куска провода соедините Зеленый провод системы с контактом 30 реле .
- Подсоедините контакт 87 реле к +12 В ( Красно-белый провод +12 В ), если автомобиль имеет цепь концевых выключателей дверей положительной
полярности , или к " массе ", если автомобиль имеет цепь концевых выключателей дверей отрицательной полярности .
Подключение замков дверей
Предупреждение : Если электроприводы замков дверей автомобиля не работают правильно при постановке системы на охрану и снятии системы с охраны , ни в коем случае не используйте
переключатель замков дверей автомобиля ! Если провода управления электроприводами замков
дверей данной системы подключены неправильно , использование штатного переключателя
может привести к повреждению блока управления системы , штатной электрической сети
автомобиля и электроприводов замков дверей .
Для того , чтобы определить тип системы центрального замка , проделайте следующее :
- Снимите переключатель управления дверными замками , находящийся на двери водителя , чтобы получить доступ к проводам данного переключателя .
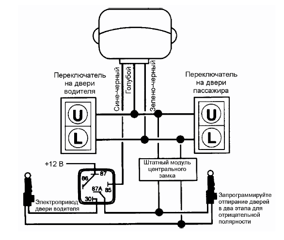
- Если от переключателя идет четыре или более проводов , выполняется соединение , показанное на схеме 2, для обратной полярности .
- Если от переключателя идет три провода , перейдите к шагу 2.
- Подключите " минусовой " пробник вольтметра к " массе " и проверьте каждый провод переключателя
управления дверными замками , как при закрытых замках , так и при открытых замках дверей
автомобиля . Если вольтметр показывает напряжение +12 В при нажатии переключателя , сделайте соединения
для положительного триггера , показанные на схеме 1 . В противном случае перейдите к шагу 3.
- Повторите шаг 2, подключив " минусовой " пробник вольтметра к проводу +12 В . Если вольтметр
показывает напряжение +12 В при нажатии переключателя , сделайте соединения для отрицательного
триггера , показанные на схеме 3.
- Если замки дверей автомобиля управляются с замка двери водителя , то необходимо установить только
один электропривод в дверь водителя . Если автомобиль не имеет штатных электроприводов дверных
замков , необходимо установить электроприводы во все двери автомобиля . Для всех дополнительных
электроприводов сделайте соединения , показанные на схеме 5.
- Если в схеме запирания/отпирания дверей используются вакуумные насосы ( Мерседес-Бенц или Ауди ),
сделайте подключения , показанные на схеме 4, затем ( если автомобиль выпущен в 1989 году или
ранее ) запрограммируйте для системы трехсекундный импульс запирания дверей .
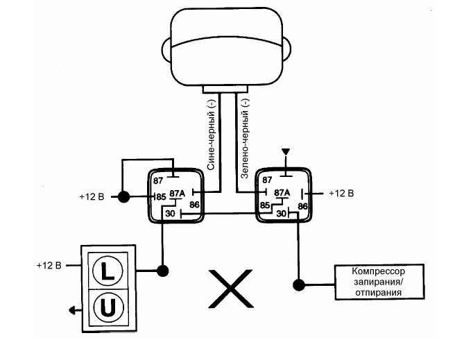
Схемы подключения цепей управления замками дверей автомобиля
Для каждого типа центрального замка используйте соответствующую схему подключения .
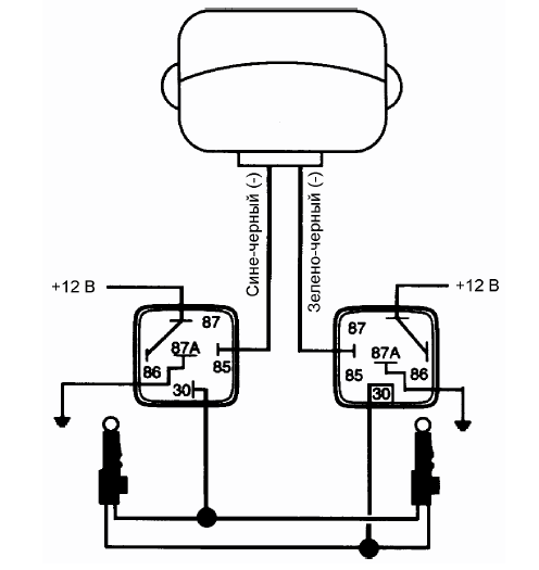
Схема 1А : Цепь запирания дверей положительной полярности
Схема 1В : Цепь запирания дверей положительной полярности; отпирание дверей в два этапа
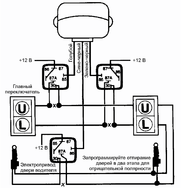
Схема 2А : Цепь запирания дверей обратной полярности
Осторожно : Обычно главный переключатель управления замками дверей автомобиля устанавливается в двери водителя . Однако , на некоторых автомобилях в качестве главного переключателя используется тот переключатель , который установлен в двери пассажира . Перед тем , как подключать какие-либо провода , точно определите тип цепи запирания/отпирания замков дверей автомобиля .
Схема 2В : Цепь запирания дверей обратной полярности ; отпирание дверей в два этапа
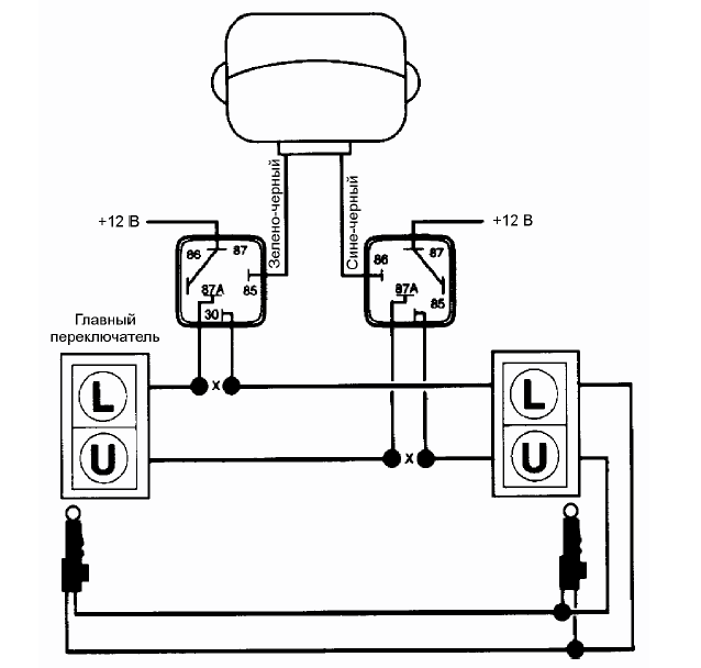
Схема 3А : Цепь запирания дверей отрицательной полярности
Схема 3В : Цепь запирания дверей отрицательной полярности ; отпирание дверей в два этапа
Схема 4: Однопроводная система запирания/отпирания дверей ( Мерседес/Ауди )
Схема 5: Установка дополнительных электроприводов замков дверей
Отпирание дверей автомобиля в два этапа
На Голубой провод системы подается выходной сигнал положительной (+) или отрицательной (-) полярности , когда после дистанционного снятия системы с охраны та же самая кнопка на пульте дистанционного управления нажимается еще раз .
Программируемая функция настройки на задержку выключения внутрисалонного освещения автомобиля
По умолчанию программируемая функция настройки на задержку выключения внутрисалонного освещения
автомобиля выключена . Такой режим должен использоваться при установке системы на тех автомобилях ,
которые не имеют штатной функции задержки внутрисалонного освещения . Для включения функции
настройки на задержку выключения внутрисалонного освещения обратитесь к разделу " Функции системы ,
программируемые пользователем " в данном Руководстве .
- Индикация неплотно закрытой двери автомобиля :
Если оставлена открытой какая-либо из дверей автомобиля или автомобиль имеет штатную функцию задержки внутрисалонного освещения ( внутрисалонное освещение автомобиля продолжает гореть в течение некоторого времени после того , как закрыты все двери ) и система ставится на охрану с пульта дистанционного управления , прозвучат два коротких сигнала сирены и два раза мигнут габаритные огни автомобиля . После паузы в 5 секунд прозвучат четыре коротких сигнала сирены и четыре раза мигнут габаритные огни автомобиля . ( Данная индикация указывает на то , что дверь автомобиля открыта или неплотно закрыта .) Система поставит на охрану все другие зоны и будет обходить триггер дверей . Когда дверь автомобиля будет закрыта , триггер дверей будет взят системой под охрану .
Габаритные огни автомобиля
Система Nova 200LE имеет встроенное реле управления габаритными огнями автомобиля . Данный выход
системы может управлять цепями габаритных огней как положительной , так и отрицательной полярности .
Все автомобили имеют цепи габаритных огней положительной полярности , а некоторые автомобили
японского производства имеют цепи габаритных огней и положительной , и отрицательной полярности .
Для подключения к цепи габаритных огней автомобиля положительной полярности :
- Включите габаритные огни автомобиля и найдите штатный провод габаритных огней в одном из следующих мест :
- Около переключателя света фар автомобиля .
- В жгуте проводов , идущем по полу вдоль порогов дверей автомобиля к задним фонарям .
- На любой из ламп габаритных огней автомобиля .
- Установите регулятор яркости подсветки приборов на минимальный уровень яркости .
- Подключите " минусовой " пробник вольтметра к " массе " и найдите тот провод , на который подается
питание +12 В , когда включены габаритные огни автомобиля , и 0 В , когда габаритные огни выключены .
- Подключите Белый провод системы к данному проводу габаритных огней автомобиля .
- Подключите Красно-черный провод системы к +12 В .
- Установите регулятор яркости подсветки приборов на нужную яркость .
Для подключения к цепи габаритных огней автомобиля отрицательной полярности :
- Включите габаритные огни автомобиля и найдите штатный провод габаритных огней около
переключателя света фар автомобиля .
- Подключите " минусовой" пробник вольтметра к " массе " и найдите тот провод , на который подается +12
В , когда габаритные огни автомобиля выключены , и 0 В , когда габаритные огни включены .
- Подключите Белый провод системы к данному проводу габаритных огней автомобиля .
- Подключите Kрасно-черный провод системы к " массе ".
Триггер багажника
Найдите концевой выключатель багажника . Кроме концевого выключателя багажника провод триггера
багажника системы может быть также подключен к лампе освещения багажника .
Примечание : Если в багажнике автомобиля не установлен штатный концевой выключатель , устано -
вите концевой выключатель самостоятельно .
Подключите Синий провод системы к концевому выключателю багажника .
Выход канала 2 системы
Красно - провод системы обеспечивает подачу " массы " в течение 1 секунды при нажатии на пульте
дистанционного управления системой кнопки
. Данный выход системы может использоваться для дис -
танционного открывания багажника автомобиля или дверцы горловины топливного бака .
Дистанционное открывание багажника автомобиля или дверцы горловины топливного бака
Данное подключение требует использования дополнительного реле .
Примечание : Для подачи на дополнительные устройства питания +12 В всегда используйте
отдельный провод , защищенный предохранителем . Никогда не используйте для этой цели провод питания
основного блока системы .
- Найдите переключатель открывания багажника автомобиля или дверцы горловины топливного бака .
- С помощью вольтметра найдите провод , на который подается питание +12 В , когда нажимается соответствующий переключатель .
- С помощью куска провода подсоедините найденный штатный провод автомобиля к контакту 30 дополнительного реле .
- Подключите Красно-белый провод системы к контакту 85 реле .
- Подсоедините контакты 86 и 87 дополнительного реле к +12 В через предохранитель .
Выход канала 3 системы
Поскольку данная система не имеет отдельного выхода канала 3 или 4, кнопка
пульта дистанционного
управления ( канал 3 передатчика ) предназначена для бесшумной постановки и снятия системы с охраны .
Подключения , выполняемые в отсеке двигателя
Установка сирены
Закрепите сирену в отсеке двигателя подальше от движущихся деталей автомобиля или тех деталей ,
которые нагреваются до высокой температуры . Сирена должна быть установлена в таком месте , чтобы к ней не
было свободного доступа из-под автомобиля . Наиболее предпочтительным является место напротив
системы выпуска . Направьте сирену вниз , чтобы в ней не скапливалась вода .
- Для закрепления сирены используйте самонарезающиеся винты .
- Подключите черный провод сирены к Коричневому проводу , входящему в жгут проводов системы .
- Подключите красный провод сирены к Красному проводу системы через предохранитель 5 А .
Триггер капота
- Найдите концевой выключатель капота . Если штатный концевой выключатель капота не установлен ,
установите концевой выключатель , входящий в комплект системы .
- Подключите синий провод системы к концевому выключателю капота .
Подключение остальных проводов системы
Примечание :Не подключайте предохранитель питания системы до этапа 6 установки .
- Подключите Красный провод системы к постоянному питанию +12 от аккумулятора .
- Подключите Черный провод системы с помощью глухого кабельного наконечника к болту на кузове автомобиля , предварительно очистив болт от краски , грязи и смазки .
- Подключите 14-контактныый разъем к блоку управления системы .
- Установите на место предохранитель цепи питания внутрисалонного освещения автомобиля .
- Поверните ключ в замке зажигания автомобиля в положение " Зажигание ".
- Установите предохранители питания системы .
- Поверните ключ в замке зажигания автомобиля в положение " Выключено".
Настройка двухуровневого датчика удара
Двухуровневый датчик удара позволяет настроить чувствительность зоны предупреждения и зоны
срабатывания . Для проверки датчика система находиться в режиме охраны .
Когда по кузову автомобиля наносится легкий удар , должны прозвучать два коротких сигнала сирены , а
зеленый светодиодный индикатор датчика удара должен включиться и погаснуть , что является индикацией
подачи системой сигналов предупреждения .
Когда по кузову автомобиля наносится сильный удар , должна сработать система и на 30 секунд включиться
сирена . Зеленый и Красный светодиодные индикаторы датчика удара должны включиться и погаснуть , что
является индикацией включения полной сигнализации .
Для увеличения чувствительности датчика поворачивайте винт регулировки по часовой стрелке ( направо ).
Для уменьшения чувствительности датчика поворачивайте винт регулировки против часовой стрелки ( налево ).
Функции системы , программируемые пользователем
Охранная система Nova 200LE позволяет настроить большую часть своих функций пользователю
самостоятельно , в зависимости от личных предпочтений . Для изменения любой из настроек системы
используйте приведенную ниже процедуру :
Таблица функций системы , программируемых пользователем ( 1 этап : ключ в замке зажигания повернут в положение " Зажигание ")
| Функция |
Заводская настройка |
Количество переключений тумблера и звуковых сигналов |
Дополнительное действие |
Подтверждение завершения программирования |
Результат/Сигналы подтверждение сирены |
| Пассивная постановка системы на охрану |
Включена |
4 |
- |
1 или 2 коротких сигнала через 3 с . после последнего действия |
Изменение состояния с " включено " на " выключено " или наоборот ( включено - 2 сигнала сирены , выключено - 1 сигнал ) |
| Запирание дверей автомобиля при пассивной постановке на охрану |
Выключено |
5 |
- |
1 или 2 коротких сигнала через 3 с . после последнего действия |
Изменение состояния с " выключено " на " включено " или наоборот ( включено - 2 сигнала сирены , выключено - 1 сигнал ) |
| Звуковые сигналы подтверждения постановки/снятия системы с охраны |
Включено |
7 |
- |
1 или 2 коротких сигнала через 3 с . после последнего действия |
Изменение состояния с " включено " на " выключено " или наоборот ( включено - 2 сигнала сирены , выключено - 1 сигнал ) |
| Запирание дверей автомобиля при включении зажигания и отпирание дверей при выключении зажигания |
Включено |
8 |
- |
1 или 2 коротких сигнала через 3 с . после последнего действия |
Изменение состояния с " включено " на " выключено " или наоборот ( включено - 2 сигнала сирены , выключено - 1 сигнал ) |
| Длительность импульса запирания дверей ( 1 или 3 секунды ) |
1 секунда |
10 |
- |
1 или 2 коротких сигнала сирены через 3 с . после последнего действия |
Изменение длительности импульса с 1 секунды на 3 секунды или наоборот (3 секунды - 2 сигнала сирены , 1 секунда - 1 сигнал сирены ) |
| Функция настройки на задержку выключения внутрисалонного освещения автомобиля |
Отключена |
11 |
- |
1 или 2 коротких сигнала сирены через 3 с . после последнего действия |
Включение или отключение настройки системы на штатную задержку выключения внутрисалонного освещения ( отключено - 2 сигнала сирены , включено - 1 сигнал сирены ) |
| Включение габаритных огней автомобиля на 30 секунд после снятия системы с охраны |
Выключено |
12 |
- |
1 или 2 коротких сигнала через 3 с . после последнего действия |
Изменение состояния с " выключено " на " включено " или наоборот ( включено - 2 сигнала сирены , выключено - 1 сигнал ) |
| Двойной импульс запирания замков дверей автомобиля |
Выключен |
13 |
- |
1 или 2 коротких сигнала через 3 с . после последнего действия |
Изменение состояния с " выключено " на " включено " или наоборот ( включено - 2 сигнала сирены , выключено - 1 сигнал ) |
| Двойной импульс отпирания замков дверей автомобиля |
Выключен |
14 |
- |
1 или 2 коротких сигнала через 3 с . после последнего действия |
Изменение состояния с " выключено " на " включено " или наоборот ( включено - 2 сигнала сирены , выключено - 1 сигнал ) |
| Выбор полярности (+) или (-) цепи триггера дверей |
Отрицательная |
17 |
- |
1 или 2 коротких сигнала через 3 с . после последнего действия |
Изменение полярности с отрицательной на положительную или наоборот ( положительная - 2 звуковых сигнала , отрицательная - 1 сигнал сирены ) |
| Подключение сирены системы или клаксона автомобиля |
Сирена |
20 |
- |
1 или 2 коротких сигнала через 3 с . после последнего действия |
Изменение сигнала : постоянный ( для управления сиреной ) или импульсный ( для управления клаксоном ) ( Клаксон - 2 сигнала сирены , сирена - 1 сигнал сирены ) |
| Когда система на ходится в режиме охраны , каждые 30 секунд сирена подает короткий звуковой сигнал |
Выключено |
21 |
- |
1 или 2 коротких сигнала через 3 с . после последнего действия |
Изменение состояния с " выключено " на " включено " или наоборот ( включено - 2 сигнала сирены , выключено - 1 сигнал ) |
Таблица функций системы , программируемых пользователем ( 2 этап : ключ в замке зажигания повернут в положение " Зажигание ", затем в положение " выключено")
| Функция |
Заводская настройка |
Количество переключений тумблера и звуковых сигналов |
Дополнительное действие |
Подтверждение завершения программирования |
Результат/Сигналы подтверждение сирены |
| Программирование нового пульта дистанционного управления : Канал 1 ( постановка/снятие системы с охраны ) |
- |
4 |
Нажмите кнопку на пульте дистанционного управления |
1 короткий сигнал сирены |
Код кнопки 1/канала 1 нового пульта дистанционного управления запрограммирован в память системы |
| Программирование нового пульта дистанционного управления : Канал 2 ( управление доп . устройством , подключенным к системе ) |
- |
5 |
Нажмите кнопку на пульте дистанционного управления |
1 короткий сигнал сирены |
Код кнопки 2/канала 2 нового пульта дистанционного управления запрограммирован в память системы |
| Программирование нового пульта дистанционного управления : Канал 3 ( бесшумная постановка/снятие системы с охраны ) |
- |
6 |
Нажмите кнопку на пульте дистанционного управления |
1 короткий сигнал сирены |
Код кнопки 3 нового пульта дистанционного управления запрограммирован в память системы |
| Программирование нового пульта дистанционного управления по всем каналам |
- |
10 |
Нажмите кнопку на пульте дистанционного управления |
1 короткий сигнал сирены |
Коды всех каналов нового пульта дистанционного управления запрограммированы в память системы |
| Стирание всех пультов дистанционного управления из памяти системы |
- |
11 |
- |
2 коротких сигнала сирены через 3 с . после последнего действия |
Стирание кодов всех пультов из памяти системы ; Вы должны снова запрограммировать все пульты дистанционного управления |
Программируемые пользователем пульты дистанционного управления
Два пульта дистанционного управления , входящие в комплект системы , уже запрограммированы
производителем в ее память . Система позволяет запрограммировать до четырех пультов дистанционного
управления . Для программирования новых пультов используйте процедуру программирования , приведенную выше .
2.10.2001