Выберите в пассажирском салоне место для установки основного блока системы (за приборной панелью автомобиля) и закрепите блок с помощью двух винтов. Также основной блок системы может быть закреплен с помощью кабельных стяжек.
Никогда не устанавливайте основной блок системы в отсеке двигателя автомобиля, потому что корпус данного модуля негерметичен. Также следует избегать установку данного блока непосредственно на штатные электронные узлы автомобиля. Электронные узлы автомобиля могут служить источником радиочастотных помех, что, в свою очередь, может привести к сокращению рабочего расстояния передатчика системы или появлению перерывов в работе системы.
Для установки сирены выберите в отсеке двигателя место, в котором сирена будет защищена от доступа со стороны днища или арок передних колес автомобиля. В выбранном для установки сирены месте отсека двигателя не должно быть горячих или движущихся деталей. Сирена должна быть направлена вниз, чтобы избежать накапливания в ней воды, а раструб должен быть направлен из отсека двигателя наружу для максимального распространения звука. Закрепите сирену в выбранном месте на специальном кронштейне с помощью винтов.
Концевой выключатель, входящий в комплект данной системы, предназначен для защиты зон багажника (задней двери в автомобилях с кузовом "хетчбек" или "универсал") или капота автомобиля. В любом случае концевой выключатель должен закрепляться на металлической поверхности, электрически соединенной с "массой" автомобиля. Очень важно установить концевой выключатель в таком месте, где не протекает или не скапливается вода. Также никогда не устанавливайте концевой выключатель в водоотводах, которые расположены на крыльях автомобиля вдоль капота и багажника. Для установки концевого выключателя выбирайте место, защищенное резиновым уплотнителем при закрытом капоте или крышке багажника.
Концевой выключатель может быть установлен с помощью входящего в комплект кронштейна или непосредственно в отверстие диаметром 6 мм (1/4 дюйма), просверленное в кузове автомобиля. В любом случае концевой выключатель должен быть установлен таким образом, чтобы капот или крышка багажника при закрывании нажимали на концевой выключатель и перемещали его движущийся контакт не меньше, чем на 6 мм, а при открывании позволяли движущемуся контакту полностью подняться.
В комплект данной системы входит небольшой красный светодиодный индикатор, который показывает состояние охранной системы и является визуальным предупреждением для потенциальных грабителей и угонщиков. Светодиодный индикатор должен быть установлен в приборную панель автомобиля в таком месте, где он будет хорошо виден как с водительского сиденья, так и снаружи через окна автомобиля.
Перед тем, как просверлить отверстие в выбранном на приборной панели месте, осмотрите его со всех сторон, чтобы не повредить сверлом провода штатной электрической проводки автомобиля и убедиться, что к этому месту могут быть подведены провода светодиодного индикатора.
Аккуратно просверлите в выбранном месте отверстие диаметром 6 мм (1/4 дюйма), пропустите через отверстие с лицевой стороны панели красный и синий провода светодиода. Нажмите на светодиод и плотно установите его в монтажное отверстие.
Для установки переключателя Valet выберите такое место, в котором водитель автомобиля мог бы легко им воспользоваться. Тщательно прятать переключатель нет необходимости, однако, рекомендуется все же использовать определенные методы маскировки, потому что это повысит уровень защищенности системы и затруднит действия угонщиков.
Кнопочный переключатель Valet может быть закреплен на приборной панели автомобиля снизу со стороны водителя. Также Вы должны убедиться, что при дальнейшей установке системы к переключателю можно будет легко подключить провода.
Для установки датчика удара выберите ровную твердую поверхность на перегородке, разделяющей отсек двигателя и салон автомобиля, со стороны пассажирского салона. Закрепите датчик удара в выбранном месте с помощью двух самонарезающихся винтов, входящих в комплект системы. Также датчик можно закрепить на стойках, к которым крепится приборная панель автомобиля, с помощью кабельных стяжек.
Независимо от того, какой метод крепления датчика удара используется, необходимо обеспечить свободный доступ к потенциометру регулировки чувствительности датчика, который может потребоваться использовать при последующей настройке системы.
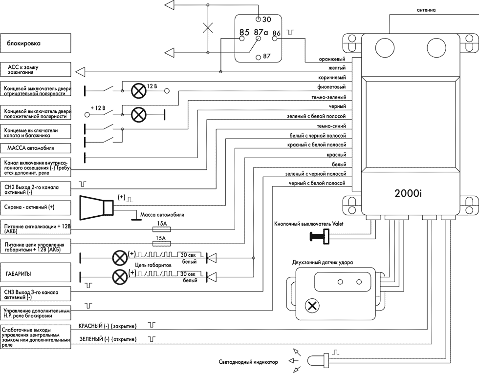
Белый провод: Импульсный выход +12 В для подключения габаритных огней автомобиля (максимальный ток 15 А). В данный провод врезана диодная развязка для подключения к раздельным цепям габаритов автомобиля. Белый провод в блоке системы предназначен для подачи импульсного сигнала + 12 В в цепь питания габаритных огней автомобиля. Подключите данные провода к проводам положительной полярности цепей габаритных огней автомобиля.
Красный провод, защищенный предохранителем 15А: Постоянный источник питания + 12В.
Данный провод используется для питания силовых встроенных цепей -управление габаритным светом автомобиля.
Красный провод с белой полосой, защищенный предохранителем 5А: Постоянный источник питания +12В.
Данный провод используется для питания всех основных цепей системы.
Белый провод с черной полосой: Выход подачи питания на сирену (+ 12 В). Проложите данный провод через отверстие с резиновой втулкой, которое имеется в перегородке между отсеком двигателя и салоном автомобиля, к тому месту, в котором установлена сирена.
Соедините белый провод с черной полосой с красным проводом сирены (подача питания +12 В). Подсоедините черный провод, идущий от сирены, к "массе" (металлической детали кузова автомобиля).
Черный провод: Вход подачи питания ("масса").
Подключите черный провод к "массе" (металлической детали кузова автомобиля). Не перепутайте данный провод с тонким черным проводом антенны, который подключен к основному блоку системы отдельно, а не в жгуте проводов.
Темно-синий провод: Выход второго канала СН2.
Отрицательный выход второго канала 300 мА с задержкой активируется при нажатии и удержании на время более 4 сек. кнопки 3 "Option" брелока-передатчика. Отрицательный выходной сигнал второго канала присутствует на выходе по мере удержания кнопки 3 "Option" брелока-передатчика. Темно-синий провод системы представляет собой слаботочный транзисторный выход, поэтому он должен использоваться только для включения внешнего реле.
Управление каналом 2 возможно и при включенном зажигании, но только если открыта одна из дверей автомобиля. Это предотвратит случайное открывание, например, багажника при движении автомобиля.
Схема примерного использования канала 2 приведена ниже.

Предупреждение: Непосредственное подключение темно-синего провода к сильноточному выходу цепи открывания замка багажника автомобиля, а также к входу некоторых устройств дистанционного запуска двигателя автомобиля приведет к повреждению основного блока охранной системы.
Подключите темно-синий провод к контакту # 86 реле типа AS-9256 (или эквивалентного автомобильного реле, рассчитанного на ток 30 А). Подключите провода к другим контактам реле в соответствии с тем, какая функция будет управляться по каналу 2 системы.
Темно-зеленый провод: Вход для подключения концевых выключателей отрицательной полярности капота и багажника.
Темно-зеленый провод системы является проводом мгновенного отрицательного триггера. Данный провод необходимо подключить к ранее установленным концевым выключателям капота и багажника, постоянно соединенным с "массой".
Фиолетовый провод: Вход для подключения концевых выключателей дверей положительной полярности, большинство автомобилей Форд и некоторые автомобили неамериканского производства. Подключите фиолетовый провод системы к положительному выходу одного из концевых выключателей дверей автомобиля, так как в большинстве автомобилей концевые выключатели дверей подключены параллельно.
Примечание: Не подключайте фиолетовый провод системы, если автомобиль имеет цепь концевых выключателей дверей отрицательной полярности (в этом случае подключается коричневый провод системы).
Коричневый провод: Вход для подключения концевых выключателей дверей отрицательной полярности - автомобили Дженерал Моторс и большинство автомобилей неамериканского производства. Подключите коричневый провод системы к отрицательному выход) одного из концевых выключателей дверей автомобиля.
Примечание: Не подключайте коричневый провод системы, если автомобиль имеет цепь концевых выключателей дверей положительной полярности (в этом случае подключается лиловый провод системы).
Желтый провод: Вход для подключения провода зажигания +12 В. Подключите данный провод к тому проводу зажигания, на который подается питание +12 В, когда ключ повернут в замке зажигания в положение "зажигание" или "стартер". Убедитесь в том, что на данный штатный провод автомобиля не подается питание, когда ключ повернут в замке зажигания в положение "выключено".
Оранжевый провод: Выход сигнала отрицательной полярности 300 мА (когда система находится на охране) - нормально замкнутое реле блокировки стартера (требуется установка дополнительного реле).
Данный провод системы позволяет управлять работой реле блокировки стартера. Подключите оранжевый провод к контакту # 86 реле. Соедините контакт # 85 реле с проводом зажигания автомобиля, на который подается питание + 12 В, когда ключ повернут в замке зажигания в положения "зажигание" и "стартер", и О В, когда ключ повернут в положение "выключено". (К этому же штатному проводу автомобиля подключается и желтый провод системы). Перережьте слаботочный провод соленоида стартера автомобиля и подключите один конец перерезанного провода к контакту # 87 установленного реле. Подключите другой конец перерезанного провода к контакту # 30 реле.
Примечание: Данное подключение используется в том случае, когда устанавливается нормально замкнутое реле блокировки стартера. При использовании такого подключения отключение подачи питания на охранную систему приводит к тому, что перестает работать функция блокировки стартера, а это, в свою очередь, позволяет запустить двигатель автомобиля.
Черный провод с белой полосой: Выход сигнала отрицательной полярности 300 мА (когда система снята с охраны) - нормально разомкнутое реле блокировки стартера (требуется установка дополнительного реле).
Данный провод системы позволяет управлять работой реле блокировки стартера. Подключите оранжевый провод с белой полосой к контакту # 86 реле. Соедините контакт # 85 реле с проводом зажигания автомобиля, на который подается питание + 12 В, когда ключ повернут в замке зажигания в положения "зажигание" и "стартер", и О В, когда ключ повернут в положение "выключено". (К этому же штатному проводу автомобиля подключается и желтый провод системы). Перережьте слаботочный провод соленоида стартера автомобиля и подключите один конец перерезанного провода к контакту # 87 установленного реле. Подключите другой конец перерезанного провода к контакту # 30 реле.
Примечание: Данное подключение используется в том случае, когда устанавливается нормально разомкнутое реле блокировки стартера. При использовании такого подключения отключение подачи питания на охранную систему не приведет к отключению функции блокировки стартера (стартер автомобиля будет заблокирован), что не позволит запустить двигатель автомобиля.
Темно-зеленый провод с черной полосой: Выход третьего канала системы СНЗ (только при выключенном зажигании).
Зеленый провод с черной полосой представляет собой слаботочный транзисторный выход отрицательной полярности (300 мА), поэтому он должен использоваться только для управления внешним реле.
Выходной сигнал отрицательной полярности на данный провод системы может подаваться каждый раз, путем подачи команды по третьему каналу брелока-передатчика дистанционного управления (одновременное нажатие и удержание более 4 сек кнопок ПАНИКА и Option). Выход третьего канала активен только во время удержания кнопок ПАНИКА и Option.
Предупреждение: Непосредственное подключение темно-зеленого провода с черной полосой к сильноточному выходу цепи открывания замка багажника автомобиля приведет к повреждению основного блока охранной системы.
Подключите темно-зеленый провод с черной полосой к контакту # 86 реле AS 9256 (или эквивалентного автомобильного реле, рассчитанного на ток 30 А). Подключите провода к другим контактам реле в соответствии с тем, какая функция будет управляться по каналу 3 системы.
Зеленый провод с белой полосой: Выход для подключения внутрисалониого освещения отрицательной полярности (максимальный ток 300 мА).
На темно-зеленый провод с белой полосой в течение 30 секунд подается отрицательный выходной сигнал (300 мА) каждый раз, когда с брелока-передатчика подается команда снятия системы с охраны; также на данный провод подается непрерывный импульсный выходной сигнал каждый раз, когда срабатывает система.
Если вы хотите, чтобы ваша система управляла внутрисалонным освещением автомобиля (внутрисалонное освещение автомобиля включается после снятия системы с охраны или мигает, когда система сработала), зеленый провод с белой полосой, представляющий собой слаботочный транзисторный выход, должен быть подключен к внешнему реле.
Подключите темно-зеленый провод с белой полосой к контакту # 86 реле AS 9256 (или эквивалентного автомобильного реле, рассчитанного на ток 30 А). Подключите провода к другим контактам реле в соответствии с полярностью штатной цепи внутрисалонного освещения автомобиля. Примерная схема управления внутрисалонным освещением для концевых выключателей дверей отрицательной и положительной полярностей приведены ниже.

Примечание: При установке данной системы в автомобилях, имеющих штатную функцию задержки выключения внутрисалонного освещения данный провод системы лучше подключить к выходу таймера, с которого подается питание на внутрисалонное освещение автомобиля, а не к цепи концевых выключателей дверей. Такое подключение обеспечит мигание внутрисалонного освещения автомобиля при срабатывании системы, находящейся на охране.
Двухконтактный синий разъем: Переключатель Valet.
Проложите черный и серый провода от переключателя Valet к основному блоку системы и подключите двухконтактный синий разъем к соответствующему синему разъему на основном блоке системы.
Двухконтактный белый разъем: Светодиодный индикатор системы.
Проложите красный и синий провода от светодиода к основному блоку системы и подключите двухконтактный белый разъем к соответствующему двухконтактному белому разъему на основном блоке системы.
Четырехконтактный белый разъем: Датчик удара.
Проложите красный, черный, синий и зеленый провода (4-контактный белый разъем) от датчика удара до основного блока системы и подключите разъем, находящийся на одном конце жгута, к датчику удара, а другой разъем к соответствующему белому разъему на основном блоке системы.
Красный провод (импульс закрывания) - слаботочный (300mA) выход управления отрицательной полярности блоком (реле) центрального замка автомобиля.
Зеленый провод (импульс открывания) - слаботочный (300mA) выход управления отрицательной полярности блоком (реле) центрального замка автомобиля.
Схема возможного использования слаботочного выхода системы приведена рисунке 1.

Важно ! Прежде, чем использовать прямое подключение слаботочных цепей управления системы к цепям управления центральным замком автомобиля УБЕДИТЕСЬ в том, что токи цепей управления центральным замком АВТОМОБИЛЯ не превышают 300 мА!
Управление центральным замком автомобиля имеющим другие параметры электрических сигналов и логики управления возможно при использовании дополнительной релейной схемы изображенной на рисунке 2.

Провод антенны: Обязательно вытяните тонкий черный провод антенны во всю длину в таком месте, чтобы его невозможно было бы повредить, и закрепите его кабельными стяжками. Запрещается оборачивать данный провод вокруг жгутов, включающих в себя сильноточные провода и провода мощных переключаемых нагрузок.
Настройка датчика удара: Для зоны предупреждения данного датчика автоматически устанавливается на 30% более низкая чувствительность, чем для зоны срабатывания.
Маленькой отверткой аккуратно поверните винт регулировки чувствительности датчика удара до конца против часовой стрелки. (Не прилагайте излишнего усилия при повороте винта регулировки, чтобы не сломать его; максимальный угол поворота данного регулятора равен 270°). Закройте капот и багажник автомобиля и поставьте систему на охрану. Подождите 6 секунд, чтобы стабилизировалась зона триггера вспомогательного оборудования, затем сильно ударьте по заднему бамперу автомобиля кулаком. Сила удара должна быть не меньше той, что требуется для разбивания стекла автомобиля.
Внимание: Никогда при проверке чувствительности датчика удара не бейте по стеклу автомобиля - вы можете его разбить.
Поверните винт регулировки по часовой стрелке (повышая чувствительность датчика удара) приблизительно на 1/4 оборота и повторите проверку срабатывания датчика. Повторяйте данную процедуру до тех пор, пока не сработает система и не зазвучит сигнализация. В конце концов, один существенный удар по бамперу автомобиля будет приводить к подаче серии предупреждающих сигналов сирены.
Предупреждение! Выбор слишком высокой чувствительности датчика удара приведет к ложным срабатываниям системы от сильной вибрации, которая создается, например, проезжающими грузовыми автомобилями или тяжелой техникой. Для уменьшения чувствительности датчика удара поверните винт регулировки датчика против часовой стрелки.
Защита проводов системы: Всегда прокладывайте провода охранной системы в гофрированной трубке или защищайте их, оборачивая по спирали изоляционной лентой. Закрепляйте жгуты проводов вдоль всей длины с помощью кабельных стяжек. Надежное закрепление предотвратит попадание жгута на горячие поверхности двигателя или острые движущиеся детали автомобиля, что может привести к повреждению изоляции проводов системы.
Эксплуатация: Мастер-установщик обязательно должен пометить в Руководстве пользователя все установленные опции и запрограммированные настройки, и полностью разъяснить владельцу автомобиля правила эксплуатации охранной системы.
