НАЗАД

BOSCH

RF

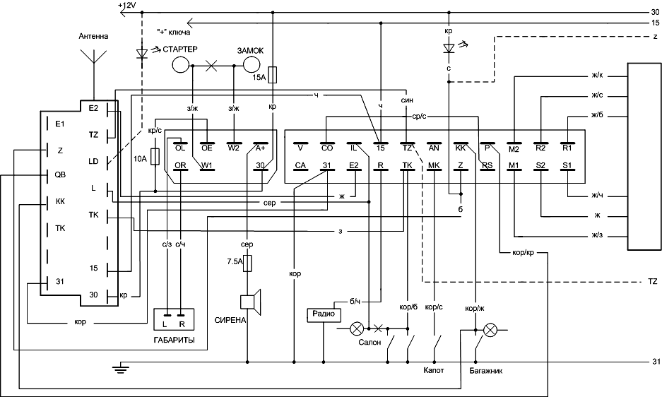
Схема подключения

Схема подключения
26.12.2001