НАЗАД

BOSCH

IR_US

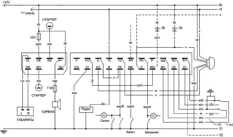
Схема подключения

Схема подключения
25.12.2001