НАЗАД

BOSCH

IR

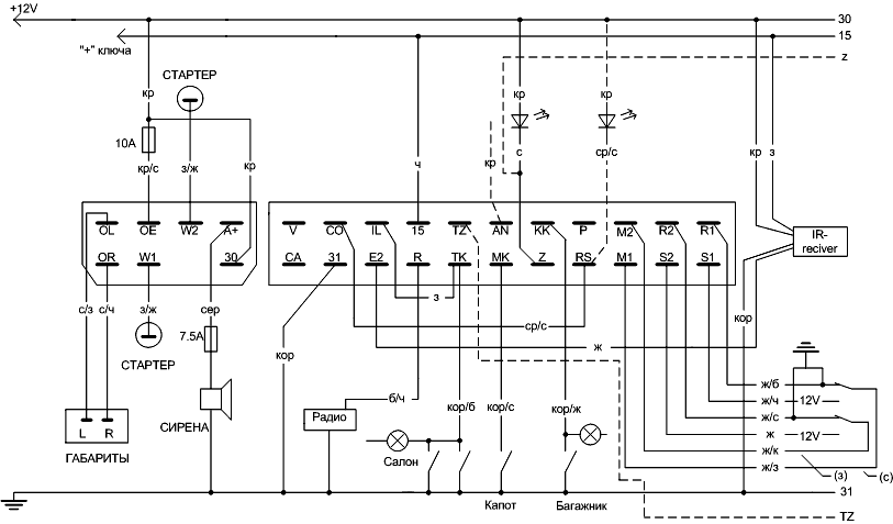
Схема подключения

Схема подключения
26.12.2001