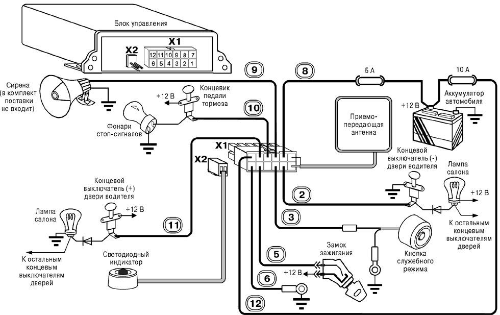
Установите блок управления в салоне автомобиля.
Произведите подключение блока управления в соответствии со схемой (предварительно вынув предохранители из держателей). Номер провода в жгуте совпадает с номером контакта разъема Х1.

Клеммы "земляных" проводов установите под ближайший заводской болт автомобиля. Длина "земляного" провода должна быть минимальна. Заделку клемм "земляных" проводов выполните с помощью специального инструмента методом обжима.
Длина провода 5 должна быть минимальна. Подробно о тонкостях подключения данного провода изложено в разделе "Установка реле HOOK-UP".
Полупроводниковый диод, устанавливаемый между концевым выключателем двери водителя и лампой освещения салона, обеспечивает переход системы в режим опроса транспондера после открывания только двери водителя.
Провод 10 жгута одновременно является входом состояния педали тормоза (активный при + 12 В) и выходом управления световой сигнализации (лампы стоп-сигналов).
На автомобилях оборудованных системой ABS, провод 10 жгута необходимо подключить непосредственно к штатному проводу автомобиля, идущему к лампам стоп-сигналов.
Вариант проверки правильности подключения: через предохранитель 5 А подать +12 В на этот провод и убедиться, что стоп-сигналы светятся при включенном и выключенном зажигании.
На автомобилях, оборудованных системой диагностики приборов освещения и сигнализации (БМВ 5...7 серий, Додж, Крайслер и др.), необходимо убедиться в том, что работают оба стоп-сигнала.
Если цепи управления стоп-сигналами разделены, необходимо применить диодную развязку.

Для правильной работы системы необходимо, чтобы при нажатии на педаль тормоза стоп-сигналы автомобиля светились как при включенном, так и при выключенном зажигании.
Установите индикатор системы на приборной панели в месте, обеспечивающем необходимый обзор.
Установите кнопку служебного режима на приборной панели в месте, обеспечивающем удобство пользования.
Если Ваши специалисты впервые устанавливают систему BLACK BUG PLUS BT-71M на автомобиль определенной модели, необходимо определить места расположения блока управления и антенны, а также места прокладки проводов. Расположение элементов системы должно обеспечивать максимальную дальность опознавания транспондера на автомобиле с работающим двигателем.
Для проверки дальности опознавания, не меняя заводских установок уровней программирования, заведите двигатель, откройте дверь водителя, нажмите и удерживайте педаль тормоза. Система будет непрерывно опрашивать транспондер и при каждом опознавании подавать двукратный звуковой сигнал.
При выборе места расположения элементов системы необходимо учитывать, что дальность опознавания снижают следующие факторы:
Для снижения влияния импульсных помех на блок управления иногда достаточно повернуть его на 90° или сместить на несколько сантиметров.
* На автомобилях выпуска 1998 года и позднее источником помех может быть мультиплексированная шина передачи информации от органов управления, расположенных на рулевом колесе.
Рекомендуется размещать антенну так, чтобы ее диаграмма направленности не была ориентирована на источник помех.
В случае присутствия мешающих излучений рекомендуется использовать транспондер-"метку", а в некоторых случаях заменить рамочную антенну на ферритовую.
Перед установкой приемопередающей рамки в кресло, особенно на автомобилях импортного производства, проверьте достаточность радиуса действия системы наложением и плотным прижатием рамки к спинке кресла. В исключительных случаях возможно уменьшение зоны распознавания, обусловленное наличием непосредственно под обшивкой кресла большого количества металлических конструкций (сеток, реек, моторов и т. д.). В этом случае можно установить рамку в другое место, например, в дверь водителя. Не разбирая дверь, приложите рамку к обшивке двери и проверьте дальность распознавания.

Наибольшая дальность опознавания обеспечивается при параллельном размещении плоскости транспондера-карточки или при перпендикулярном расположении плоскости транспондера-"метки" относительно плоскости приемопередающей рамки.
Выберите место установки антенны. Антенна должна быть расположена на неметаллическом основании в любом подходящем месте автомобиля, по возможности ближе к креслу водителя.
Перед тем как закрепить антенну убедитесь, что система опознает транспондер - "метку" в требуемой зоне. В случае необходимости измените ориентацию антенны, поворачивая ее на небольшой угол или же измените место расположения антенны.
Применение дистанционно управляемых реле HOOK-UP обеспечивает высокий уровень защиты автомобиля. Реле HOOK-UP выполнено в конструкции штатного реле, что обеспечивает высокую скрытность установки, а также позволяет устанавливать реле HOOK-UP вместо штатного реле автомобиля. Управление реле осуществляется специальными кодированными сигналами по штатным проводам автомобиля и не требует прокладки дополнительных проводов. Количество устанавливаемых на автомобиль реле HOOK-UP не ограничено.
Существуют четыре типа дистанционно управляемых реле HOOK-UP: А, В, С и D. Реле типа А, В и С выполнены в корпусе автомобильного реле. Реле типа D имеет оригинальную конструкцию и рассчитано на блокировку сигнала датчика Холла в распределителе зажигания 40.3706 (ВАЗ 2108, 2109, 2110 и др.).
Реле типа А отключают и включают блокировку по командам блока управления. При включении блокировки блокируемая цепь разрывается сразу. Рекомендуется использовать для блокировки цепей стартера или дополнительных цепей.
Реле типа В и D отключают и включают блокировку по командам блока управления. При включении блокировки блокируемая цепь в течение 15 с периодически разрывается и замыкается, после чего окончательно разрывается. Такой алгоритм блокировки имитирует неисправность автомобиля и позволяет перед окончательной блокировкой снизить скорость движущегося автомобиля до безопасного значения. Рекомендуется использовать реле типа В для блокировки цепей зажигания и цепей питания топливного насоса.
Реле типа С отключают блокировку по командам блока управления. Возврат реле в состояние блокировки происходит после снятия питания с реле на время более 5 с. Рекомендуется использовать для блокировки цепей стартера или в случаях, когда разрыв блокируемой цепи во время движения недопустим.
Реле HOOK-UP всех типов, за исключением типа D, предназначены для блокировки цепей с током до 20 А.
Буквенный индекс после типа реле (например, реле типа BN) указывает на вариант исполнения реле. Реле с индексом "N" при подключении требуют соблюдения полярности на выводах 85 и 86 (см. раздел Установка реле HOOK-UP). Для реле с индексом "М" соблюдение полярности не требуется.
Маркировка реле с индексом "N" имеет белый цвет, маркировка реле с индексом "М" имеет красный цвет. Реле типа А промаркированы двумя точками, реле типа В и D промаркированы одной точкой, реле типа С промаркированы тремя точками.
При выборе блокируемой цепи и алгоритма блокировки необходимо иметь в виду, что блокировка во время движения автомобиля не должна приводить к снижению управляемости автомобиля и, как следствие, к созданию аварийных ситуаций. "Геолинк-Электроникс" не несет ответственности при несоблюдении данного требования.
Конструкция и принцип работы дистанционно управляемого реле HOOK-UP позволяют установить его вместо штатного реле автомобиля в подавляющем большинстве случаев.
Назначение некоторых выводов блока управления и дистанционно управляемых реле HOOK-UP
Вывод 5 блока управления регистрация сигнала о включении зажигания, передача кода для управления реле HOOK-UP.
Реле HOOK-UP с индексом "N":
Реле HOOK-UP с индексом "М":
Некоторые особенности подключения
Провод 5 блока управления подсоединяется к проводу, идущему от вывода 15/1 (зажигание включено) замка зажигания.
При подключении и выборе места установки дистанционно управляемых реле HOOK-UP, длина провода связи между выводом 5 блока управления и выводом приема сигналов управления реле HOOK-UP должна быть минимальна.
Сопротивление цепи между выводом 5 блока управления и выводом приема сигналов управления дистанционно управляемого реле HOOK-UP должно быть не более 1,5 Ом.
При включенном зажигании на выводе приема сигналов управления реле HOOK-UP постоянно должно быть +12 В.
Не допускается подключать реле HOOK-UP к цепи, в которой при работе двигателя напряжение +12 В на выводе приема сигналов управления реле или "корпус" на выводе "земляной" шины питания реле будут временно пропадать.
Если +12 В на вывод приема сигналов управления дистанционно управляемого реле поступает не непосредственно с контакта замка зажигания, а через какое-либо устройство (например, компьютер), то провод 5 блока управления должен быть подключен непосредственно к той же цепи, что и вывод приема сигналов управления реле.
Элемент системы автомобиля, цепь которого блокируется, необходимо подключать к выводу 30 дистанционно управляемого реле.
При замене штатного реле на реле HOOK-UP с индексом "N" убедитесь, что вывод 86 штатного реле постоянно подсоединен к "земляной" шине (особенно для реле управления бензонасосом), а на выводе 85 реле при включении зажигания постоянно присутствует +12 В.
При замене штатного реле на реле HOOK-UP с индексом "М" убедитесь, что один из выводов (85 или 86) штатного реле постоянно подсоединен к "земляной" шине (особенно для реле управления бензонасосом), а на другом выводе при включении зажигания постоянно присутствует +12 В.
Ниже приведены схемы подключения дистанционно управляемых реле HOOK-UP.


Дистанционно управляемые реле HOOK-UP рассчитаны на блокировку цепей с током не более 20 А. Для блокировки цепей с большим током необходимо использовать дополнительное реле.
В комплект поставки системы входит дистанционно управляемое реле HOOK-UP, в которое код системы еще не записан. Перед использованием реле необходимо произвести запись кода системы в память реле. Для этого, после установки системы и реле HOOK-UP на автомобиль, внесите транспондер в зону опознавания и включите зажигание на 5 с не заводя двигатель. Код системы будет записан в память реле. Заведите двигатель и убедитесь в правильном функционировании реле.
Количество реле, работающих в составе системы, не ограничено.
После того, как код системы записан в реле, запись другого кода в реле невозможна. Для удаления ошибочно записанного в реле HOOK-UP кода обращайтесь на фирму "Геолинк-Электроникс".
Для работы в составе системы реле HOOK-UP обязательно должны иметь маркировку в виде белых или красных точек (см. Раздел "Описание работы реле HOOK-UP").
При поставке система запрограммирована следующим образом.
Первый уровень: служебный режим выключен.
Второй уровень: подача звукового сигнала при опознавании транспондера включена.
Третий уровень: подача звуковых и световых сигналов тревоги включена.
Четвертый уровень: автопостановка иммобилайзера включена.
Пятый, шестой, седьмой уровни: записаны коды двух комплектных транспондеров.
Восьмой уровень: режим согласования с работой штатного иммобилайзера выключен.
Девятый уровень: управление системой по секретному коду отключено.
Десятый уровень: длительность задержки в дежурном режиме равна нулю.
Одиннадцатый уровень: количество нажатий педали тормоза в дежурном режиме равно 1.
ВНИМАНИЕ ПРИ УСТАНОВКЕ!
В противоугонной системе BLACK BUG PLUS модель ВТ-71МН передача кода для управления реле HOOK-UP осуществляется через контакт 4 разъема Х1 блока управления, соответствующий провод соединительного кабеля не имеет маркировки.
Провод 5 блока управления используется только для регистрации включения зажигания.
При подключении рекомендуется: