Установите блок управления в салоне автомобиля.
Произведите подключение блока управления в соответствии со схемой (предварительно вынув предохранители из держателей). Номер провода в жгуте совпадает с номером контакта разъема Х1.
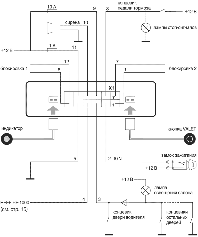
Полупроводниковый диод, устанавливаемый между концевым выключателем двери водителя и лампой освещения салона, обеспечивает переход системы в режим опроса мобильного телефона после открывания только двери водителя.
Провод 8 жгута одновременно является входом состояния педали тормоза (активный при +12 В) и выходом управления световой сигнализации (лампы стоп-сигналов).
На автомобилях, оборудованных системой ABS, провод 8 жгута необходимо подключить непосредственно к штатному проводу автомобиля, идущему к лампам стоп-сигналов.
Вариант проверки правильности подключения: через предохранитель 5 А подать +12 В на этот провод и убедиться, что стоп-сигналы светятся при включенном и выключенном зажигании.
На автомобилях, оборудованных системой диагностики приборов освещения и сигнализации (БМВ 5 и 7 серий, Додж, Крайслер и др.), необходимо убедиться в том, что работают оба стоп-сигнала.
Если цепи управления стоп-сигналами разделены, необходимо применить диодную развязку.


Установите светодиодный индикатор в том месте, где водителю будет удобно наблюдать за состоянием системы.
Установите кнопку VALET в том месте, откуда водителю будет удобно управлять системой.
Защиту автомобиля от угона обеспечивают встроенные реле блокировки.
| Состояние противоугонной системы | Состояние реле блокировок | |
|---|---|---|
| Блокировка 1 | Блокировка 2 | |
| Зажигание выключено | Разомкнута | Замкнута |
| Зажигание включено, работа двигателя разрешена | Замкнута | Замкнута |
| Зажигание включено, работа двигателя запрещена | Разомкнута | Разомкнута |
| Напряжение питания блока управления | 9 …16 В |
| Ток потребления в дежурном режиме | 6 мА |
| Максимальный ток нагрузки, коммутируемый по выходу: | |
| Сирена | 5 А |
| Световая сигнализация | 5 А |
| Реле блокировки | 9 А |
| Рабочий диапазон температур | от -40 °С до +85 °С |
Настройка противоугонной системы осуществляется в режиме программирования.
Для входа в режим программирования введите четырехзначный секретный код следующим образом (допустим, секретный код системы 3019):
С началом ввода первой цифры кода прозвучит звуковой сигнал. Каждое нажатие на кнопку подтверждается миганием индикатора.
При успешном вводе секретного кода прозвучит звуковой сигнал. Индикатор начнет светиться непрерывно. Противоугонная система будет отключена. При неверном вводе секретного кода прозвучит двойной звуковой сигнал.
Повторите попытку.
Если секретный код введен неправильно, то прозвучат два звуковых сигнала. В этом случае выключите зажигание, затем включите его и повторите ввод кода.
Для перехода на следующий уровень программирования нажмите на кнопку VALET. Переход с одного уровня на другой осуществляется последовательно:1 2 3 4 5 6 7 1...
Количество вспышек на индикаторе в одной серии показывают номер текущего уровня (например, если Вы находитесь на ПЯТОМ уровне, то в одной серии произойдет пять коротких вспышек).
| № уровня | Функция | Заводские настройки системы | Настройки после установки системы |
|---|---|---|---|
| 1 | Запись телефона в систему | телефон не прописан | |
| 2 | Двойной звуковой сигнал при опознавании телефона | включен | |
| 3 | Предупредительные и тревожные звуковые и световые сигналы | включен | |
| 4 | Режим автоиммобилайзера | включен | |
| 5 | Запись секретного кода | 1111 | |
| 6 | Длительность задержки перед началом опознавания телефона* | 0 секунд | |
| 7 | Количество нажатий на педаль тормоза перед началом опознавания телефона* | одно нажатие |
*В режиме AntiHiJack (защита от захвата автомобиля).
В систему может быть прописан только один мобильный телефон, поддерживающий технологию Bluetooth. Если Вы захотите записать в систему новый телефон, то информация о старом телефоне будет автоматически удалена.
В телефоне функция Bluetooth должна быть включена в постоянном режиме.
Для записи телефона в систему выполните следующие действия:
К примеру, в телефоне Ericsson T39m для этого войдите в меню, выберите подменю Extras -Bluetooth -Discoverable и нажмите на клавишу "YES" (ответ на звонок).
Для телефона Ericsson R520 это число должно совпадать с PIN-кодом SIM карты. При повторной записи данного телефона в систему удалите из списка устройств в его памяти строку “BLACK BUG”.
Прозвучит звуковой сигнал и система начнет поиск телефона. При этом будет наблюдаться частое мигание индикатора системы.
С клавиатуры телефона подтвердите запрос (в зависимости от модели телефона нажмите на клавишу "YES", "OK" или другую).
Информация о телефоне запишется в систему.
После записи телефона в устройство прозвучит одиночный звуковой сигнал.
Если попытка записи не удалась, то прозвучит двойной звуковой сигнал.
Возможные причины: неправильно введено четырехзначное число, система не обнаружила телефон или нашла более одного устройства. Повторите попытку.
В противоугонную систему записывается информация о встроенном в телефон Bluetooth модуле. Информация о SIM-карте в систему не заносится. Замена в телефоне SIM-карты никаким образом не скажется на работе системы.
Для настройки функции звукового сигнала при опознавании* телефона выполните следующие действия:
Одиночный звуковой сигнал будет означать, что функция включена, двойной - выключена.
* При опознавании системой телефона прозвучит двойной звуковой сигнал. В зависимости от настроек функция подачи звукового сигнала при опознавании телефона может быть отключена.
Состояние этой функции указано в таблице ниже.
Для настройки функции предупредительных и тревожных звуковых и световых сигналов выполните следующие действия:
Одиночный звуковой сигнал будет означать, что функция включена, двойной - выключена.
Противоугонная система может работать как с включенным, так и с выключенным режимом автоиммобилайзера (автоматически взводимого противоугонного устройства):
Основное отличие названных режимов заключается в следующем. При выключенном режиме автоиммобилайзера система позволит завести двигатель и лишь спустя несколько секунд произведет опознавание телефона. В другом - завести двигатель будет невозможно до тех пор, пока система не опознает телефон.
Не начинайте движение на автомобиле до опознавания телефона.
При поставке системы режим автоиммобилайзера включен.
Для настройки режима автоиммобилайзера выполните следующие действия:
Одиночный звуковой сигнал будет означать, что режим включен, двойной - выключен.
Если телефон не был опознан до выключения зажигания, то при следующем его включении работа двигателя будет заблокирована. Блокировки будут сняты только после опознавания телефона. Если телефон не будет опознан в течение 6 секунд, то включатся световые и звуковые сигналы тревоги.
Если при предыдущем включении зажигания телефон был опознан, система работает следующем образом:
Если после выключения зажигания прошло менее 30 секунд, дверь со стороны водителя не открывалась, то при включении зажигания система разрешает работу двигателя без опознавания телефона.
Если открывалась дверь со стороны водителя и после открытия двери прошло не более 30 секунд, а также если с момента выключения зажигания прошло менее одной минуты, то при включении зажигания система разрешает запустить двигатель с последующим опознаванием телефона. Если в течение 6 секунд после включения зажигания телефон не будет опознан, то включатся прерывистые предупредительные световые и звуковые сигналы (в это время будет происходить поиск телефона). Еще через несколько секунд включатся постоянные световые и звуковые сигналы тревоги и блокировка двигателя.
Если открывалась дверь водителя и после открывания двери прошло более 30 секунд, или прошло более минуты с момента выключения зажигания, то при включении зажигания система сразу заблокирует работу двигателя до опознавания телефона.
Если при предыдущем включении зажигания телефон был опознан, то в этом режиме владелец может завести автомобиль и сразу поехать на нем. Распознавание телефона произойдет через несколько секунд.
Если телефон не был опознан до выключения зажигания, то при следующем его включении сразу включится блокировка двигателя. Она выключится только после опознавания телефона. Если в течение 6 секунд телефон не будет опознан, то включатся световые и звуковые сигналы тревоги.
Если при предыдущем включении зажигания телефон был опознан, система работает следующем образом:
Если после выключения зажигания прошло менее 30 секунд, дверь со стороны водителя не открывалась, то при включении зажигания система разрешает работу двигателя без опознавания телефона.
Если после выключения зажигания прошло более 30 секунд или открывалась дверь водителя, то система при включении зажигания разрешает работу двигателя и производит опознавание телефона. Если он в течение 6 секунд не будет опознан, то противоугонная система включит прерывистые световые и звуковые сигналы, а еще через несколько секунд включит блокировку двигателя и постоянные световые и звуковые сигналы тревоги.
Для изменения секретного кода системы выполните следующие действия:
После ввода последней цифры система подаст звуковой сигнал, после чего вспышками на индикаторе, разделенными короткими звуковыми сигналами, воспроизведет новый секретный код. Затем прозвучит еще один звуковой сигнал.
Заводская установка секретного кода системы "1111".
Обязательно произведите смену секретного кода или настоятельно порекомендуйте автовладельцу сделать это самостоятельно.
Для настройки длительности задержки перед началом опознавания телефона выполните следующие действия:
Каждая вспышка на индикаторе равна одной секунде задержки.
Если Вы желаете, чтобы опознавание телефона происходило сразу после нажатия на педаль тормоза, то отпустите педаль, не дожидаясь первой вспышки.
Если Вы хотите, к примеру, чтобы опознавание телефона происходило через две минуты, то отпустите педаль после 120 вспышек на индикаторе.
Задержка настраивается в диапазоне от 0 до 255 секунд.
Для настройки количества нажатий на педаль тормоза перед началом опознавания телефона выполните следующие действия:
Каждая вспышка равна одному нажатию.
Если Вы желаете, чтобы телефон опознавался после первого нажатия на педаль тормоза, то отпустите педаль после первой вспышки, а если, к примеру, после 5 нажатий, то отпустите педаль после 5 вспышек на индикаторе.
Количество нажатий на педаль тормоза перед включением режима устанавливается в диапазоне от 1 до 255.
Выход из режима программирования происходит при выключении зажигания или автоматически, если в течение 40 секунд с Вашей стороны не были предприняты какие-либо действия по настройке системы. При этом прозвучит короткий звуковой сигнал.
Для отключения противоугонной системы (перехода в режим VALET) включите зажигание и ведите секретный код тем же способом, что для входа в режим программирования (см. пункты 1-8).
При успешном вводе секретного кода прозвучит звуковой сигнал. Индикатор начнет светиться непрерывно. Система будет отключена. На автомобиле можно будет ездить с отключенными противоугонными функциями. В любой момент систему можно включить (см. главу "Включение противоугонной системы").
При неверном вводе секретного кода прозвучит двойной звуковой сигнал. Повторите попытку.
Для включения противоугонной системы выполните следующие действия:
Система вернется в обычный режим работы.
Для возвращения системы в обычный режим работы у Вас должен быть при себе включенный мобильный телефон.
Противоугонная система BLACK BUG BT-52BL совместима с автомобильным комплектом громкой связи REEF HF-1000.
Система REEF HF-1000 работает с мобильными телефонами, поддерживающими технологию Bluetooth*. REEF HF-1000 не предусматривает держатель для телефона.
Блок управления системы громкой связи и телефон обмениваются информацией по беспроводному каналу связи Bluetooth.
REEF HF-1000 позволяет ответить на звонок как с помощью нажатия на кнопку управления, так и автоматически. Исходящий звонок осуществляется с помощью голосового набора. Кроме этого, можно позвонить на последний набранный номер, или набрать номер с клавиатуры телефона. При смене мобильного телефона не требуется замена комплекта громкой связи.
Для обеспечения совместной работы провод 4 системы BLACK BUG BT-52BL подключите к соответствующему входу блока управления системы REEF HF-1000.
*Технология беспроводной связи Bluetooth разработана группой компаний Bluetooth SIG,Inc., являющихся мировыми лидерами в области телекоммуникационных и компьютерных технологий: Ericsson, Motorola, Nokia, IBM, Microsoft, Intel, 3COM и другие. Технология Bluetooth обеспечивает надежную и экономичную радиосвязь между различными устройствами. Передаваемая информация надежно шифруется. Расшифровать ее сможет только то устройство, которому она адресована.
09.03.2003