ARTILLECT-secret-2 значительно повышает уровень охраны автомобиля. Секретность обеспечивается использованием мини платы, которая прячется в жгут штатной проводки автомобиля и управляется цифровым кодированным сигналом по одному проводу. Ключ управления “Dallas” обеспечивает секретность 280 триллионов комбинаций. Дополнительные выходы позволяют подключать реле управления капотным замком. Светодиодная и звуковая индикация позволяют владельцу контролировать состояние системы. Благодаря энергонезависимой памяти, система помнит свое состояние и при отключении электропитания.
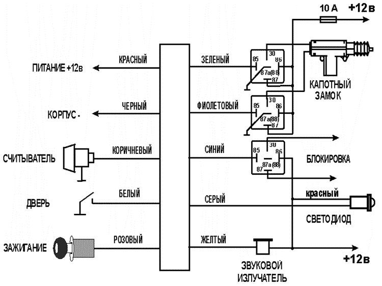
Подключить ARTILLECT-SECRET 2 в соответствии со схемой (гнездо считывателя и светодиод устанавить в удобном для пользователя месте). К зеленому, синиму и феолетовому проводам необходимо подключить стандартные автомобильные 40А реле. Вывод “дверь” желательно подключить к двери водителя, а остальные двери подключить через развязывающий диод. Корпус считывателя подключается к минусовому проводу. Светодиодный индикатор и звуковой излучатель могут использоваться, как совместно, так и по отдельности.
В случае подключения капотного замка, неоходимо установить предохранитель 10 А на провод питания +12в. Длительность импульса закрывания и открывания замка капота 1 секунда.
Если по какой-либо причине вход “ДВЕРЬ” не будет подключен, то его следует подключить к корпусу автомобиля.
При включенном зажигании коснуться ключом–таблеткой гнезда считывателя. При этом светодиод загорится, а звуковой излучатель подаст два коротких сигнала указывая, что блокировка двигателя отключена и можно заводить двигатель, капотный замок откроется.
В режим охраны устройство переходит автоматически, через 20 секунд после выключения зажигания и последующего открывания двери водителя, при этом капотный замок закроется, а светодиод погаснет. Если до истечения этого времени зажигание будет повторно включено, то устройство останется в состоянии снятия с охраны.
Если водительская дверь не подключена, то переход в режим охраны производится через двадцать секунд после выключения зажигания.
Открыть дверь водителя, выключить зажигание коснуться ключом–таблеткой гнезда считывателя и удерживать в течении пяти секунд. При этом светодиод мигнет один раз, а звуковой излучатель подаст один звуковой сигнал указывая, что система перешла в “сервисный режим”.
В “сервисном режиме” при каждом включении зажигания загорается светодиод, звучит короткий звуковой сигнал и производится открывание копотного замка. При выключениии зажигания светодиод сразу гаснет, при этом капотный замок не закрывается.
Для выхода из сервисного режима необходимо при выключенном зажигании коснуться ключем считывателя и удерживать его в течении пяти секунд, система подтвердит выход двумя звуковыми и двумя световыми сигналами.

| Напряжение питания | 9-18В |
| Ток потребления | 5 мА |
| Диапазон рабочих температур | -40 - +85 °С |