Пожалуйста, постоянно соблюдайте следующие меры безопасности:
Данная система имеет 34 программируемых функции. Для удобства программирования эти функции распределены между 3 раздельными меню. 1-е меню программируемых функций системы содержит в основном "пользовательские"функции, 2-е и 3-е меню программируемых функций содержат функции, которые должны программироваться только квалифицированным мастером-установщиком. Примечание: Авторизованные дилеры-установщики могут также запрограммировать функции системы с помощью специального программатора DataWizard. Список программируемых функций системы приведен ниже.
| № | Нажать кнопку |
Нажать кнопку |
Нажать кнопку |
Нажать кнопку |
|---|---|---|---|---|
| 1.1 | Пассивная постановка на охрану включена | Пассивная постановка на охрану выключена | ... | ... |
| 1.2 | Пассивная постановка на охрану с запиранием дверей | Пассивная постановка на охрану без запирания дверей | ... | ... |
| 1.3 | Подтверждающие сигналы сирены включены | Подтверждающие сигналы сирены выключены | ... | ... |
| 1.4 | Отключение системы с помощью переключателя Valet (VALET) | Отключение системы с помощью персонального секретного кода (Code) | От 1 до 9*** | От 1 до 9*** |
| 1.5 | Функция защиты от ложных срабатываний FAPC™ включена | Функция защиты от ложных срабатываний FAPC™ выключена | ... | ... |
| 1.6 | Автоматическое запирание дверей при включении зажигания включено | Автоматическое запирание дверей при включении зажигания выключено | ... | ... |
| 1.7 | Автоматическое отпирание дверей при выключении зажигания включено | Автоматическое отпирание дверей при выключении зажигания выключено | ... | ... |
| 1.8 | При дистанционном открывании багажника система будет также сниматься с охраны | При дистанционном открывании багажника система не будет сниматься с охраны | ... | ... |
| 1.9 | Пассивная блокировка двигателя включена | Пассивная блокировка двигателя выключена | ... | ... |
| 1.10 | Функция Anti-HiJack (AVR™) включена | Функция Anti-HiJack (AVR™) выключена | ... | ... |
| № | Нажать кнопку |
Нажать кнопку |
Нажать кнопку |
Нажать кнопку |
Нажать кнопку |
|---|---|---|---|---|---|
| 2.1 | При снятии системы с охраны указатели поворота включатся 2 раза и затем на 30 секунд | При снятии системы с охраны указатели поворота включатся 2 раза | ... | ... | ... |
| 2.2 | Функция прогрессивного срабатывания от триггера дверей включена | Функция прогрессивного срабатывания от триггера дверей выключена | ... | ... | ... |
| 2.3 | Включение режима охраны через 3 секунды после подтверждающих сигналов сирены | Включение режима охраны через 45 секунд после подтверждающих сигналов сирены | ... | ... | ... |
| 2.4 | Длительность импульса, подаваемого на замки дверей: 0.8 с. | Длительность импульса, подаваемого на замки дверей: 3.5 с. | Запирание: двойной импульс 0.8 с.; отпирание: 0.8 с. | Запирание: 0.8 с; отпирание: двойной импульс 0.8 с. | Запирание:10 с / 28 с. (режим "Комфорт"); отпирание:0.8 с |
| 2.5 | Выход канала 2 системы: "отпирание багажника" | "импульсный" | "постоянный" | "таймерный 30с" | ... |
| 2.6 | Выход канала 3 системы: "импульсный" | "постоянный" | "постоянный до выключения зажигания" | "таймерный 30 с" | ... |
| 2.7 | Функция Зеленого/Черного провода "(-) выход канала 3 системы" | "(-) выход для дополнительной блокировки Н.З. реле" | "(-) выход для управления пейджером" | "(-) выход для закрывания окон" | "(-) выход для отпирания всех дверей" |
| 2.8 | Функция Зеленого/Белого провода "Отрицательный выход для управления внутрисалонным освещением " | "(-) выход для управления пейджером" | ... | ... | ... |
| № | Нажать кнопку |
Нажать кнопку |
Нажать кнопку |
Нажать кнопку |
Нажать кнопку |
|---|---|---|---|---|---|
| 3.1 | Автоматический запуск двигателя выключен | Автоматический запуск двигателя по напряжению | Автоматический запуск двигателя по датчику температуры | Автоматический запуск двигателя и по напряжению и по температуре | ... |
| 3.2 | Автоматический запуск двигателя при температуре ниже - 10° С | Автоматический запуск двигателя при температуре ниже - 15° С | Автоматический запуск двигателя при температуре ниже - 20° С | ... | ... |
| 3.3 | Автоматический запуск двигателя по таймеру через каждые 3 часа | 1 час | 2 часа | 4 часа | 6 часов |
| 3.4 | Контроль работы двигателя включен | Контроль работы двигателя выключен | ... | ... | ... |
| 3.5 | Контроль работы двигателя по сигналу тахометра | Контроль работы двигателя по напряжению в бортовой сети автомобиля | ... | ... | ... |
| 3.6 | Время работы двигателя: 12 мин. *** | 24 мин. | 36 мин. | 48 мин. | 60 мин. |
| 3.7 | Во время работы двигателя указатели поворота автомобиля мигают | Во время работы двигателя указатели поворота автомобиля горят постоянно | ... | ... | ... |
| 3.8 | Функция предварительного "прогрева" аккумулятора перед запуском двигателя включена | Функция предварительного "прогрева" аккумулятора перед запуском двигателя выключена | ... | ... | ... |
| 3.9 | Продолжительность работы стартера при запуске двигателя: 0,6с. | 0.8с. | 1.0с. | 1.2с. | 1.4/1.6/1.8/ 2.0 /2.5 /4 с. |
| 3.10 | Время задержки между включением зажигания и включением стартера при попытке запуска двигателя: 2.0 с. | 1.5с. | 2.5с. | 6с. | 10с. |
| 3.11 | Продолжительность задержки между запуском двигателя и подачей питания на цепь аксессуаров (Оранжевый провод внешнего релейного модуля): 1,5 мин. | 5с. | 30с. | 1 мин. | 2 мин. |
| 3.12 | Проверка напряжения: "высокое" | Проверка напряжения: "низкое" | ... | ... | ... |
| 3.13 | Функция Желтого/Черного провода (3-контактный разъем): "выход для отключения штатной сигнализации" | "выход для управления дополнительным оборудованием" | ... | ... | ... |
| 3.14 | Функция Синего провода (6-контактный разъем): "выход состояния" | "постановка на охрану штатной сигнализации" | ... | ... | ... |
| 3.15 | Блокировка стартера при работающем двигателе включена | Блокировка стартера при работающем двигателе выключена | ... | ... | ... |
| 3.16 | Автоматическая коробка передач | Ручная коробка передач | ... | ... | ... |
| 3.17 | Восстановление заводских установок функций системы | нажать и отпустить кнопку |
... | ... | ... |
*** с помощью программатора Datawizard может быть запрограммировано любое время работы двигателя от 1 минуты до 60 минут.
ВНИМАНИЕ! Функции 2-го (с № 2.3 по № 2.8) и 3-го меню программируемых функций системы должны программироваться ТОЛЬКО квалифицированным мастером при установке системы. Случайное изменение состояние этих функций может привести к неправильной работе или повреждению системы, к причинению ущерба окружающим или к травмам.
Для программирования функций системы:
Для выхода из режима программирования функций системы:
Примечание ***: Программирование персонального кода (функция № 1.4) производится следующим образом:
Пример программирования: Включите функцию автоматического запирания дверей при включении зажигания (функция № 1.6) и запрограммируйте выход канала 2 системы (функция № 2.5) как "постоянный"
| "Пассивная постановка на охрану" | Работа данной функции описана в Инструкции пользователя. |
| "Запирание дверей при пассивной постановке на охрану" | Если данная функция включена, то при пассивной постановке на охрану будут также запираться двери автомобиля. Внимание! Данная функция будет работать только в том случае, если включена программируемая функция № 1.1. |
| "Подтверждающие сигналы сирены при постановке/снятии системы с охраны" | Если данная функция выключена, то при постановке или снятии системы с охраны с помощью передатчика сирена не будет подавать 1 или 2 подтверждающих сигнала. Внимание! 3, 4 и 5 предупредительных сигналов сирены будут подаваться всегда и независимо от состояния данной программируемой функции. |
| "Отключение системы с помощью переключателя Valet или персонального кода" | Работа данной функции описана в инструкции пользователя. |
| "Функция защиты от ложных срабатываний FAPC™" | Работа данной функции описана в инструкции пользователя. |
| "Автоматическое запирание дверей при включении зажигания" | Работа данной функции описана в инструкции пользователя. |
| "Автоматическое отпирание дверей при выключении зажигания" | Работа данной функции описана в инструкции пользователя. |
| "Снятие системы с охраны при дистанционном открывании багажника" | Работа данной функции описана в инструкции пользователя. |
| "Режим пассивной блокировки двигателя" | Работа данной функции описана в инструкции пользователя. |
| "Функция Anti-HiJack (AVR™)" | Работа данной функции описана в инструкции пользователя. |
| "Включение указателей поворота на 30 с. при снятии системы с охраны" | Работа данной функции описана в инструкции пользователя. |
| "Функция прогрессивного срабатывания системы от триггера дверей" | Если данная функция включена и была открыта дверь в то время, когда система находится на охране, сирена сначала в течение 3 секунд будет подавать короткие предупредительные сигналы и только потом включится режим тревоги. Если данная функция выключена -режим тревоги будет включаться немедленно при срабатывании системы от входа триггера дверей. |
| "Задержка включения режима охраны 3 с. / 45 с." | Данная функция необходима при установке на некоторые современные модели автомобилей со штатной задержкой выключения внутрисалонного освещения или с турбодвигателем. Если данная функция включена, система полностью встанет в режим охраны и будет срабатывать от триггеров концевых выключателей дверей через 3 секунды после сигналов подтверждения сирены. В том случае, если в автомобиле установлена штатная задержка выключения внутрисалонного освещения - необходимо будет данную функцию выключить. Тогда, если при постановке системы на охрану с помощью передатчика включено внутрисалонное освещение автомобиля или если одна из дверей автомобиля открыта, система обойдет данную цепь и встанет в режим охраны со стандартными сигналами подтверждения (1 сигнал сирены и 1 мигание указателей поворота), однако через 45 секунд, если данная цепь осталась разомкнутой, сирена подаст 3 сигнала и указатели поворота мигнут 3 раза, подтверждая обход входа триггера двери. Система возьмет эту цепь под охрану через 3 секунды после того, как она перестанет быть активной. |
| "Длительность импульса управления замками дверей" | Данная функция позволяет запрограммировать необходимую длительность импульса управления замками дверей |
| "Выход канала 2 системы" | См. описание подключения Темно-Синего провода основного 12-контактного разъема в настоящей Инструкции |
| "Выход канала 3 системы" | См. описание подключения Зеленого/Черного провода дополнительного 3-контактного разъема в настоящей Инструкции. Для того чтобы данный канал работал в выбранном режиме, функция # 2.7 должна быть запрограммирована как "Выход канала 3". |
| "Функция Зеленого/Черного провода" | См. описание подключения Зеленого/Черного провода дополнительного 3-контактного разъема в настоящей Инструкции |
| "Автоматический запуск двигателя по напряжению / показаниям датчика температуры" |
Данная функция позволяет включить возможность активизации режима автоматического запуска двигателя и определяет, по какому именно датчику он будет производиться. В режиме автоматического запуска по напряжению двигатель будет запускаться при уменьшении напряжения питания в бортовой сети автомобиля ниже 11.5 В, но не ранее чем через 1 час после включения режима охраны или после последнего запуска двигателя (дистанционного или автоматического). В режиме автоматического запуска по температуре двигатель будет запускаться при температуре центрального блока системы ниже запрограммированного значения, но не ранее чем через 1 час после включения режима охраны или после последнего запуска двигателя (дистанционного или автоматического). В любом случае двигатель будет запускаться на время, запрограммированное функцией № 3.6. |
| "Автоматический запуск двигателя при температуре - 10°С, - 15°С, - 20°С" | Данная функция позволяет выбрать оптимальное значение температуры, при котором система будет производить автоматический запуск двигателя. |
| "Интервал между автоматическими запусками двигателя по таймеру" | Данная функция позволяет выбрать необходимый интервал времени между автоматическими запусками двигателя по таймеру. Заводская установка - 3 часа. |
| "Контроль работы двигателя" |
По умолчанию система будет контролировать запуск двигателя либо по сигналу на штатном проводе тахометра автомобиля, либо по напряжению в бортовой сети, в зависимости от того, как запрограммирована функция № 3.5. Если функция контроля работы двигателя выключена, система будет пытаться запустить двигатель автомобиля в течение запрограммированного времени запуска (функция # 3.9) и при этом система не будет проверять по сигналу тахометра или по напряжению, что двигатель автомобиля работает. В этом случае, если двигатель автомобиля не был запущен, зажигание может остаться включенным на весь период времени работы двигателя после дистанционного запуска. Рекомендуется всегда (если это возможно) использовать функцию контроля работы двигателя по тахометру или напряжению |
| "Контроль работы двигателя по сигналу тахометра / по напряжению в бортовой сети автомобиля" |
Данная функция позволяет выбрать метод контроля работы двигателя автомобиля. При выборе контроля по сигналу тахометра система будет пытаться запустить двигатель в течение запрограммированного времени, после чего будет сравнивать текущее значение сигнала тахометра с предварительно запрограммированным сигналом для выключения стартера после успешного запуска двигателя автомобиля. Кроме того, система будет контролировать обороты вращения двигателя и глушить его, если значение оборотов будет выше или ниже определенных пределов. При выборе контроля по напряжению в бортовой сети автомобиля система будет запускать двигатель в течение запрограммированного времени, после чего будет контролировать запуск и работу двигателя автомобиля по росту напряжения в его бортовой сети. Порог для проверки напряжения программируется с помощью функции № 3.12. |
| "Время работы двигателя' | Данная функция позволяет запрограммировать время в минутах, в течение которого будет работать двигатель автомобиля, запущенный дистанционно или автоматически. Запрограммированное время представляет собой максимальный период работы двигателя. Двигатель автомобиля может быть остановлен в любой момент с помощью любой из функций отключения двигателя. |
| "Указатели поворота автомобиля мигают / горят постоянно" |
По умолчанию указатели поворота автомобиля будут мигать в течение всего времени, пока работает двигатель автомобиля, запущенный дистанционно или автоматически. При выборе другого режима указатели поворота автомобиля будут гореть постоянно в течение всего времени, пока работает двигатель автомобиля. |
| "Функция предварительного "прогрева' аккумулятора перед запуском двигателя" | Если используется данная функция, система будет включать указатели поворота на 10 секунд каждый раз перед дистанционным или автоматическим запуском двигателя. Это позволит предварительно "прогреть" аккумуляторную батарею автомобиля перед попыткой запуска стартера. |
| "Продолжительность работы стартера при запуске двигателя" |
Данная функция позволяет установить длительность работы стартера при дистанционном или автоматическом запуске двигателя автомобиля. Если функция контроля работы двигателя отключена (функция № 3.4) или если запрограммирован режим контроля работы двигателя по сигналу тахометра, надо будет обязательно запрограммировать необходимую продолжительность времени работы стартера для запуска двигателя. Если функция контроля работы двигателя включена, то стартер будет отключен сразу после успешного запуска двигателя автомобиля. В этом случае данная функция будет определять лишь максимальное время работы стартера. |
| "Продолжительность задержки между включением зажигания и включением стартера при попытке запуска двигателя" | Данная функция позволяет установить продолжительность задержки между включением зажигания и включением стартера при дистанционном или автоматическом запуске двигателя автомобиля. Значение 10 с может понадобиться для дизельных двигателей, если нет возможности использовать Серый/Черный провод 3-контактного разъема (вход для подключения индикатора "Wait-to-Start"). |
| "Продолжительность задержки между включением двигателя и подачей питания на цепь аксессуаров" | Данная функция позволяет установить задержку между запуском двигателя и подачей питания на Оранжевый провод внешнего релейного модуля. |
| "Проверка напряжения (высокое / низкое)" |
Данная функция необходима только в том случае, если запрограммирована функция контроля работы двигателя по напряжению в бортовой сети автомобиля (функция № 3.5). На некоторых автомобилях при запуске двигателя включается большое количество дополнительных систем или устройств. При этом разница между значениями напряжения в бортовой сети автомобиля, когда двигатель не работает и когда двигатель работает, может быть достаточно мала, и система дистанционного запуска может "решить", что двигатель автомобиля не запущен. Это может привести к принудительной остановке двигателя после его дистанционного запуска. В таком случае запрограммируйте для данной функции режим "низкое напряжение". |
| "Функция Желтого/Черного провода дополнительного 3-контактного разъема системы" |
По умолчанию Желтый/Черный провод будет замыкаться на "массу" каждый раз при дистанционном или автоматическом запуске двигателя и может использоваться для отключения штатной сигнализации (противоугонной системы) автомобиля при запуске двигателя. Данная функция позволяет также запрограммировать Желтый/Черный провод для подачи питания в дополнительные цепи зажигания автомобиля (с использованием дополнительного реле). Данный провод системы должен использоваться для подачи питания в штатные цепи электрической проводки автомобиля, которые управляют работой таких устройств, как, например, радиоприемник или отопитель/кондиционер. |
| "Функция Синего провода 6-контактного разъема системы дистанционного запуска двигателя" |
На Синий провод 6-контактного разъема системы будет подаваться сигнал отрицательной полярности 200 мА в течение всего времени работы двигателя под управлением системы дистанционного запуска (заводская установка). Если Синий провод запрограммирован как "выход для постановки на охрану штатной сигнализации автомобиля", то на данный провод будет подаваться короткий импульс отрицательной полярности каждый раз, когда заканчивается время работы двигателя после дистанционного запуска или когда двигатель выключается с брелока-передатчика. Данная функция может использоваться для повторной постановки на охрану большинства штатных охранных систем автомобиля после того, как они были отключены при запуске двигателя. |
| "Блокировка стартера при работающем двигателе" |
Когда функция блокировки стартера при работающем двигателе автомобиля включена (заводская установка), во время работы двигателя под управлением системы дистанционного запуска будут включены цепи блокировки двигателя (Оранжевый/Белый провод 12-контактного разъема и Зеленый/Черный провод дополнительного 3-контактного разъема в режиме "масса при включенном режиме охраны") даже при отключенной охране. Такой режим защищает от случайного включения стартера ключом зажигания во время работы двигателя под управлением системы дистанционного запуска. Если используются дополнительные устройства, подключенные к данным выходам, например, модуль управления стеклоподъемниками, может потребоваться отключить данную функцию. |
| "Автоматическая / ручная коробка передач" | Данная функция позволяет выбрать тип коробки передач (автоматическая/ручная). В любом случае запуск двигателя будет возможен только при подключении выключателя нейтрального положения. |
| "Восстановление заводских установок функций" | Данная функция позволяет нажатием кнопки |
Для программирования уровня оборотов, соответствующих работе двигателя на холостом ходу:
![]() |
Запустите предварительно прогретый двигатель автомобиля. |
![]() |
В течение 5 секунд нажмите и удерживайте в нажатом положении кнопочный выключатель Valet. |
![]() |
После успешного программирования уровня оборотов холостого хода в память системы СИД начнет постоянно гореть. |
![]() |
Отпустите кнопочный выключатель Valet. Указатели поворота вспыхнут 1 раз и СИД погаснет. |
| Цвет | Функция/Подсоединение |
|---|---|
| ОРАНЖЕВЫЙ/БЕЛЫЙ | Отрицательный выход 500 мА при выключенной охране для блокировки стартера нормально разомкнутым реле |
| 2 БЕЛЫХ ПРОВОДА | Импульсные выходы для управления правыми/левыми указателями поворота автомобиля (+12 В постоянного тока) |
| БЕЛЫЙ/СИНИЙ | Вход управления дистанционным запуском двигателя автомобиля (-) |
| ЗЕЛЕНЫЙ/БЕЛЫЙ | Выход для управления внутрисалонным освещением (-200мА) |
| КОРИЧНЕВЫЙ | (-) триггер двери (Зона 3) |
| ТЕМНО-ЗЕЛЕНЫЙ | (-) триггер багажника (Зона 2) |
| ФИОЛЕТОВЫЙ | (+) триггер двери (Зона 3) |
| ЧЕРНЫЙ | "масса" |
| КРАСНЫЙ | +12В постоянного тока от аккумулятора |
| БЕЛЫЙ/ЧЕРНЫЙ | Выход для подключения сирены (+) |
| КРАСНЫЙ/БЕЛЫЙ | +12В постоянного тока от аккумулятора |
| ТЕМНО-СИНИЙ | Выход канала 2 системы (-200 мА) |
| Цвет | Функция/Подсоединение |
|---|---|
| СЕРЫЙ/ЧЕРНЫЙ | Вход для подключения индикатора "Wait-to-Start" (-) |
| ЖЕЛТЫЙ/ЧЕРНЫЙ | Выход для отключения штатной сигнализации автомобиля / выход для управления дополнительным оборудованием (-) |
| ЗЕЛЕНЫЙ/ЧЕРНЫЙ | Выход канала 3 системы (-200 мА) с программируемыми функциями |
| Цвет | Функция/Подсоединение |
|---|---|
| КРАСНЫЙ | Постоянное питание (+) 12 В |
| ЖЕЛТЫЙ | +12В от замка зажигания (Зона 4) |
| РОЗОВЫЙ | Отрицательный выход 200 мА включения реле питания основной (первичной) зажигания |
| ОРАНЖЕВЫЙ | Отрицательный выход 200 мА включения реле питания цепи аксессуаров (дополнительного оборудования) |
| ФИОЛЕТОВЫЙ | Отрицательный выход 200 мА включения реле питания цепи стартера |
Примечание: Провода 5-контактного разъема системы подключены к проводке внешнего релейного модуля системы и не требуют никакого вмешательства при установке.
| Цвет | Функция/Подсоединение |
|---|---|
| КРАСНЫЙ | Сильноточный вход +12 В |
| КРАСНЫЙ | Сильноточный вход +12 В |
| РОЗОВЫЙ | Выход для питания основной (первичной) цепи зажигания / Вход +12 В от замка зажигания (Зона 4) |
| ОРАНЖЕВЫЙ | Выход для питания цепи аксессуаров (+) |
| ФИОЛЕТОВЫЙ | Выход для питания цепи стартера (+) |
| РОЗОВЫЙ/БЕЛЫЙ | Выход для питания 2-й цепи зажигания (+) |
| Цвет | Функция/Подсоединение |
|---|---|
| СИНИЙ | Выход "состояния" системы дистанционного запуска (-) / Выход для постановки на охрану штатной сигнализации автомобиля |
| СИНИЙ/ЧЕРНЫЙ | Выход для питания 3-й цепи зажигания (-) |
| СЕРЫЙ | (-) триггер капота (Зона 6) |
| КОРИЧНЕВЫЙ/БЕЛЫЙ | (+) триггер педали тормоза / лампы стоп-сигналов (Зона 6) |
| ФИОЛЕТОВЫЙ/БЕЛЫЙ | Вход для подключения тахометра |
| ЧЕРНЫЙ/БЕЛЫЙ | Вход для подключения выключателя нейтрального положения |
Выберите место для установки центрального блока управления в салоне (например, за или под приборной панелью) и закрепите его при помощи двух шурупов. Центральный блок управления можно также закрепить при помощи пластиковых перетяжек. Не устанавливайте центральный блок управления в моторном отсеке, так как он не герметичен. Избегайте устанавливать блок непосредственно на имеющиеся в автомобиле электронные блоки. Они могут быть источником радиопомех, уменьшающих радиус действия передатчика или вызывающих перебои в работе.
Выберите место для установки сирены в моторном отсеке, которое хорошо защищено от доступа из-под днища автомобиля. Не размещайте сирену рядом с сильно нагревающимися узлами или движущимися частями в моторном отсеке. Для предотвращения скопления влаги раструб сирены должен быть направлен вниз. Установите сирену в выбранном месте при помощи входящих в комплект винтов и кронштейна.
В комплект системы входят концевые выключатели для обеспечения охраны капота и багажника (или задней двери) автомобиля. Выключатель должен всегда устанавливаться на служащую массой металлическую поверхность автомобиля. Важно выбрать такое место, где исключается скопление или протекание воды, избегайте мест стока влаги на стенках крыльев капота или багажника. Выбирайте места, защищенные резиновыми прокладками, когда капот закрыт.
Концевой выключатель может быть установлен с помощью прилагаемой скобы или в монтажном отверстии диаметром 6мм (1/4 дюйма). Помните, что при правильной установке концевой выключатель должен иметь ход как минимум 6 мм (1/4 дюйма) при закрывании капота и багажника.
В комплект входит Синий светодиодный индикатор (СИД), который показывает состояние охранной системы. Он должен устанавливаться на приборной панели и быть хорошо виден снаружи автомобиля, но не должен отвлекать водителя. После выбора места установки проверьте возможность прокладки проводов за панелью и убедитесь, что при сверлении отверстия не будут повреждены существующие компоненты.
Просверлите отверстие диаметром 7 мм и пропустите в него с лицевой стороны панели Красный и Синий провода светодиода. Установите светодиод в просверленное отверстие.
Выберите место установки кнопочного выключателя Valet, которое, с одной стороны, должно быть легко доступно для водителя автомобиля, а с другой стороны, не позволит угонщику быстро найти переключатель Valet и отключить систему. Переключатель может быть установлен, например, в нижней части приборной панели в отверстии диаметром 6мм (1/4 дюйма).
Убедитесь в достаточности места для установки корпуса переключателя под панелью и в том, что сверло не повредит имеющиеся компоненты. При любом методе крепления убедитесь в наличии свободного доступа к задней части переключателя для подсоединения проводов при установке.
Выберите твердую поверхность на переборке между салоном и моторным отсеком внутри салона и установите датчик при помощи двух прилагаемых винтов. Датчик также может быть легко установлен при помощи перетяжек под панелью приборов. При любом методе крепления датчика убедитесь в наличии свободного доступа к датчику для его регулировки.
Для обеспечения максимальной дальности действия передатчиков в комплект системы входит внешний супергетеродинный модуль со встроенной антенной. Выберите место для установки модуля на переднем или заднем стекле автомобиля с края, чтобы не ухудшать видимость, либо на или над приборной панелью. Обратите внимание на то, что в ряде новейших моделей автомобилей используется стекла со специальным защитным покрытием, которое может производить экранирующий эффект. В этом случае рекомендуется установка модуля на заднем стекле.
Закрепите модуль в выбранном месте с помощью прилагаемой двусторонней липкой ленты. Для лучшей фиксации мы также рекомендуем закрепить часть провода, идущего от модуля. Проложите провода от модуля антенны к месту установки основного блока системы и подключите их к соответствующему разъему на блоке.
Внимание! Избегайте установки модуля антенны в местах, где он может быть поврежден или около сильноточных жгутов проводки.
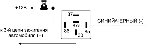
ОРАНЖЕВЫЙ/БЕЛЫЙ провод служит для управления нормально разомкнутым реле блокировки стартера. Это отрицательный транзисторный слаботочный выход (максимальный ток нагрузки 500 мА) и должен использоваться только для управления катушкой реле блокировки стартера.
ВНИМАНИЕ: Реле блокировки стартера должно быть подключено к цепи включения стартера между замком зажигания и местом подсоединения ФИОЛЕТОВОГО провода внешнего релейного модуля системы.
Подсоединение: ОРАНЖЕВЫЙ/БЕЛЫЙ провод системы подсоединен готовой проводкой к клемме # 85 реле. ЖЕЛТЫЙ провод системы подсоединен к клемме # 86 реле.
Подсоедините ЖЕЛТЫЙ провод, идущий от клеммы # 86 реле, к проводу от замка зажигания, на который поступает напряжение +12 В, когда ключ зажигания находится в положении "ВКЛ." ("ON") И "ЗАПУСК" ("CRANK"), и напряжение 0В, когда ключ зажигания находится в положениях "ВЫКЛ." ("OFF") и "АСС".
Перережьте провод, идущий от замка зажигания, к соленоиду стартера автомобиля. Подсоедините ту часть перерезанного провода, которая идет от замка зажигания, к толстому ЧЕРНОМУ проводу, идущему от клеммы # 30 реле. Подсоедините другую часть перерезанного провода к толстому ЧЕРНОМУ проводу, идущему от клеммы # 87 реле.
Примечание: Обратите внимание на то, что питание на реле блокировки будет подаваться только в момент попытки завести двигатель. Таким образом, реле блокировки будет потреблять энергию аккумулятора только в момент попытки запуска в то время, когда система находится в режиме охраны.
ВНИМАНИЕ: Если используется функция Anti-HiJack, мы не рекомендуем подключать ОРАНЖЕВЫЙ/БЕЛЫЙ провод для блокировки какой-либо иной цепи, кроме цепи стартера.
1) Эти провода обеспечивают мигание указателей поворота при постановке и снятии системы с охраны, а также при срабатывании системы, при включении режима "Паника" и при срабатывании режима "Anti-HiJack" (если данная функция включена).
Подсоединение: Подсоедините БЕЛЫЕ провода системы к правым и левым указателям поворота автомобиля, как показано на схеме.

2) Вы также можете использовать БЕЛЫЕ провода системы для управления габаритными огнями автомобиля вместо указателей поворота:

Кратковременная подача сигнала отрицательной полярности на данный вход системы аналогичен нажатию кнопок
и
(кнопок
и
) передатчика на 3 секунды и будет вызывать запуск двигателя.
Подсоединение: Вы можете подсоединить этот провод к дополнительному выключателю для ручного включения или выключения дистанционного запуска двигателя автомобиля.
1) ЗЕЛЕНЫЙ/БЕЛЫЙ провод замыкается на "массу" на 30 секунд после снятия системы с охраны и импульсно замыкается на "массу" при срабатывании системы, обеспечивая включения внутрисалонного освещения.
Это транзисторный слаботочный выход (200 мА) и должен использоваться только для управления катушкой дополнительного реле.

Подсоединение: Подсоедините ЗЕЛЕНЫЙ/БЕЛЫЙ провод к клемме № 86 дополнительного 30А реле и подсоедините клемму № 85 реле к +12В через предохранитель. Подсоедините остальные контакты реле в соответствии с полярностью цепи внутрисалонного освещения автомобиля как показано на схемах.
ВНИМАНИЕ: Обязательно используйте диод для изолирования цепи управления внутрисалонным освещением от цепи триггера двери. В противном случае не сможет правильно работать функция пассивной постановки на охрану и функция автоматической повторной постановки системы в режим охраны.
2) ЗЕЛЕНЫЙ/БЕЛЫЙ провод может быть также запрограммирован как "отрицательный выход для управления пейджером". В этом случае ЗЕЛЕНЫЙ/БЕЛЫЙ провод будет замыкаться на "массу" только при срабатывании системы.
Подсоединение: Подсоедините ЗЕЛЕНЫЙ/БЕЛЫЙ провод к проводу отрицательного триггера дополнительного пейджера. В том случае, если пейджер управляется положительным триггером, используйте дополнительное реле, как показано на схеме ниже.

Замыкание КОРИЧНЕВОГО провода на "массу" при открывании двери автомобиля обеспечивает немедленное срабатывание системы (зона охраны 3). Подсоединение триггера двери также необходимо для обеспечения работы функции пассивной постановки на охрану и для включения функции Anti-HiJack.
Подсоединение: Если штатный концевой выключатель двери замыкается на "массу" при открывании дверей (это типично для большинства автомобилей), Вы должны подсоединить КОРИЧНЕВЫЙ провод к одному из штатных концевых выключателей. В большинстве случаев КОРИЧНЕВЫЙ провод достаточно подсоединить только к одному концевому выключателю независимо от количества дверей в автомобиле.
ВНИМАНИЕ: Не используйте КОРИЧНЕВЫЙ провод, если полярность концевых выключателей дверей в автомобиле +12В (См. подключение ФИОЛЕТОВОГО провода).
Когда система находится в режиме охраны, при замыкании ТЕМНО-ЗЕЛЕНОГО провода на "массу" произойдет немедленное срабатывание системы (зона охраны 2).
Подсоединение: Подсоедините ТЕМНО-ЗЕЛЕНЫЙ провод к предварительно установленному концевому выключателю багажника отрицательной полярности.
Замыкание ФИОЛЕТОВОГО провода на +12В при открывании двери автомобиля обеспечивает немедленное срабатывание системы (зона охраны 3). Подсоединение триггера двери также необходимо для обеспечения работы функции пассивной постановки на охрану и для включения функции Anti-HiJack.
Подсоединение: Если выключатель внутрисалонного освещения имеет на выходе +12В при открывании двери (большинство автомобилей Ford, ГАЗ), Вы должны подсоединить ФИОЛЕТОВЫЙ провод к одному из штатных концевых выключателей. В большинстве случаев ФИОЛЕТОВЫЙ провод достаточно подсоединить только к одному концевому выключателю независимо от количества дверей в автомобиле.
ВНИМАНИЕ: Не используйте ФИОЛЕТОВЫЙ провод, если концевые выключатели дверей отрицательной полярности (См. подключение КОРИЧНЕВОГО провода).
Черный провод подает "массу" на основной блок системы.
Подсоединение: Подсоедините ЧЕРНЫЙ провод системы к отрицательной клемме аккумулятора или к заземленным частям корпуса автомобиля.
Этот провод подает питание на основной блок системы и на встроенное реле управления указателями поворота. Подсоедините КРАСНЫЙ провод с предохранителем 15А к +12В постоянного тока от аккумулятора автомобиля, предварительно вынув предохранитель из гнезда.
Данный провод предназначен для управления сиреной системы. Проложите этот провод через резиновую втулку в теплоизоляционной перегородке к месту установки сирены.
Подсоединение: Подсоедините БЕЛЫЙ/ЧЕРНЫЙ провод к Красному проводу сирены. Подсоедините Черный провод массы сирены к "массе".
Этот провод подает питание на основной блок системы. Он подсоединен через предохранитель 5А к КРАСНОМУ проводу системы.
1) ТЕМНО-СИНИЙ провод замыкается на "массу" на 1 секунду при нажатии и удерживании кнопки
передатчика (кнопки 2) на 3 секунды при снятой охране и выключенном зажигании и используется для дистанционного открывания электрического замка крышки багажника (если автомобиль им оборудован).
Выход канала 2 системы будет также работать при включенном зажигании, но только если в этот момент открыта одна из дверей автомобиля. Это предотвратит случайное открывание багажника при движении автомобиля.
Если же выход канала 2 активизирован при включенном режиме охраны, то в этом случае система одновременно на 3 секунды отключит датчик удара, дополнительный датчик и триггер капота/багажника для того, чтобы открывание багажника не вызвало срабатывание системы. Через 3 секунды после того, как багажник будет закрыт, система опять автоматически возьмет эти цепи под охрану.
Это отрицательный транзисторный слаботочный выход (максимальный ток нагрузки 200 мА) и должен использоваться только для управления катушкой дополнительного реле.
ВНИМАНИЕ. Подсоединение ТЕМНО-СИНЕГО провода непосредственно к сильноточным цепям замка багажника или к некоторым устройствам дистанционного запуска двигателя приведет к повреждению основного блока системы.

Подсоединение: Подсоедините ТЕМНО-СИНИЙ провод к клемме №85 дополнительного 30А реле, подсоедините клемму № 86 реле к +12В. Подсоедините остальные контакты реле как показано на схеме или в соответствии с выбранной функцией выхода канала 2 системы.
2) Выход канала 2 системы (ТЕМНО-СИНИЙ провод) может также использоваться для управления различными иными дополнительными устройствами. Режим работы выхода канала 2 в этом случае может быть запрограммирован при установке системы (программируемая функция № 2.5) как:
В любом из описанных выше случаев:
Подсоединение: Подсоедините ТЕМНО-СИНИЙ провод к клемме № 85 дополнительного 30А реле, подсоедините клемму № 86 реле к + 12В. Подсоедините остальные контакты реле в соответствии с выбранной функцией Канала 2 системы.
При установке системы на автомобиль с дизельным двигателем необходимо подключится к проводу включения индикаторной лампы "Wait-to-Start" ("Подождите перед запуском двигателя"), которая находится на приборной панели автомобилей с дизельным двигателем. Индикаторная лампа горит (т.е. по искомому проводу на нее подается питание) до тех пор, пока работают свечи предпускового прогрева двигателя автомобиля. Двигатель может быть запущен только тогда, когда погаснет данная индикаторная лампа. Необходимый провод можно найти непосредственно на разъеме, к которому подключена индикаторная лампа. На ряде автомобилей подключение к данному проводу производится на модуле ЕСМ (модуль управления двигателем). Подключение этого провода необходимо для того, чтобы система могла правильно определить тип двигателя автомобиля
В большинстве автомобилей на провод включения лампы подается отрицательная полярность ("масса"), поэтому СЕРЫЙ/ЧЕРНЫЙ провод системы может быть подключен непосредственно к данному проводу штатной проводки автомобиля. Если в автомобиле на провод включения лампы подается положительная полярность (лампа включается при подаче питания +12 В), то для изменения полярности необходимо использовать дополнительное реле. Обычно в штатной проводке автомобиля используется следующий цвет:
Поиск провода включения индикаторной лампы "Wait-to-Start" и определение его полярности:
Примечание: В штатный провод включения лампы между самой индикаторной лампой и модулем управления двигателем (ЕСМ) необходимо установить диод, рассчитанный на ток 1 А. (Более подробная информация приводится на схемах ниже.)

1) ЖЕЛТЫЙ/ЧЕРНЫЙ провод будет замыкаться на "массу" каждый раз при дистанционном или автоматическом запуске двигателя автомобиля и может использоваться для отключения штатной сигнализации (противоугонной системы) автомобиля при запуске двигателя. Для подачи импульса отрицательной (-) или положительной (+) полярности на штатную систему сигнализации, установленную на автомобиле, используйте дополнительные реле, как показано на схемах ниже.

2) ЖЕЛТЫЙ/ЧЕРНЫЙ провод может быть запрограммирован для управления дополнительным оборудованием автомобиля (программируемая функция № 3.13). В этом случае ЖЕЛТЫЙ/ЧЕРНЫЙ провод может использоваться для подачи питания в штатные цепи электрической проводки автомобиля, которые управляют работой таких устройств, как, например, радиоприемник/автомагнитола или отопитель/кондиционер (необходимо также использовать дополнительное реле).
Подсоединение: Подсоедините ЖЕЛТЫЙ/ЧЕРНЫЙ провод 3-контактного разъема к клемме # 85 дополнительного 30А реле, подсоедините контакт # 86 реле к +12 В. Подсоедините остальные контакты реле в соответствии с выбранной функцией ЖЕЛТОГО/ЧЕРНОГО провода.
ВНИМАНИЕ: Используйте данный провод только для управления дополнительным реле или подачи сигнала на слаботочный вход! Транзисторный выход способен обеспечить подачу тока, не превышающего 200 мА. Подключение ЗЕЛЕНОГО/ЧЕРНОГО провода непосредственно к соленоиду электродвигателя или другому устройству, потребляющему большой ток, может привести к повреждению данного выхода системы.
В зависимости от состояния программируемой функции № 2.7 ЗЕЛЕНЫЙ/ЧЕРНЫЙ провод системы может использоваться как:
1) Если ЗЕЛЕНЫЙ/ЧЕРНЫЙ провод запрограммирован как "отрицательный выход канала 3 системы" он будет замыкаться на "массу" на 1 секунду при одновременном нажатии кнопок
и
(кнопок 1 и 3) передатчика и должен использоваться для дистанционного управления дополнительными устройствами.
Режим работы выхода канала 3 может быть запрограммирован при установке системы (программируемая функция № 2.6) как:
В любом из описанных выше случаев:

Подсоединение: Подсоедините ЗЕЛЕНЫЙ/ЧЕРНЫЙ провод к клемме № 85 дополнительного 30А реле, подсоедините клемму № 86 реле к +12В. Подсоедините остальные контакты реле в соответствии с выбранной функцией канала 3 системы.
2) ЗЕЛЕНЫЙ/ЧЕРНЫЙ провод может быть также запрограммирован как "отрицательный выход при включенном режиме охраны" (программируемая функция № 2.7) и тогда ЗЕЛЕНЫЙ/ЧЕРНЫЙ провод уже более не будет замыкаться на "массу" при нажатии кнопок передатчика. Вместо этого ЗЕЛЕНЫЙ/ЧЕРНЫЙ провод будет замыкаться на "массу" при включении режима охраны и может использоваться для управления дополнительным нормально замкнутым реле блокировки стартера или зажигания Ниже описан вариант подключения для дополнительной блокировки стартера.
ВНИМАНИЕ: Дополнительное реле блокировки стартера должно быть подключено к цепи включения стартера между замком зажигания и местом подсоединения ФИОЛЕТОВОГО провода внешнего релейного модуля системы. Если используется блокировка цепи зажигания, то данное реле должно быть подключено к проводу, идущему от замка зажигания, между замком зажигания и местом подключения РОЗОВОГО провода внешнего релейного модуля системы.
Подсоединение: Подсоедините ЗЕЛЕНЫЙ/ЧЕРНЫЙ провод системы к клемме № 86 дополнительного реле. Подсоедините клемму № 85 реле к проводу от замка зажигания, на который поступает напряжение +12В, когда ключ зажигания находится в положении "ЗАПУСК" (CRANK), и присутствует напряжение 0В, когда ключ зажигания находится в любом ином положении.
Перережьте вышенайденный провод от замка зажигания, идущий к соленоиду стартера автомобиля, и подсоедините ту часть обрезанного провода, которая идет от замка зажигания, к клемме № 87А реле. Подсоедините другую часть провода к клемме № 30 реле.

Примечание: Обратите внимание на то, что при использовании такого варианта подсоединения питание на реле блокировки будет подаваться только в момент попытки завести двигатель, таким образом, реле блокировки будет потреблять энергию аккумулятора только в момент попытки запуска двигателя.
ВНИМАНИЕ: Если используется функция Anti-HiJack, мы не рекомендуем подключать ЗЕЛЕНЫЙ/ЧЕРНЫЙ провод для блокировки какой-либо иной цепи, кроме цепи стартера!
3) ЗЕЛЕНЫЙ/ЧЕРНЫЙ провод может быть также запрограммирован как "отрицательный выход для управления пейджером" (программируемая функция № 2.7). В этом случае он также уже более не будет замыкаться на "массу" при нажатии кнопок передатчика. Вместо этого ЗЕЛЕНЫЙ/ЧЕРНЫЙ провод будет замыкаться на "массу" только при срабатывании системы.
Подсоединение: Подсоедините ЗЕЛЕНЫЙ/ЧЕРНЫЙ провод к проводу отрицательного триггера дополнительного пейджера. В том случае, если пейджер управляется положительным триггером, используйте дополнительное реле, как показано на схеме подключения пейджера к ЗЕЛЕНОМУ/БЕЛОМУ провору 12-контактного разъема системы.
4) Если автомобиль оборудован электрическими стеклоподъемниками ЗЕЛЕНЫ/ЧЕРНЫ провод быть также запрограммирован как "отрицательный выход для закрывания окон автомобиля при постановке системы на охрану" (программируемая функция № 2.7). В этом случае ЗЕЛЕНЫЙ/ЧЕРНЫЙ провод также уже более не будет замыкаться на "массу" при нажатии кнопок передатчика. Вместо этого ЗЕЛЕНЫЙ/ЧЕРНЫЙ провод будет замыкаться на "массу" на 30 секунд после постановки системы на охрану с помощью брелка-передатчика. Нажатие любой кнопки передатчика в течение этих 30 секунд остановит работу данного выхода системы
Для того, чтобы работа электрических стеклоподъемников не вызвала срабатывания системы, система автоматически отключит вход датчика удара и вход дополнительного датчика на все время, пока данный выход активизирован + еще 3 секунды.
Подсоединение: Найдите провод штатного модуля управления электрическими стеклоподъемниками автомобиля, при замыкании которого на "массу" происходит закрывание окон. Подсоедините ЗЕЛЕНЫЙ/ЧЕРНЫЙ провод к данному проводу.
5) ЗЕЛЕНЫЙ/ЧЕРНЫЙ провод может быть также запрограммирован как "отрицательный выход для отпирания всех дверей" для реализации функции отпирания дверей в 2 этапа при снятии системы с охраны (программируемая функция № 2.7). В этом случае ЗЕЛЕНЫЙ/ЧЕРНЫЙ провод также уже более не будет замыкаться на "массу" при нажатии кнопок
и
передатчика. Вместо этого ЗЕЛЕНЫЙ/ЧЕРНЫЙ провод будет замыкаться на "массу" на 1 секунду при повторном нажатии кнопки
передатчика в течение 3 секунд после снятия системы с охраны.
Подсоединение: Для реализации данной функции необходимо будет подсоединить провода отпирания 6-контактного разъема системы только к электроприводу, установленному в двери водителя. Подсоедините ЗЕЛЕНЫЙ/ЧЕРНЫЙ провод (используя, при необходимости, дополнительные реле) к проводам отпирания всех остальных дверей
Провода 5-контактного разъема системы подключены к проводке внешнего релейного модуля системы и не требуют никакого вмешательства при установке. Функции эти проводов описаны ниже:
КРАСНЫЙ провод 5-контактного разъема подает питание +12 В на катушки реле внешнего релейного модуля системы.
ЖЕЛТЫЙ провод информирует систему о наличии/отсутствии питания на замке зажигания.
При замыкании РОЗОВОГО провода 5-контактного разъема на "массу" РОЗОВЫЙ провод внешнего релейного модуля системы будет подавать питание в основную (первичную) цепь зажигания автомобиля.
При замыкании ОРАНЖЕВОГО провода 5-контактного разъема на "массу" ОРАНЖЕВЫЙ провод внешнего релейного модуля системы будет подавать питание в цепь аксессуаров (дополнительного оборудования) автомобиля.
При замыкании ФИОЛЕТОВОГО провода 5-контактного разъема на "массу" ФИОЛЕТОВЫЙ провод внешнего релейного модуля системы будет подавать питание в цепь включения стартера автомобиля.
2 КРАСНЫХ силовых провода внешнего релейного модуля системы используются для подачи тока во все цепи, питаемые с помощью внешнего релейного модуля системы. Они должны быть подключены к сильноточному источнику питания.
Подсоединение: Рекомендуется подключить оба КРАСНЫХ провода внешнего релейного модуля системы к положительной клемме аккумулятора. Вы также можете подключить их к проводу подачи питания +12 В на замок зажигания, но в этом случае необходимо предварительно убедиться в том, что данный источник питания способен коммутировать сильные токи. Если штатная электрическая проводка автомобиля предусматривает два отдельных провода подачи питания +12 В на замок зажигания, подключите по одному Красному проводу внешнего релейного модуля системы к каждому из проводов подачи питания на замок зажигания автомобиля
Перед подключением данных проводов выньте из гнезд два 30-амперных предохранителя. Не устанавливайте предохранители на место до тех пор, пока все провода внешнего релейного модуля не будут подключены к основному модулю системы.
Подсоединение: Подключите РОЗОВЫЙ провод внешнего релейного модуля системы к штатному проводу зажигания автомобиля, на котором имеется питание +12 В, когда ключ зажигания находится в положениях "ВКЛ" ("ON") и "ЗАПУСК" (CRANK), и напряжение 0В, когда ключ зажигания находится в положениях "ВЫКЛ." ("OFF") и "АСС".
ВНИМАНИЕ. Если используется дополнительная блокировка цепи зажигания автомобиля, то РОЗОВЫЙ провод внешнего релейного модуля системы должен быть подключен к проводу, идущему от замка зажигания, между местом установки дополнительного реле блокировки и катушкой зажигания.
Подсоединение: Подключите ОРАНЖЕВЫЙ провод внешнего релейного модуля системы к проводу, идущему от замка зажигания, который подает питание на аксессуары (дополнительное оборудование автомобиля, например, на систему климат-контроля). На данном проводе должно быть питание +12 В, когда ключ зажигания находится в положениях "ВКЛ" ("ON") и "АСС", и напряжение 0В, когда ключ зажигания находится в положениях "ВЫКЛ." ("OFF") и "ЗАПУСК" (CRANK).
При необходимости ОРАНЖЕВЫЙ провод может быть подключен не ко всей цепи питания аксессуаров (дополнительного оборудования), а к штатному проводу питания какого-либо конкретного устройства (например, кондиционера или отопителя).
Примечание: Обратите внимание на то, что при дистанционном или автоматическом запуске двигателя питание на ОРАНЖЕВЫЙ провод внешнего релейного модуля системы будет подаваться не сразу, а с некоторой задержкой, программируемой функцией № 3.11. Заводская установка времени задержки 1,5 минуты.
Подсоединение: Подключите силовой ФИОЛЕТОВЫЙ провод внешнего релейного модуля системы к штатному проводу включения стартера автомобиля.
ВНИМАНИЕ: Силовой ФИОЛЕТОВЫЙ провод должен быть подключен штатному проводу включения стартера между соленоидом стартера и местом подключения реле блокировки стартера.
Подключите РОЗОВЫЙ/БЕЛЫЙ провод внешнего релейного модуля системы к штатному проводу 2-й цепи зажигания автомобиля.
Примечание: Если на автомобиле нет штатного провода 2-й цепи зажигания, РОЗОВЫЙ/БЕЛЫЙ провод внешнего релейного модуля системы подключать не нужно.
1) На СИНИЙ провод б-контактного разъема системы подается сигнал отрицательной полярности 200 мА в течение всего времени работы двигателя автомобиля под управлением системы дистанционного или автоматического запуска. Данный провод может использоваться для отключения дополнительных датчиков на время работы двигателя (с использованием дополнительных реле), как показано на схеме ниже.

2) СИНИЙ провод системы также может быть запрограммирован для постановки на охрану штатной системы сигнализации автомобиля после остановки двигателя, запущенного с помощью системы дистанционного запуска (программируемая функция № 3.14). В этом случае на СИНИЙ провод будет подаваться короткий импульс отрицательной полярности каждый раз, когда заканчивается время работы двигателя после дистанционного запуска или когда двигатель выключается с брелока-передатчика. Данная функция может использоваться для повторной постановки на охрану большинства штатных систем сигнализации автомобиля после того, как они были отключены при запуске двигателя автомобиля.
Подсоединение: Подключите СИНИЙ провод 6-контактного разъема системы к (-) или (+) проводу постановки штатной сигнализации на охрану, используя дополнительное реле.
СИНИЙ/ЧЕРНЫЙ провод замыкается на "массу" каждый раз при дистанционном или автоматическом запуске двигателя автомобиля. Данный провод может использоваться для управления дополнительным реле, подающим питание +12 В в третью цепь зажигания автомобиля (если это необходимо).
Подсоединение: Подсоедините СИНИЙ/ЧЕРНЫЙ провод к клемме № 85 дополнительного 30А реле, подсоедините остальные контакты реле как показано на схеме ниже:

ВНИМАНИЕ: Для обеспечения работы системы дистанционного запуска двигателя автомобиля СЕРЫЙ провод системы должен быть подключен к концевому выключателю капота.
Когда система находится в режиме охраны, при замыкании СЕРОГО провода на "массу" произойдет немедленное срабатывание системы (зона охраны 6).
Данный вход используется также для блокировки запуска двигателя при открытом капоте автомобиля и для выключения двигателя, работающего под управлением системы дистанционного запуска, при открывании капота автомобиля.
Подсоединение: Подсоедините СЕРЫЙ провод к предварительно установленному концевому выключателю капота автомобиля.
ВНИМАНИЕ: Для обеспечения работы системы дистанционного запуска двигателя автомобиля КОРИЧНЕВЫЕ/БЕЛЫЙ провод системы должен быть подключен к цепи стоп-сигналов автомобиля.
Данный вход системы используется в первую очередь для блокировки запуска двигателя при нажатой педали тормоза и для выключения двигателя, работающего под управлением системы дистанционного запуска, при нажатии педали тормоза.
Помимо этого, нажатие педали тормоза, когда система находится в режиме охраны, приведет к немедленному к срабатыванию системы (зона охраны 6).
Подсоединение: Подсоедините КОРИЧНЕВЫЙ/БЕЛЫЙ провод 6-контактного разъема системы к проводу, от стоп-сигналов автомобиля, на котором появляется +12 В при нажатии педали тормоза.
Данный вход позволяет подавать на модуль управления системы сигнал, несущий информацию об уровне оборотов двигателя автомобиля (в оборотах в минуту).
Подсоединение: Для того чтобы правильно найти провод тахометра, необходимо использовать мультиметр, позволяющий измерять напряжение переменного тока. На проводе тахометра должно быть напряжение от 1 В до 6 В переменного тока. Обычно к проводу тахометра удобнее всего подключиться непосредственно на катушке зажигания, на задней стороне панели измерительных приборов, а также на устройствах управления двигателем или автоматической трансмиссией. ФИОЛЕТОВЫЙ/БЕЛЫЙ провод системы следует подключать:
Если в автомобиле используется многокатушечная система зажигания систему можно подключить к минусовому (-) выводу одной из катушек. Обратите внимание, что на проводах отдельных катушек многокатушечной системы зажигания будет более низкое значение напряжения переменного тока. Подключение к выводу катушки зажигания автомобиля все-таки наименее желательно, поскольку импульсы в данной цепи имеют сложную форму и высокий уровень помех.
ВНИМАНИЕ: При поиске провода тахометра никогда не используйте проверочную лампу или логический пробник! Это может привести к повреждению систем автомобиля.
Поиск провода тахометра с помощью мультиметра:
ВНИМАНИЕ: После подключения ФИОЛЕТОВОГО/БЕЛОГО провода необходимо провести процедуру программирования в память системы уровня оборотов, соответствующих работе двигателя на холостом ходу.
Подсоединение: Подключите ЧЕРНЫЙ/БЕЛЫЙ провод к входящему в комплект системы тумблеру, как показано на рисунке А. Подключите другой провод тумблера к выключателю нейтрального положения (PARK/NEUTRAL) автомобиля.
На некоторых автомобилях выключатель нейтрального положения ("PARKTNEUTRAL") включает платную систему блокировки стартера автомобиля, что позволяет не допустить включение стартера, когда автомобиль находится на передаче. При установке системы на таких автомобилях подключите ЧЕРНЫЙ/БЕЛЬ'М провод системы к тумблеру, как показано на рисунке Б. Другой провод тумблера подключите к "массе" (металлической детали кузова автомобиля).
ВНИМАНИЕ: Обязательно проведите проверку, описанную в разделе "Проверка работы системы дистанционного запуска" в данной Инструкции, для того чтобы убедиться, что двигатель автомобиля не может быть запущен, когда автомобиль находится на передаче, и что тумблер блокировки дистанционного запуска работает правильно.

В случае установки системы на автомобиль с ручной коробкой передач подключите ЧЕРНЫЙ/БЕЛЫЙ провод системы к тумблеру, как показано на рисунке Б.
ВНИМАНИЕ: Если система запрограммирована для установки на автомобиль с ручной коробкой передач, то дистанционный или автоматический запуск двигателя будет возможен только при условии выполнения процедуры проверки "логической нейтрали" "Safe Start" (см. описание данной функции в Инструкции пользователя)
На некоторых автомобилях не установлен электрический выключатель нейтрального положения. Вместо этого, установлен механический выключатель нейтрального положения, который физически "разрывает" провод стартера, когда автомобиль находится на передаче. Если система дистанционного запуска двигателя будет подключена к проводу стартера до места установки данного выключателя, это позволит обеспечить защиту от запуска двигателя автомобиля, находящегося на передаче. Однако, на некоторых автомобилях механизм переключения передач, находящийся на рулевой колонке, совмещен с механическим выключателем нейтрального положения в один узел. На таких автомобилях подключить систему дистанционного запуска двигателя до места установки выключателя нейтрального положения невозможно. Если такой автомобиль оставлен на передаче и используется функция дистанционного или автоматического запуска двигателя, то автомобиль поедет и может нанести материальный ущерб или ранения окружающим людям.
По имеющейся информации единственными автомобилями, которые в настоящее время выпускаются с такими механическими системами, является большая часть грузовых автомобилей компании GM, а также спортивные автомобили и легковые автомобили, у которых рычаг переключения передач находится на рулевой колонке. По той же информации к такому типу автомобилей относятся и пикапы Dodge Dakota с 2,5-литровым двигателем выпуска до 1996 года.
Автомобили GM, имеющие выключатель нейтрального положения, встроенный в механизм переключения передач, находящийся на рулевой колонке, могут быть определены по Фиолетовому (Purple) проводу стартера. Обычно на автомобилях, имеющих внешний механический выключатель, от замка зажигания к механическому выключателю проложен Желтый провод, а от механического выключателя до стартера автомобиля проложен Фиолетовый (Purple) провод. Помните, что эту информацию можно использовать только для сведения, потому что она не может полностью заменить процедуру поиска нужного провода.
Для проведения проверки на автомобилях такого типа мы рекомендуем использовать следующую процедуру.
ВНИМАНИЕ: Перед проведением нижеследующей проверки необходимо полностью завершить установку системы дистанционного запуска двигателя автомобиля. Убедитесь, что система дистанционного запуска двигателя работает нормально. Обязательно необходимо подключить систему к цепи педали тормоза (стоп-сигналов), потому что это позволит немедленно заглушить двигатель, который запущен дистанционно подачей команды с брелка-передатчика.
Если стартер автомобиля запускается и данный автомобиль произведен компанией GM или является пикапом Dodge Dakota, существует 2 возможны решения данной проблемы:
Для того чтобы вынуть ключ из замка зажигания указанных выше автомобилей, необходимо установить рычаг переключения передач в положение PARK ("парковка"). В результате можно использовать переключатель в замке зажигания, определяющий наличие ключа в замке, для предотвращения дистанционного запуска двигателя автомобиля, когда ключ находится в замке зажигания. Ниже приводятся схемы, которые позволяют сделать все необходимые подключения. Первая схема относится ко всем автомобилям GM, выпускаемым в настоящее время. Вторая схема относится ко всем пикапам Dodge Dakota с двигателем объемом 2,5 литра выпуска до 1996 года. Данное решение имеет один побочный эффект. Если пользователь вставит ключ в замок зажигания, когда открыта дверь водителя, система дистанционного запуска двигателя будет отключена. Если используется такая схема подключения, необходимо проинформировать пользователя о том, что он обязательно должен закрывать водительскую дверь перед тем, как вставить ключ в замок зажигания, если перед этим двигатель автомобиля был запущен дистанционно (или автоматически). Это даст возможность пользователю повернуть ключ в замке зажигания автомобиля в положение "зажигание" и отключить систему дистанционного запуска двигателя нажатием на педаль тормоза, не допустив преждевременного выключения двигателя штатной функцией проверки наличия ключа в замке зажигания автомобиля.
Кроме того, Вы должны подключить Желто-Коричневый (Tan) провод ("+" вход для глушения двигателя) к ЖЕЛТОМУ проводу в жгуте внешнего релейного модуля системы. Это позволит предотвратить дистанционный запуск двигателя автомобиля, если ключ оставлен в замке зажигания в положении "зажигание". Если Ваша система дистанционного запуска двигателя автомобиля имеет только один вход для подключения Желто-Коричневого провода, то для изолирования цепи зажигания от входа, к которому подключается цепь педали тормоза, Вы должны установить дополнительные диоды.
Однако, из-за того, что в будущем производитель может внести изменения в конструкцию своих автомобилей, возможно, что данный метод не будет действителен для всех автомобилей. Кроме того, на разных моделях могут быть провода с изоляцией разного цвета. Обязательно внимательно проверьте все провода, к которым подключается устанавливаемая система.
ВНИМАНИЕ: После выполнения данного подключения обязательно попытайтесь запустить двигатель автомобиля дистанционно, когда все двери автомобиля закрыты и ключ находится в замке зажигания. Двигатель автомобиля не должен запускаться. Если же двигатель автомобиля запускается, еще раз проверьте правильность всех подключений.


Если на автомобиле GM установлена противоугонная система VATS, значит в ключе зажигания установлен специальный резистор. Если модуль VATS при измерении резистора в ключе зажигания во время запуска двигателя автомобиля не получит правильное значение сопротивления, то стартер и топливный насос могут быть заблокированы более, чем на десять минут.
Провода системы VATS представляют собой два очень тонких провода, выходящих из рулевой колонки. Цвет изоляции проводов может быть различным, но очень часто они заключены в Оранжевую трубку. При этом, как правило, либо оба провода будут иметь изоляцию Белого цвета, либо один из проводов будет Лиловым/Белым, а другой будет Белым/Черным.
Определите сопротивление резистора, который установлен в ключ зажигания. Затем сделайте подключения, показанные на схеме ниже, используя дополнительное реле. Такое подключение позволит заблокировать систему VATS на то время, пока двигатель автомобиля работает без ключа в замке зажигания (после дистанционного или автоматического запуска). Если СИНИЙ провод 6-контактного разъема системы (выход состояния системы) запрограммирован для постановки на охрану штатной сигнализации (противоугонной системы) автомобиля, то для управления реле используйте СИНИЙ/ЧЕРНЫЙ провод 6-контактного разъема системы (выход для подключения 3-й цепи зажигания).
Примечание: При подключении системы к проводам VATS совершенно не важно, какой из двух проводов перерезать.

Если данная система устанавливается на автомобилях выпуска после 1995 года, имеющих противоугонные системы/иммобилайзеры Passlock I (PL-1), Passlock II (PL-2), Passkey (PK-3), то для обхода этих систем необходимо использовать специальные дополнительные модули. Данные модули облегчают подключение охранной системы, поддерживая при этом работоспособность системы управления двигателем OEM.
3-контактный разъем на основном блоке системы используется для подключения к электроприводам замков дверей автомобиля. К данному разъему должен подсоединяться 3-контактный разъем с 2 проводами (КРАСНЫМ и ЗЕЛЕНЫМ), входящий в комплект системы, или 3-контактный разъем дополнительной колодки DLS. На центральный контакт разъема подается питание +12 В.
На КРАСНЫЙ провод подается "масса" при постановке системы на охрану (отрицательный импульс запирания) и питание +12 В при снятии системы с охраны (положительный импульс отпирания).
На ЗЕЛЕНЫЙ провод подается питание +12 В при постановке системы на охрану (положительный импульс запирания) и "масса" при снятии системы с охраны (отрицательный импульс отпирания).
Максимальный ток - 300 мА.
Перед подключением системы к установленным электроприводам замков дверей необходимо определить тип штатной системы центрального замка. Для этого - выньте выключатель дверного замка из панели двери водителя и протестируйте провода, идущие от выключателя.
Если от кнопки замка двери водителя идет 3 провода, один из которых постоянно замкнут на массу (независимо от положения выключателя), а из двух других проводов один будет замыкаться на массу при переводе выключателя в положение "Lock" ("Закрыто"), а другой будет замыкаться на массу при переводе выключателя в положение "Unlock" ("Открыто") - Вы имеете дело с 3-проводной системой с отрицательной полярностью. Подсоедините систему, как показано на схеме.

Если от выключателя замка двери водителя идет 3 провода, один из которых постоянно замкнут на +12 В (независимо от положения выключателя), а из двух других проводов один будет замыкаться на +12 В при переводе выключателя в положение "Lock" ("Закрыто"), а другой будет замыкаться на +12 В при переводе выключателя в положение "Unlock" ("Открыто") - Вы имеете дело с 3-проводной системой с положительной полярностью. Подсоедините систему, как показано на следующей схеме.

Если от выключателя замка двери водителя идет 5 проводов (или 4) - в данном автомобиле установлена штатная система центрального замка с переменной полярностью управляющего импульса. В таких системах нет штатных реле или собственно модуля центрального замка т.к. +12 В подается непосредственно от выключателя на электроприводы замков и, к тому же, обеспечивается обратный выход на массу.
Один из 5 проводов, идущих от выключателя, будет постоянно замкнут на +12 В, независимо от положения выключателя. Два провода (или один) будут постоянно замкнуты на "массу", независимо от положения выключателя. Из двух оставшихся проводов - один будет замыкаться на +12 В при переводе выключателя в положение "Lock" ("Закрыто"), а другой будет замыкаться на +12 В при переводе выключателя в положение "Unlock" ("Открыто"). Подсоедините систему, как показано на схеме.

На автомобилях марки Mercedes-Benz или Audi используется вакуумная система центрального замка. Она имеет электровыключатели (встроенные в пневмоприводы), которые подают +12 В или массу на пневмонасос. Эти выключатели работают при запирании и отпирании дверей изнутри или ключом снаружи автомобиля. Полярность выключателей определяет, будет ли насос создавать давление или разряжение.
Подсоединение может выполняться либо под декоративной накладкой (панелью) слева от водителя, либо непосредственно на пневмонасосе, который обычно установлен в багажнике или под задним сиденьем.

Примечание: В автомобилях выпуска 1989 г. (или ранее) пневмонасос работает около 3 секунд. При установке системы на такие автомобили необходимо будет также запрограммировать длительность импульса, подаваемого на замки дверей, на 3.5 секунды.
Если автомобиль марки Nissan, Mazda MPV, Mitsubishi или Lotus и в двери нет выключателя - необходимо найти провод, идущий из двери водителя, который замкнут на "массу", когда двери автомобиля открыты, и "разомкнут" (0В), когда двери закрыты. Подсоедините систему, как показано на схеме.

Данная система наиболее часто встречается в автомобилях марки Ford, Mazda, Chrysler и GM. В выключателе замка двери или в личинке замка Вы найдете 1 или 2 резистора.
Система с 1 резистором:
Если в выключателе замка двери или в личинке замка установлен 1 резистор, на штатный провод управления замками дверей будет подаваться импульс +12 В, когда выключатель установлен в одно положение, и импульс напряжением менее +12 В, когда выключатель установлен в другое положение.
Система с 2 резисторами:
Если в выключателе замка двери или в личинке замка установлены 2 резистора, на проводе, идущем от выключателя/личинки замка двери, будет напряжение менее +12 В при обоих положениях выключателя.
Определение правильного номинала резисторов
Для определения номинального сопротивления резисторов необходимо отсоединить выключатель/личинку замка двери от штатной системы центрального замка. Для проведения всех проверок используйте калиброванный цифровой мультиметр, установив на нем режим измерения сопротивления.

Данная система наиболее часто встречается в автомобилях марки Ford, Mazda, Chrysler и GM. В выключателе замка двери или в личинке замка Вы найдете 1 или 2 резистора.
Система с 1 резистором:
Если в выключателе замка двери или в личинке замка установлен 1 резистор, на штатный провод управления замками дверей будет подаваться сигнал отрицательной полярности ("масса"), когда переключатель установлен в одно положение, и импульс отрицательной полярности через сопротивление, когда выключатель установлен в другое положение.
Система с 2 резисторами:
Если в выключателе замка двери или в личинке замка установлены 2 резистора, на штатный провод управления замками дверей будет подаваться сигнал отрицательной полярности через сопротивление в обоих положениях выключателя.
Определение правильного номинала резисторов
Для определения номинального сопротивления резисторов необходимо отсоединить выключатель/личинку замка двери от штатной системы центрального замка. Для проведения всех проверок используйте калиброванный цифровой мультиметр, установив на нем режим измерения сопротивления.

Для подключения системы к дополнительно установленным электроприводам необходимо использовать дополнительные реле 30А (2 шт.) и колодку DLS.
Тонкий СИНИЙ провод (из 3-х контактного разъема DLS) подсоедините к ЗЕЛЕНОМУ проводу системы.
Тонкий ЗЕЛЕНЫЙ провод (из 3-х контактного разъема DLS) подсоедините к КРАСНОМУ проводу системы.
Тонкий КРАСНЫЙ провод (из 3-х контактного разъема DLS) подсоедините к +12 В. Вы также можете подсоединить этот провод к центральному контакту 3-контактного разъема, из которого выходят КРАСНЫЙ и ЗЕЛЕНЫЙ провода (на этот контакт подается питание +12В от блока системы).
Толстой ФИОЛЕТОВЫЙ провод колодки DLS подсоедините к +12В через предохранитель.
Толстые БЕЛЫЙ и КОРИЧНЕВЫЙ провода колодки DLS подсоедините к "земле".
Толстый СИНИЙ провод колодки DLS подсоедините к СИНЕМУ проводу электропривода MS-2.
Толстый ЗЕЛЕНЫЙ провод колодки DLS подсоедините к ЗЕЛЕНОМУ проводу электропривода MS-2.
Вставьте 2 дополнительных 30А реле в колодку DLS.
Вы можете использовать функцию отпирания дверей в 2 этапа, запрограммировав ЗЕЛЕНЫЙ/ЧЕРНЫЙ провод 3-контактного дополнительного разъема системы как "Отрицательный выход для отпирания всех дверей". В этом случае при снятии системы с охраны будет отпираться только дверь водителя и затем, при
повторном нажатии в течение 3 секунд кнопки
, будут отпираться все двери автомобиля.
Подсоедините ЗЕЛЕНЫЙ провод ("-" отпирания) к проводу отпирания электропривода замка двери водителя. Подсоедините ЗЕЛЕНЫЙ/ЧЕРНЫЙ провод системы, запрограммированный как "Отрицательный выход для отпирания всех дверей", к проводам отпирания электроприводов всех остальных дверей. При установке системы на определенные марки автомобилей необходимо будет использовать дополнительные реле.
Если функция № 2.4 запрограммирована соответствующим образом, то при постановке системы на охрану с помощью передатчика система будет подавать импульс запирания 10 секунд (необходимо для некоторых автомобилей VW, Audi, Opel и Mercedes) или 28 секунд (необходимо для некоторых моделей BMW и ряда других). На этот период времени система также автоматически отключит все зоны и триггеры системы. Во всех остальных случаях (при снятии системы с охраны, при пассивной постановке на охрану, автоматической повторной постановке на охрану и т.д.) будут подаваться импульсы отпирания и запирания длительностью 0.8 с.
Нажатие любой кнопки передатчика во время работы функции "Комфорт" остановит работу данной функции.
Проложите Красный, Зеленый и Черный провода, объединенные в толстый Черный провод, оканчивающийся 3-контактным Белым разъемом, от внешнего приемопередающего модуля со встроенной антенной к основному блоку системы и подсоедините его к 3-контактному Белому разъему на блоке системы (рядом с разъемом для подключения датчика удара).
Проложите Красный, Черный, Синий и Зеленый провода, оканчивающиеся 4-контактным белым разъемом, от датчика удара к основному блоку системы и подсоедините его с одной стороны к датчику удара, а с другой - к 4-контактному Белому разъему блока (рядом с разъемом для подключения модуля приемника).
Проложите Красный, Черный, Зеленый и Синий провода, оканчивающиеся 4-контактным белым разъемом, от дополнительного датчика к основному блоку системы и подсоедините его с одной стороны к датчику, а с другой - к 4-контактному белому разъему блока (рядом с Черным разъемом DATA).
Данный разъем предназначен для подсоединения дополнительного универсального программатора DataWizard, с помощью которого можно программировать и настраивать систему. Воспользуйтесь инструкцией, прилагаемой к программатору, для изучения работы устройства.
Проложите Красный и Синий провода, оканчивающиеся 2-контактным белым разъемом, от СИДа к основному блоку системы и подсоедините его к 2-контактному Белому разъему блока.
Проложите Серый и Черный провода, оканчивающиеся 2-контактным синим разъемом, от кнопочного переключателя VALET к основному блоку системы и подсоедините его к 2-контактному Синему разъему блока.
РЕГУЛИРОВКА ДАТЧИКА УДАРА: Осторожно поверните регулировочный винт против часовой стрелки до упора при помощи маленькой отвертки (НЕ проворачивайте винт вокруг оси. Максимальный угол регулировки 270°). Закройте капот, багажник и поставьте систему на охрану. Подождите 6 секунд пока работа всех охранных устройств стабилизируется, затем сильно ударьте кулаком по заднему бамперу или по передней стойке с такой силой, которая была бы достаточной для того, чтобы разбить стекло.
ВНИМАНИЕ: Не стучите по стеклу, Вы можете его разбить!
Если система не сработала, поверните регулировочный винт по часовой стрелке (для увеличения чувствительности) примерно на 1/4 оборота и проверьте чувствительность датчика еще раз. Повторяйте эту процедуру до тех пор, пока не сработает сигнализация. Охрана должна срабатывать при сильном ударе по заднему бамперу автомобиля. При более слабом ударе должен срабатывать режим предупреждения и сирена подаст 3 коротких сигнала.
ВНИМАНИЕ: При высокой чувствительности охрана будет срабатывать при вибрациях от проходящих рядом тяжелых автомобилей. Для уменьшения чувствительности поверните регулировочный винт против часовой стрелки
ЗАЩИТА ПРОВОДКИ: Всегда защищайте провода спиральными трубками или обматывайте их изолентой. Закрепите жгуты проводов по всей длине при помощи пластиковых перетяжек. Это обеспечит отсутствие повреждений проводов при их соприкосновении с горячими или острыми подвижными частями автомобиля.
ПРОВЕРКА РАБОТЫ СИСТЕМЫ ДИСТАНЦИОННОГО ЗАПУСКА: Перед тем, как установить на место детали автомобиля, снятые на время монтажа охранной системы, должна быть проверена правильность и безопасность работы системы дистанционного запуска двигателя.
Для проверки правильности установки и функционирования системы лучше всего использовать процедуру, приведенную ниже. Перед проверкой необходимо полностью завершить монтаж системы, включая подключение триггера педали тормоза (цепи стоп-сигналов), выключателя нейтрального положения коробки передач и концевых выключателей капота.
Примечание: Если система запрограммирована для работы с дизельным двигателем, система включит зажигание, но не включит стартер, когда открыт капот автомобиля.
ВНИМАНИЕ: Перед осуществлением данной проверки убедитесь, что перед автомобилем и за ним имеется достаточно свободного пространства.
Если система успешно прошла указанные три проверки, все снятые на время монтажа системы штатные детали автомобиля могут быть установлены на место. Если же система не прошла какую-либо из указанных проверок, не используйте систему дистанционного запуска двигателя и не завершайте монтаж системы до устранения неисправности.
РАБОТА СИСТЕМЫ: Уделите некоторое время просмотру соответствующих пунктов в Инструкции пользователя и детально объясните работу системы Вашему заказчику.
| Номинальное напряжение питания: | +12В постоянного тока |
| Номиналы предохранителей | |
| - на Красном проводе | 15А |
| - на Красном/Белом проводе | 5А |
| Потребление тока: | <15мА в режиме охраны |
| Постановка на охрану: | через 3/45 секунд после нажатия кнопки передатчика |
| Максимальное количество циклов режима тревоги: | 6 циклов по 30 секунд |
| Автоматическая повторная постановка на охрану: | через 30 секунд после снятия с режима охраны |
| Автоматическая постановка на охрану: | через 30 секунд после закрывания последней двери |
| Количество индицируемых зон охраны: | 7 |
| Триггеры системы/зоны охраны: | - отрицательный триггер двери |
| - положительный триггер двери | |
| - отрицательный триггер капота/багажника | |
| - вход зажигания | |
| - датчик удара | |
| - дополнительный датчик | |
| - зона предупреждения | |
| - питание системы | |
| Количество каналов приемника: | 10 |
| Максимальное количество передатчиков: | 4 |
| Количество кодовых комбинаций: | 1.8x1024 с динамическим изменением кода |
| Макс, ток нагрузки реле указателей поворота: | 15А |
| Макс, ток нагрузки реле блокировки стартера: | 40А |
| Макс, ток нагрузки выхода запирания: | 200мА |
| Макс, ток нагрузки выхода отпирания: | 200мА |
| Макс, ток нагрузки выхода 2-го канала системы: | 200мА |
| Макс, ток нагрузки выхода 3-го канала системы: | 200мА |
| Макс, ток нагрузки выхода Зеленого/Белого провода системы: | 200мА |
Если при постановке на охрану какая-либо зона охраны системы (датчик или триггер) активна (например, если открыта дверь):
Примечание: данные подтверждающие сигналы сирены будут подаваться даже при бесшумной постановке на охрану или в том случае, если подтверждающие сигналы сирены были отключены.
Примечание: если программируемая функция № 2.3 выключена, то при постановке на охрану система будет подавать стандартные сигналы подтверждения (1 сигнал сирены и 1 мигание указателей поворота) даже если момент постановки на охрану включено внутрисалонное освещение или открыта одна из дверей автомобиля.
Система проинформирует Вас, если она срабатывала за время Вашего отсутствия. В этом случае при снятии системы с охраны Вы услышите 4 сигнала сирены (вместо 2) и указатели поворота мигнут 3 раза.
Примечание: если основная зона одного из датчиков системы или триггер капота/багажника вызвал 3 срабатывания системы и данная зона охраны была отключена функцией защиты от ложных срабатываний системы (FAPC™), то при снятии системы с охраны сирена подаст 5 сигналов и указатели поворота мигнут 3 раза.
Обратите внимание на то, что данные подтверждающие сигналы сирены будут подаваться даже при бесшумном снятии системы с охраны или в том случае, если сигналы сирены были отключены.
После снятия системы с охраны СИД системы начнет мигать сериями вспышек через паузу до момента включения зажигания, поочередно показывая зоны или триггеры, вызвавшие 2 последних срабатывания системы. Сядьте в автомобиль и сосчитайте количество миганий СИДа. Воспользуйтесь таблицей зон охраны системы для того, чтобы определить, какие входы (триггеры/датчики) вызвали 2 последних срабатывания системы.
| ЗОНА ОХРАНЫ | РЕЖИМ МИГАНИЯ СИДа | ТРИГГЕР / ДАТЧИК | ПРОВОД / ВХОД СИСТЕМЫ |
|---|---|---|---|
| Зона 1 | 1 раз через паузу | вход основой зоны датчика удара (датчик 1) | Вход разъема "Датчик 1" |
| Зона 2 | 2 раза через паузу | триггер багажника | ТЕМНО-ЗЕЛЕНЫЙ провод 12-контактного разъема системы |
| Зона 3 | 3 раза через паузу | триггер двери (+/-) | КОРИЧНЕВЫЙ или ФИОЛЕТОВЫЙ провод 12-контактного разъема системы |
| Зона 4 | 4 раза через паузу | вход цепи зажигания | ЖЕЛТЫЙ провод 5-контактного разъема / РОЗОВЫЙ провод релейного модуля |
| Зона 5 | 5 раз через паузу | вход основой зоны дополнительного датчика (датчик 2) | Вход разъема "Датчик 2" |
| Зона 6 | 6 раз через паузу | триггер капота / педаль тормоза | СЕРЫЙ или КОРИЧНЕВЫЙ/БЕЛЫЙ провод 6-проводного разъема системы |
| Зона 7 | 7 раз через паузу | отключение питания системы | КРАСНЫЙ или ЧЕРНЫЙ провод 12-контактного разъема системы |
Примечание: Срабатывание режима предупреждения датчиков СИДом не индицируется.
Информация о зонах, вызвавших срабатывание, хранится в памяти системы и стирается в момент включения зажигания или при постановке системы на охрану с помощью передатчика.
Примечание: Авторизованный дилер может воспользоваться программатором DataWizard для определения причин 8 последних срабатываний системы (даже после того, как зажигание было включено).
Для обеспечения правильной работы двигателя автомобиля и предотвращения случайного повреждения двигателя и его узлов, а также для обеспечения максимального уровня безопасности при работе двигателя автомобиля под управлением системы дистанционного запуска, в ряде случаев при подаче команды для дистанционного запуска двигателя система не будет даже пытаться запустить двигатель. В других случаях система может начать процедуру запуска двигателя, но затем по каким-то причинам прервать ее. Даже после успешного запуска система немедленно заглушит двигатель при обнаружении какой-либо неисправности.
Для проведения диагностики причин последнего отключения двигателя после того, как он был запущен дистанционно или автоматически, или для определения причины невозможности дистанционного или автоматического запуска проделайте следующее:
![]() |
При выключенном зажигании нажмите и удерживайте в нажатом положении кнопочный выключатель Valet (система должна быть снята с охраны и функция Anti-HiJack должна быть отключена). |
![]() |
Продолжая удерживать в нажатом положении кнопочный выключатель Valet, включите и выключите зажигание автомобиля. |
![]() |
Отпустите кнопочный выключатель Valet. |
![]() |
В течение 5 секунд нажмите и отпустите кнопочный переключатель Valet один раз. В течение 1 минуты или до момента включения зажигания автомобиля светодиодный индикатор состояния системы будет мигать сериями вспышек через паузу, показывая причину последнего отключения двигателя. |
После этого воспользуйтесь приведенной ниже таблицей для того, чтобы определить, какая именно цепь вызвала отключение двигателя.
| РЕЖИМ МИГАНИЯ СИДа | ПРИЧИНА ОТКЛЮЧЕНИЯ ДВИГАТЕЛЯ |
|---|---|
| 1 раз через паузу | Закончилось запрограммированное функцией № 3.6 время работы двигателя. |
| 2 раза через паузу | Двигатель остановлен из-за превышения уровня оборотов холостого хода*** |
| 3 раза через паузу | Низкий уровень оборотов двигателя или отсутствует сигнал на ФИОЛЕТОВОМ/БЕЛОМ проводе 6-контактного разъема системы (вход тахометра)*** |
| 4 раза через паузу | Двигатель остановлен с брелка-передатчика или с помощью переключателя ручного управления запуском двигателя (БЕЛЫЙ/СИНИЙ провод системы замкнут на "массу") |
| 6 раз через паузу | Открыт капот автомобиля (СЕРЫЙ провод 6-контактного разъема замкнут на "массу") или нажата педаль тормоза (КОРИЧНЕВЫЙ/БЕЛЫЙ провод 6-контактного разъема подключен к +12 В) |
| 7 раз через паузу | Рычаг переключения передач находится на передаче (ЧЕРНЫЙ/БЕЛЫЙ провод 6-контакного разъема системы не подключен к "массе") или эта цепь разомкнута при помощи тумблера отключения системы дистанционного запуска |
| 8 раз через паузу | Истекло время ожидания сигнала о готовности к пуску дизельного двигателя после его предпускового прогрева ("Wait-to-Start"). Необходимо проверить подключение СЕРОГО/ЧЕРНОГО провода 3-контактного разъема системы. |
Примечание: Отключение двигателя при срабатывании системы от открывания двери или багажника автомобиля, или невозможность запуска двигателя из-за того, что не была выполнена процедура "Safe Start", данной функцией не показываются.
*** Система постоянно контролирует уровень оборотов холостого хода и автоматически остановит двигатель, если уровень оборотов превысит запрограммированный уровень в 2 раза или если обороты двигателя будут соответствовать значению меньшему, чем половина запрограммированного уровня. Данная функция предотвращает поломку двигателя при неисправности в системе подачи топлива или в случае появления других проблем, которые могут привести к значительному повышению уровня оборотов двигателя.
Не работает функция блокировки стартера автомобиля.
Система не срабатывает отдатчика удара.
Не включена ли функция защиты от ложных срабатываний системы? Если данная функция включена, Вы услышите пять коротких сигналов сирены при снятии системы с охраны. Для проверки поверните ключ в замке зажигания автомобиля в положение "зажигание" и затем в положение "выключено". Это приведет к стиранию памяти функции защиты от ложных срабатываний системы и позволит Вам проверить работу датчика удара. Более подробное описание функции защиты от ложных срабатываний системы приводится в Инструкции пользователя.
При открывании двери автомобиля, находящегося на охране, не происходит немедленного срабатывания системы. Вместо этого в течение первых 3-х секунд слышны короткие сигналы сирены.
Именно так работает функция прогрессивного срабатывания системы от триггера дверей. Помните, однако, что триггер дверей данной системы является триггером немедленного срабатывания, поэтому даже если дверь автомобиля была открыта и немедленно закрыта, то все равно после коротких звуковых сигналов включится режим тревоги (начнет работать сирены сирена, замигают указатели поворота автомобиля и т.д.).
Система срабатывает при закрывании двери автомобиля, но не срабатывает при открывании двери.
Правильно ли Вы определили тип системы управления запиранием и отпиранием замков дверей автомобиля? Такое часто происходит, когда выбрана неправильная схема подключения концевого выключателя или электроприводов замков дверей (обратитесь к разделу, описывающему подсоединение Зеленого и Синего проводов 3-контактного разъема системы).
Отсчет времени перед автоматической постановкой системы на охрану не работает до тех пор, пока система не будет дистанционно поставлена на охрану и затем снята с охраны с помощью брелка-передатчика.
Подключены ли к системе концевые выключатели дверей автомобиля? Не подключен ли ТЕМНО-ЗЕЛЕНЫЙ провод основного 12-контактного разъема системы к концевому выключателю дверей? Для этой цели вместо ТЕМНО-ЗЕЛЕНОГО провода должен использоваться КОРИЧНЕВЫЙ или ФИОЛЕТОВЫЙ провод основного 12-контактного разъема системы (обратитесь к описанию подсоединения проводов основного 12-контактного разъема системы).
При открывании двери автомобиля, находящегося на охране, система срабатывает немедленно, без подачи в течение первых 3-х секунд коротких звуковых сигналов.
Не показывает ли СИД системы, что срабатывание произошло из-за датчика удара? (Обратитесь к разделу "Диагностика системы" в данной Инструкции) При установке слишком высокой чувствительности датчик удара может отреагировать на отпирание замков дверей автомобиля до того, как концевой выключатель двери вызовет срабатывание системы. Данная проблема может быть решена путем снижения чувствительности датчика удара.
Кнопочный переключатель Valet не работает
Подключен ли кнопочный переключатель Valet к правильному разъему на основном блоке системы? Обратитесь к разделу "Подключение дополнительных разъемов системы" данной Инструкции
Светодиодный индикатор состояния системы не работает
Подключен ли светодиодный индикатор состояния системы к правильному разъему на основном блоке системы? Обратитесь к разделу "Подключение дополнительных разъемов системы" данной Инструкции.
Обратный порядок управления электроприводами замков дверей автомобиля
При подключении перепутаны выходы управления запиранием и отпиранием замков дверей. Проверьте правильность подключения соответствующих проводов.
Двигатель автомобиля не запускается дистанционно
Двигатель запускается дистанционно, но не работает цепь включения стартера
Двигатель автомобиля запускается, но немедленно отключается
Двигатель автомобиля запустился, но стартер продолжает работать
Если на этом проводе нет сигнала, проверьте правильность подключения к штатному проводу тахометра автомобиля и убедитесь, что ФИОЛЕТОВЫЙ/БЕЛЫЙ провод не поврежден и не замкнут на "массу".
Двигатель автомобиля запускается, но работает только в течение 10 секунд
Система климат-контроля не работает, когда двигатель автомобиля работает под управлением системы дистанционного запуска
Либо на провод нужного дополнительного устройства не подается питание, либо питание должно подаваться более чем на одну цепь зажигания/цепь подачи питания на дополнительное устройство, чтобы нормально работала система климат-контроля.
Брелки -передатчики системы S-700RS могут быть запрограммированы с использованием различных конфигураций кнопок .
Заводская установка кнопок 4-кнопочного и 5-кнопочного передатчиков системы – “2-кнопочная ” или “стандартная ” конфигурация , при которой кнопка
(кнопка 1) используется только для постановки системы на охрану , а кнопка
(кнопка 2) – только для снятия системы с охраны , т .е . так , как работают брелки - передатчики большинства штатных охранных систем . Вы также можете запрограммировать 4-кнопочный брелок -передатчик системы таким образом , чтобы одна и та же кнопка (кнопка 1) использовалась как для постановки , так и для снятия системы с охраны.
| ФУНКЦИЯ | 5-КНОПОЧНЫЙ ПЕРЕДАТЧИК С 2-СТОРОННЕЙ СВЯЗЬЮ | 4-КНОПОЧНЫЙ ПЕРЕДАТЧИК 2-КНОПОЧНАЯ КОНФИГУРАЦИЯ (заводская установка) | 4-КНОПОЧНЫЙ ПЕРЕДАТЧИК 1-КНОПОЧНАЯ КОНФИГУРАЦИЯ | ПРИМЕЧАНИЕ |
|---|---|---|---|---|
| Дистанционная постановка на охрану или дистанционное запирание дверей (в режиме Valet) | 1 | Нажать и отпустить | ||
| Бесшумная постановка на охрану | 3 | Нажать и отпустить | ||
| Включение "бесшумного" режима охраны | 4, 1 | Нажать последовательно в течение 4 секунд | ||
| Бесшумное включение "бесшумного" режима охраны | 4, 3 | Нажать последовательно в течение 4 секунд | ||
| Отключение зоны предупреждения датчиков системы | 4 | Нажать и отпустить при включенной охране | ||
| Отключение основной зоны датчиков системы (после отключения зоны предупреждения) | 4 | Нажать и отпустить при включенной охране | ||
| Восстановление работы датчиков системы (после отключения основных зон датчиков) | 4 | Нажать и отпустить при включенной охране | ||
| Дистанционное снятие с охраны или дистанционное отпирание дверей (в режиме Valet) | 1 | Нажать и отпустить | ||
| Бесшумное снятие с охраны | 3 | Нажать последовательно в течение 4 секунд | ||
| Отпирание дверей в 2 этапа при снятии системы с охраны | 1 , 1 | Нажать последовательно в течение 5 секунд | ||
| Выход канала 2 (дистанционное отпирание багажника/управление дополнительными устройствами) | 2 | Нажать и удерживать в течение 3 секунд | ||
| Выход канала 3 (дистанционное управление дополнительными устройствами) | 1 +3 | Нажать одновременно | ||
| Дистанционное включение режима "Паника" | 1 + 2 | Нажать одновременно и удерживать в течение 3 секунд при выключенном зажигании | ||
| Дистанционное выключение режима "Паника" | 1 + 2 | Нажать одновременно | ||
| Дистанционное включение режима "Anti-HiJack" (если включена функция № 1.10) | 1 + 2 | Нажать одновременно и удерживать в течение 3 секунд при включенном зажигании | ||
| Дистанционное включение режима Valet | 2 + 3 | Нажать одновременно и удерживать в течение 3 секунд в течение 15 секунд после включения / выключения зажигания | ||
| Дистанционное выключение режима Valet | 2 + 3 | Нажать одновременно и удерживать в течение 3 секунд в течение 15 секунд после включения / выключения зажигания | ||
| Дистанционный запуск / отключение двигателя | 3 + 4 | Нажать одновременно и удерживать в течение 3 секунд |
| ФУНКЦИЯ СИСТЕМЫ ДИСТАНЦИОННОГО ЗАПУСКА | 5-КНОПОЧНЫЙ ПЕРЕДАТЧИК С 2-СТОРОННЕЙ СВЯЗЬЮ | 4-КНОПОЧНЫЙ ПЕРЕДАТЧИК 2-КНОПОЧНАЯ КОНФИГУРАЦИЯ (заводская установка) | 4-КНОПОЧНЫЙ ПЕРЕДАТЧИК 1-КНОПОЧНАЯ КОНФИГУРАЦИЯ | ПРИМЕЧАНИЕ |
|---|---|---|---|---|
| Дистанционный запуск / отключение двигателя | 3 + 4 | Нажать одновременно и удерживать в течение 3 секунд | ||
| Продление времени работы двигателя на 1 цикл | 3 + 4 | Нажать и отпустить после дистанционного запуска двигателя | ||
| Проверка "логической нейтрали" перед постановкой системы на охрану | 3 + 4 , 1 | Нажать и отпустить кнопку |
||
| Функция "Short stop" | 3 + 4 | Нажать и удерживать 3 секунды при включенном зажигании | ||
| Включение режима охлаждения двигателя с турбо-наддувом перед постановкой на охрану | 3 + 4 , 2 | Нажать и кнопки 3 и 4 одновременно удерживать 3 секунды при включенном зажигании, затем в течение 5 секунд нажать и отпустить кнопку |
||
| Режим автоматического запуска двигателя по таймеру (включение / выключение) только при включенном режиме охраны | 3 + 4 , 3 , 3 + 4 | Дистанционно запустить двигатель, в течение 5 секунд нажать и отпустить кнопку |
||
| Режим автоматического запуска двигателя по температуре или напряжению (включение / выключение) (функция № 3.1 должна быть включена) | 3 + 4 , 4 , 3 + 4 | Дистанционно запустить двигатель, в течение 5 секунд нажать и отпустить кнопку |
ВНИМАНИЕ: Так как в передатчиках используется постоянно меняющийся (динамический) код, в определенных, достаточно редких ситуациях (например, при нажатии кнопок брелка более 50 раз вдали от автомобиля) может произойти рассинхронизация брелков и системы. В этом случае - подойдите к автомобилю и быстро нажмите кнопку передатчика дважды. Синхронизация будет восстановлена и брелок вновь сможет управлять системой.
В память системы может быть запрограммировано всего до 4-х передатчиков. Один и тот же передатчик можно запрограммировать только один раз. Для того чтобы стереть коды утерянных передатчиков или в том случае, если могло произойти несанкционированное программирование передатчиков - воспользуйтесь опцией "Стереть все ранее запрограммированные коды передатчиков" и запрограммируйте Ваш брелок-передатчик еще раз.
ВНИМАНИЕ: Помните, что каждая операция должна быть выполнена в течение 15 секунд после предыдущей операции. Если 15-секундный интервал превышен, система автоматически выйдет из режима программирования, что будет подтверждено одним коротким и одним длинным сигналом сирены. Если в процессе программирования было выключено зажигание система также немедленно выйдет из режима программирования, и Вы услышите 3 коротких сигнала сирены.
Вы можете выбрать один из следующих вариантов программирования передатчиков системы:
Для программирования дополнительных передатчиков системы:
Примечание* - при нажатии любой кнопки передатчика в этом случае все ранее запрограммированные коды передатчиков будут стерты из памяти системы.
Сирена подаст 3 сигнала и СИД системы погаснет, подтверждая, что система вышла из режима программирования передатчиков.
1. Рекомендуемая схема подключения КОРИЧНЕВОГО провода системы ("отрицательный триггер двери") к проводке автомобилей ВАЗ семейства 2109, 2123, оснащенных иммобилайзерами АПС-4 или АПС-6:

2. Рекомендуемая схема подключения КОРИЧНЕВОГО провода системы ("отрицательный триггер двери") к проводке автомобилей ВАЗ семейств 21 10 и 21 15, оснащенных иммобилайзерами АПС-4:

3. Рекомендуемая схема подключения СЕРОГО провода системы ("отрицательный триггер капота") к подкапотной лампе автомобилей ВАЗ семейств 2109, 2115, 2123 и ТЕМНО-ЗЕЛЕНОГО провода системы ("отрицательный триггер багажника") к лампе освещения багажника автомобилей ВАЗ семейства 2115:

