(заводские установки выделены жирным шрифтом)
| № | 1 сигнал сирены | 2 сигнала сирены | 3 сигнала сирены | 4 сигнала сирены | 5/6 сигналов сирены |
|---|---|---|---|---|---|
| 1 | Пассивная постановка на охрану включена | Пассивная постановка на охрану выключена | --- | --- | --- |
| 2 | Пассивная постановка на охрану с запиранием дверей | Пассивная постановка на охрану без запирания дверей | --- | --- | --- |
| 3 | Подтверждающие сигналы сирены включены а) | Подтверждающие сигналы сирены выключены | --- | --- | --- |
| 4 | Автоматическое запирание дверей при включении зажигания включено | Автоматическое запирание дверей при включении зажигания выключено | --- | --- | --- |
| 5 | Автоматическое отпирание дверей при выключении зажигания включено | Автоматическое отпирание дверей при выключении зажигания выключено | --- | --- | --- |
| 6 | При снятии системы с охраны указатели поворота включатся 2 раза | При снятии системы с охраны указатели поворота включатся 2 раза и затем на 30 секунд | --- | --- | --- |
| 7 | При дистанционном открывании багажника система будет также сниматься с охраны | При дистанционном открывании багажника система не будет сниматься с охраны | --- | --- | --- |
| 8 | Функция защиты от ложных срабатываний FAPC включена b) | Функция защиты от ложных срабатываний FAPC выключена | --- | --- | --- |
| 9 | Отключение системы с помощью переключателя Valet (VALET) | Отключение системы с помощью персонального секретного кода (Code) c) | --- | --- | --- |
| 10 | Включение функции Anti-HiJack с помощью передатчика d) | Функция Anti-HiJack отключена | --- | --- | --- |
| 11 | Автоматическое включение функции Anti-HiJack при включении зажигания d) | Автоматическое включение функции Anti-HiJack отключено | --- | --- | --- |
| 12 | Пассивная блокировка двигателя включена e) | Пассивная блокировка двигателя выключена | --- | --- | --- |
| 13 | Включение режима охраны через 3 секунды после подтверждающих сигналов сирены | Включение режима охраны через 45 секунд после подтверждающих сигналов сирены f) | --- | --- | --- |
| 14 | Длительность импульса, подаваемого на замки дверей: 0.8 с. | Длительность импульса, подаваемого на замки дверей: 3,5 с. | Запирание: 0.8 с; отпирание: двойной импульс 0.8 с. | Запирание: двойной импульс 0.8 с; отпирание: 0.8 с. | Режим "Комфорт") g): запирание: 10 с. / 28 с. (5 / 6 сигналов сирены), отпирание: 0.8 с. |
| 15 | Функция Фиолетового провода "(+) триггер двери" | Функция Фиолетового провода "(+) вход для подключения 5-проводного электропривода" h) | --- | --- | --- |
| 16 | Функция Коричневого провода "(-) триггер двери" | Функция Коричневого провода "(-) вход для подключения 5-проводного электропривода" h) | --- | --- | --- |
| 17 | Выход канала 2 системы: "отпирание багажника" | Выход канала 2 системы: "импульсный" | Выход канала 2 системы: "постоянный" | Выход канала 2 системы: "таймерный 30 сек." | --- |
| 18 | Функция Зеленого/Белого провода "Отрицательный выход для дополнительной блокировки Н.З. реле" | Функция Зеленого/Белого провода "Отрицательный выход для управления внутрисалонным освещением" | --- | --- | --- |
| 19 | Выход канала 3 системы: "импульсный" | Выход канала 3 системы: "постоянный" | Выход канала 3 системы: "таймерный 30 сек." | --- | --- |
| 20 | Функция Зеленого/Черного провода "(-) выход канала 3 системы" | Функция Зеленого/Черного провода"(-) выход для управления внутрисалонным освещением" | Функция Зеленого/Черного провода"(-) выход для отпирания всех дверей" | Функция Зеленого/ Черного провода"(-) выход для закрывания окон" | |
| 21 | Охрана автомобиля с работающим двигателем включена | Охрана автомобиля с работающим двигателем выключена | --- | --- |
Примечание: Функции № 13 - № 20 должны программироваться ТОЛЬКО квалифицированным мастером-установщиком при установке системы. Случайное изменение состояние этих функций может привести к неправильной работе или повреждению системы.
Примечание: Если включена программируемая функция № 10 "Автоматическое включение режима Anti-HiJack при включении зажигания", то после первого включения зажигания необходимо будет нажать и отпустить кнопку Valet для отключения функции Anti-HiJack, затем выключить и вновь включить зажигание.
Примечание: Если Ваш персональный код состоит только из одной цифры - пропустите следующий шаг.
Примечание: Не допускайте, чтобы между Вашими действиями прошло больше 15 секунд, иначе система автоматически выйдет из режима программирования, и Вы услышите 1 длинный сигнал сирены.
Система выйдет из режима программирования, если:
При выходе из режима программирования Вы услышите 1 длинный сигнал сирены и СИД системы погаснет.
Пример программирования: Включите функцию автоматического запирания дверей при включении зажигания (функция № 4) и запрограммируйте выход канала 2 системы (функция № 17) как "постоянный"
Примечание: Если включена программируемая функция № 11 "Автоматическое включение режима Anti-HiJack при включении зажигания", то после первого включения зажигания необходимо будет нажать и отпустить кнопку Valet для отключения функции Anti-HiJack, затем выключить и вновь включить зажигание.
Примечание: Если Ваш персональный код состоит только из одной цифры - пропустите следующий шаг.
Находясь в режиме программирования функций, Вы можете возвратить настройки всех функций к заводским установкам. Для этого нажмите и удерживайте кнопочный выключатель Valet в течение 5 секунд. Вы услышите 2 коротких сигнала сирены, подтверждающие восстановление заводских настроек и выход из режима программирования функций.
Данная функция позволяет восстановить заводские настройки всех программируемых функций системы, кроме персонального кода, состояния функции № 9 и кодов брелков-передатчиков.
Выберите место для установки центрального блока управления в салоне (например, за или под приборной панелью) и закрепите его при помощи двух шурупов. Центральный блок управления можно также закрепить при помощи пластиковых перетяжек.
Не устанавливайте центральный блок управления в моторном отсеке, так как он не герметичен. Избегайте устанавливать блок непосредственно на имеющиеся в автомобиле электронные блоки. Они могут быть источником радиопомех, уменьшающих радиус действия передатчика или вызывающих перебои в работе.
Выберите место для установки сирены в моторном отсеке, которое хорошо защищено от доступа из-под днища автомобиля. Не размещайте сирену рядом с сильно нагревающимися узлами или движущимися частями в моторном отсеке. Для предотвращения скопления влаги раструб сирены должен быть направлен вниз. Установите сирену в выбранном месте при помощи входящих в комплект винтов и кронштейна.
В комплект системы входит концевой выключатель для обеспечения охраны капота автомобиля. Выключатель должен всегда устанавливаться на служащую массой металлическую поверхность автомобиля. Важно выбрать такое место, где исключается скопление или протекание воды, избегайте мест стока влаги на стенках крыльев капота или багажника. Выбирайте места, защищенные резиновыми прокладками, когда капот закрыт.
Концевой выключатель может быть установлен с помощью прилагаемой скобы или в монтажном отверстии на 8 мм. Помните, что при правильной установке концевой выключатель должен иметь ход как минимум 6 мм (1/4 дюйма) при закрывании капота.
Вы можете также установить дополнительный концевой выключатель для обеспечения охраны багажника или задней двери автомобиля.
В комплект входит Синий светодиодный индикатор (СИД), который показывает состояние охранной системы. Он должен устанавливаться на приборной панели и быть хорошо виден снаружи автомобиля, но не должен отвлекать водителя. После выбора места установки проверьте возможность прокладки проводов за панелью и убедитесь, что при сверлении отверстия не будут повреждены существующие компоненты.
Просверлите отверстие диаметром 7 мм и пропустите в него с лицевой стороны панели Красный и Синий провода светодиода. Установите светодиод в просверленное отверстие.
Выберите место установки кнопочного выключателя Valet, которое, с одной стороны, должно быть легко доступно для водителя автомобиля, а с другой стороны, не позволит угонщику быстро найти переключатель Valet и отключить систему. Переключатель может быть установлен, например, в нижней части приборной панели с помощью 2-сторонней липкой ленты.
При любом методе крепления убедитесь в наличии свободного доступа к задней части переключателя для подсоединения проводов при установке.
Выберите твердую поверхность на переборке между салоном и моторным отсеком внутри салона и установите датчик при помощи двух прилагаемых винтов. Датчик также может быть легко установлен при помощи перетяжек под панелью приборов.
При любом методе крепления датчика убедитесь в наличии свободного доступа к датчику для его регулировки.
Для обеспечения максимальной дальности действия пейджера, в комплект системы входит приемопередающий модуль со встроенной антенной и кнопкой вызова. Выберите место для установки модуля на лобовом стекле автомобиля на расстоянии не менее 5 см от боковых стоек и крыши, либо на или над приборной панелью. Обратите внимание на то, что в ряде новейших моделей автомобилей используется стекла со специальным защитным покрытием, которое может производить экранирующий эффект. В этом случае рекомендуется установка модуля на заднем стекле.
Закрепите модуль в выбранном месте с помощью прилагаемой двусторонней липкой ленты. Для лучшей фиксации мы также рекомендуем закрепить часть провода, идущего от модуля.
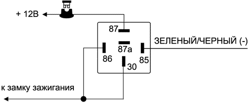
ЗЕЛЕНЫЙ/ЧЕРНЫЙ ПРОВОД: ОТРИЦАТЕЛЬНЫЙ ВЫХОД 200 мА/ КАНАЛ 3 (ОТРИЦАТЕЛЬНЫЙ ВЫХОД ДЛЯ УПРАВЛЕНИЯ ВНУТРИСАЛОННЫМ ОСВЕЩЕНИЕМ / ВЫХОД ДЛЯ ОТПИРАНИЯ ВСЕХ ДВЕРЕЙ / ВЫХОД ДЛЯ ЗАКРЫВАНИЯ ОКОН АВТОМОБИЛЯ)
В зависимости от состояния программируемой функции № 20 ЗЕЛЕНЫЙ/ЧЕРНЫЙ провод системы может использоваться как:
Режим работы выхода канала 3 может быть запрограммирован при установке системы (программируемая функция № 19) как:
В любом из описанных выше случаев:
Подсоединение: Подсоедините ЗЕЛЕНЫЙ/ЧЕРНЫЙ провод к клемме № 85 дополнительного 30А реле, подсоедините клемму № 86 реле к +12В. Подсоедините остальные контакты реле в соответствии с выбранной функцией канала 3 системы.

ВНИМАНИЕ: Вы также можете использовать ЗЕЛЕНЫЙ/ЧЕРНЫЙ провод для того, чтобы система подавала питание на замок зажигания в течение определенного времени. В этом случае Вы сможете ставить систему в режим охраны с заведенным двигателем, не оставляя ключи в замке зажигания (если программируемая функция № 21 включена):
Для реализации данной функции:

ВНИМАНИЕ: данное дополнительное реле должно быть подключено ДО места подключения цепи блокировки зажигания (если данная цепь используется).
Подсоединение: Подсоедините ЗЕЛЕНЫЙ/ЧЕРНЫЙ провод к клемме № 86 дополнительного 30А реле и подсоедините клемму № 85 реле к +12В через предохранитель. Подсоедините остальные контакты реле в соответствии с полярностью цепи внутрисалонного освещения автомобиля как показано на схемах ниже (см. ЗЕЛЕНЫЙ/БЕЛЫЙ провод).
В этом случае ЗЕЛЕНЫЙ/ЧЕРНЫЙ провод также уже более не будет замыкаться на "массу" при нажатии кнопок
и
передатчика. Вместо этого ЗЕЛЕНЫЙ/ЧЕРНЫЙ провод будет замыкаться на "массу" на 1 секунду при повторном нажатии кнопки
передатчика после снятия системы с охраны.
Подсоединение: Для реализации данной функции необходимо будет подсоединить провода отпирания 6-контактного разъема системы только к электроприводу, установленному в двери водителя. Подсоедините ЗЕЛЕНЫЙ/ЧЕРНЫЙ провод (используя, при необходимости, дополнительные реле) к проводам отпирания всех остальных дверей
В этом случае ЗЕЛЕНЫЙ/ЧЕРНЫЙ провод также уже более не будет замыкаться на "массу" при нажатии кнопок
и
передатчика. Вместо этого ЗЕЛЕНЫЙ/ЧЕРНЫЙ провод будет замыкаться на "массу" на 30 секунд после постановки системы на охрану с помощью брелка-передатчика. Нажатие кнопки
передатчика в течение этих 30 секунд остановит работу данного выхода системы (система при этом останется в режиме охраны).
Для того, чтобы работа электрических стеклоподъемников не вызвала срабатывания системы, система автоматически отключит вход датчика удара и вход дополнительного датчика на все время, пока данный выход активизирован + еще 3 секунды.
Подсоединение: Найдите провод штатного модуля управления электрическими стеклоподъемниками автомобиля, при замыкании которого на массу происходит закрывание окон. Подсоедините ЗЕЛЕНЫЙ/ЧЕРНЫЙ провод к данному проводу.
2 БЕЛЫХ ПРОВОДА: ИМПУЛЬСНЫЙ ВЫХОД НА УКАЗАТЕЛИ ПОВОРОТА +12В ПОСТ. ТОКА (15А МАКС.)
Подсоединение: Подсоедините БЕЛЫЕ провода системы к правым и левым указателям поворота автомобиля.
КРАСНЫЙ ПРОВОД С ПРЕДОХРАНИТЕЛЕМ 15A: +12В ПОСТОЯННОГО ТОКА ОТ АККУМУЛЯТОРА
Этот провод подает питание на основной блок системы и на встроенное реле управления указателями поворота. Подсоедините КРАСНЫЙ провод с предохранителем 15А к +12В постоянного тока от аккумулятора автомобиля.
КРАСНЫЙ/БЕЛЫЙ ПРОВОД С ПРЕДОХРАНИТЕЛЕМ 5A: +12В ПОСТОЯННОГО ТОКА ОТ АККУМУЛЯТОРА
Этот провод подает питание на основной блок системы. Он подсоединен через предохранитель 5A к КРАСНОМУ проводу системы.
БЕЛЫЙ ПРОВОД С ЧЕРНОЙ ПОЛОСОЙ: ПОЛОЖИТЕЛЬНЫЙ ВЫХОД ДЛЯ УПРАВЛЕНИЯ СИРЕНОЙ (1A)
Проложите этот провод через резиновую втулку в теплоизоляционной перегородке к месту установки сирены.
Подсоединение: Подсоедините БЕЛЫЙ провод с ЧЕРНОЙ полосой к Красному проводу сирены. Подсоедините Черный провод массы сирены к "массе".
ТЕМНО-СИНИЙ ПРОВОД: ОТРИЦАТЕЛЬНЫЙ ВЫХОД 200 мА/ КАНАЛ 2
Выход Канала 2 системы будет также работать при включенном зажигании, но только если в этот момент открыта одна из дверей автомобиля. Это предотвратит случайное открывание багажника при движении автомобиля.
Если же выход Канала 2 активизирован при включенном режиме охраны, то в этом случае система одновременно на 3 секунды отключит датчик удара и триггер капота/багажника для того, чтобы открывание багажника не вызвало срабатывание системы. Через 3 секунды после того, как багажник будет закрыт, система опять автоматически возьмет эти цепи под охрану.
Это отрицательный транзисторный слаботочный выход (максимальный ток нагрузки 200 мА) и должен использоваться только для управления катушкой дополнительного реле.
ВНИМАНИЕ: Подсоединение ТЕМНО-СИНЕГО провода непосредственно к сильноточным цепям замка багажника или к некоторым устройствам дистанционного запуска двигателя приведет к повреждению основного блока системы.
Подсоединение: Подсоедините ТЕМНО-СИНИЙ провод к клемме № 85 дополнительного 30А реле, подсоедините клемму № 86 реле к +12В. Подсоедините остальные контакты реле как показано на схеме или в соответствии с выбранной функцией канала 2 системы.

В любом из описанных выше случаев:
Подсоединение: Подсоедините ТЕМНО-СИНИЙ провод к клемме № 85 дополнительного 30А реле, подсоедините клемму № 86 реле к +12В. Подсоедините остальные контакты реле в соответствии с выбранной функцией Канала 2 системы.
ЗЕЛЕНЫЙ/БЕЛЫЙ ПРОВОД: ОТРИЦАТЕЛЬНЫЙ ВЫХОД 200 мА ПРИ ВКЛЮЧЕННОЙ ОХРАНЕ ДЛЯ БЛОКИРОВКИ СТАРТЕРА НОРМАЛЬНО ЗАМКНУТЫМ РЕЛЕ / ОТРИЦАТЕЛЬНЫЙ ВЫХОД ДЛЯ УПРАВЛЕНИЯ ВНУТРИСАЛОННЫМ ОСВЕЩЕНИЕМ (требуется установка дополнительного реле)
Подсоединение: Подсоедините ЗЕЛЕНЫЙ/БЕЛЫЙ провод системы к клемме № 86 дополнительного реле. Подсоедините клемму № 85 реле к проводу от замка зажигания, на который поступает напряжение +12В, когда ключ зажигания находится в положении "ЗАПУСК" (CRANK), и присутствует напряжение 0В, когда ключ зажигания находится в любом ином положении.
Перережьте вышенайденный провод от замка зажигания, идущий к соленоиду стартера автомобиля, и подсоедините ту часть обрезанного провода, которая идет от замка зажигания, к клемме № 87А реле. Подсоедините другую часть провода к клемме № 30 реле.
Примечание: Обратите внимание на то, что при использовании такого варианта подсоединения питание на реле блокировки будет подаваться только в момент попытки завести двигатель, таким образом, реле блокировки будет потреблять энергию аккумулятора только в момент попытки запуска двигателя.
ВНИМАНИЕ: Если используется функция Anti-Hi Jack, мы не рекомендуем подключать ЗЕЛЕНЫЙ/БЕЛЫЙ провод для блокировки какой-либо иной цепи, кроме цепи стартера!
Подсоединение: Подсоедините ЗЕЛЕНЫЙ/БЕЛЫЙ провод к клемме № 86 дополнительного 30А реле и подсоедините клемму № 85 реле к +12В через предохранитель. Подсоедините остальные контакты реле в соответствии с полярностью цепи внутрисалонного освещения автомобиля как показано на схемах.

Внимание! Обязательно используйте диод для изолирования цепи управления внутрисалонным освещением от цепи триггера двери. В противном случае не сможет правильно работать функция пассивной постановки на охрану и функция автоматической повторной постановки системы в режим охраны.
ЧЕРНЫЙ ПРОВОД: "МАССА"
Черный провод подает "массу" на основной блок системы.
Подсоединение: Подсоедините ЧЕРНЫЙ провод системы к отрицательной клемме аккумулятора.
ТЕМНО-ЗЕЛЕНЫЙ ПРОВОД: (-) ТРИГГЕР КАПОТА/БАГАЖНИКА
Когда система находится в режиме охраны, при замыкании ТЕМНО-ЗЕЛЕНОГО провода на "массу" произойдет немедленное срабатывание системы.
Подсоединение: Подсоедините ТЕМНО-ЗЕЛЕНЫЙ провод к предварительно установленным концевым выключателям капота и/или багажника отрицательной полярности.
ФИОЛЕТОВЫЙ ПРОВОД: (+) ТРИГГЕР ДВЕРИ / (+) ВХОД ДЛЯ ПОДКЛЮЧЕНИЯ 5-ПРОВОДНОГО ЭЛЕКТРОПРИВОДА
Подсоединение: Если выключатель внутрисалонного освещения имеет на выходе +12В при открывании двери (большинство автомобилей Ford, ГАЗ), Вы должны подсоединить ФИОЛЕТОВЫЙ провод к одному из штатных концевых выключателей. В большинстве случаев ФИОЛЕТОВЫЙ провод достаточно подсоединить только к одному концевому выключателю независимо от количества дверей в автомобиле.
ВНИМАНИЕ: Не используйте ФИОЛЕТОВЫЙ провод, если концевые выключатели дверей отрицательной полярности (См. КОРИЧНЕВЫЙ провод ниже).
Использование данной функции позволит Вам реализовать функцию "центрального замка" без необходимости использования дополнительного модуля, достаточно будет только установить один 5-проводный электропривод в двери водителя и 2-проводные электроприводы в остальных дверях. После этого, при запирании или отпирании двери водителя система будет автоматически запирать или отпирать все двери автомобиля.
Подсоединение: Среди проводов 5-проводного электропривода, установленного в двери водителя, найдите провод, соответствующий общему контакту встроенной в электропривод контактной группы. Подсоедините к нему ФИОЛЕТОВЫЙ провод системы. Затем найдите провод, который замыкается с общим проводом встроенной контактной группы, когда дверь не заперта. Подключите этот провод к постоянному питанию +12В автомобиля. Третий провод встроенной контактной группы заизолируйте.
КОРИЧНЕВЫЙ ПРОВОД: (-) ТРИГГЕР ДВЕРИ / (-) ВХОД ДЛЯ ПОДКЛЮЧЕНИЯ 5-ПРОВОДНОГО ЭЛЕКТРОПРИВОДА
Подсоединение: Если штатный концевой выключатель двери замыкается на "массу" при открывании дверей (это типично для большинства автомобилей), Вы должны подсоединить КОРИЧНЕВЫЙ провод к одному из штатных концевых выключателей. В большинстве случаев КОРИЧНЕВЫЙ провод достаточно подсоединить только к одному концевому выключателю независимо от количества дверей в автомобиле.
ВНИМАНИЕ: Не используйте КОРИЧНЕВЫЙ провод, если полярность концевых выключателей дверей в автомобиле +12В (См. ФИОЛЕТОВЫЙ провод).
Использование данной функции позволит Вам реализовать функцию "центрального замка" без необходимости использования дополнительного модуля, достаточно будет только установить один 5-проводный электропривод в двери водителя и 2-проводные электроприводы в остальных дверях. После этого, при запирании или отпирании двери водителя система будет автоматически запирать или отпирать все двери автомобиля.
Подсоединение: Среди проводов 5-проводного электропривода, установленного в двери водителя, найдите провод, соответствующий общему контакту встроенной в электропривод контактной группы. Подсоедините к нему КОРИЧНЕВЫЙ провод системы. Затем найдите провод, который замыкается с общим проводом встроенной контактной группы, когда дверь не заперта. Подключите этот провод к "массе" автомобиля. Третий провод встроенной контактной группы заизолируйте.
ЖЕЛТЫЙ ПРОВОД: +12В ПОСТОЯННОГО ТОКА НА ЗАМКЕ ЗАЖИГАНИЯ
Данный провод информирует систему о наличии/отсутствии питания на замке зажигания. Таким образом, система определяет, находитесь ли Вы внутри или вне автомобиля
Подсоединение: Подсоедините ЖЕЛТЫЙ провод к проводу от замка зажигания, на котором имеется напряжение + 12В, когда ключ зажигания находится в положениях "ВКЛ." (ON) И "ЗАПУСК" (CRANK), и напряжение 0В, когда ключ зажигания находится в положениях "ВЫКЛ." (OFF) и "ACC".
ВНИМАНИЕ: Если используется дополнительная блокировка цепи зажигания автомобиля, то ЖЕЛТЫЙ провод системы должен быть подключен к проводу, идущему от замка зажигания, между катушкой зажигания и местом подключения дополнительного реле блокировки.
ОРАНЖЕВЫЙ/БЕЛЫЙ ПРОВОД: ОТРИЦАТЕЛЬНЫЙ ВЫХОД 500 мА ПРИ ВЫКЛЮЧЕННОЙ ОХРАНЕ ДЛЯ БЛОКИРОВКИ СТАРТЕРА НОРМАЛЬНО РАЗОМКНУТЫМ РЕЛЕ
ОРАНЖЕВЫЙ/БЕЛЫЙ провод служит для управления нормально разомкнутым реле блокировки стартера. Это отрицательный транзисторный слаботочный выход (максимальный ток нагрузки 500 мА) и должен использоваться только для управления катушкой реле блокировки стартера.
Подсоединение: Подсоедините ОРАНЖЕВЫЙ/БЕЛЫЙ провод к ОРАНЖЕВОМУ/БЕЛОМУ проводу, идущему от клеммы № 85 прилагаемого реле. Подсоедините ЖЕЛТЫЙ провод, идущий от клеммы № 86 реле к проводу от замка зажигания, на который поступает напряжение +12В, когда ключ зажигания находится в положении "ЗАПУСК" (CRANK), и присутствует напряжение 0В, когда ключ зажигания находится в любом ином положении. Если используется блокировка цепи зажигания, то Вы также можете подключить Желтый провод колодки реле к ЖЕЛТОМУ проводу системы.
Перережьте вышенайденный провод от замка зажигания, идущий к соленоиду стартера автомобиля, и подсоедините ту часть перерезанного провода, которая идет от замка зажигания, к ЧЕРНОМУ проводу, идущему от клеммы № 30 реле. Подсоедините другую часть перерезанного провода к ЧЕРНОМУ проводу, идущему от клеммы № 87 реле.
Примечание: Обратите внимание на то, что при использовании такого варианта подсоединения реле блокировки стартера питание на реле блокировки будет подаваться только в момент попытки завести двигатель, таким образом, реле блокировки будет потреблять энергию аккумулятора только в момент попытки запуска двигателя (или только при включении зажигания).
ВНИМАНИЕ: Если используется функция Anti-HiJack, мы не рекомендуем подключать ОРАНЖЕВЫЙ/БЕЛЫЙ провод для блокировки какой-либо иной цепи, кроме цепи стартера.
СИНИЙ/ЧЕРНЫЙ, СИНИЙ/БЕЛЫЙ, СИНИЙ/КРАСНЫЙ, ЗЕЛЕНЫЙ/ЧЕРНЫЙ, ЗЕЛЕНЫЙ/БЕЛЫЙ и ЗЕЛЕНЫЙ/КРАСНЫЙ провода, оканчивающиеся 6-контактным белым разъемом, предназначены для подсоединения встроенных реле управления замками дверей. Функция каждого из этих проводов показана ниже.

Перед подключением системы к установленным электроприводам замков дверей необходимо определить тип штатной системы центрального замка. Для этого - выньте выключатель дверного замка из панели двери водителя и протестируйте провода, идущие от выключателя.
1. 3-ПРОВОДНАЯ СИСТЕМА ЦЕНТРАЛЬНОГО ЗАМКА, УПРАВЛЯЕМАЯ СИГНАЛОМ ОТРИЦАТЕЛЬНОЙ ПОЛЯРНОСТИ (см. схему 1)
Если от выключателя идет 3 провода, один из которых постоянно замкнут на "массу" (независимо от положения выключателя), а из двух других проводов один будет замыкаться на "массу" при переводе выключателя в положение "Lock" ("Закрыто"), а другой будет замыкаться на массу при переводе выключателя в положение "Unlock" ("Открыто") - Вы имеете дело с 3-проводной цепью отрицательной полярности.
2. 3-ПРОВОДНАЯ СИСТЕМА ЦЕНТРАЛЬНОГО ЗАМКА, УПРАВЛЯЕМАЯ СИГНАЛОМ ПОЛОЖИТЕЛЬНОЙ ПОЛЯРНОСТИ (см. схему 2):
Если от выключателя идет 3 провода, один из которых постоянно замкнут на +12В (независимо от положения выключателя), а из двух других проводов один будет замыкаться на +12В при переводе выключателя в положение "Lock" ("Закрыто"), а другой будет замыкаться на +12В при переводе выключателя в положение "Unlock" ("Открыто") - Вы имеете дело с 3-проводной цепью положительной полярности.
3. 5 (4)-ПРОВОДНАЯ СИСТЕМА ЦЕНТРАЛЬНОГО ЗАМКА, УПРАВЛЯЕМАЯ СИГНАЛОМ ОБРАТНОЙ (ПЕРЕМЕННОЙ) ПОЛЯРНОСТИ (см. схему 3):
Если от выключателя идет 5 проводов (или иногда 4) - в данном автомобиле установлена штатная система центрального замка с переменной полярностью управляющего импульса. В таких системах нет штатных реле или собственно модуля центрального замка т.к. +12В подается непосредственно от выключателя на электроприводы замков и, к тому же, обеспечивается обратный выход на массу.
Один из 5 проводов, идущих от выключателя, будет постоянно замкнут на +12В, независимо от положения выключателя. Два провода (или один) будут постоянно замкнуты на массу, независимо от положения выключателя. Из двух оставшихся проводов - один будет замыкаться на +12В при переводе выключателя в положение "Lock" ("Закрыто"), а другой будет замыкаться на +12В при переводе выключателя в положение "Unlock" ("Открыто").
В автомобилях данного типа необходимо перерезать штатные провода, идущие от главного выключателя замков дверей ("Master"), находящегося в водительской двери, к выключателям замков других дверей, а затем к электроприводам замков.
4. ВАКУУМНАЯ СИСТЕМА ЦЕНТРАЛЬНОГО ЗАМКА (см. схему 4)
На автомобилях марки Mercedes-Benz или Audi используется вакуумная система центрального замка. Она имеет электровыключатели (встроенные в пневмоприводы), которые подают +12В или "массу" на пневмонасос. Эти выключатели работают при запирании и отпирании дверей изнутри или ключом снаружи автомобиля. Полярность выключателей определяет, будет ли насос создавать давление или разрежение.
Подсоединение может выполняться либо под декоративной накладкой (панелью) слева от водителя, либо непосредственно на пневмонасосе, который обычно установлен в багажнике или под задним сиденьем.
Примечание: В автомобилях выпуска 1989 г. (или ранее) пневмонасос работает около 3 секунд. При установке системы на такие автомобили необходимо будет также запрограммировать длительность импульса, подаваемого на замки дверей, на 3.5 секунды (программируемая функция № 14).
5. 1-ПРОВОДНАЯ СИСТЕМА ЦЕНТРАЛЬНОГО ЗАМКА, УПРАВЛЯЕМАЯ СИГНАЛОМ ОТРИЦАТЕЛЬНОЙ ПОЛЯРНОСТИ (см. схему 5)
Если автомобиль марки Nissan, Mitsubishi или Lotus и в двери нет переключателя - необходимо найти провод, идущий из двери водителя, который замкнут на массу, если двери автомобиля открыты, и "разомкнут", если двери закрыты.
6. УСТАНОВКА ДОПОЛНИТЕЛЬНЫХ ЭЛЕКТРОПРИВОДОВ (см. схему 6):
Если автомобиль не оборудован центральным замком или электроприводами замков дверей, Вы можете установить дополнительные электроприводы и подсоединить их к системе следующим образом:
ОТПИРАНИЕ ДВЕРЕЙ В 2 ЭТАПА
Вы можете использовать функцию отпирания дверей в 2 этапа, запрограммировав ЗЕЛЕНЫЙ/ЧЕРНЫЙ провод 13-контактного разъема системы как "Отрицательный выход для отпирания всех дверей". В этом случае при снятии системы с охраны будет отпираться только дверь водителя и затем, при повторном нажатии в течение 3 секунд кнопки
будут отпираться все остальные двери.
Подсоединение: Подсоедините ЗЕЛЕНЫЙ/БЕЛЫЙ провод 6-ти контактного разъема системы к проводу отпирания электропривода замка двери водителя. Подсоедините ЗЕЛЕНЫЙ/ЧЕРНЫЙ провод 13-контактного разъема системы, запрограммированный как "Отрицательный выход для отпирания всех дверей", к дополнительному реле отпирания электроприводов всех остальных дверей.
ДВОЙНОЙ ИМПУЛЬС ЗАПИРАНИЯ /ДВОЙНОЙ ИМПУЛЬС ОТПИРАНИЯ / ФУНКЦИЯ "КОМФОРТ"
Если функция № 14 запрограммирована соответствующим образом, то при постановке системы на охрану с помощью передатчика система будет подавать импульс запирания 10 секунд (необходимо для некоторых автомобилей VW, Audi, Opel и Mercedes) или 28 секунд (необходимо для некоторых моделей BMW и ряда других). На этот период времени система также автоматически отключит все зоны и триггеры системы. Во всех остальных случаях (при снятии системы с охраны, при пассивной постановке на охрану, автоматической повторной постановке на охрану и т.д.) будут подаваться импульсы отпирания и запирания длительностью 0.8 с.
Работа данной функции может быть остановлена нажатием кнопки
передатчика в любой момент в течение времени работы данной функции после постановки системы на охрану с помощью передатчика. Система при этом останется в режиме охраны.
4-КОНТАКТНЫЙ БЕЛЫЙ РАЗЪЕМ: 2-УРОВНЕВЫЙ ДАТЧИК УДАРА (ДАТЧИК 1)
Проложите Красный, Черный, Синий и Зеленый провода, оканчивающиеся 4-контактным белым разъемом, от датчика удара к основному блоку системы и подсоедините его с одной стороны к датчику удара, а с другой - к Белому разъему блока.
4-КОНТАКТНЫЙ БЕЛЫЙ РАЗЪЕМ: РАЗЪЕМ ДЛЯ ПОДСОЕДИНЕНИЯ ДОПОЛНИТЕЛЬНОГО 2-ЗОННОГО ДАТЧИКА (ДАТЧИК 2)
Проложите Красный, Черный, Синий и Зеленый провода, оканчивающиеся 4-контактным белым разъемом, от дополнительного датчика к основному блоку системы и подсоедините его с одной стороны к датчику, а с другой - к Белому разъему блока.
2-КОНТАКТНЫЙ БЕЛЫЙ РАЗЪЕМ: СВЕТОДИОДНЫЙ ИНДИКАТОР (СИД)
Проложите Красный и Синий провода, оканчивающиеся 2-контактным белым разъемом, от СИДа к основному блоку системы и подсоедините его к Белому разъему блока.
2-КОНТАКТНЫЙ СИНИЙ РАЗЪЕМ: ПЕРЕКЛЮЧАТЕЛЬ VALET
Проложите Серый и Черный провода, оканчивающиеся 2-контактным синим разъемом, от кнопочного переключателя VALET к основному блоку системы и подсоедините его к Синему разъему блока.
4-КОНТАКТНЫЙ ЧЕРНЫЙ РАЗЪЕМ: ПЕРЕДАЮЩИЙ МОДУЛЬ СИСТЕМЫ СО ВСТРОЕННОЙ АНТЕННОЙ И КНОПКОЙ ВЫЗОВА
Проложите черный кабель с Красным, Зеленым, Черным и Синим проводами, оканчивающийся 4-контактным Черным разъемом от места установки передающего модуля к основному блоку системы и подсоедините разъем к Черному разъему блока. Другую часть кабеля, оканчивающуюся 4-контакнтым разъемом, подсоедините к разъему модуля.
ЗАВЕРШЕНИЕ УСТАНОВКИ:
АНТЕННА СИСТЕМЫ: Вытяните тонкий Черный провод антенны, выходящий из основного блока системы, во всю длину и закрепите его в том месте, где он не может быть поврежден. Избегайте укладки этого провода вокруг главных сильноточных жгутов проводки или близко к металлическим частям кузова.
РЕГУЛИРОВКА ДАТЧИКА УДАРА: Осторожно поверните регулировочный винт против часовой стрелки до упора при помощи маленькой отвертки (НЕ проворачивайте винт вокруг оси. Максимальный угол регулировки 270°). Закройте капот, багажник и поставьте систему на охрану. Подождите 6 секунд пока работа всех охранных устройств стабилизируется, затем сильно ударьте кулаком по заднему бамперу или по передней стойке с такой силой, которая была бы достаточной для того, чтобы разбить стекло.
Внимание! Не стучите по стеклу, Вы можете его разбить!
Если система не сработала, поверните регулировочный винт по часовой стрелке (для увеличения чувствительности) примерно на 1/4 оборота и проверьте чувствительность датчика еще раз. Повторяйте эту процедуру до тех пор, пока не сработает сигнализация. Охрана должна срабатывать при сильном ударе по заднему бамперу автомобиля. При более слабом ударе должен срабатывать режим предупреждения и сирена подаст 3 коротких сигнала.
Внимание! При высокой чувствительности охрана будет срабатывать при вибрациях от проходящих рядом тяжелых автомобилей. Для уменьшения чувствительности поверните регулировочный винт против часовой стрелки
ЗАЩИТА ПРОВОДКИ: Всегда защищайте провода спиральными трубками или обматывайте их изолентой. Закрепите жгуты проводов по всей длине при помощи пластиковых перетяжек. Это обеспечит отсутствие повреждений проводов при их соприкосновении с горячими или острыми подвижными частями автомобиля.
ДОПОЛНИТЕЛЬНАЯ СИРЕНА С АВТОНОМНЫМ ПИТАНИЕМ ALLIGATOR BS-98M
Система S-325 совместима с дополнительной сиреной с автономным питанием ALLIGATOR BS-98M. В данной сирене реализована схема защиты от обрыва проводов управления, таким образом, сирена немедленно сработает не только при попытке отключить аккумулятор автомобиля или при обрыве проводов питания, но и при попытке оборвать провод системы, управляющий сиреной (БЕЛЫЙ/ЧЕРНЫЙ провод).
РАБОТА СИСТЕМЫ: Уделите некоторое время просмотру соответствующих пунктов в Руководстве пользователя и детально объясните работу системы Вашему заказчику.
| Номинальное напряжение питания | +12В постоянного тока |
| Номиналы предохранителей | |
| - на Красном проводе | 15А |
| - на Красном/Белом проводе | 5А |
| Потребление тока | <15mA в режиме охраны |
| Постановка на охрану | через 3/45 секунд после нажатия кнопки передатчика |
| Максимальное количество циклов режима тревоги | 6 циклов по 30 секунд |
| Автоматическая повторная постановка на охрану | через 30 секунд после снятия с режима охраны |
| Автоматическая постановка на охрану | через 30 секунд после закрывания последней двери |
| Количество индицируемых зон охраны | 6 |
| Триггеры системы/зоны охраны: |
|
| Количество каналов приемника | 10 |
| Максимальное количество передатчиков | 4 |
| Количество кодовых комбинаций | 1.8x1024 с динамическим изменением кода |
| Макс. ток нагрузки реле указателей поворота: | 15A (2х7.5А) |
| Макс. ток нагрузки реле запирания: | 15A |
| Макс. ток нагрузки реле отпирания: | 15A |
| Макс. ток нагрузки реле блокировки стартера: | 40A |
| Макс. ток нагрузки выхода 2-го канала системы: | 200мА |
| Макс. ток нагрузки выхода 3-го канала системы: | 200мА |
| Макс. ток нагрузки выхода Зеленого/Белого провода системы: | 200мА |
Брелки-передатчики, входящие в комплект системы, программируются на заводе-изготовителе следующим образом:
| ФУНКЦИЯ | КНОПКА 4-КНОПОЧНОГО БРЕЛКА С 2-СТОРОННЕЙ СВЯЗЬЮ | КНОПКА 3-КНОПОЧНОГО БРЕЛКА | ПРИМЕЧАНИЕ |
|---|---|---|---|
| Дистанционная постановка на охрану или дистанционное запирание дверей в режиме Valet | Нажать и отпустить | ||
| Постановка на охрану с отключением зоны предупреждения датчиков | Нажать последовательно в течение 5 секунд | ||
| Постановка на охрану с отключением обеих зон датчиков | Нажать последовательно в течение 5 секунд | ||
| Бесшумная постановка на охрану | Нажать и отпустить | ||
| Бесшумная постановка на охрану с отключением зоны предупреждения датчиков | Нажать последовательно в течение 5 секунд | ||
| Бесшумная постановка на охрану с отключением обеих зон датчиков | Нажать последовательно в течение 5 секунд | ||
| Включение режима охраны автомобиля с работающим двигателем (если включена функция № 21) | Нажать и удерживать в течение 3 секунд при включенном зажигании | ||
| Включение "бесшумного" режима охраны | Нажать последовательно в течение 4 секунд | ||
| Дистанционное снятие с охраны или дистанционное отпирание дверей в режиме Valet | Нажать и отпустить | ||
| Дистанционное снятие с охраны с отпиранием всех дверей (если данная функция подключена) | Нажать последовательно в течение 5 секунд | ||
| Бесшумное снятие с охраны | Нажать последовательно в течение 4 секунд | ||
| Запирание дверей во время движения автомобиля | Нажать и отпустить при включенном зажигании | ||
| Отпирание дверей во время движения автомобиля | Нажать и отпустить при включенном зажигании | ||
| Выход канала 2 (дистанционное отпирание замка багажника / управление дополнительными устройствами) | Нажать и удерживать в течение 3 секунд | ||
| Выход канала 3 (управление дополнительными устройствами) | Нажать одновременно и удерживать в течение 2 секунд | ||
| Дистанционное включение режима "Паника" | Нажать одновременно и удерживать в течение 3 секунд при выключенном зажигании | ||
| Дистанционное выключение режима "Паника" | Нажать и отпустить одновременно | ||
| Дистанционное включение режима "Anti-HiJack" (если включена функция № 10) | Нажать одновременно и удерживать в течение 3 секунд при включенном зажигании | ||
| Дистанционное включение режима "Valet" | Нажать одновременно и удерживать 3 секунды в течение 10 секунд после включения/выключения зажигания | ||
| Дистанционное выключение режима "Valet" | Нажать одновременно и удерживать 3 секунды в течение 10 секунд после включения/выключения зажигания | ||
| "Поиск автомобиля" | Нажать и отпустить при выключенном зажигании | ||
| Отключение сигналов оповещения брелка с 2-сторонней связью при срабатывании системы с отключением режима тревоги | любая кнопка | --- | Нажать и отпустить |
| Включение режима проверки зоны действия передатчика с 2-сторонней связью | --- | Нажать одновременно и удерживать в течение 1 секунды | |
| Выбор режима оповещения: звуковой /вибратор | --- | Нажать и отпустить одновременно | |
| Включение режима "энергосбережения" | --- | Нажать и отпустить одновременно | |
| Включение подсветки ЖК дисплея | --- | Нажать и отпустить |
ВНИМАНИЕ: Так как в передатчиках используется постоянно меняющийся (динамический) код, в определенных, достаточно редких ситуациях (например, при нажатии кнопок брелка более 30 раз вдали от автомобиля) может произойти рассинхронизация брелков и системы. В этом случае - подойдите к автомобилю и быстро нажмите кнопку передатчика дважды. Синхронизация будет восстановлена и брелок вновь сможет управлять системой.
В память системы может быть запрограммировано всего до 4-х передатчиков (максимум два 3-кнопочных передатчика и два 4-кнопочных передатчика). При программировании нового или дополнительного передатчика, все коды ранее запрограммированных передатчиков (3-кнопочных и 4-кнопочных) будут автоматически стерты из памяти системы.
ВНИМАНИЕ: Помните, что каждая операция должна быть выполнена в течение 15 секунд после предыдущей операции. Если 15-секундный интервал превышен, система автоматически выйдет из режима программирования, что будет подтверждено одним коротким и одним длинным сигналом сирены. Если в процессе программирования было выключено зажигание система также немедленно выйдет из режима программирования и Вы услышите 1 короткий и 1 длинный сигналы сирены.
Для программирования дополнительных передатчиков системы:
Примечание: Если включена программируемая функция № 11 "Автоматическое включение режима Anti-HiJack при включении зажигания", то после первого включения зажигания необходимо будет нажать и отпустить кнопку Valet для отключения функции Anti-HiJack, затем выключить и вновь включить зажигание.
Примечание: Если Ваш персональный код состоит только из одной цифры - пропустите следующий шаг.
Вы услышите 1 короткий и 1 длинный сигнал сирены, подтверждающие, что система вышла из режима программирования передатчиков.




