ALLIGATOR
M-700
ИНСТРУКЦИЯ ПО УСТАНОВКЕ
ПРОГРАММИРУЕМЫЕ ФУНКЦИИ (заводские установки выделены жирным шрифтом)
| № |
Нажать кнопку передатчика (1 сигнал сирены) |
Нажать кнопку передатчика 1 раз (2 сигнала сирены) |
Нажать кнопку передатчика 2 раза (3 сигнала сирены) |
Нажать кнопку передатчика 3 раза (4 сигнала сирены) |
Нажать кнопку передатчика 4 раза (5 сигналов сирены) |
| 1 |
Пассивная постановка на охрану включена |
Пассивная постановка на охрану выключена |
-- |
-- |
-- |
| 2 |
Пассивная постановка на охрану с запиранием дверей |
Пассивная постановка на охрану без запирания дверей |
-- |
-- |
-- |
| 3 |
Подтверждающие сигналы сирены включеныа) |
Подтверждающие сигналы сирены выключены |
-- |
-- |
-- |
| 4 |
Автоматическое запирание дверей при включении зажигания включено |
Автоматическое запирание дверей при включении зажигания выключено |
-- |
-- |
-- |
| 5 |
Автоматическое отпирание дверей при выключении зажигания включено |
Автоматическое отпирание дверей при выключении зажигания выключено |
-- |
-- |
-- |
| 6 |
Автоматическая повторная постановка на охрану включена |
Автоматическая повторная постановка на охрану выключена |
-- |
-- |
-- |
| 7 |
Автоматическая повторная постановка на охрану с запиранием дверей |
Автоматическая повторная постановка на охрану без запирания дверей |
-- |
-- |
-- |
| 8 |
Режим иммобилайзера включен |
Режим иммобилайзера выключен |
-- |
-- |
-- |
| 9 |
Функция защиты от ложных срабатываний FAPC включена b) |
Функция защиты от ложных срабатываний FAPC выключена |
-- |
-- |
-- |
| 10 |
Включение функции Anti-Hi Jack с помощью передатчика с) |
Функция Anti-Hi Jack отключена |
-- |
-- |
-- |
| 11 |
Активизация режима Anti-HiJack при включении зажигания включена с) |
Активизация режима Anti-HiJack при включении зажигания выключена |
|
|
|
| 12 |
Отключение системы с помощью переключателя Valet (VALET) |
Отключение системы с помощью персонального секретного кода (Code)d) |
|
|
|
| 13 |
Постановка системы на охрану с работающим двигателем возможна |
Постановка системы на охрану с работающим двигателем невозможна |
|
|
|
| 14 |
Включение режима охраны через 3 секунды после подтверждающих сигналов сирены |
Включение режима охраны через 45 секунд после подтверждающих сигналов сирены e) |
-- |
-- |
-- |
| 15 |
Функция Фиолетового провода "(+) триггер двери" |
Функция Фиолетового провода"(+) вход для подключения 5-проводного электропривода"e) |
-- |
-- |
-- |
| 16 |
Функция Коричневого провода "(-) триггер двери" |
Функция Коричневого провода"(-) вход для подключения 5-проводного электропривода"e) |
-- |
-- |
-- |
| 17 |
Выход канала 2 системы: "отпирание багажника" |
Выход канала 2 системы: "импульсный" |
Выход канала 2 системы: "постоянный" |
-- |
-- |
| 18 |
Выход канала 3 системы: "импульсный" |
Выход канала 3 системы: "постоянный" |
Выход канала 3 системы: "таймерный 30 сек" |
-- |
-- |
| 19 |
Функция Серого провода: "выход канала 3 системы" |
("-") выход для дополнительной блокировки двигателя НЗ реле |
("-") выход для управления внутрисалонным освещением |
("-") выход для закрывания окон |
("-") выход для управления пейджером |
| 20 |
Длительность импульса, подаваемого на замки дверей: 0.8 с. |
Длительность импульса, подаваемого на замки дверей: 3,5 с. |
Импульс запирания 10 секунд ("Total Closure") |
Запирание: двойной импульс 0.8 с.; отпирание: 0.8 с. |
-- |
Примечание: Функции № 13 - № 20 должны программироваться ТОЛЬКО квалифицированным мастером-установщиком при установке системы. Случайное изменение состояние этих функций может привести к неправильной работе или повреждению системы.
- даже если подтверждающие сигналы сирены отключены, 3 и 4 сигнала сирены будут всегда подаваться при постановке на охрану и при снятии системы с режима охраны.
- см. описание работы функции № 9 в Инструкции пользователя (раздел "Функция защиты от ложных срабатываний FAPC )
- см. описание работы функций № 10 и № 11 в Инструкции пользователя (раздел "Режим Anti-HiJack")
- см. описание работы функции № 12 в Инструкции пользователя (раздел "Аварийное отключение системы"). Для программирования нового персонального кода нажмите кнопку
передатчика от 1 до 8 раз (первое нажатие кнопки
передатчика будет соответствовать цифре 2, следующее 2-е нажатие будет соответствовать цифре 3 и т.д.). Сирена подаст от 2 до 9 сигналов, подтверждая программирование нового персонального кода.
- данная функция (№ 14) необходима при установке на некоторые современные модели автомобилей со штатной задержкой выключения внутрисалонного освещения или с турбодвигателем. Если данная функция включена, система полностью встанет в режим охраны и будет срабатывать от всех зон/триггеров через 3 секунды после сигналов подтверждения сирены. В том случае, если в автомобиле установлена штатная задержка выключения внутрисалонного освещения - необходимо будет данную функцию выключить. Тогда, если при постановке системы на охрану с помощью передатчика включено внутрисалонное освещение автомобиля или если открыта одна из дверей автомобиля, то, система обойдет данную цепь и встанет в режим охраны со стандартными сигналами подтверждения (1 сигнал сирены и 1 мигание указателей поворота). Однако через 45 секунд, если дверь осталась открытой, сирена подаст 3 сигнала и указатели поворота мигнут 3 раза, подтверждая обход входа триггера двери. Система возьмет эту цепь под охрану через 3 секунд после того, как она перестанет быть активной.
- данные функции (№ 15 и № 16) позволяют реализовать функцию "центрального замка" - запирание всех дверей при запирании двери водителя и отпирание всех дверей при отпирании двери водителя, если в двери водителя установлен дополнительный 5-проводный электропривод. См. описание данной функции в разделах "Фиолетовый провод" и "Коричневый провод" ниже.
Действия по программированию функций системы
Вход в режим программирования:
- Снимите систему с охраны.
- Включите зажигание.
- В течение 15 секунд после включения зажигания введите Ваш персональный код отключения системы или нажмите и отпустите кнопочный переключатель Valet 1 раз (если функция № 12 запрограммирована как "Valet"). Через 2 секунды Вы услышите 2 коротких сигнала сирены. При этом также будет отключен режим Anti-HiJack (если он был ранее активизирован).
- В течение 15 секунд после сигналов сирены нажмите кнопочный выключатель Valet 3 раза. Вы услышите 1 короткий сигнал сирены и СИД системы начнет медленно мигать.
- В течение 15 секунд после сигналов сирены выключите зажигание. Вы услышите 1 короткий и 1 длинный сигнал сирены.
- В течение 3 секунд после сигналов сирены включите зажигание. Вы автоматически войдете в режим программирования функции № 1. СИД начнет мигать одиночными вспышками и сирена подаст 1 или 2 сигнала в зависимости от состояния функции № 1.
Каждый раз, когда Вы входите в режим программирование той или иной функции (даже если Вы при этом хотите сразу же перейти к следующей функции), СИД начнет мигать сериями вспышек в соответствии с номером функции и Вы услышите 1, 2, 3, 4 или 5 сигналов сирены, показывающих состояние выбранной функции(при входе в программирование функции № 12 будут подаваться только 1 или 2 сигнала сирены, подтверждая только состояние данной функции, но не само значение персонального кода). После сигналов сирены Вы можете либо:
- Изменить состояние данной функции. Нажмите кнопку
(кнопку 1) передатчика для включения вы бранной функции (сирена подаст 1 подтверждающий сигнал), либо нажмите кнопку
(кнопку 2) передатчика для выключения выбранной функции (сирена подаст 2 подтверждающих сигнала). Если же имеется несколько возможностей настройки данной функции, то переход между ними можно осуществлять последовательными нажатиями кнопки
передатчика. При этом Вы каждый раз услышите количество подтверждающих сигналов, соответствующее выбранной Вами настройке.
- Перейти к следующей функции (нажав и отпустив один раз кнопочный выключатель Valet)
- Выйти из режима программирования (например, выключив зажигание).
Примечание: Не допускайте, чтобы между Вашими действиями прошло больше 15 секунд, иначе система автоматически выйдет из режима программирования, и Вы услышите один длинный сигнал сирены.
- Программирование функции № 1
- После включения зажигания Вы услышите 1 или 2 сигнала сирены, показывающих состояние функции № 1 (1 сигнал - пассивная постановка в режим охраны включена; 2 сигнала - пассивная постановка в режим охраны выключена). СИД при этом будет мигать одиночными вспышками через паузу.
- Для включения функции № 1 нажмите и отпустите кнопку
передатчика, для выключения функции № 1 нажмите и отпустите кнопку
передатчика или перейдите к программированию функции № 2.
- Программирование функции № 2
- Нажмите и отпустите кнопочный выключатель Valet один раз. Вы войдете в режим программирования функции № 2. СИД начнет мигать сериями из 2 вспышек через паузу.
- Вы услышите 1 или 2 сигнала сирены, показывающих состояние функции № 2 (1 сигнал - при пассивной постановке на охрану будут запираться двери автомобиля, 2 сигнала - при пассивной постановке двери автомобиля запираться не будут).
- Для включения функции № 2 нажмите и отпустите кнопку
передатчика, для выключения функции № 2 нажмите и отпустите кнопку
передатчика или перейдите к программированию функции № 3.
- Программирование функции № 3
- Нажмите и отпустите кнопочный выключатель Valet один раз. Вы войдете в режим программирования функции № 3. СИД начнет мигать сериями из 3 вспышек через паузу.
- Вы услышите 1 или 2 сигнала сирены, показывающих состояние функции № 3 (1 сигнал - подтверждающие сигналы сирены включены; 2 сигнала - подтверждающие сигналы сирены выключены).
- Для включения функции № 3 нажмите и отпустите кнопку
передатчика, для выключения функции № 3 нажмите и отпустите кнопку
передатчика или перейдите к программированию функции № 4.
- Программирование функции № 4
- Нажмите и отпустите кнопочный выключатель Valet один раз. Вы войдете в режим программирования функции № 4. СИД начнет мигать сериями из 4 вспышек через паузу.
- Вы услышите 1 или 2 сигнала сирены, показывающих состояние функции № 4 (1 сигнал - функция автоматического запирания дверей при включении зажигания включена; 2 сигнала - функция автоматического запирания дверей при включении зажигания выключена).
- Для включения функции № 4 нажмите и отпустите кнопку
передатчика, для выключения функции № 4 нажмите и отпустите кнопку
передатчика или перейдите к программированию функции № 5.
- Программирование функции № 5
- Нажмите и отпустите кнопочный выключатель Valet один раз. Вы войдете в режим программирования функции № 5. СИД начнет мигать сериями из 5 вспышек через паузу.
- Вы услышите 1 или 2 сигнала сирены, показывающих состояние функции № 5 (1 сигнал - функция автоматического отпирания дверей при выключении зажигания включена; 2 сигнала - функция автоматического отпирания дверей при выключении зажигания выключена)
- Для включения функции № 5 нажмите и отпустите кнопку
передатчика, для выключения функции № 5 нажмите и отпустите кнопку
передатчика или перейдите к программированию функции № 6.
- Программирование функции № 6
- Нажмите и отпустите кнопочный выключатель Valet один раз. Вы войдете в режим программирования функции № 6. СИД начнет мигать сериями из 6 вспышек через паузу.
- Вы услышите 1 или 2 сигнала сирены, показывающих состояние функции № 6 (1 сигнал - функция автоматической повторной постановки на охрану включена; 2 сигнала - функция автоматической повторной постановки на охрану выключена)
- Для включения функции № 6 нажмите и отпустите кнопку
передатчика, для выключения функции № 6 нажмите и отпустите кнопку
передатчика или перейдите к программированию функции № 7.
- Программирование функции № 7
- Нажмите и отпустите кнопочный выключатель Valet один раз. Вы войдете в режим программирования функции № 7. СИД начнет мигать сериями из 7 вспышек через паузу.
- Вы услышите 1 или 2 сигнала сирены, показывающих состояние функции № 7 (1 сигнал - функция автоматической повторной постановки на охрану с запиранием дверей включена; 2 сигнала - функция автоматической повторной постановки на охрану с запиранием дверей выключена)
- Для включения функции № 7 нажмите и отпустите кнопку
передатчика, для выключения функции № 7 нажмите и отпустите кнопку
передатчика или перейдите к программированию функции № 8.
- Программирование функции № 8
- Нажмите и отпустите кнопочный выключатель Valet один раз. Вы войдете в режим программирования функции № 8. СИД начнет мигать сериями из 8 вспышек через паузу.
- Вы услышите 1 или 2 сигнала сирены, показывающих состояние функции № 8 (1 сигнал - режим иммобилайзера включен; 2 сигнала - режим иммобилайзера выключен)
- Для включения функции № 8 нажмите и отпустите кнопку
передатчика, для выключения функции № 8 нажмите и отпустите кнопку
передатчика или перейдите к программированию функции № 9.
- Программирование функции № 9
- Нажмите и отпустите кнопочный выключатель Valet один раз. Вы войдете в режим программирования функции № 9. СИД начнет мигать сериями из 9 вспышек через паузу.
- Вы услышите 1 или 2 сигнала сирены, показывающих состояние функции № 9 (1 сигнал - функция защиты от ложных срабатываний FAPC включена; 2 сигнала - функция защиты от ложных срабатываний FAPC выключена)
- Для включения функции № 9 нажмите и отпустите кнопку
передатчика, для выключения функции № 9 нажмите и отпустите кнопку
передатчика или перейдите к программированию функции № 10.
- Программирование функции № 10
- Нажмите и отпустите кнопочный выключатель Valet один раз. Вы войдете в режим программирования функции № 10. СИД начнет мигать сериями из 10 вспышек через паузу.
- Вы услышите 1 или 2 сигнала сирены, показывающих состояние функции № 10 (1 сигнал - функция дистанционного включения режима Anti-Hi Jack с помощью передатчика включена; 2 сигнала - функция дистанционного включения режима Anti-HiJack выключена)
- Для включения функции № 10 нажмите и отпустите кнопку
передатчика, для выключения функции № 10 нажмите и отпустите кнопку
передатчика или перейдите к программированию функции № 11.
- Программирование функции № 11
- Нажмите и отпустите кнопочный выключатель Valet один раз. Вы войдете в режим программирования функции № 11. СИД начнет мигать сериями из 11 вспышек через паузу.
- Вы услышите 1 или 2 сигнала сирены, показывающих состояние функции № 11 (1 сигнал - активизация режима Anti-HiJack при включении зажигания включена; 2 сигнала - активизация режима Anti-HiJack при включении зажигания выключена).
- Для включения функции № 11 нажмите и отпустите кнопку
передатчика, для выключения функции № 11 нажмите и отпустите кнопку
передатчика или перейдите к программированию функции № 12.
- Программирование функции № 12
- Нажмите и отпустите кнопочный выключатель Valet один раз. Вы войдете в режим программирования функции № 12. СИД начнет мигать сериями из 12 вспышек через паузу.
- Вы услышите 1 или 2 сигнала сирены, показывающих состояние функции № 12 (1 сигнал - отключение системы производится с помощью кнопочного выключателя Valet; 2 сигнала - система может быть отключена только с помощью соответствующего персонального секретного кода (Code)).
- Для включения функции № 12 нажмите и отпустите кнопку
передатчика, для программирования нового персонального кода отключения системы нажмите и отпустите кнопку
передатчика от 1 до 8 раз (сирена подаст от 2 до 9 сигналов, подтверждая программирование нового персонального кода) или перейдите к программированию функции № 13.
- Программирование функции № 13
- Нажмите и отпустите кнопочный выключатель Valet один раз. Вы войдете в режим программирования функции № 13. СИД начнет мигать сериями из 13 вспышек через паузу.
- Вы услышите 1 или 2 сигнала сирены, показывающих состояние функции № 13 (1 сигнал - постановка системы на охрану с работающим двигателем возможна; 2 сигнала - постановка системы на охрану с работающим двигателем невозможна).
- Для включения функции № 13 нажмите и отпустите кнопку
передатчика, для выключения функции № 13 нажмите и отпустите кнопку
передатчика или перейдите к программированию функции № 14.
- Программирование функции № 14
- Нажмите и отпустите кнопочный выключатель Valet один раз. Вы войдете в режим программирования функции № 14. СИД начнет мигать сериями из 14 вспышек через паузу.
- Вы услышите 1 или 2 сигнала сирены, показывающих состояние функции № 14 (1 сигнал - система сможет срабатывать от триггеров концевых выключателей дверей через 3 секунды после сигналов подтверждения сирены; 2 сигнала - система сможет срабатывать от триггеров концевых выключателей дверей через 45 секунд после сигналов подтверждения сирены).
- Для включения функции № 14 нажмите и отпустите кнопку
передатчика, для выключения функции № 14 нажмите и отпустите кнопку
передатчика или перейдите к программированию функции № 15.
- Программирование функции № 15
- Нажмите и отпустите кнопочный выключатель Valet один раз. Вы войдете в режим программирования функции № 15. СИД начнет мигать сериями из 15 вспышек через паузу.
- Вы услышите 1 или 2 сигнала сирены, показывающих состояние функции № 15 (1 сигнал - функция Фиолетового провода "(+) триггер двери"; 2 сигнала - функция Фиолетового провода "Положительный вход для подключения 5-проводного электропривода двери водителя").
- Для включения функции № 15 нажмите и отпустите кнопку
передатчика, для выключения функции № 15 нажмите и отпустите кнопку
передатчика или перейдите к программированию функции № 16.
- Программирование функции № 16
- Нажмите и отпустите кнопочный выключатель Valet один раз. Вы войдете в режим программирования функции № 16. СИД начнет мигать сериями из 16 вспышек через паузу.
- Вы услышите 1 или 2 сигнала сирены, показывающих состояние функции № 16 (1 сигнал - функция Коричневого провода "(-) триггер двери"; 2 сигнала - функция Коричневого провода "Отрицательный вход для подключения 5-проводного электропривода двери водителя").
- Для включения функции № 16 нажмите и отпустите кнопку
передатчика, для выключения я функции № 16 нажмите и отпустите кнопку
передатчика или перейдите к программированию функции № 17.
- Программирование функции № 17
- Нажмите и отпустите кнопочный выключатель Valet один раз. Вы войдете в режим программирования функции № 17. СИД начнет мигать сериями из 17 вспышек через паузу.
- Вы услышите 1, 2 или 3 сигнала сирены, показывающих состояние функции № 17 (1 сигнал - выход канала 2 системы используется для управления отпирания замка багажника; 2 сигнала - выход канала 2 системы "импульсный"; 3 сигнала - выход канала 2 системы "постоянный").
- Для включения функции № 17 нажмите и отпустите кнопку
передатчика, для изменения состояния функции № 17 нажмите и отпустите кнопку
передатчика 1 или 2 раза, или перейдите к программированию функции № 18.
- Программирование функции № 18
- Нажмите и отпустите кнопочный выключатель Valet один раз. Вы войдете в режим программирования функции № 18. СИД начнет мигать сериями из 18 вспышек через паузу.
- Вы услышите 1, 2 или 3 сигнала сирены, показывающих состояние функции № 18 (1 сигнал - выход канала 3 системы "импульсный"; 2 сигнала - выход канала 3 системы "постоянный"; 3 сигнала - выход канала 3 системы "таймерный 30 сек.").
- Для включения функции № 18 нажмите и отпустите кнопку
передатчика, для изменения состояния функции № 18 нажмите и отпустите кнопку
передатчика 1 или 2 раза, или перейдите к программированию функции № 19.
- Программирование функции № 19
- Нажмите и отпустите кнопочный выключатель Valet один раз. Вы войдете в режим программирования функции № 19. СИД начнет мигать сериями из 19 вспышек через паузу.
- Вы услышите 1, 2, 3, 4 или 5 сигналов сирены, показывающих состояние функции № 19 (1 сигнал - функция Серого провода "(-) выход канала 3 системы"; 2 сигнала - функция Серого провода "(-) выход для дополнительной блокировки НЗ реле"; 3 сигнала - функция Серого провода "(-) выход для управления внутрисалонным освещением"; 4 сигнала - функция Серого провода "(-) выход для закрывания окон"; 5 сигналов - функция Серого провода "(-) выход для управления пейджером").
- Для включения функции № 19 нажмите и отпустите кнопку
передатчика, для изменения состояния функции № 19 нажмите и отпустите кнопку
передатчика 1, 2, 3 или 4 раза, или перейдите к программированию функции № 20.
- Программирование функции № 20
- Нажмите и отпустите кнопочный выключатель Valet один раз. Вы войдете в режим программирования функции № 20. СИД начнет мигать сериями из 20 вспышек через паузу.
- Вы услышите 1, 2, 3 или 4 сигнала сирены, показывающих состояние функции № 20 (1 сигнал - длительность импульса, подаваемого на замки дверей 0.8 с.; 2 сигнала - длительность импульса, подаваемого на замки дверей 3.5 с.; 3 сигнала - импульс запирания дверей 10 секунд; 4 сигнала - двойной импульс запирания).
- Для включения функции № 20 нажмите и отпустите кнопку
передатчика, для изменения состояния функции № 20 нажмите и отпустите кнопку
передатчика 1, 2 или 3 раза, или перейдите к программированию функции № 1.
Выход из режима программирования:
Система выйдет из режима программирования, если:
- было выключено зажигание, или
- в течение 15 секунд не производилось никаких действий
При выходе из режима программирования Вы услышите один длинный сигналы сирены, и СИД системы погаснет.
Восстановление заводских установок программируемых функций системы:
Находясь в режиме программирования функций, Вы можете возвратить настройки всех функций к заводским установкам. Для этого: нажмите и удерживайте кнопочный выключатель Valet в течение 5 секунд. Вы услышите два коротких сигнала сирены, подтверждающие восстановление заводских настроек и выход из режима программирования функций.
Данная функция позволяет восстановить заводские настройки всех программируемых функций системы, кроме персонального кода и кодов брелков-передатчиков.
УСТАНОВКА ОСНОВНЫХ КОМПОНЕНТОВ СИСТЕМЫ
ЦЕНТРАЛЬНЫЙ БЛОК УПРАВЛЕНИЯ
Выберите место для установки центрального блока управления в салоне (например, за или под приборной панелью) и закрепите его при помощи двух шурупов. Центральный блок управления можно также закрепить при помощи пластиковых перетяжек.
Не устанавливайте центральный блок управления в моторном отсеке, так как он не герметичен. Избегайте устанавливать блок непосредственно на имеющиеся в автомобиле электронные блоки. Они могут быть источником радиопомех, уменьшающих радиус действия передатчика или вызывающих перебои в работе.
СИРЕНА
Выберите место для установки сирены в моторном отсеке, которое хорошо защищено от доступа из-под днища автомобиля. Не размещайте сирену рядом с сильно нагревающимися узлами или движущимися частями в моторном отсеке. Для предотвращения скопления влаги раструб сирены должен быть направлен вниз.
Установите сирену в выбранном месте при помощи входящих в комплект винтов и кронштейна.
КОНЦЕВЫЕ ВЫКЛЮЧАТЕЛИ КАПОТА И БАГАЖНИКА
В комплект системы входит концевой выключатель для обеспечения охраны капота автомобиля. Выключатель должен всегда устанавливаться на служащую массой металлическую поверхность автомобиля. Важно выбрать такое место, где исключается скопление или протекание воды, избегайте мест стока влаги на стенках крыльев капота или багажника. Выбирайте места, защищенные резиновыми прокладками, когда капот закрыт.
Концевой выключатель может быть установлен с помощью прилагаемой скобы или в монтажном отверстии на 6 мм (1/4 дюйма). Помните, что при правильной установке концевой выключатель должен иметь ход как минимум 6 мм (1/4 дюйма) при закрывании капота.
Вы можете также установить дополнительный концевой выключатель для обеспечения охраны багажника или задней двери автомобиля.
СВЕТОДИОДНЫЙ ИНДИКАТОР (СИД)
В комплект входит красный светодиодный индикатор (СИД), который показывает состояние охранной системы. Он должен устанавливаться на приборной панели и быть хорошо виден снаружи автомобиля, но не должен отвлекать водителя. После выбора места установки проверьте возможность прокладки проводов за панелью и убедитесь, что при сверлении отверстия не будут повреждены существующие компоненты.
Просверлите отверстие диаметром 7 мм и пропустите в него с лицевой стороны панели Красный и Синий провода светодиода. Установите светодиод в просверленное отверстие.
КНОПОЧНЫЙ ВЫКЛЮЧАТЕЛЬ VALET
Выберите место установки кнопочного выключателя Valet, которое, с одной стороны, должно быть легко доступно для водителя автомобиля, а с другой стороны, не позволит угонщику быстро найти переключатель Valet и отключить систему. Переключатель может быть установлен, например, в нижней части приборной панели с помощью 2-сторонней липкой ленты
При любом методе крепления убедитесь в наличии свободного доступа к задней части переключателя для подсоединения проводов при установке.
ДАТЧИК УДАРА
Выберите твердую поверхность на переборке между салоном и моторным отсеком внутри салона и установите датчик при помощи двух прилагаемых винтов. Датчик также может быть легко установлен при помощи перетяжек под панелью приборов.
При любом методе крепления датчика убедитесь в наличии свободного доступа к датчику для его регулировки.
ПОДСОЕДИНЕНИЕ ПРОВОДОВ СИСТЕМЫ
18-КОНТАКТНЫЙ РАЗЪЕМ (нижний ряд):
ЧЕРНЫЙ ПРОВОД: "МАССА"
Черный провод подает "массу" на основной блок системы.
Подсоединение: Подсоедините ЧЕРНЫЙ провод системы к отрицательной клемме аккумулятора или к заземленным частям корпуса автомобиля.
ВНИМАНИЕ: Не перепутайте этот провод с тонким Черным проводом антенны, который выходит из центрального блока управления отдельно.
ТЕМНО-СИНИЙ ПРОВОД: ОТРИЦАТЕЛЬНЫЙ ВЫХОД КАНАЛА 2 (200 мА)
- ТЕМНО-СИНИЙ провод замыкается на "массу" на 1 секунду при нажатии и удерживании в течение 3 секунд кнопки
(кнопки 3) передатчика при снятой охране и выключенном зажигании, и используется для дистанционного открывания электрического замка крышки багажника (если автомобиль им оборудован).
Примечание: Выход для отпирания крышки багажника будет также работать при включенном зажигании, но только если в этот момент открыта одна из дверей автомобиля. Это предотвратит случайное открывание багажника при движении автомобиля.
Если же данный выход системы активизирован при включенном режиме охраны, то в этом случае система одновременно на 3 секунды отключит датчик удара и триггер капота/багажника для того, чтобы открывание багажника не вызвало срабатывание системы. Через 3 секунды после того, как багажник будет закрыт, система опять автоматически возьмет эти цепи под охрану.
ВНИМАНИЕ: Это отрицательный транзисторный слаботочный выход (максимальный ток нагрузки 200 мА) и должен использоваться только для управления катушкой дополнительного реле. Подсоединение ТЕМНО-СИНЕГО провода непосредственно к сильноточным цепям замка багажника или к некоторым устройствам дистанционного запуска двигателя приведет к повреждению основного блока системы
Подсоединение: Подсоедините ТЕМНО-СИНИЙ провод к контакту № 85 дополнительного 30А реле, подсоедините контакт № 86 реле к +12В. Подсоедините остальные контакты реле как показано на схеме.
- Выход канала 2 системы (ТЕМНО-СИНИЙ провод) может также использоваться для управления различными иными дополнительными устройствами. Режим работы выхода канала 2 системы в этом случае может быть запрограммирован при установке системы (программируемая функция № 17) как
- "импульсный" сигнал, активизируемый на 1 секунду или на все время, пока кнопка
передатчика удерживается в нажатом положении, но не более 25 секунд;
- "постоянный" сигнал, активизируемый при нажатии кнопки
передатчика на 3 секунды и работающий до следующего нажатия и удерживания кнопки
передатчика на 3 секунды.
Если выход канала 2 системы запрограммирован как "импульсный" или как "постоянный" сигнал:
- выход канала 2 системы может быть активизирован в любое время (при включенном или при выключенном режиме охраны, при включенном или при выключенном зажигании и т.д.);
- для того, чтобы работа дополнительных устройств, управляемых каналом 2, не вызывала срабатывания системы, система автоматически отключит вход датчика удара и вход дополнительного датчика на все время, пока выход канала 2 активизирован, + еще 3 секунды.
Подсоединение: Подсоедините ТЕМНО-СИНИЙ провод к контакту № 85 дополнительного 30А реле, подсоедините контакт № 86 реле к +12В. Подсоедините остальные контакты реле в соответствии с выбранной функцией канала 2 системы.
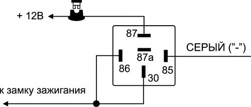
СЕРЫЙ ПРОВОД: ОТРИЦАТЕЛЬНЫЙ ВЫХОД 200 мА/ КАНАЛ 3 (ОТРИЦАТЕЛЬНЫЙ ВЫХОД 200 мА ПРИ ВКЛЮЧЕННОЙ ОХРАНЕ ДЛЯ БЛОКИРОВКИ СТАРТЕРА НОРМАЛЬНО ЗАМКНУТЫМ РЕЛЕ / ОТРИЦАТЕЛЬНЫЙ ВЫХОД ДЛЯ УПРАВЛЕНИЯ ВНУТРИСАЛОННЫМ ОСВЕЩЕНИЕМ / ОТРИЦАТЕЛЬНЫЙ ВЫХОД ДЛЯ ЗАКРЫВАНИЯ ОКОН / ОТРИЦАТЕЛЬНЫЙ ВЫХОД ДЛЯ УПРАВЛЕНИЯ ПЕЙДЖЕРОМ)
В зависимости от состояния программируемой функции № 19 СЕРЫЙ провод системы может использоваться как:
- отрицательный выход системы с программируемым алгоритмом работы;
- отрицательный выход при включенном режиме охраны для блокировки стартера НЗ реле;
- отрицательный выход для управления "вежливой подсветкой";
- отрицательный выход для закрывания окон автомобиля;
- отрицательный выход для управления дополнительным пейджером;
- Если СЕРЫЙ провод запрограммирован как "отрицательный выход канала 3 системы" он будет замыкаться на "массу" на 1 секунду при одновременном нажатии и удерживании кнопки
(кнопки 1) и кнопки
(кнопки 3) передатчика в течение 2 секунд и может использоваться для дистанционного управления дополнительными устройствами. Это отрицательный транзисторный слаботочный выход (максимальный ток нагрузки 200 мА) и должен использоваться только для управления катушкой дополнительного реле.
Режим работы выхода канала 3 может быть запрограммирован при установке системы (программируемая функция № 18) как:
- Отрицательный "импульсный" сигнал (заводская установка функции № 18), активизируемый на 1 секунду или на все время, пока кнопки
и
передатчика удерживается в нажатом положении, но не более 25 секунд;
- Отрицательный "постоянный" сигнал, активизируемый при нажатии кнопок
и
передатчика на 2 секунды и работающий до следующего нажатия кнопок
и
передатчика на 2 секунды.
- Отрицательный "таймерный 30-секундный" сигнал, активизируемый при нажатии кнопок
и
передатчика на 2 секунды и работающий в течение 30 секунд либо до следующего нажатия кнопок
и
передатчика на 2 секунды.
В любом из описанных выше случаев:
- выход канала 3 системы может быть активизирован в любое время (при включенном или при выключенном режиме охраны, при включенном или при выключенном зажигании и т.д.);
- для того, чтобы работа дополнительных устройств, управляемых каналом 3, не вызывала срабатывания системы, система автоматически отключит вход датчика удара и вход дополнительного датчика на все время, пока выход канала 3 активизирован, + еще 3 секунды.
Подсоединение: Подсоедините СЕРЫЙ провод к клемме № 85 дополнительного 30А реле, подсоедините клемму № 86 реле к +12В. Подсоедините остальные контакты реле в соответствии с выбранной функцией канала 3 системы.
- Вы можете использовать также СЕРЫЙ провод для того, чтобы система подавала питание на замок зажигания в течение определенного времени. В этом случае Вы сможете ставить систему в режим охраны с заведенным двигателем, не оставляя ключи в замке зажигания (если программируемая функция № 13 включена):
- Перед выключением зажигания активизируйте выход канала 3, нажав кнопку
и кнопку
передатчика одновременно на 2 секунды. Система начнет подавать напряжение на замок зажигания в обход ключа зажигания.
- Выньте ключи из замка зажигания (двигатель будет продолжать работать), выйдите из автомобиля, убедитесь, что все двери, капот и багажник закрыты и поставьте систему в режим охраны автомобиля с работающим двигателем.
- После снятия системы с охраны вставьте ключи в замок зажигания и включите зажигание. После этого отключите канал 3 системы, нажав кнопку
и кнопку
передатчика одновременно на 2 секунды. Двигатель будет продолжать работать.
Для реализации данной функции:
- Запрограммируйте выход канала 3 системы (СЕРЫЙ провод) как "постоянный";
- Подсоедините СЕРЫЙ провод системы к клемме № 85 дополнительного реле.
- Подсоедините клеммы № 86 и № 30 реле к проводу от замка зажигания, на который поступает напряжение +12В, когда ключ зажигания находится в положениях "ВКЛ" (ON) и "ЗАПУСК" (CRANK) и присутствует напряжение 0В, когда ключ зажигания находится в любом ином положении. Подсоедините клемму № 87 реле к постоянному питанию +12В через предохранитель как показано на схеме ниже.
ВНИМАНИЕ: данное дополнительное реле должно быть подключено ДО места подключения цепи блокировки зажигания (если данная цепь используется).
- СЕРЫЙ провод может быть также запрограммирован как "отрицательный выход при включенном режиме охраны" (программируемая функция № 19). В этом случае провод уже более не управляться при нажатии кнопок передатчика; вместо этого этот провод будет автоматически замыкаться на "массу" при включенном режиме охраны и может использоваться для управления дополнительным нормально замкнутым реле блокировки стартера.
Это отрицательный транзисторный слаботочный выход (максимальный ток нагрузки 200 мА) и должен использоваться только для управления катушкой дополнительного реле.
Подсоединение: Подсоедините СЕРЫЙ провод системы к клемме № 86 дополнительного реле. Подсоедините клемму № 85 реле к проводу от замка зажигания, на который поступает напряжение +12В, когда ключ зажигания находится в положении "ЗАПУСК" (CRANK), и присутствует напряжение 0В, когда ключ зажигания находится в любом ином положении.
Перережьте вышенайденный провод от замка зажигания, идущий к соленоиду стартера автомобиля, и подсоедините ту часть обрезанного провода, которая идет от замка зажигания, к клемме № 87А реле. Подсоедините другую часть провода к клемме № 30 реле как показано на схеме.
Примечание: Обратите внимание на то, что при использовании такого варианта подсоединения питание на реле блокировки будет подаваться только в момент попытки завести двигатель, таким образом, реле блокировки будет потреблять энергию аккумулятора только в момент попытки запуска двигателя.
ВНИМАНИЕ: Если используется функция Anti-HiJack, мы не рекомендуем подключать СЕРЫЙ провод для блокировки какой-либо иной цепи, кроме цепи стартера!
- СЕРЫЙ провод может быть запрограммирован как "отрицательный выход для управления внутри-салонным освещением автомобиля" (программируемая функция № 19). В этом случае провод уже более не управляться при нажатии кнопок передатчика, вместо этого СЕРЫЙ провод будет автоматически замыкаться на "массу" на 30 секунд после снятия системы с охраны и импульсно при срабатывании системы, обеспечивая включения внутрисалонного освещения (при установке дополнительного реле).
Подсоединение: Подсоедините СЕРЫЙ провод к клемме № 86 дополнительного 30А реле и подсоедините клемму № 85 реле к +12В через предохранитель. Подсоедините остальные контакты реле в соответствии с полярностью цепи внутрисалонного освещения автомобиля как показано на схемах.
ВНИМАНИЕ: Обязательно используйте диод для изолирования цепи управления внутрисалонным освещением от цепи триггера двери. В противном случае не сможет правильно работать функция пассивной постановки на охрану и функция автоматической повторной постановки системы в режим охраны.
- Если автомобиль оборудован электрическими стеклоподъемниками, СЕРЫЙ провод системы может быть запрограммирован как "отрицательный выход для закрывания окон автомобиля при постановке системы на охрану" (программируемая функция № 19). В этом случае провод уже более не управляться при нажатии кнопок передатчика, вместо этого на этот провод будет автоматически подаваться постоянный сигнал в течение 30 секунд после постановки системы на охрану с помощью брелка-передатчика.
Нажатие кнопки
передатчика в течение этих 30 секунд остановит работу стеклоподъемников, не снимая систему с охраны.
Для того, чтобы работа электрических стеклоподъемников не вызвала срабатывания системы, система автоматически отключит вход датчика удара на все время, пока данный выход активизирован + еще 3 секунды.
Подсоединение: Найдите провод штатного модуля управления электрическими стеклоподъемниками автомобиля, при замыкании которого на "массу" происходит закрывание окон. Подсоедините СЕРЫЙ провод к данному проводу.
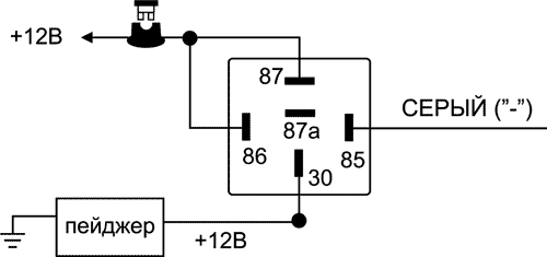
- СЕРЫЙ провод может быть также запрограммирован как "отрицательный выход для управления пейджером". В этом случае он также уже более не управляться при нажатии кнопок передатчика, вместо этого СЕРЫЙ провод будет автоматически замыкаться на "массу" при срабатывании системы.
Подсоединение: Подсоедините СЕРЫЙ провод к проводу отрицательного триггера дополнительного пейджера. В том случае, если пейджер управляется положительным триггером, используйте дополнительное реле, как показано на схеме.
ЗЕЛЕНЫЙ/КРАСНЫЙ ПРОВОД: см. раздел "УПРАВЛЕНИЕ ЗАМКАМИ ДВЕРЕЙ" ниже.
СИНИЙ/БЕЛЫЙ ПРОВОД: см. раздел "УПРАВЛЕНИЕ ЗАМКАМИ ДВЕРЕЙ" ниже.
ФИОЛЕТОВЫЙ ПРОВОД: (+) ТРИГГЕР ДВЕРИ / (+) ВХОД ДЛЯ ПОДКЛЮЧЕНИЯ 5-ПРОВОДНОГО ЭЛЕКТРОПРИВОДА
- Замыкание ФИОЛЕТОВОГО провода на +12В при открывании двери автомобиля обеспечивает немедленное срабатывание системы. Подсоединение триггера двери также необходимо для обеспечения работы функции пассивной постановки на охрану.
Подсоединение: Если выключатель внутрисалонного освещения имеет на выходе +12В при открывании двери (большинство автомобилей Ford, ГАЗ), Вы должны подсоединить ФИОЛЕТОВЫЙ провод к одному из штатных концевых выключателей. В большинстве случаев ФИОЛЕТОВЫЙ провод достаточно подсоединить только к одному концевому выключателю независимо от количества дверей в автомобиле.
ВНИМАНИЕ: Не используйте ФИОЛЕТОВЫЙ провод, если концевые выключатели дверей отрицательной полярности (См. КОРИЧНЕВЫЙ провод ниже).
- В случае если в автомобиле используются концевые выключатели дверей отрицательной полярности, ФИОЛЕТОВЫЙ провод может быть также запрограммирован как "Положительный вход для подключения 5-проводного электропривода" (программируемая функция № 15). В этом случае, при замыкании ФИОЛЕТОВОГО провода на +12В система будет автоматически подавать импульс для отпирания дверей автомобиля, а при отключении +12В - импульс для запирания дверей автомобиля, но только при выключенном режиме охраны.
Использование данной функции позволит Вам реализовать функцию "центрального замка" без необходимости использования дополнительного модуля, достаточно будет только установить один 5-проводный электропривод в двери водителя и 2-проводные электроприводы в остальных дверях. После этого, при запирании или отпирании двери водителя система будет автоматически запирать или отпирать все двери автомобиля.
Подсоединение: Среди проводов 5-проводного электропривода, установленного в двери водителя, найдите провод, соответствующий общему контакту встроенной в электропривод контактной группы. Подсоедините к нему ФИОЛЕТОВЫЙ провод системы. Затем найдите провод, который замыкается с общим проводом встроенной контактной группы, когда дверь не заперта. Подключите этот провод к постоянному питанию +12В автомобиля. Третий провод встроенной контактной группы заизолируйте.
ТЕМНО-ЗЕЛЕНЫЙ ПРОВОД: (-) ТРИГГЕР КАПОТА/БАГАЖНИКА
Когда система находится в режиме охраны, при замыкании ТЕМНО-ЗЕЛЕНОГО провода на "массу" произойдет немедленное срабатывание системы.
Подсоединение: Подсоедините ТЕМНО-ЗЕЛЕНЫЙ провод к предварительно установленным концевым выключателям капота и/или багажника отрицательной полярности.
БЕЛЫЙ/ЧЕРНЫЙ ПРОВОД: ПОЛОЖИТЕЛЬНЫЙ ВЫХОД ДЛЯ УПРАВЛЕНИЯ СИРЕНОЙ (1A)
Проложите этот провод через резиновую втулку в теплоизоляционной перегородке к месту установки сирены.
Подсоединение: Подсоедините БЕЛЫЙ/ЧЕРНЫЙ провод системы к Красному проводу сирены. Подсоедините Черный провод массы сирены к "массе".
КРАСНЫЙ ПРОВОД С ПРЕДОХРАНИТЕЛЕМ 15A: +12В ПОСТОЯННОГО ТОКА ОТ АККУМУЛЯТОРА
Этот провод подает питание на основной блок системы и на встроенное реле управления указателями поворота. Подсоедините КРАСНЫЙ провод с предохранителем 15А к +12В постоянного тока от аккумулятора автомобиля.
18-КОНТАКТНЫЙ РАЗЪЕМ (верхний ряд):
КРАСНЫЙ/БЕЛЫЙ ПРОВОД С ПРЕДОХРАНИТЕЛЕМ 5A: +12В ПОСТОЯННОГО ТОКА ОТ АККУМУЛЯТОРА
Этот провод подает питание на основной блок системы. Он подсоединен через предохранитель 5A к КРАСНОМУ проводу системы.
ЖЕЛТЫЙ ПРОВОД: +12В ПОСТОЯННОГО ТОКА НА ЗАМКЕ ЗАЖИГАНИЯ
Данный провод информирует систему о наличии/отсутствии питания на замке зажигания. Таким образом, система определяет, находитесь ли Вы внутри или вне автомобиля
Подсоединение: Подсоедините ЖЕЛТЫЙ провод к проводу от замка зажигания, на котором имеется напряжение + 12В, когда ключ зажигания находится в положениях "ВКЛ." (ON) И "ЗАПУСК" (CRANK), и напряжение 0В, когда ключ зажигания находится в положениях "ВЫКЛ." (OFF) и "ACC".
ВНИМАНИЕ: Если используется дополнительная блокировка цепи зажигания автомобиля, то ЖЕЛТЫЙ провод системы должен быть подключен к проводу, идущему от замка зажигания, между местом установки дополнительного реле блокировки и катушкой зажигания.
ЗЕЛЕНЫЙ/БЕЛЫЙ ПРОВОД: см. раздел "УПРАВЛЕНИЕ ЗАМКАМИ ДВЕРЕЙ" ниже.
ЗЕЛЕНЫЙ/ЧЕРНЫЙ ПРОВОД: см. раздел "УПРАВЛЕНИЕ ЗАМКАМИ ДВЕРЕЙ" ниже.
СИНИЙ/КРАСНЫЙ ПРОВОД: см. раздел "УПРАВЛЕНИЕ ЗАМКАМИ ДВЕРЕЙ" ниже.
СИНИЙ/ЧЕРНЫЙ ПРОВОД: см. раздел "УПРАВЛЕНИЕ ЗАМКАМИ ДВЕРЕЙ" ниже.
КОРИЧНЕВЫЙ ПРОВОД: (-) ТРИГГЕР ДВЕРИ / (-) ВХОД ДЛЯ ПОДКЛЮЧЕНИЯ 5-ПРОВОДНОГО ЭЛЕКТРОПРИВОДА
- Замыкание КОРИЧНЕВОГО провода на "массу" при открывании двери автомобиля обеспечивает немедленное срабатывание системы. Подсоединение триггера двери также необходимо для обеспечения работы функции пассивной постановки на охрану.
Подсоединение: Если штатный концевой выключатель двери замыкается на "массу" при открывании дверей (это типично для большинства автомобилей), Вы должны подсоединить КОРИЧНЕВЫЙ провод к одному из штатных концевых выключателей. В большинстве случаев КОРИЧНЕВЫЙ провод достаточно подсоединить только к одному концевому выключателю независимо от количества дверей в автомобиле.
ВНИМАНИЕ: Не используйте КОРИЧНЕВЫЙ провод, если полярность концевых выключателей дверей в автомобиле +12В (См. ФИОЛЕТОВЫЙ провод выше).
- В случае если в автомобиле используются концевые выключатели дверей положительной полярности, КОРИЧНЕВЫЙ провод может быть также запрограммирован как "Отрицательный вход для подключения 5-проводного электропривода" (программируемая функция № 16). В этом случае, при замыкании КОРИЧНЕВОГО провода на "массу" система будет автоматически подавать импульс для отпирания дверей автомобиля, а при отключении "массы" - импульс для запирания дверей автомобиля, но только при выключенном режиме охраны.
Использование данной функции позволит Вам реализовать функцию "центрального замка" без необходимости использования дополнительного модуля, достаточно будет только установить один 5-проводный электропривод в двери водителя и 2-проводные электроприводы в остальных дверях. После этого, при запирании или отпирании двери водителя система будет автоматически запирать или отпирать все двери автомобиля.
Подсоединение: Среди проводов 5-проводного электропривода, установленного в двери водителя, найдите провод, соответствующий общему контакту встроенной в электропривод контактной группы. Подсоедините к нему КОРИЧНЕВЫЙ провод системы. Затем найдите провод, который замыкается с общим проводом встроенной контактной группы, когда дверь не заперта. Подключите этот провод к "массе" автомобиля. Третий провод встроенной контактной группы заизолируйте.
2 БЕЛЫХ ПРОВОДА: ИМПУЛЬСНЫЙ ВЫХОД НА УКАЗАТЕЛИ ПОВОРОТА +12В ПОСТОЯННОГО ТОКА (2 х 7.5А МАКС.)
- Эти провода обеспечивают мигание указателей поворота при постановке и снятии системы с охраны, а также при срабатывании системы, при включении режима "Паника" и при срабатывании режима "Anti-HiJack" (если данная функция включена).
Подсоединение: Подсоедините БЕЛЫЕ провода системы к правым и левым указателям поворота автомобиля.
- Вы также можете использовать БЕЛЫЕ провода системы для управления габаритными огнями автомобиля вместо указателей поворота:
- Если в автомобиле цепь управления габаритными огнями положительной полярности, подсоедините 2 БЕЛЫХ провода системы непосредственно к цепям управления правых и левых габаритных огней автомобиля.
- Если же цепь управления габаритными огнями отрицательной полярности (как в большинстве автомобилей японского производства), отсоедините КРАСНЫЙ/БЕЛЫЙ провод системы с предохранителем от КРАСНОГО провода системы и подсоедините КРАСНЫЙ провод к "массе". После этого переставьте диоды, установленные в БЕЛЫХ проводах системы, в обратную полярность и подсоедините 2 БЕЛЫХ провода системы непосредственно к цепям управления правых и левых габаритных огней автомобиля.
ОРАНЖЕВЫЙ/БЕЛЫЙ ПРОВОД: ОТРИЦАТЕЛЬНЫЙ ВЫХОД 500 мА ПРИ ВЫКЛЮЧЕННОЙ ОХРАНЕ ДЛЯ БЛОКИРОВКИ СТАРТЕРА НОРМАЛЬНО РАЗОМКНУТЫМ РЕЛЕ
ОРАНЖЕВЫЙ/БЕЛЫЙ провод замыкается на "массу" при выключенном режиме охраны и служит для управления нормально разомкнутым реле блокировки стартера. Это отрицательный транзисторный слаботочный выход (максимальный ток нагрузки 500 мА) и должен использоваться только для управления катушкой реле.
Подсоединение: Подсоедините ОРАНЖЕВЫЙ/БЕЛЫЙ провод к контакту № 86 прилагаемого реле блокировки стартера. Подсоедините контакт № 85 реле к проводу от замка зажигания, на который поступает напряжение +12В, когда ключ зажигания находится в положении "ЗАПУСК" (CRANK), и присутствует напряжение 0В, когда ключ зажигания находится в любом ином положении.
Перережьте вышенайденный провод от замка зажигания, идущий к соленоиду стартера автомобиля, и подсоедините ту часть перерезанного провода, которая идет от замка зажигания, к контакту № 30 реле. Подсоедините другую часть провода к контакту № 87 реле как показано на схеме.
Примечание: Обратите внимание на то, что при использовании такого варианта подсоединения питание на реле блокировки будет подаваться только в момент попытки завести двигатель, таким образом, реле блокировки будет потреблять энергию аккумулятора только в момент попытки запуска двигателя.
ВНИМАНИЕ: Если используется функция Anti-HiJack, мы не рекомендуем использовать ОРАНЖЕВЫЙ/БЕЛЫЙ провод системы для блокировки какой-либо иной цепи, кроме цепи стартера.
ПОДСОЕДИНЕНИЕ ДОПОЛНИТЕЛЬНЫХ РАЗЪЕМОВ СИСТЕМЫ
4-КОНТАКТНЫЙ БЕЛЫЙ РАЗЪЕМ: 2-ЗОННЫЙ ДАТЧИК УДАРА (ДАТЧИК 1)
Проложите Красный, Черный, Синий и Зеленый провода, оканчивающиеся 4-контактным белым разъемом, от датчика удара к основному блоку системы и подсоедините его с одной стороны к датчику удара, а с другой - к Белому разъему блока.
4-КОНТАКТНЫЙ БЕЛЫЙ РАЗЪЕМ: РАЗЪЕМ ДЛЯ ПОДСОЕДИНЕНИЯ ДОПОЛНИТЕЛЬНОГО 2-ЗОННОГО ДАТЧИКА (ДАТЧИК 2)
Проложите Красный, Черный, Синий и Зеленый провода, оканчивающиеся 4-контактным белым разъемом, от дополнительного датчика к основному блоку системы и подсоедините его с одной стороны к датчику, а с другой - к Белому разъему блока.
2-КОНТАКТНЫЙ БЕЛЫЙ РАЗЪЕМ: СВЕТОДИОДНЫЙ ИНДИКАТОР (СИД)
Проложите Красный и Синий провода, оканчивающиеся 2-контактным белым разъемом, от СИДа к основному блоку системы и подсоедините его к Белому разъему блока.
2-КОНТАКТНЫЙ СИНИЙ РАЗЪЕМ: ПЕРЕКЛЮЧАТЕЛЬ VALET
Проложите Серый и Черный провода, оканчивающиеся 2-контактным синим разъемом, от кнопочного переключателя VALET к основному блоку системы и подсоедините его к Синему разъему блока.
УПРАВЛЕНИЕ ЗАМКАМИ ДВЕРЕЙ
СИНИЙ/ЧЕРНЫЙ, СИНИЙ/БЕЛЫЙ, СИНИЙ/КРАСНЫЙ, ЗЕЛЕНЫЙ/ЧЕРНЫЙ, ЗЕЛЕНЫЙ/БЕЛЫЙ и ЗЕЛЕНЫЙ/КРАСНЫЙ провода системы предназначены для подсоединения встроенных реле управления замками дверей. Функция каждого из этих проводов показана ниже.
Перед подключением системы к установленным электроприводам замков дверей необходимо определить тип штатной системы центрального замка. Для этого - выньте выключатель дверного замка из панели двери водителя и протестируйте провода, идущие от выключателя.
1. 3-ПРОВОДНАЯ СИСТЕМА ЦЕНТРАЛЬНОГО ЗАМКА, УПРАВЛЯЕМАЯ СИГНАЛОМ ОТРИЦАТЕЛЬНОЙ ПОЛЯРНОСТИ (см. схему 1).
Если от выключателя идет 3 провода, один из которых постоянно замкнут на "массу" (независимо от положения выключателя), а из двух других проводов один будет замыкаться на "массу" при переводе выключателя в положение "Lock" ("Закрыто"), а другой будет замыкаться на массу при переводе выключателя в положение "Unlock" ("Открыто") - Вы имеете дело с 3-проводной цепью отрицательной полярности.
- В автомобилях такого типа СИНИЙ/ЧЕРНЫЙ и ЗЕЛЕНЫЙ/ЧЕРНЫЙ провода системы НЕ используются.
- ЗЕЛЕНЫЙ/КРАСНЫЙ и СИНИЙ/КРАСНЫЙ провода системы должны быть подсоединены к "массе".
- Подсоедините СИНИЙ/БЕЛЫЙ провод к штатному проводу запирания автомобиля.
- Подсоедините ЗЕЛЕНЫЙ/БЕЛЫЙ провод к штатному проводу отпирания автомобиля.
2. 3-ПРОВОДНАЯ СИСТЕМА ЦЕНТРАЛЬНОГО ЗАМКА, УПРАВЛЯЕМАЯ СИГНАЛОМ ПОЛОЖИТЕЛЬНОЙ ПОЛЯРНОСТИ (см. схему 2).
Если от выключателя идет 3 провода, один из которых постоянно замкнут на +12В (независимо от положения выключателя), а из двух других проводов один будет замыкаться на +12В при переводе выключателя в положение "Lock" ("Закрыто"), а другой будет замыкаться на +12В при переводе выключателя в положение "Unlock" ("Открыто") - Вы имеете дело с 3-проводной цепью положительной полярности.
- В автомобилях такого типа СИНИЙ/ЧЕРНЫЙ и ЗЕЛЕНЫЙ/ЧЕРНЫЙ провода системы НЕ используются.
- Подсоедините ЗЕЛЕНЫЙ/КРАСНЫЙ и СИНИЙ/КРАСНЫЙ провода системы к +12В постоянного тока.
- Подсоедините СИНИЙ/БЕЛЫЙ провод к штатному проводу запирания автомобиля.
- Подсоедините ЗЕЛЕНЫЙ/БЕЛЫЙ провод к штатному проводу отпирания автомобиля.
3. 5 (4)-ПРОВОДНАЯ СИСТЕМА ЦЕНТРАЛЬНОГО ЗАМКА, УПРАВЛЯЕМАЯ СИГНАЛОМ ОБРАТНОЙ (ПЕРЕМЕННОЙ) ПОЛЯРНОСТИ (см. схему 3).
Если от выключателя идет 5 проводов (или иногда 4) - в данном автомобиле установлена штатная система центрального замка с переменной полярностью управляющего импульса. В таких системах нет штатных реле или собственно модуля центрального замка т.к. +12В подается непосредственно от выключателя на электроприводы замков и, к тому же, обеспечивается обратный выход на массу.
Один из 5 проводов, идущих от выключателя, будет постоянно замкнут на +12В, независимо от положения выключателя. Два провода (или один) будут постоянно замкнуты на массу, независимо от положения выключателя. Из двух оставшихся проводов - один будет замыкаться на +12В при переводе выключателя в положение "Lock" ("Закрыто"), а другой будет замыкаться на +12В при переводе выключателя в положение "Unlock" ("Открыто").
В автомобилях данного типа необходимо перерезать штатные провода, идущие от главного выключателя замков дверей ("Master"), находящегося в водительской двери, к выключателям замков других дверей, а затем к электроприводам замков.
- Перережьте штатный провод запирания, идущий от главного выключателя, и подсоедините СИНИЙ/БЕЛЫЙ провод к той части перерезанного провода, которая идет к выключателям других дверей и к электроприводам замков. Подсоедините СИНИЙ/ЧЕРНЫЙ провод к другой части перерезанного провода запирания, которая идет к главному выключателю.
- Перережьте штатный провод отпирания, идущий от главного выключателя, и подсоедините ЗЕЛЕНЫЙ/БЕЛЫЙ провод к той части перерезанного провода, которая идет к выключателям других дверей и к электроприводам замков. Подсоедините ЗЕЛЕНЫЙ/ЧЕРНЫЙ провод к другой части перерезанного провода отпирания, которая идет к главному выключателю.
- Подсоедините ЗЕЛЕНЫЙ/КРАСНЫЙ и СИНИЙ/КРАСНЫЙ провода системы к +12В постоянного тока.
4. ВАКУУМНАЯ СИСТЕМА ЦЕНТРАЛЬНОГО ЗАМКА (см. схему 4).
На автомобилях марки Mercedes-Benz или Audi используется вакуумная система центрального замка. Она имеет электровыключатели (встроенные в пневмоприводы), которые подают +12В или "массу" на пневмонасос. Эти выключатели работают при запирании и отпирании дверей изнутри или ключом снаружи автомобиля. Полярность выключателей определяет, будет ли насос создавать давление или разрежение.
Подсоединение может выполняться либо под декоративной накладкой (панелью) слева от водителя, либо непосредственно на пневмонасосе, который обычно установлен в багажнике или под задним сиденьем.
- Подсоедините ЗЕЛЕНЫЙ/КРАСНЫЙ провод системы к +12В постоянного тока.
- Подсоедините СИНИЙ/КРАСНЫЙ провод системы к "массе".
- Подсоедините остальные провода системы как показано на схеме 4.
Примечание: В автомобилях выпуска 1989 г. (или ранее) пневмонасос работает около 3 секунд. При установке системы на такие автомобили необходимо будет также запрограммировать длительность импульса, подаваемого на замки дверей, на 3.5 секунды (программируемая функция № 12).
5. 1-ПРОВОДНАЯ СИСТЕМА ЦЕНТРАЛЬНОГО ЗАМКА, УПРАВЛЯЕМАЯ СИГНАЛОМ ОТРИЦАТЕЛЬНОЙ ПОЛЯРНОСТИ (см. схему 5).
Если автомобиль марки Nissan, Mitsubishi или Lotus и в двери нет переключателя - необходимо найти провод, идущий из двери водителя, который замкнут на массу, если двери автомобиля открыты, и "разомкнут", если двери закрыты.
- В автомобилях данного типа СИНИЙ/КРАСНЫЙ и ЗЕЛЕНЫЙ/ЧЕРНЫЙ провода системы НЕ используются.
- Подсоедините ЗЕЛЕНЫЙ/КРАСНЫЙ провод системы к "массе".
- Подсоедините остальные провода системы как показано на схеме 5.
6. УСТАНОВКА ДОПОЛНИТЕЛЬНЫХ ЭЛЕКТРОПРИВОДОВ (см. схему 6).
Если автомобиль не оборудован центральным замком или электроприводами замков дверей, Вы можете установить дополнительные электроприводы и подсоединить их к системе следующим образом:
- Подсоедините СИНИЙ/ЧЕРНЫЙ и ЗЕЛЕНЫЙ/ЧЕРНЫЙ провода системы к "массе".
- Подсоедините СИНИЙ/КРАСНЫЙ и ЗЕЛЕНЫЙ/КРАСНЫЙ провода к +12 постоянного тока.
- Подсоедините ЗЕЛЕНЫЙ/БЕЛЫЙ провод к Синему проводу отпирания электропривода.
- Подсоедините СИНИЙ/БЕЛЫЙ провод к Зеленому проводу запирания электропривода.
ДВОЙНОЙ ИМПУЛЬС ЗАПИРАНИЯ / ФУНКЦИЯ "КОМФОРТ"
- Штатные системы центрального замка некоторых последних моделей автомобилей требуют двойного отрицательного импульсного сигнала для включения блокировки дверей после их запирания (импульс "дозапирания"). В этом случае необходимо соответствующим образом запрограммировать функцию № 20.
- Ряд современных автомобилей оборудован штатной системой "Комфорт" (или "Total Closure"), которая обеспечивает запирание всех дверей и закрывание всех окон и люка при запирании замка двери водителя ключом и удерживании его в замке в течение определенного времени.
Если функция № 20 запрограммирована соответствующим образом, то при постановке системы на охрану с помощью передатчика система будет подавать импульс запирания 10 секунд (необходимо для некоторых автомобилей VW, Audi, Opel и Mercedes). На этот период времени система также автоматически отключит все зоны и триггеры системы. Во всех остальных случаях (при снятии системы с охраны, при пассивной постановке на охрану, автоматической повторной постановке на охрану и т.д.) будут подаваться импульсы отпирания и запирания длительностью 0.8 с.
Нажатие кнопки
передатчика во время работы функции "Комфорт" остановит работу данной функции.
ЗАВЕРШЕНИЕ УСТАНОВКИ:
АНТЕННА: Вытяните тонкий Черный провод антенны во всю длину и закрепите его в том месте, где он не может быть поврежден. Избегайте укладки этого провода вокруг главных сильноточных жгутов проводки или близко к металлическим частям кузова.
РЕГУЛИРОВКА ДАТЧИКА УДАРА: Осторожно поверните регулировочный винт против часовой стрелки до упора при помощи маленькой отвертки (НЕ проворачивайте винт вокруг оси. Максимальный угол регулировки 270°). Закройте капот, багажник и поставьте систему на охрану. Подождите 6 секунд, пока работа всех охранных устройств стабилизируется, затем сильно ударьте кулаком по заднему бамперу или по передней стойке с такой силой, которая была бы достаточной для того, чтобы разбить стекло. Внимание! Не стучите по стеклу, Вы можете его разбить!
Если система не сработала, поверните регулировочный винт по часовой стрелке (для увеличения чувствительности) примерно на 1/4 оборота и проверьте чувствительность датчика еще раз. Повторяйте эту процедуру до тех пор, пока не сработает сигнализация. Охрана должна срабатывать при сильном ударе по заднему бамперу автомобиля. При более слабом ударе должен срабатывать режим предупреждения и сирена подаст 3 коротких сигнала.
ВНИМАНИЕ: При высокой чувствительности охрана будет срабатывать при вибрациях от проходящих рядом тяжелых автомобилей. Для уменьшения чувствительности поверните регулировочный винт против часовой стрелки
ЗАЩИТА ПРОВОДКИ: Всегда защищайте провода спиральными трубками или обматывайте их изолентой. Закрепите жгуты проводов по всей длине при помощи пластиковых перетяжек. Это обеспечит отсутствие повреждений проводов при их соприкосновении с горячими или острыми подвижными частями автомобиля.
ДОПОЛНИТЕЛЬНАЯ СИРЕНА С АВТОНОМНЫМ ПИТАНИЕМ ALLIGATOR BS-98M
Система M-700 совместима с дополнительной сиреной с автономным питанием ALLIGATOR BS-98M. В данной сирене реализована схема защиты от обрыва проводов управления, таким образом, сирена немедленно сработает не только при попытке отключить аккумулятор автомобиля или при обрыве проводов питания, но и при попытке оборвать провод системы, управляющий сиреной (БЕЛЫЙ/ЧЕРНЫЙ провод).
РАБОТА СИСТЕМЫ: Уделите некоторое время просмотру соответствующих пунктов в Руководстве пользователя и детально объясните работу системы Вашему заказчику.
ТЕХНИЧЕСКИЕ ХАРАКТЕРИСТИКИ
| Номинальное напряжение питания |
+12В постоянного тока |
| Номиналы предохранителей |
|
| - на Красном проводе |
15А |
| - на Красном/Белом проводе |
5А |
| Потребление тока |
<15 мА в режиме охраны |
| Постановка на охрану |
через 3/45 секунд после нажатия кнопки передатчика |
| Максимальное количество циклов режима тревоги |
6 циклов по 30 секунд |
| Автоматическая повторная постановка на охрану |
через 30 секунд после снятия с режима охраны |
| Автоматическая постановка на охрану |
через 30 секунд после закрывания последней двери |
| Количество индицируемых зон охраны |
5 |
| Триггеры системы: |
- отрицательный триггер двери
- положительный триггер двери
- отрицательный триггер капота/багажника
- вход зажигания
- датчик удара
- дополнительный датчик
- зона предупреждения
- питание системы
|
| Количество каналов приемника |
6 |
| Максимальное количество передатчиков |
4 |
| Количество кодовых комбинаций |
1.8 x 1024 с динамическим изменением кода |
| Макс. ток нагрузки выхода блокировки стартера: |
500 мА |
| Макс. ток нагрузки реле указателей поворота: |
15A (2x7.5A) |
| Макс. ток нагрузки реле запирания: |
20 A |
| Макс. ток нагрузки реле отпирания: |
20 A |
| Макс. ток нагрузки выхода 2-го канала системы: |
200 мА |
| Макс. ток нагрузки выхода 3-го канала системы: |
200 мА |
Функции кнопок брелков-передатчиков системы
Передатчики, входящие в комплект системы, программируются на заводе-изготовителе следующим образом:
| ФУНКЦИЯ |
КНОПКА |
ПРИМЕЧАНИЕ |
| Дистанционная постановка на охрану или дистанционное запирание дверей в режиме Valet |
 |
Нажать и отпустить |
| Включение режима охраны автомобиля с работающим двигателем (если включена функция № 13) |
 |
Нажать и удерживать в течение 3 секунд при включенном зажигании |
| Бесшумная постановка на охрану |
,  |
Нажать последовательно в течение 5 секунд |
| Постановка на охрану с отключением зон предупреждения датчиков |
,  |
Нажать последовательно в течение 5 секунд |
| Постановка на охрану с отключением обеих зон датчиков |
, ,  |
Нажать последовательно в течение 5 секунд |
| Включение "бесшумного" режима охраны |
+  |
Нажать и отпустить одновременно |
| Дистанционное снятие с охраны или дистанционное отпирание дверей в режиме Valet |
 |
Нажать и отпустить |
| Бесшумное снятие с охраны |
,  |
Нажать последовательно в течение 5 секунд |
| Запирание дверей во время движения автомобиля |
 |
Нажать и отпустить при включенном зажигании |
| Отпирание дверей во время движения автомобиля |
 |
Нажать и отпустить при включенном зажигании |
| Выход Канала 2 (дистанционное отпирание замка багажника / управление дополнительными устройствами) |
 |
Нажать и удерживать в течение 3 секунд |
| Выход Канала 3 (управление дополнительными устройствами) |
+  |
Нажать одновременно и удерживать в течение 2 секунд |
| Дистанционное включение режима "Паника" |
+  |
Нажать одновременно и удерживать в течение 3 секунд при выключенном зажигании |
| Дистанционное выключение режима "Паника" |
+  |
Нажать и отпустить одновременно |
| Дистанционное включение режима "Anti- HiJack" (если включена функция № 10) |
+  |
Нажать одновременно и удерживать в течение 3 секунд при включенном зажигании |
ВНИМАНИЕ: Так как в передатчиках используется постоянно меняющийся (динамический) код, в определенных, достаточно редких ситуациях (например, при нажатии кнопок брелка более 30 раз вдали от автомобиля) может произойти рассинхронизация брелков и системы.
В этом случае - подойдите к автомобилю и быстро нажмите кнопку передатчика дважды. Синхронизация будет восстановлена и брелок вновь сможет управлять системой.
Программирование кодов новых передатчиков системы
В память системы может быть запрограммировано всего до 4-х передатчиков. При программировании первого передатчика стираются коды всех ранее запрограммированных передатчиков. Таким образом, при попытке несанкционированного программирования кодов дополнительных передатчиков код Вашего "рабочего" передатчика будет автоматически удален из памяти системы, и Вы сразу же обратите на это внимание.
ВНИМАНИЕ: Помните, что каждая операция должна быть выполнена в течение 15 секунд после предыдущей операции. Если 15-секундный интервал превышен, система автоматически выйдет из режима программирования, что будет подтверждено одним коротким и одним длинным сигналом сирены. Если в процессе программирования было выключено зажигание, система также немедленно выйдет из режима программирования, и Вы услышите 1 короткий и 1 длинный сигналы сирены.
- Снимите систему с охраны, сядьте в автомобиль и включите зажигание.
- В течение 15 секунд после включения зажигания введите Ваш персональный код отключения системы или нажмите и отпустите кнопочный переключатель Valet 1 раз (если функция № 12 запрограммирована как "Valet"). Через 2 секунды Вы услышите 2 коротких сигнала сирены. При этом режим Anti-HiJack будет отключен (если он был ранее активизирован).
- В течение 15 секунд после сигналов сирены нажмите кнопочный выключатель Valet 3 раза. Вы услышите 1 короткий сигнал сирены, и СИД начнет медленно мигать, подтверждая, что система готова к программированию нового передатчика.
- Нажмите и удерживайте кнопку
нового передатчика до тех пор, пока Вы не услышите длинный сигнал сирены, подтверждающий, что программирование нового брелка-передатчика произведено. СИД системы при этом будет светиться постоянно, пока кнопка передатчика остается нажатой.
ВНИМАНИЕ: После программирования первого передатчика коды всех передатчиков, запрограммированных ранее, будут стерты из памяти системы.
- Отпустите кнопку передатчика. СИД вновь начнет медленно мигать, подтверждая, что система готова к программированию следующего передатчика.
- Повторите шаги 4 и 5 для программирования всех оставшихся передатчиков системы.
ВНИМАНИЕ: При попытке запрограммировать 5-й передатчик, код первого запрограммированного передатчика будет "вытеснен" из памяти системы, при попытке запрограммировать 6-й передатчик, код второго передатчика будет "вытеснен" из памяти системы, и т.д. Код одного и того же передатчика может быть запрограммирован 4 раза.
- Для выхода из режима программирования передатчиков:
- выключите зажигание или
- подождите 15 секунд, не производя никаких действий или
- нажмите кнопочный переключатель Valet еще раз
Вы услышите 1 короткий и 1 длинный сигнал сирены, подтверждающие, что система вышла из режима программирования.
Замена элементов питания
В корпусе передатчика установлен маленький красный светодиод, который подтверждает нажатие кнопок передатчика и также показывает состояние батареек передатчика. По мере разряда батареек Вы можете заметить уменьшение дальности действия передатчика.
Для замены батарейки:
- Отверните винт, аккуратно подденьте и откройте крышку на обратной стороне передатчика.
- Извлеките севшую батарейку, запомнив полярность установки.
- Установите новую батарейку (типа 27А), убедитесь в соблюдении полярности.
- Установите крышку обратно и заверните винт.




9.03.2005