| № | Нажать кнопку |
Нажать кнопку |
Нажать кнопку |
Нажать кнопку |
Нажать кнопку |
|---|---|---|---|---|---|
| 1 | Пассивная постановка на охрану включена | Пассивная постановка на охрану выключена | -- | -- | -- |
| 2 | Пассивная постановка на охрану с запиранием дверей | Пассивная постановка на охрану без запирания дверей | -- | -- | -- |
| 3 | Подтверждающие сигналы сирены включены а) | Подтверждающие сигналы сирены выключены | -- | -- | -- |
| 4 | Автоматическое запирание дверей при включении зажигания включено | Автоматическое запирание дверей при включении зажигания выключено | -- | -- | -- |
| 5 | Автоматическое отпирание дверей при выключении зажигания включено | Автоматическое отпирание дверей при выключении зажигания выключено | -- | -- | -- |
| 6 | Автоматическая повторная постановка на охрану включена | Автоматическая повторная постановка на охрану выключена | -- | -- | -- |
| 7 | Автоматическая повторная постановка на охрану с запиранием дверей | Автоматическая повторная постановка на охрану без запирания дверей | -- | -- | -- |
| 8 | Пассивная блокировка двигателя включена | Пассивная блокировка двигателя выключена | -- | -- | -- |
| 9 | Функция защиты от ложных срабатываний FAPC включена b) | Функция защиты от ложных срабатываний FAPC выключена | -- | -- | -- |
| 10 | Включение функции Anti-Hi Jack с помощью 3 канала передатчика с) | Функция Anti-Hi Jack отключена | -- | -- | -- |
| 11 | Включение режима охраны через 3 секунды после подтверждающих сигналов сирены | Включение режима охраны через 45 секунд после подтверждающих сигналов сирены d) | -- | -- | -- |
| 12 | Функция Фиолетового провода "(+) триггер двери" | Функция Фиолетового провода "(+) вход для подключения 5-проводного электропривода" e) | -- | -- | -- |
| 13 | Функция Коричневого провода "(-) триггер двери" | Функция Коричневого провода "(-) вход для подключения 5-проводного электропривода" e) | -- | -- | -- |
| 14 | Выход канала 2 системы: "отпирание багажника" | Выход канала 2 системы: "импульсный" | Выход канала 2 системы: "постоянный" | -- | -- |
| 15 | Функция Темно-Синего провода: "выход канала 2 системы" | ("-") Выход для дополнительной блокировки двигателя | ("-") Выход для управления внутрисалонным освещением | ("-") Выход для закрывания окон | ("-") Выход для управления пейджером |
| 16 | Длительность импульса, подаваемого на замки дверей: 0.8 с. | Длительность импульса, подаваемого на замки дверей: 3,5 с. | -- | -- | -- |
Примечание: Функции № 11 - № 16 должны программироваться ТОЛЬКО квалифицированным мастером-установщиком при установке системы. Случайное изменение состояние этих функций может привести к неправильной работе или повреждению системы.
Вход в режим программирования:
Каждый раз, когда Вы входите в режим программирование той или иной функции (даже если Вы при этом хотите сразу же перейти к следующей функции), СИД начнет мигать сериями вспышек в соответствии с номером функции и Вы услышите 1, 2, 3, 4 или 5 сигналов сирены, показывающих состояние выбранной функции. После сигналов сирены Вы можете либо:
Примечание: Не допускайте, чтобы между Вашими действиями прошло больше 15 секунд, иначе система автоматически выйдет из режима программирования, и Вы услышите один длинный сигнал сирены.
Выход из режима программирования:
Система выйдет из режима программирования, если:
При выходе из режима программирования Вы услышите один длинный сигналы сирены, и СИД системы погаснет.
Выберите место для установки центрального блока управления в салоне (например, за или под приборной панелью) и закрепите его при помощи двух шурупов. Центральный блок управления можно также закрепить при помощи пластиковых перетяжек.
Не устанавливайте центральный блок управления в моторном отсеке, так как он не герметичен. Избегайте устанавливать блок непосредственно на имеющиеся в автомобиле электронные блоки. Они могут быть источником радиопомех, уменьшающих радиус действия передатчика или вызывающих перебои в работе.
Выберите место для установки сирены в моторном отсеке, которое хорошо защищено от доступа из-под днища автомобиля. Не размещайте сирену рядом с сильно нагревающимися узлами или движущимися частями в моторном отсеке. Для предотвращения скопления влаги раструб сирены должен быть направлен вниз.
Установите сирену в выбранном месте при помощи входящих в комплект винтов и кронштейна.
В комплект системы входит концевой выключатель для обеспечения охраны капота автомобиля. Выключатель должен всегда устанавливаться на служащую массой металлическую поверхность автомобиля. Важно выбрать такое место, где исключается скопление или протекание воды, избегайте мест стока влаги на стенках крыльев капота или багажника. Выбирайте места, защищенные резиновыми прокладками, когда капот закрыт.
Концевой выключатель может быть установлен с помощью прилагаемой скобы или в монтажном отверстии на 6мм (1/4 дюйма). Помните, что при правильной установке концевой выключатель должен иметь ход как минимум 6мм (1/4 дюйма) при закрывании капота.
Вы можете также установить дополнительный концевой выключатель для обеспечения охраны багажника или задней двери автомобиля.
В комплект входит красный светодиодный индикатор (СИД), который показывает состояние охранной системы. Он должен устанавливаться на приборной панели и быть хорошо виден снаружи автомобиля, но не должен отвлекать водителя. После выбора места установки проверьте возможность прокладки проводов за панелью и убедитесь, что при сверлении отверстия не будут повреждены существующие компоненты.
Просверлите отверстие диаметром 7мм и пропустите в него с лицевой стороны панели Красный и Синий провода светодиода. Установите светодиод в просверленное отверстие.
Выберите место установки кнопочного выключателя Valet, которое, с одной стороны, должно быть легко доступно для водителя автомобиля, а с другой стороны, не позволит угонщику быстро найти переключатель Valet и отключить систему. Переключатель может быть установлен, например, в нижней части приборной панели с помощью 2-сторонней липкой ленты
При любом методе крепления убедитесь в наличии свободного доступа к задней части переключателя для подсоединения проводов при установке.
Выберите твердую поверхность на переборке между салоном и моторным отсеком внутри салона и установите датчик при помощи двух прилагаемых винтов. Датчик также может быть легко установлен при помощи перетяжек под панелью приборов.
При любом методе крепления датчика убедитесь в наличии свободного доступа к датчику для его регулировки.
ЧЕРНЫЙ ПРОВОД: "МАССА"
Черный провод подает "массу" на основной блок системы.
Подсоединение: Подсоедините ЧЕРНЫЙ провод системы к отрицательной клемме аккумулятора или к заземленным частям корпуса автомобиля.
ВНИМАНИЕ: Не перепутайте этот провод с тонким Черным проводом антенны, который выходит из центрального блока управления отдельно.
КРАСНЫЙ/БЕЛЫЙ ПРОВОД С ПРЕДОХРАНИТЕЛЕМ 5A: +12В ПОСТОЯННОГО ТОКА ОТ АККУМУЛЯТОРА
Этот провод подает питание на основной блок системы. Он подсоединен через предохранитель 5A к КРАСНОМУ проводу системы.
ТЕМНО-СИНИЙ ПРОВОД: ОТРИЦАТЕЛЬНЫЙ ВЫХОД КАНАЛА 2 (200 мА) / "-" ВЫХОД ДЛЯ ДОПОЛНИТЕЛЬНОЙ БЛОКИРОВКИ ДВИГАТЕЛЯ / "-" ВЫХОД ДЛЯ УПРАВЛЕНИЯ ВНУТРИСАЛОННЫМ ОСВЕЩЕНИЕМ / "-" ВЫХОД ДЛЯ ЗАКРЫВАНИЯ ОКОН АВТОМОБИЛЯ / "-" ВЫХОД ДЛЯ УПРАВЛЕНИЯ ДОПОЛНИТЕЛЬНЫМ ПЕЙДЖЕРОМ (требуется установка дополнительного реле)
ТЕМНО-СИНИЙ провод может быть запрограммирован для выполнения различных функций. В зависимости от состояния программируемой функции № 15, ТЕМНО-СИНИЙ провод системы может использоваться как:
Максимальный ток нагрузки 200 мА.
Примечание: Выход для отпирания крышки багажника будет также работать при включенном зажигании, но только если в этот момент открыта одна из дверей автомобиля. Это предотвратит случайное открывание багажника при движении автомобиля.
Если же данный выход системы активизирован при включенном режиме охраны, то в этом случае система одновременно на 3 секунды отключит датчик удара и триггер капота/багажника для того, чтобы открывание багажника не вызвало срабатывание системы. Через 3 секунды после того, как багажник будет закрыт, система опять автоматически возьмет эти цепи под охрану.
ВНИМАНИЕ: Это отрицательный транзисторный слаботочный выход (максимальный ток нагрузки 200 мА) и должен использоваться только для управления катушкой дополнительного реле. Подсоединение ТЕМНО-СИНЕГО провода непосредственно к сильноточным цепям замка багажника или к некоторым устройствам дистанционного запуска двигателя приведет к повреждению основного блока системы
Подсоединение: Подсоедините ТЕМНО-СИНИЙ провод к контакту № 85 дополнительного 30А реле, подсоедините контакт № 86 реле к +12В. Подсоедините остальные контакты реле как показано на схеме.

Если выход канала 2 системы запрограммирован как "импульсный" или как "постоянный" сигнал:
Подсоединение: Подсоедините ТЕМНО-СИНИЙ провод к контакту № 85 дополнительного 30А реле, подсоедините контакт № 86 реле к +12В. Подсоедините остальные контакты реле в соответствии с выбранной функцией канала 2 системы.
ВНИМАНИЕ: Это отрицательный транзисторный слаботочный выход (максимальный ток нагрузки 200 мА) и должен использоваться только для управления катушкой дополнительного реле.
Подсоединение: Подсоедините ТЕМНО-СИНИЙ провод системы к контакту № 86 дополнительного реле. Подсоедините контакт № 85 реле к проводу от замка зажигания, на который поступает напряжение +12В, когда ключ зажигания находится в положении "ЗАПУСК" (CRANK), и присутствует напряжение 0В, когда ключ зажигания находится в любом ином положении

Перережьте вышенайденный провод, идущий от замка зажигания к соленоиду стартера автомобиля, и подсоедините ту часть обрезанного провода, которая идет от замка зажигания, к контакту № 87a реле. Подсоедините другую часть провода к контакту № 30 реле как показано на схеме ниже.
Примечание: Обратите внимание на то, что при использовании такого варианта подсоединения питание на реле блокировки будет подаваться только в момент попытки завести двигатель, таким образом, реле блокировки будет потреблять энергию аккумулятора только в момент попытки запуска двигателя.
ВНИМАНИЕ: Если используется функция Anti-HiJack, мы не рекомендуем подключать ТЕМНО-СИНИЙ провод для блокировки какой-либо иной цепи, кроме цепи стартера!
Вместо этого ТЕМНО-СИНИЙ провод будет автоматически замыкаться на "массу" на 30 секунд после снятия системы с охраны и импульсно замыкаться на "массу" при срабатывании системы, обеспечивая включение или мигание внутрисалонного освещения автомобиля.
Подсоединение: Подсоедините ТЕМНО-СИНИЙ провод к контакту № 86 дополнительного 30А реле и подсоедините контакт № 85 реле к +12В через предохранитель. Подсоедините остальные контакты реле в соответствии с полярностью цепи внутрисалонного освещения автомобиля как показано на схемах.

Примечание: Обратите внимание на то, что провод освещения салона и провод цепи концевого выключателя двери не всегда являются одним и тем же проводом. Например, во многих последних моделях автомобилей GM цепь освещения панели приборов выполнена Белым проводом, и этот провод не является проводом цепи концевого выключателя двери (к которому должен подключаться КОРИЧНЕВЫЙ провод отрицательного триггера двери системы). Тем не менее, именно к данному Белому проводу рекомендуется подсоединять ТЕМНО-СИНИЙ провод системы для управления освещением салона автомобиля. Мы рекомендуем использовать штатную цепь освещения салона автомобиля даже в том случае, если Вы не используете ее для подсоединения с цепью концевого выключателя двери.
ВНИМАНИЕ: В том случае, если Вы используете провод цепи концевого выключателя двери для управления внутрисалонным освещением автомобиля, обязательно установите диод для изолирования цепи триггера двери от цепи управления внутрисалонным освещением. В противном случае не сможет правильно работать функция автоматической повторной постановки системы в режим охраны.
Для того, чтобы работа электрических стеклоподъемников не вызвала срабатывания системы, система автоматически отключит вход датчика удара на все время, пока данный выход активизирован + еще 3 секунды.
Подсоединение: Найдите провод штатного модуля управления электрическими стеклоподъемниками автомобиля, при замыкании которого на "массу" происходит закрывание окон. Подсоедините ТЕМНО-СИНИЙ провод к данному проводу.
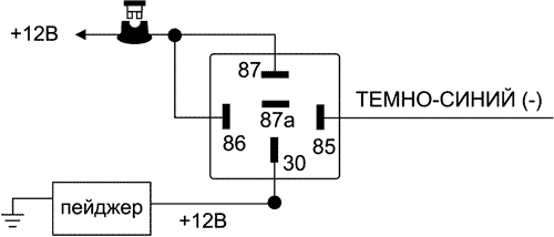
Подсоединение: Подсоедините ТЕМНО-СИНИЙ провод к проводу отрицательного триггера дополнительного пейджера. В том случае, если пейджер управляется положительным триггером, используйте дополнительное реле, как показано на схеме.

ЖЕЛТЫЙ ПРОВОД: +12В ПОСТОЯННОГО ТОКА НА ЗАМКЕ ЗАЖИГАНИЯ
Данный провод информирует систему о наличии/отсутствии питания на замке зажигания. Таким образом, система определяет, находитесь ли Вы внутри или вне автомобиля
Подсоединение: Подсоедините ЖЕЛТЫЙ провод к проводу от замка зажигания, на котором имеется напряжение + 12В, когда ключ зажигания находится в положениях "ВКЛ." (ON) И "ЗАПУСК" (CRANK), и напряжение 0В, когда ключ зажигания находится в положениях "ВЫКЛ." (OFF) и "ACC".
ВНИМАНИЕ: Если используется дополнительная блокировка цепи зажигания автомобиля, то ЖЕЛТЫЙ провод системы должен быть подключен к проводу, идущему от замка зажигания, между местом установки дополнительного реле блокировки и катушкой зажигания.
ЗЕЛЕНЫЙ/БЕЛЫЙ ПРОВОД: см. раздел "УПРАВЛЕНИЕ ЗАМКАМИ ДВЕРЕЙ" ниже.
ЗЕЛЕНЫЙ/КРАСНЫЙ ПРОВОД: см. раздел "УПРАВЛЕНИЕ ЗАМКАМИ ДВЕРЕЙ" ниже.
ЗЕЛЕНЫЙ/ЧЕРНЫЙ ПРОВОД: см. раздел "УПРАВЛЕНИЕ ЗАМКАМИ ДВЕРЕЙ" ниже.
СИНИЙ/БЕЛЫЙ ПРОВОД: см. раздел "УПРАВЛЕНИЕ ЗАМКАМИ ДВЕРЕЙ" ниже.
СИНИЙ/КРАСНЫЙ ПРОВОД: см. раздел "УПРАВЛЕНИЕ ЗАМКАМИ ДВЕРЕЙ" ниже.
ФИОЛЕТОВЫЙ ПРОВОД: (+) ТРИГГЕР ДВЕРИ / (+) ВХОД ДЛЯ ПОДКЛЮЧЕНИЯ 5-ПРОВОДНОГО ЭЛЕКТРОПРИВОДА
Подсоединение: Если выключатель внутрисалонного освещения имеет на выходе +12В при открывании двери (большинство автомобилей Ford, ГАЗ), Вы должны подсоединить ФИОЛЕТОВЫЙ провод к одному из штатных концевых выключателей. В большинстве случаев ФИОЛЕТОВЫЙ провод достаточно подсоединить только к одному концевому выключателю независимо от количества дверей в автомобиле.
ВНИМАНИЕ: Не используйте ФИОЛЕТОВЫЙ провод, если концевые выключатели дверей отрицательной полярности (См. КОРИЧНЕВЫЙ провод ниже).
В система будет автоматически подавать импульс для отпирания дверей автомобиля, а при отключении +12 В - импульс для запирания дверей автомобиля, но только при выключенном режиме охраны.
Использование данной функции позволит Вам реализовать функцию "центрального замка" без необходимости использования дополнительного модуля, достаточно будет только установить один 5-проводный электропривод в двери водителя и 2-проводные электроприводы в остальных дверях. После этого, при запирании или отпирании двери водителя система будет автоматически запирать или отпирать все двери автомобиля.
Подсоединение: Среди проводов 5-проводного электропривода, установленного в двери водителя, найдите провод, соответствующий общему контакту встроенной в электропривод контактной группы. Подсоедините к нему ФИОЛЕТОВЫЙ провод системы. Затем найдите провод, который замыкается с общим проводом встроенной контактной группы, когда дверь не заперта. Подключите этот провод к постоянному питанию +12В автомобиля. Третий провод встроенной контактной группы заизолируйте.
СИНИЙ/ЧЕРНЫЙ ПРОВОД: см. раздел "УПРАВЛЕНИЕ ЗАМКАМИ ДВЕРЕЙ" ниже.
ТЕМНО-ЗЕЛЕНЫЙ ПРОВОД: (-) ТРИГГЕР КАПОТА/БАГАЖНИКА
Когда система находится в режиме охраны, при замыкании ТЕМНО-ЗЕЛЕНОГО провода на "массу" произойдет немедленное срабатывание системы.
Подсоединение: Подсоедините ТЕМНО-ЗЕЛЕНЫЙ провод к предварительно установленным концевым выключателям капота и/или багажника отрицательной полярности.
КОРИЧНЕВЫЙ ПРОВОД: (-) ТРИГГЕР ДВЕРИ / (-) ВХОД ДЛЯ ПОДКЛЮЧЕНИЯ 5-ПРОВОДНОГО ЭЛЕКТРОПРИВОДА
Подсоединение: Если штатный концевой выключатель двери замыкается на "массу" при открывании дверей (это типично для большинства автомобилей), Вы должны подсоединить КОРИЧНЕВЫЙ провод к одному из штатных концевых выключателей. В большинстве случаев КОРИЧНЕВЫЙ провод достаточно подсоединить только к одному концевому выключателю независимо от количества дверей в автомобиле.
ВНИМАНИЕ: Не используйте КОРИЧНЕВЫЙ провод, если полярность концевых выключателей дверей в автомобиле +12В (См. ФИОЛЕТОВЫЙ провод выше).
В этом случае, при замыкании КОРИЧНЕВОГО провода на "массу" система будет автоматически подавать импульс для отпирания дверей автомобиля, а при отключении "массы" - импульс для запирания дверей автомобиля, но только при выключенном режиме охраны.
Использование данной функции позволит Вам реализовать функцию "центрального замка" без необходимости использования дополнительного модуля, достаточно будет только установить один 5-проводный электропривод в двери водителя и 2-проводные электроприводы в остальных дверях. После этого, при запирании или отпирании двери водителя система будет автоматически запирать или отпирать все двери автомобиля.
Подсоединение: Среди проводов 5-проводного электропривода, установленного в двери водителя, найдите провод, соответствующий общему контакту встроенной в электропривод контактной группы. Подсоедините к нему КОРИЧНЕВЫЙ провод системы. Затем найдите провод, который замыкается с общим проводом встроенной контактной группы, когда дверь не заперта. Подключите этот провод к "массе" автомобиля. Третий провод встроенной контактной группы заизолируйте.
БЕЛЫЙ/ЧЕРНЫЙ ПРОВОД: ПОЛОЖИТЕЛЬНЫЙ ВЫХОД ДЛЯ УПРАВЛЕНИЯ СИРЕНОЙ (1A)
Проложите этот провод через резиновую втулку в теплоизоляционной перегородке к месту установки сирены.
Подсоединение: Подсоедините БЕЛЫЙ/ЧЕРНЫЙ провод системы к Красному проводу сирены. Подсоедините Черный провод массы сирены к "массе".
2 БЕЛЫХ ПРОВОДА: ИМПУЛЬСНЫЙ ВЫХОД НА УКАЗАТЕЛИ ПОВОРОТА +12В ПОСТОЯННОГО ТОКА (2 х 7.5А МАКС.)
Подсоединение: Подсоедините БЕЛЫЕ провода системы к правым и левым указателям поворота автомобиля.
КРАСНЫЙ ПРОВОД С ПРЕДОХРАНИТЕЛЕМ 15A: +12В ПОСТОЯННОГО ТОКА ОТ АККУМУЛЯТОРА
Этот провод подает питание на основной блок системы и на встроенное реле управления указателями поворота. Подсоедините КРАСНЫЙ провод с предохранителем 15А к +12В постоянного тока от аккумулятора автомобиля.
ОРАНЖЕВЫЙ/БЕЛЫЙ ПРОВОД: ОТРИЦАТЕЛЬНЫЙ ВЫХОД 500 мА ПРИ ВЫКЛЮЧЕННОЙ ОХРАНЕ ДЛЯ БЛОКИРОВКИ СТАРТЕРА НОРМАЛЬНО РАЗОМКНУТЫМ РЕЛЕ
ОРАНЖЕВЫЙ/БЕЛЫЙ провод замкнут на "массу" при выключенном режиме охраны и служит для управления нормально разомкнутым реле блокировки стартера. Это отрицательный транзисторный слаботочный выход (максимальный ток нагрузки 500 мА) и должен использоваться только для управления катушкой реле.
Подсоединение: Подсоедините ОРАНЖЕВЫЙ/БЕЛЫЙ провод к контакту № 86 прилагаемого реле блокировки стартера. Подсоедините контакт № 85 реле к проводу от замка зажигания, на который поступает напряжение +12В, когда ключ зажигания находится в положении "ЗАПУСК" (CRANK), и присутствует напряжение 0В, когда ключ зажигания находится в любом ином положении.
Перережьте вышенайденный провод от замка зажигания, идущий к соленоиду стартера автомобиля, и подсоедините ту часть обрезанного провода, которая идет от замка зажигания, к контакту № 30 реле. Подсоедините другую часть провода к контакту № 87 реле как показано на схеме.
Примечание: Обратите внимание на то, что при использовании такого варианта подсоединения питание на реле блокировки будет подаваться только в момент попытки завести двигатель, таким образом, реле блокировки будет потреблять энергию аккумулятора только в момент попытки запуска двигателя.

ВНИМАНИЕ: Если используется функция Anti-HiJack, мы не рекомендуем использовать ОРАНЖЕВЫЙ/БЕЛЫЙ провод системы для блокировки какой-либо иной цепи, кроме цепи стартера.
СИНИЙ/ЧЕРНЫЙ, СИНИЙ/БЕЛЫЙ, СИНИЙ/КРАСНЫЙ, ЗЕЛЕНЫЙ/ЧЕРНЫЙ, ЗЕЛЕНЫЙ/БЕЛЫЙ и ЗЕЛЕНЫЙ/КРАСНЫЙ провода системы предназначены для подсоединения встроенных реле управления замками дверей. Функция каждого из этих проводов показана ниже.

Перед подключением системы к установленным электроприводам замков дверей необходимо определить тип штатной системы центрального замка. Для этого - выньте выключатель дверного замка из панели двери водителя и протестируйте провода, идущие от выключателя.
Если от выключателя идет 3 провода, один из которых постоянно замкнут на "массу" (независимо от положения выключателя), а из двух других проводов один будет замыкаться на "массу" при переводе выключателя в положение "Lock" ("Закрыто"), а другой будет замыкаться на массу при переводе выключателя в положение "Unlock" ("Открыто") - Вы имеете дело с 3-проводной цепью отрицательной полярности.
Если от выключателя идет 3 провода, один из которых постоянно замкнут на +12В (независимо от положения выключателя), а из двух других проводов один будет замыкаться на +12В при переводе выключателя в положение "Lock" ("Закрыто"), а другой будет замыкаться на +12В при переводе выключателя в положение "Unlock" ("Открыто") - Вы имеете дело с 3-проводной цепью положительной полярности.
Если от выключателя идет 5 проводов (или иногда 4) - в данном автомобиле установлена штатная система центрального замка с переменной полярностью управляющего импульса. В таких системах нет штатных реле или собственно модуля центрального замка т.к. +12В подается непосредственно от выключателя на электроприводы замков и, к тому же, обеспечивается обратный выход на массу.
Один из 5 проводов, идущих от выключателя, будет постоянно замкнут на +12В, независимо от положения выключателя. Два провода (или один) будут постоянно замкнуты на массу, независимо от положения выключателя. Из двух оставшихся проводов - один будет замыкаться на +12В при переводе выключателя в положение "Lock" ("Закрыто"), а другой будет замыкаться на +12В при переводе выключателя в положение "Unlock" ("Открыто").
В автомобилях данного типа необходимо перерезать штатные провода, идущие от главного выключателя замков дверей ("Master"), находящегося в водительской двери, к выключателям замков других дверей, а затем к электроприводам замков.
На автомобилях марки Mercedes-Benz или Audi используется вакуумная система центрального замка. Она имеет электровыключатели (встроенные в пневмоприводы), которые подают +12В или "массу" на пневмонасос. Эти выключатели работают при запирании и отпирании дверей изнутри или ключом снаружи автомобиля. Полярность выключателей определяет, будет ли насос создавать давление или разрежение.
Подсоединение может выполняться либо под декоративной накладкой (панелью) слева от водителя, либо непосредственно на пневмонасосе, который обычно установлен в багажнике или под задним сиденьем.
Примечание: В автомобилях выпуска 1989 г. (или ранее) пневмонасос работает около 3 секунд. При установке системы на такие автомобили необходимо будет также запрограммировать длительность импульса, подаваемого на замки дверей, на 3.5 секунды (программируемая функция № 12).
Если автомобиль марки Nissan, Mitsubishi или Lotus и в двери нет переключателя - необходимо найти провод, идущий из двери водителя, который замкнут на массу, если двери автомобиля открыты, и "разомкнут", если двери закрыты.
Если автомобиль не оборудован центральным замком или электроприводами замков дверей, Вы можете установить дополнительные электроприводы и подсоединить их к системе следующим образом:
Проложите Красный, Черный, Синий и Зеленый провода, оканчивающиеся 4-контактным белым разъемом, от датчика удара к основному блоку системы и подсоедините его с одной стороны к датчику удара, а с другой - к Белому разъему блока.
Проложите Красный и Синий провода, оканчивающиеся 2-контактным белым разъемом, от СИДа к основному блоку системы и подсоедините его к Белому разъему блока.
Проложите Серый и Черный провода, оканчивающиеся 2-контактным синим разъемом, от кнопочного переключателя VALET к основному блоку системы и подсоедините его к Синему разъему блока.
АНТЕННА: Вытяните тонкий Черный провод антенны во всю длину и закрепите его в том месте, где он не может быть поврежден. Избегайте укладки этого провода вокруг главных сильноточных жгутов проводки или близко к металлическим частям кузова.
РЕГУЛИРОВКА ДАТЧИКА УДАРА: Осторожно поверните регулировочный винт против часовой стрелки до упора при помощи маленькой отвертки (НЕ проворачивайте винт вокруг оси. Максимальный угол регулировки 270°). Закройте капот, багажник и поставьте систему на охрану. Подождите 6 секунд пока работа всех охранных устройств стабилизируется, затем сильно ударьте кулаком по заднему бамперу или по передней стойке с такой силой, которая была бы достаточной для того, чтобы разбить стекло. Внимание! Не стучите по стеклу, Вы можете его разбить!
Если система не сработала, поверните регулировочный винт по часовой стрелке (для увеличения чувствительности) примерно на 1/4 оборота и проверьте чувствительность датчика еще раз. Повторяйте эту процедуру до тех пор, пока не сработает сигнализация. Охрана должна срабатывать при сильном ударе по заднему бамперу автомобиля. При более слабом ударе должен срабатывать режим предупреждения и сирена подаст 3 коротких сигнала.
Внимание! При высокой чувствительности охрана будет срабатывать при вибрациях от проходящих рядом тяжелых автомобилей. Для уменьшения чувствительности поверните регулировочный винт против часовой стрелки
ЗАЩИТА ПРОВОДКИ: Всегда защищайте провода спиральными трубками или обматывайте их изолентой. Закрепите жгуты проводов по всей длине при помощи пластиковых перетяжек. Это обеспечит отсутствие повреждений проводов при их соприкосновении с горячими или острыми подвижными частями автомобиля.
Система M-400 совместима с дополнительной сиреной с автономным питанием ALLIGATOR BS-98M. В данной сирене реализована схема защиты от обрыва проводов управления, таким образом, сирена немедленно сработает не только при попытке отключить аккумулятор автомобиля или при обрыве проводов питания, но и при попытке оборвать провод системы, управляющий сиреной (БЕЛЫЙ/ЧЕРНЫЙ провод).
РАБОТА СИСТЕМЫ: Уделите некоторое время просмотру соответствующих пунктов в Руководстве пользователя и детально объясните работу системы Вашему заказчику.
| Номинальное напряжение питания | +12В постоянного тока |
| Номиналы предохранителей | |
| - на Красном проводе | 15А |
| - на Красном/Белом проводе | 5А |
| Потребление тока | <15мА в режиме охраны |
| Постановка на охрану | через 3/45 секунд после нажатия кнопки передатчика |
| Максимальное количество циклов режима тревоги | 6 циклов по 30 секунд |
| Автоматическая повторная постановка на охрану | через 30 секунд после снятия с режима охраны |
| Автоматическая постановка на охрану | через 30 секунд после закрывания последней двери |
| Количество индицируемых зон охраны | 5 |
| Триггеры системы: | - отрицательный триггер двери - положительный триггер двери - отрицательный триггер капота/багажника - вход зажигания - датчик удара - зона предупреждения - питание системы |
| Количество каналов приемника | 3 |
| Максимальное количество передатчиков | 4 |
| Количество кодовых комбинаций | 1.8 x 1024 с динамическим изменением кода |
| Макс. ток нагрузки выхода блокировки стартера: | 500мА |
| Макс. ток нагрузки выходов управления указателями поворота: | 15A (2x7.5A) |
| Макс. ток нагрузки реле запирания: | 20A |
| Макс. ток нагрузки реле отпирания: | 20A |
| Макс. ток нагрузки выхода 2-го канала системы: | 200мА |
Передатчики, входящие в комплект системы, программируются на заводе-изготовителе следующим образом:
| ФУНКЦИЯ | КНОПКА | ПРИМЕЧАНИЕ |
|---|---|---|
| Дистанционная постановка/снятие с охраны или дистанционное запирание/отпирание дверей | Нажать и отпустить | |
| Бесшумная постановка/снятие с охраны | Нажать и отпустить | |
| Постановка на охрану с отключением зоны предупреждения датчика удара | Нажать последовательно в течение 5 секунд | |
| Постановка на охрану с отключением обеих зон датчика удара | Нажать последовательно в течение 5 секунд | |
| Выход Канала 2 (дистанционное отпирание замка багажника/управление дополнительными устройствами) | Нажать и удерживать в течение 3 секунд | |
| Дистанционное включение режима "Паника" | Нажать одновременно и удерживать в течение 3 секунд при выключенном зажигании | |
| Дистанционное выключение режима "Паника" | Нажать и отпустить одновременно | |
| Дистанционное включение режима "Anti-HiJack" (если включена функция № 10) | Нажать одновременно и удерживать в течение 3 секунд при включенном зажигании |
ВНИМАНИЕ: Так как в передатчиках используется постоянно меняющийся (динамический) код, в определенных, достаточно редких ситуациях (например, при нажатии кнопок брелка более 30 раз вдали от автомобиля) может произойти рассинхронизация брелков и системы. В этом случае - подойдите к автомобилю и быстро нажмите кнопку передатчика дважды. Синхронизация будет восстановлена и брелок вновь сможет управлять системой.
В память системы может быть запрограммировано всего до 4-х передатчиков. При программировании первого передатчика стираются коды всех ранее запрограммированных передатчиков. Таким образом, при попытке несанкционированного программирования кодов дополнительных передатчиков код Вашего "рабочего" передатчика будет автоматически удален из памяти системы, и Вы сразу же обратите на это внимание.
ВНИМАНИЕ: Помните, что каждая операция должна быть выполнена в течение 15 секунд после предыдущей операции. Если 15-секундный интервал превышен, система автоматически выйдет из режима программирования, что будет подтверждено одним коротким и одним длинным сигналом сирены. Если в процессе программирования было выключено зажигание, система также немедленно выйдет из режима программирования, и Вы услышите 1 короткий и 1 длинный сигналы сирены.
ВНИМАНИЕ: После программирования первого передатчика коды всех передатчиков, запрограммированных ранее, будут стерты из памяти системы.
ВНИМАНИЕ: При попытке запрограммировать 5-й передатчик, код первого запрограммированного передатчика будет "вытеснен" из памяти системы, при попытке запрограммировать 6-й передатчик, код второго передатчика будет "вытеснен" из памяти системы, и т.д. Код одного и того же передатчика может быть запрограммирован 4 раза.
Вы услышите 1 короткий и 1 длинный сигнал сирены, подтверждающие, что система вышла из режима программирования.
В корпусе передатчика установлен маленький красный светодиод, который подтверждает нажатие кнопок передатчика и также показывает состояние батареек передатчика. По мере разряда батареек Вы можете заметить уменьшение дальности действия передатчика.
Для замены батарейки:




