ALLIGATOR
L730 ver. 3
ИНСТРУКЦИЯ ПО УСТАНОВКЕ
ПРОГРАММИРУЕМЫЕ ФУНКЦИИ (заводские установки выделены жирным шрифтом)
| № |
1 сигнал сирены |
2 сигнала сирены |
3 сигнала сирены |
4 сигнала сирены |
| 1 |
Пассивная постановка на охрану включена |
Пассивная постановка на охрану выключена |
--- |
--- |
| 2 |
Пассивная постановка на охрану с запиранием дверей |
Пассивная постановка на охрану без запирания дверей |
--- |
--- |
| 3 |
Подтверждающие сигналы сирены включены а) |
Подтверждающие сигналы сирены выключены |
--- |
--- |
| 4 |
Автоматическое запирание дверей при включении зажигания включено |
Автоматическое запирание дверей при включении зажигания выключено |
--- |
--- |
| 5 |
Автоматическое отпирание дверей при выключении зажигания включено |
Автоматическое отпирание дверей при выключении зажигания выключено |
--- |
--- |
| 6 |
При снятии системы с охраны указатели поворота включатся 2 раза |
При снятии системы с охраны указатели поворота включатся 2 раза и затем на 30 секунд |
--- |
--- |
| 7 |
Функция защиты от ложных срабатываний FAPC включена b) |
Функция защиты от ложных срабатываний FAPC выключена |
--- |
--- |
| 8 |
Отключение системы с помощью переключателя Valet (VALET) |
Отключение системы с помощью персонального секретного кода (Code) c) |
--- |
--- |
| 9 |
Включение функции Anti-HiJack с помощью 3 канала передатчика d) |
Функция Anti-HiJack отключена |
--- |
--- |
| 10 |
Включение режима охраны через 3 секунды после подтверждающих сигналов сирены |
Включение режима охраны через 45 секунд после подтверждающих сигналов сирены е) |
|
|
| 11 |
Длительность импульса, подаваемого на замки дверей: 0.8с. |
Длительность импульса, подаваемого на замки дверей: 3,5 с. |
Запирание: 0.8 с.; отпирание: двойной импульс 0.8с. |
Запирание: управление режимом "Комфорт"; отпирание: 0.8с. |
| 12 |
Функция Фиолетового провода "(+) триггер двери" |
Функция Фиолетового провода "Отрицательный вход для подключения 5-проводного электропривода" f) |
--- |
--- |
| 13 |
Функция Коричневого провода "(-) триггер двери" |
Функция Коричневого провода "Отрицательный вход для подключения 5-проводного электропривода" f) |
--- |
--- |
| 14 |
Выход канала 2 системы: "отпирание багажника" |
Выход канала 2 системы: "импульсный" |
Выход канала 2 системы: "постоянный" |
Выход канала 2 системы: "таймерный 30 сек." |
| 15 |
Функция Зеленого/Белого провода "Отрицательный выход для дополнительной блокировки Н.З. реле" |
Функция Зеленого/Белого провода "Отрицательный выход для управления внутрисалонным освещением" |
--- |
--- |
| 16 |
Выход канала 3 системы: "импульсный" |
Выход канала 3 системы: "постоянный" |
Выход канала 3 системы: "таймерный 30 сек." |
--- |
| 17 |
Функция Зеленого/Черного провода "(-) выход канала 3 системы" |
Функция Зеленого/Черного провода "(-) выход для управления внутрисалонным |
Функция Зеленого/Черного провода "(-) выход для отпирания всех дверей" |
Функция Зеленого/Черного провода "(-) выход для управления пейджером" |
| 18 |
Охрана автомобиля с работающим двигателем включена |
Охрана автомобиля с работающим двигателем выключена |
--- |
--- |
Примечание: Функции № 10 - № 17 должны программироваться ТОЛЬКО квалифицированным мастером-установщиком при установке системы. Случайное изменение состояние этих функций может привести к неправильной работе или повреждению системы.
- - даже если подтверждающие сигналы сирены отключены, 3 и 4 сигнала сирены при постановка и при снятии с режима охраны будут работать.
- - см. описание работы функции № 7 в Инструкции пользователя (раздел "Функция защиты от ложных срабатываний FAPC")
- - см. описание работы функции № 8 в Инструкции пользователя (раздел "Аварийное отключение системы"). Для программирования нового персонального кода нажмите кнопку 1 передатчика от 1 до 8 раз (первое нажатие кнопки 1 передатчика будет соответствовать цифре 2, следующее 2-е нажатие будет соответствовать цифре 3 и т.д.). Сирена подаст от 2 до 9 сигналов, подтверждая программирование нового персонального кода.
- - см. описание работы функции № 9 в Инструкции пользователя (раздел "Режим Anti-HiJack")
- - данная функция (№ 10) необходима при установке на некоторые современные модели автомобилей со штатной задержкой выключения внутрисалонного освещения или с турбодвигателем. Если данная функция включена, система полностью встанет в режим охраны и будет срабатывать от триггеров концевых выключателей дверей через 3 секунды после сигналов подтверждения сирены. Если данная функция выключена, система полностью встанет в режим охраны и будет срабатывать от вышеуказанных триггеров через 45 секунд после сигналов подтверждения сирены. Если в момент постановки системы на охрану с помощью передатчика включено внутрисалонное освещение автомобиля или если одна из дверей автомобиля открыта, система обойдет данную цепь и встанет в режим охраны со стандартными сигналами подтверждения (1 сигнал сирены и 1 мигание указателей поворота), однако через 45 секунд, если данная цепь осталась открытой, сирена подаст 3 сигнала и указатели поворота мигнут 3 раза, подтверждая обход входа триггера двери. Система возьмет эту цепь под охрану через 3 секунд после того, как она перестанет быть активной.
- - данные функции (№ 12 и № 13) позволяют частично реализовать функцию "центрального замка" на запирание дверей при запирании двери водителя если установлен дополнительный 5-проводный электропривод в двери водителя. См. описание данной функции в разделах "Фиолетовый провод" и "Коричневый провод" ниже.
Действия по программированию функций системы
Вход в режим программирования:
- Снимите систему с охраны.
- Включите зажигание.
- В течение 15 секунд после включения зажигания нажмите кнопочный выключатель Valet 3 раза. Вы услышите 1 короткий сигнал сирены и СИД системы начнет медленно мигать.
- В течение 15 секунд после сигнала сирены выключите зажигание. Вы услышите 1 короткий и 1 длинный сигнал сирены.
- В течение 3 секунд после сигналов сирены включите зажигание. Вы автоматически войдете в режим программирования функции № 1. СИД начнет мигать одиночными вспышками и сирена подаст 1 или 2 сигнала в зависимости от состояния функции № 1.
Каждый раз, когда Вы входите в режим программирование той или иной функции (даже если Вы при этом хотите сразу же перейти к следующей функции), СИД начнет мигать сериями вспышек в соответствии с номером функции и Вы услышите 1, 2, 3 или 4 сигнала сирены, показывающих состояние выбранной функции. После сигналов сирены Вы можете либо:
- Изменить состояние данной функции, нажав кнопку 1 (
) передатчика. Если функция допускает программирование более 2-х возможных состояний, нажмите кнопку 1 передатчика 2-й или 3-й раз для выбора необходимого состояния функции. При этом Вы опять услышите от 1 до 4 сигналов сирены, подтверждающих новое состояние функции.
- Перейти к следующей функции (нажав и отпустив один раз кнопочный выключатель Valet)
- Выйти из режима программирования (например, выключив зажигание).
Примечание: Не допускайте, чтобы между Вашими действиями прошло больше 15 секунд, иначе система автоматически выйдет из режима программирования, и Вы услышите один длинный сигнал сирены.
1. Программирование функции № 1
- После включения зажигания Вы услышите 1 или 2 сигнала сирены, показывающих состояние функции № 1 (1 сигнал - пассивная постановка в режим охраны включена, 2 сигнала - пассивная постановка в режим охраны выключена).
- Для изменения состояния функции № 1 нажмите кнопку 1 передатчика или перейдите к программированию функции № 2.
2. Программирование функции № 2
- Нажмите кнопочный выключатель Valet один раз. Вы войдете в режим программирования функции № 2. СИД начнет мигать сериями из 2 вспышек через паузу.
- Вы услышите 1 или 2 сигнала сирены, показывающих состояние функции № 2 (1 сигнал - при пассивной постановке на охрану будут запираться двери автомобиля, 2 сигнала - при пассивной постановке двери автомобиля запираться не будут).
- Для изменения состояния функции № 2 нажмите кнопку 1 передатчика или перейдите к программированию функции № 3.
3. Программирование функции № 3
- Нажмите кнопочный выключатель Valet один раз. Вы войдете в режим программирования функции № 3. СИД начнет мигать сериями из 3 вспышек через паузу.
- Вы услышите 1 или 2 сигнала сирены, показывающих состояние функции № 3 (1 сигнал - подтверждающие сигналы сирены включены; 2 сигнала - подтверждающие сигналы сирены выключены).
- Для изменения состояния функции № 3 нажмите кнопку 1 передатчика или перейдите к программированию функции № 4.
4. Программирование функции № 4
- Нажмите кнопочный выключатель Valet один раз. Вы войдете в режим программирования функции № 4. СИД начнет мигать сериями из 4 вспышек через паузу.
- Вы услышите 1 или 2 сигнала сирены, показывающих состояние функции № 4 (1 сигнал - функция автоматического запирания дверей при включении зажигания включена; 2 сигнала - функция автоматического запирания дверей при включении зажигания выключена).
- Для изменения состояния функции № 4 нажмите кнопку 1 передатчика или перейдите к программированию функции № 5.
Программирование функции № 5
- Нажмите кнопочный выключатель Valet один раз. Вы войдете в режим программирования функции № 5. СИД начнет мигать сериями из 5 вспышек через паузу.
- Вы услышите 1 или 2 сигнала сирены, показывающих состояние функции № 5 (1 сигнал - функция автоматического отпирания дверей при выключении зажигания включена, 2 сигнала - функция автоматического отпирания дверей при выключении зажигания выключена)
- Для изменения состояния функции № 5 нажмите кнопку 1 передатчика или перейдите к программированию функции № 6.
6. Программирование функции № 6
- Нажмите кнопочный выключатель Valet один раз. Вы войдете в режим программирования функции № 6. СИД начнет мигать сериями из 6 вспышек через паузу.
- Вы услышите 1 или 2 сигнала сирены, показывающих состояние функции № 6 (1 сигнал - при снятии системы с охраны указатели поворота автомобиля будут включаться 2 раза; 2 сигнала - при снятии системы с охраны указатели поворота будут включаться 2 раза и затем на 30 секунд)
- Для изменения состояния функции № 6 нажмите кнопку 1 передатчика или перейдите к программированию функции № 7.
7. Программирование функции № 7
- Нажмите кнопочный выключатель Valet один раз. Вы войдете в режим программирования функции № 7. СИД начнет мигать сериями из 7 вспышек через паузу.
- Вы услышите 1 или 2 сигнала сирены, показывающих состояние функции № 7 (1 сигнал - функция защиты от ложных срабатываний FAPC включена; 2 сигнала - функция защиты от ложных срабатываний FAPC выключена)
- Для изменения состояния функции № 7 нажмите кнопку передатчика или перейдите к программированию функции № 8.
8. Программирование функции № 8
- Нажмите кнопочный выключатель Valet один раз. Вы войдете в режим программирования функции № 8. СИД начнет мигать сериями из 8 вспышек через паузу.
- Вы услышите 1 или от 2 до 9 сигналов сирены, показывающих состояние функции № 8 (1 сигнал - отключение системы производится с помощью кнопочного выключателя Valet, 2, 3, 4...9 сигналов - система может быть отключена только с помощью соответствующего персонального секретного кода (Code))
- Для изменения состояния функции № 8 и программирования нового персонального кода отключения системы нажмите кнопку 1 (
) передатчика от 1 до 8 раз (сирена подаст от 2 до 9 сигналов, подтверждая программирование нового персонального кода) или перейдите к программированию функции № 9.
9. Программирование функции № 9
- Нажмите кнопочный выключатель Valet один раз. Вы войдете в режим программирования функции № 9. СИД начнет мигать сериями из 9 вспышек через паузу.
- Вы услышите 1 или 2 сигнала сирены, показывающих состояние функции № 9 (1 сигнал - функция дистанционного включения режима Anti-HiJack с помощью 3 канала передатчика включена; 2 сигнала -функция дистанционного включения режима Anti-HiJack выключена)
- Для изменения состояния функции № 9 нажмите кнопку 1 передатчика или перейдите к программированию функции № 10.
10. Программирование функции № 10
- Нажмите кнопочный выключатель Valet один раз. Вы войдете в режим программирования функции № 10. СИД начнет мигать сериями из 10 вспышек через паузу.
- Вы услышите 1 или 2 сигнала сирены, показывающих состояние функции № 10 (1 сигнал - система будет полностью вставать в режим охраны и сможет срабатывать от триггеров концевых выключателей дверей, капота/багажника и датчика системы через 3 секунды после сигналов подтверждения сирены; 2 сигнала - система будет полностью вставать в режим охраны и сможет срабатывать от триггеров концевых выключателей дверей и датчика системы через 45 секунд после сигналов подтверждения сирены)
- Для изменения состояния функции № 10 нажмите кнопку 1 передатчика или перейдите к программированию функции №11.
11. Программирование функции № 11
- Нажмите кнопочный выключатель Valet один раз. Вы войдете в режим программирования функции № 11. СИД начнет мигать сериями из 11 вспышек через паузу.
- Вы услышите 1, 2 или 3 сигнала сирены, показывающих состояние функции № 11 (1 сигнал - длительность импульса, подаваемого на замки дверей 0.8 с.; 2 сигнала - длительность импульса, подаваемого на замки дверей 3.5 с..; 3 сигнала - длительность импульса запирания 0.8 с., для отпирания дверей подаются два импульса 0.8 с. ).
- Для изменения состояния функции № 11 нажмите кнопку 1 передатчика 1 или 2 раза или перейдите к программированию функции № 12.
12. Программирование функции № 12
- Нажмите кнопочный выключатель Valet один раз. Вы войдете в режим программирования функции № 12. СИД начнет мигать сериями из 12 вспышек через паузу.
- Вы услышите 1 или 2 сигнала сирены, показывающих состояние функции № 12 (1 сигнал - функция Фиолетового провода "(+) триггер двери", 2 сигнала - функция Фиолетового провода "Отрицательный вход для подключения 5-проводного электропривода двери водителя").
- Для изменения состояния функции № 12 нажмите кнопку 1 передатчика или перейдите к программированию функции № 13.
13. Программирование функции № 13
- Нажмите кнопочный выключатель Valet один раз. Вы войдете в режим программирования функции № 13. СИД начнет мигать сериями из 13 вспышек через паузу.
- Вы услышите 1 или 2 сигнала сирены, показывающих состояние функции № 13 (1 сигнал - функция Коричневого провода "(-) триггер двери", 2 сигнала - функция Коричневого провода "Отрицательный вход для подключения 5-проводного электропривода двери водителя").
- Для изменения состояния функции № 13 нажмите кнопку 1 передатчика или перейдите к программированию функции № 14.
14. Программирование функции № 14
- Нажмите кнопочный выключатель Valet один раз. Вы войдете в режим программирования функции № 14. СИД начнет мигать сериями из 14 вспышек через паузу.
- Вы услышите 1, 2, 3 или 4 сигнала сирены, показывающих состояние функции № 14 (1 сигнал - выход канала 2 системы используется для управления отпирания замка багажника; 2 сигнала - выход канала 2 системы "импульсный"; 3 сигнала - выход канала 2 системы "постоянный"; 4 сигнала - выход канала 2 системы "таймерный 30 секунд").
- Для изменения состояния функции № 14 нажмите кнопку 1 передатчика 1, 2 или 3 раза или перейдите к программированию функции № 15.
15. Программирование функции № 15
- Нажмите кнопочный выключатель Valet один раз. Вы войдете в режим программирования функции № 15. СИД начнет мигать сериями из 15 вспышек через паузу.
- Вы услышите 1 или 2 сигнала сирены, показывающих состояние функции № 15 (1 сигнал - функция Зеленого/Белого провода "Отрицательный выход для дополнительной блокировки Н.Э. реле"; 2 сигнала - функция Зеленого/Белого провода "Отрицательный выход для управления внутрисалонным освещением").
- Для изменения состояния функции № 15 нажмите кнопку 1 передатчика или выйдите из режима программирования.
16. Программирование функции № 16
- Нажмите кнопочный выключатель Valet один раз. Вы войдете в режим программирования функции № 16. СИД начнет мигать сериями из 16 вспышек через паузу.
- Вы услышите 1 или 2 сигнала сирены, показывающих состояние функции № 16 (1 сигнал - выход канала 3 системы "импульсный"; 2 сигнала - выход канала 3 системы "постоянный"; 3 сигнала - выход канала 3 системы "таймерный 30 секунд").
- Для изменения состояния функции № 15 нажмите кнопку 1 передатчика 1 или 2 раза или перейдите к программированию функции № 17.
17. Программирование функции № 17
- Нажмите кнопочный выключатель Valet один раз. Вы войдете в режим программирования функции № 17. СИД начнет мигать сериями из 17 вспышек через паузу.
- Вы услышите 1 или 2 сигнала сирены, показывающих состояние функции № 17 (1 сигнал - функция Зеленого/Черного провода "Отрицательный выход канала 3 системы"; 2 сигнала - функция Зеленого/Черного провода "Отрицательный выход для управления внутрисалонным освещением"; 3 сигнала -функция Зеленого/Черного провода "Отрицательный выход для отпирания всех дверей"; 4 сигнала -функция Зеленого/Черного провода "Отрицательный выход для управления пейджером").
- Для изменения состояния функции № 17 нажмите кнопку 1 передатчика 1, 2 или 3 раза или перейдите к программированию функции № 18.
18. Программирование функции № 18
- Нажмите кнопочный выключатель Valet один раз. Вы войдете в режим программирования функции № 18. СИД начнет мигать сериями из 18 вспышек через паузу.
- Вы услышите 1 или 2 сигнала сирены, показывающих состояние функции № 18 (1 сигнал - охрана автомобиля с работающим двигателем включена; 2 сигнала - охрана автомобиля с работающим двигателем выключена).
- Для изменения состояния функции № 18 нажмите кнопку 1 передатчика или выйдите из режима программирования.
Выход из режима программирования:
Система выйдет из режима программирования, если:
- было выключено зажигание, или
- в течение 15 секунд не производилось никаких действий, или
- после программирования функции № 18 переключатель Valet был нажат еще раз.
При выходе из режима программирования Вы услышите один длинный сигналы сирены и СИД системы погаснет.
Пример программирования: Включите функцию автоматического запирания дверей при включении зажигания (функция № 4) и запрограммируйте выход канала 2 системы (функция № 14) как "постоянный"
- Снимите систему с охраны и включите зажигание.
- В течение 15 секунд после включения зажигания нажмите кнопочный выключатель Valet 3 раза. Вы услышите 1 короткий сигнал сирены и СИД системы начнет мигать.
- В течение 15 секунд после сигнала сирены выключите зажигание. Вы услышите 1 короткий и 1 длинный сигнал сирены.
- В течение 3 секунд после сигналов сирены включите зажигание. СИД начнет мигать одиночными вспышками и Вы услышите 1 сигнал сирены (показывающий фабричную установку функции № 1 - "Пассивная постановка на охрану включена").
- Нажмите кнопочный выключатель Valet 3 раза. СИД начнет мигать сериями из 4-х вспышек и Вы услышите 2 сигнала сирены (показывающих фабричную установку функции № 4 - "Автоматическое запирание дверей при включении зажигания выключено")
- Нажмите кнопку 1 (
) передатчика. Вы услышите 1 сигнал сирены. Функция № 4 теперь включена.
- Нажмите кнопочный выключатель Valet 10 раз. СИД начнет мигать сериями из 14 вспышек и Вы услышите 1 сигнал сирены (показывающих фабричную установку функции № 14 - "Выход канала 2 системы используется для отпирания замка багажника")
- Нажмите кнопку 1 (
) передатчика 2 раза. После первого нажатия кнопки 1 передатчика Вы услышите 2 сигнала сирены, а после второго - 3 сигнала сирены. Функция № 14 теперь запрограммирована как "Выход канала 2 системы - постоянный сигнал").
- Выключите зажигание. Вы услышите один длинный сигналы сирены, подтверждающие, что система вышла из режима программирования. СИД системы погаснет.
УСТАНОВКА ОСНОВНЫХ КОМПОНЕНТОВ СИСТЕМЫ
ЦЕНТРАЛЬНЫЙ БЛОК УПРАВЛЕНИЯ
Выберите место для установки центрального блока управления в салоне (например, за или под приборной панелью) и закрепите его при помощи двух прилагаемых шурупов. Центральный блок управления можно также закрепить при помощи пластиковых перетяжек.
Не устанавливайте центральный блок управления в моторном отсеке, так как он не герметичен. Избегайте устанавливать блок непосредственно на имеющиеся в автомобиле электронные блоки. Они могут быть источником радиопомех, уменьшающих радиус действия передатчика или вызывающих перебои в работе.
СИРЕНА
Выберите место для установки сирены в моторном отсеке, которое хорошо защищено от доступа из-под днища автомобиля. Не размещайте сирену рядом с сильно нагревающимися узлами или движущимися частями в моторном отсеке. Для предотвращения скопления влаги раструб сирены должен быть направлен вниз.
Установите сирену в выбранном месте при помощи входящих в комплект винтов и кронштейна.
КОНЦЕВЫЕ ВЫКЛЮЧАТЕЛИ КАПОТА И БАГАЖНИКА
В комплект системы входит концевой выключатель для подсоединения для обеспечения охраны капота автомобиля. Выключатель должен всегда устанавливаться на служащую массой металлическую поверхность автомобиля. Важно выбрать такое место, где исключается скопление или протекание воды, избегайте мест стока влаги на стенках крыльев капота или багажника. Выбирайте места, защищенные резиновыми прокладками, когда капот закрыт.
Концевой выключатель может быть установлен с помощью прилагаемой скобы или в монтажном отверстии на 6мм (1/4 дюйма). Помните, что при правильной установке концевой выключатель должен иметь ход как минимум 6мм (1/4 дюйма) при закрывании капота.
Вы можете также установить дополнительный концевой выключатель для обеспечения охраны багажника или задней двери автомобиля.
СВЕТОДИОДНЫЙ ИНДИКАТОР (СИД)
В комплект входит красный светодиодный индикатор (СИД), который показывает состояние охранной системы. Он должен устанавливаться на приборной панели и быть хорошо виден снаружи автомобиля, но не должен отвлекать водителя. После выбора места установки проверьте возможность прокладки проводов за панелью и убедитесь, что при сверлении отверстия не будут повреждены существующие компоненты.
Просверлите отверстие диаметром 7 мм и пропустите в него с лицевой стороны панели Красный и Синий провода светодиода. Установите светодиод в просверленное отверстие.
КНОПОЧНЫЙ ВЫКЛЮЧАТЕЛЬ VALET
Выберите место установки кнопочного выключателя Valet, которое, с одной стороны, должно быть легко доступно для водителя автомобиля, а с другой стороны, не позволит угонщику быстро найти переключатель Valet и отключить систему. Переключатель может быть установлен, например, в нижней части приборной панели в отверстии диаметром 6мм (1/4 дюйма).
Убедитесь в достаточности места для установки корпуса переключателя под панелью и в том, что сверло не повредит имеющиеся компоненты. При любом методе крепления убедитесь в наличии свободного доступа к задней части переключателя для подсоединения проводов при установке.
ДАТЧИК УДАРА
Выберите твердую поверхность на переборке между салоном и моторным отсеком внутри салона и установите датчик при помощи двух прилагаемых винтов. Датчик также может быть легко установлен при помощи перетяжек под панелью приборов.
При любом методе крепления датчика убедитесь в наличии свободного доступа к датчику для его регулировки.
ПОДСОЕДИНЕНИЕ ПРОВОДОВ СИСТЕМЫ
13-КОНТАКТНЫЙ РАЗЪЕМ:
ЗЕЛЕНЫЙ/ЧЕРНЫЙ ПРОВОД: ОТРИЦАТЕЛЬНЫЙ ВЫХОД 200 мА/ КАНАЛ 3
(ОТРИЦАТЕЛЬНЫЙ ВЫХОД ДЛЯ УПРАВЛЕНИЯ ВНУТРИСАЛОННЫМ ОСВЕЩЕНИЕМ / ВЫХОД ДЛЯ
ОТПИРАНИЯ ВСЕХ ДВЕРЕЙ / ВЫХОД ДЛЯ УПРАВЛЕНИЯ ПЕЙДЖЕРОМ)
В зависимости от состояния программируемой функции № 17 ЗЕЛЕНЫЙ/ЧЕРНЫЙ провод системы L-730 может использоваться как:
- отрицательный выход канала 3 (заводская установка функции № 17)
- отрицательный выход для управления внутрисалонным освещением автомобиля
- отрицательный выход для отпирания всех дверей
- отрицательный выход для управления пейджером
- Если ЗЕЛЕНЫЙ/ЧЕРНЫЙ провод запрограммирован как "отрицательный выход канала 3 системы" он будет замыкаться на "массу" на 1 секунду при нажатии и удерживании кнопки 1 (
) и кнопки 3 (
) передатчика и должен использоваться для дистанционного управления дополнительными устройствами. Это отрицательный транзисторный слаботочный выход (максимальный ток нагрузки 200 мА) и должен использоваться только для управления катушкой дополнительного реле.
Режим работы выхода канала 3 может быть запрограммирован при установке системы (программируемая функция № 16) как:
- Отрицательный "импульсный" сигнал (заводская установка функции № 16), активизируемый на 1 секунду или на все время, пока кнопки 1 и 3 передатчика удерживается в нажатом положении, но не более 25 секунд;
- Отрицательный "постоянный" сигнал, активизируемый при нажатии кнопок 1 и 3 передатчика и работающий до следующего нажатия кнопок 1 и 3 передатчика.
- Отрицательный "таймерный 30-секундный" сигнал, активизируемый при нажатии кнопок 1 и 3 передатчика и работающий в течение 30 секунд либо до следующего нажатия кнопок 1 и 3 передатчика.
В любом из описанных выше случаев:
- выход канала 3 системы может быть активизирован в любое время (при включенном или при выключенном режиме охраны, при включенном или при выключенном зажигании и т.д.);
- для того, чтобы работа дополнительных устройств, управляемых каналом 3, не вызывала срабатывания системы, система автоматически отключит вход датчика удара, вход зажигания и вход триггера капота/багажника на все время, пока выход канала 3 активизирован, + еще 3 секунды.
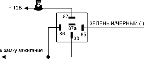
Подсоединение: Подсоедините ЗЕЛЕНЫЙ/ЧЕРНЫЙ провод к клемме № 85 дополнительного З0А реле, подсоедините клемму № 86 реле к +12В. Подсоедините остальные контакты реле в соответствии с выбранной функцией канала 3 системы.
Вы можете использовать также ЗЕЛЕНЫЙ/ЧЕРНЫЙ провод для того, чтобы система подавала питание на замок зажигания в течение определенного времени. В этом случае Вы сможете ставить систему в режим охраны с заведенным двигателем, не оставляя ключи в замке зажигания (если программируемая функция 18 включена):
- Перед выключением зажигания активизируйте выход канала 3, нажав кнопку 1 (ЛЛ) и кнопку 3 ( П ) передатчика одновременно. Система начнет подавать напряжение на замок зажигания в обход ключа зажигания.
- Выньте ключи из замка зажигания (двигатель будет продолжать работать), выйдите из автомобиля, убедитесь, что все двери, капот и багажник закрыты и поставьте систему в режим охраны автомобиля с работающим двигателем.
- После снятия системы с охраны вставьте ключи в замок зажигания и включите зажигание. После этого отключите канал 3 системы, нажав кнопку 1 (ЛЛ ) и кнопку 3 ( ДД ) передатчика. Двигатель будет продолжать работать.
Для реализации данной функции:
- Запрограммируйте выход канала 3 системы (ЗЕЛЕНЫЙ/ЧЕРНЫЙ провод) как "постоянный";
- Подсоедините ЗЕЛЕНЫЙ/ЧЕРНЫЙ провод системы к клемме № 85 дополнительного реле, как показано на схеме ниже.
- Подсоедините клеммы № 86 и № 30 реле к проводу от замка зажигания, на который поступает напряжение +12В, когда ключ зажигания находится в положениях "ВКЛ" (ON) и "ЗАПУСК" (CRANK) и присутствует напряжение 0В, когда ключ зажигания находится в любом ином положении. Подсоедините клемму № 87 реле к постоянному питанию +12В через предохранитель.
- ЗЕЛЕНЫЙ/ЧЕРНЫЙ провод может быть также запрограммирован как "отрицательный выход для управления внутрисалонным освещением автомобиля" и в этом случае он уже более не будет замыкаться на "массу" при нажатии кнопок 1 и 3 передатчика. Вместо этого ЗЕЛЕНЫЙ/ЧЕРНЫЙ провод будет замыкаться на "массу" на 30 секунд после снятия системы с охраны и импульсно при срабатывании системы, обеспечивая включения внутрисалонного освещения (при установке дополнительного реле).
Подсоединение: Подсоедините ЗЕЛЕНЫЙ/ЧЕРНЫЙ провод к клемме № 86 дополнительного З0А реле и подсоедините клемму № 85 реле к +12В через предохранитель. Подсоедините остальные контакты реле в соответствии с полярностью цепи внутрисалонного освещения автомобиля как показано на схемах ниже (см. ЗЕЛЕНЫЙ/БЕЛЫЙ провод).
- ЗЕЛЕНЫЙ/ЧЕРНЫЙ провод может быть также запрограммирован как "отрицательный выход для отпирания всех дверей" для реализации функции отпирания дверей в 2 этапа при снятии системы с охраны. В этом случае он также уже более не будет замыкаться на "массу" при нажатии кнопок 1 и 3 передатчика. Вместо этого ЗЕЛЕНЫЙ/ЧЕРНЫЙ провод будет замыкаться на "массу" на 1 секунду при повторном нажатии кнопки 1 передатчика после снятия системы с охраны.
Подсоединение: Для реализации данной функции необходимо будет подсоединить провода отпирания 6-контактного разъема системы только к электроприводу, установленному в двери водителя. Подсоедините ЗЕЛЕНЫЙ/ЧЕРНЫЙ провод (используя, при необходимости, дополнительные реле) к проводам отпирания всех остальных дверей
- ЗЕЛЕНЫЙ/ЧЕРНЫЙ провод может быть также запрограммирован как "отрицательный выход для управления пейджером". В этом случае он также уже более не будет замыкаться на "массу" при нажатии кнопок 1 и 3 передатчика. Вместо этого ЗЕЛЕНЫЙ/ЧЕРНЫЙ провод будет замыкаться на "массу" только при срабатывании системы.
Подсоединение: Подсоедините ЗЕЛЕНЫЙ/ЧЕРНЫЙ провод к проводу отрицательного триггера дополнительного пейджера. В том случае, если пейджер управляется положительным триггером, используйте дополнительное реле, как показано на схеме ниже.
2 БЕЛЫХ ПРОВОДА: ИМПУЛЬСНЫЙ ВЫХОД НА УКАЗАТЕЛИ ПОВОРОТА +12В ПОСТ. ТОКА (15А МАКС.)
- Эти провода обеспечивают мигание указателей поворота при постановке и снятии системы с охраны, а также при срабатывании системы и при срабатывании режима "Anti-HiJack" (если данная функция включена).
Подсоединение: Подсоедините БЕЛЫЕ провода системы к правым и левым указателям поворота автомобиля, как показано на схеме.
- Вы также можете использовать БЕЛЫЕ провода системы для управления габаритными огнями автомобиля вместо указателей поворота:
- Если в автомобиле цепь управления габаритными огнями положительной полярности, подсоедините 2 БЕЛЫХ провода системы непосредственно к цепям управления правых и левых габаритных огней автомобиля.
- Если же цепь управления габаритными огнями отрицательной полярности (как в большинстве автомобилей японского производства), отсоедините КРАСНЫЙ/БЕЛЫЙ провод системы с предохранителем от КРАСНОГО провода системы и подсоедините его к "массе". После этого переставьте диоды, установленные в Белых проводах системы, в обратную полярность и подсоедините 2 БЕЛЫХ провода системы непосредственно к цепям управления правых и левых габаритных огней автомобиля.
КРАСНЫЙ ПРОВОД С ПРЕДОХРАНИТЕЛЕМ: +12В ПОСТОЯННОГО ТОКА ОТ АККУМУЛЯТОРА
Этот провод подает питание на основной блок системы и на встроенное реле управления указателями поворота. Подсоедините КРАСНЫЙ провод с предохранителем 15А к +12В постоянного тока от аккумулятора автомобиля.
КРАСНЫЙ/БЕЛЫЙ ПРОВОД С ПРЕДОХРАНИТЕЛЕМ: +12В ПОСТОЯННОГО ТОКА ОТ АККУМУЛЯТОРА
Этот провод подает питание на основной блок системы. Он подсоединен через предохранитель 5А к КРАСНОМУ проводу системы.
БЕЛЫЙ ПРОВОД С ЧЕРНОЙ ПОЛОСОЙ: ПОЛОЖИТЕЛЬНЫЙ ВЫХОД ДЛЯ УПРАВЛЕНИЯ СИРЕНОЙ (1А)
Проложите этот провод через резиновую втулку в теплоизоляционной перегородке к месту установки сирены.
Подсоединение: Подсоедините БЕЛЫЙ провод с ЧЕРНОЙ полосой к Красному проводу сирены. Подсоедините Черный провод массы сирены к "массе".
ТЕМНО-СИНИЙ ПРОВОД: ОТРИЦАТЕЛЬНЫЙ ВЫХОД 200 мА / КАНАЛ 2
- ТЕМНО-СИНИЙ провод замыкается на "массу" на 1 секунду при нажатии и удерживании кнопки 2 передатчика (
) в течение 3 секунд при снятой охране и выключенном зажигании и используется для дистанционного открывания электрического замка крышки багажника (если автомобиль им оборудован).
Выход Канала 2 системы будет также работать при включенном зажигании, но только если в этот момент открыта одна из дверей автомобиля. Это предотвратит случайное открывание багажника при движении автомобиля.
Если же выход Канала 2 активизирован при включенном режиме охраны, то в этом случае система одновременно на 3 секунды отключит датчик удара и триггер капота/багажника для того, чтобы открывание багажника не вызвало срабатывание системы. Через 3 секунды после того, как багажник будет закрыт, система опять автоматически возьмет эти цепи под охрану.
Это отрицательный транзисторный слаботочный выход (максимальный ток нагрузки 200 мА) и должен использоваться только для управления катушкой дополнительного реле.
Подсоединение: Подсоедините ТЕМНО-СИНИЙ провод к клемме № 85 дополнительного З0А реле, подсоедините клемму № 86 реле к +12В. Подсоедините остальные контакты реле как показано на схеме или в соответствии с выбранной функцией Канала 2 системы.
Внимание! Подсоединение Темно-синего провода непосредственно к сильноточным цепям замка багажника или к некоторым устройствам дистанционного запуска двигателя приведет к повреждению основного блока системы.
- Выход канала 2 системы (ТЕМНО-СИНИЙ провод) может также использоваться для управлением различными иными дополнительными устройствами. Режим работы выхода канала 2 в этом случае может быть запрограммирован при установке системы (программируемая функция № 14) как:
- Отрицательный "импульсный" сигнал, активизируемый на 1 секунду или на все время, пока кнопка 2 передатчика удерживается в нажатом положении, но не более 25 секунд;
- Отрицательный "постоянный" сигнал, активизируемый при нажатии кнопки 2 передатчика на 3 секунды и работающий до следующего нажатия и удерживания кнопки 2 передатчика на 3 секунды.
- Отрицательный "таймерный 30-секундный" сигнал, активизируемый при нажатии кнопки 2 передатчика на 3 секунды и работающий в течение 30 секунд либо до следующего нажатия и удерживания кнопки 2 передатчика на 3 секунды.
В любом из описанных выше случаев:
- выход канала 2 системы может быть активизирован в любое время (при включенном или при выключенном режиме охраны, при включенном или при выключенном зажигании и т.д.);
- для того, чтобы работа дополнительных устройств, управляемых каналом 2, не вызывала срабатывания системы, система автоматически отключит вход датчика удара, вход зажигания и вход триггера капота/багажника на все время, пока выход канала 2 активизирован, + еще 3 секунды.
Подсоединение: Подсоедините ТЕМНО-СИНИЙ провод к клемме № 85 дополнительного ЗОА реле, подсоедините клемму № 86 реле к +12В. Подсоедините остальные контакты реле в соответствии с выбранной функцией Канала 2 системы.
ЗЕЛЕНЫЙ/БЕЛЫЙ ПРОВОД: ОТРИЦАТЕЛЬНЫЙ ВЫХОД 200 мА ПРИ ВКЛЮЧЕННОЙ ОХРАНЕ ДЛЯ БЛОКИРОВКИ СТАРТЕРА НОРМАЛЬНО ЗАМКНУТЫМ РЕЛЕ / ОТРИЦАТЕЛЬНЫЙ ВЫХОД ДЛЯ УПРАВЛЕНИЯ ВНУТРИСАЛОННЫМ ОСВЕЩЕНИЕМ (требуется установка дополнительного реле)
- ЗЕЛЕНЫЙ/БЕЛЫЙ провод замыкается на "массу" при включенной охране и может использоваться для управления дополнительным нормально замкнутым реле блокировки стартера. Это отрицательный транзисторный слаботочный выход (максимальный ток нагрузки 200 мА) и должен использоваться только для управления катушкой дополнительного реле.
Подсоединение: Подсоедините ЗЕЛЕНЫЙ/БЕЛЫЙ провод системы к клемме № 86 дополнительного реле. Подсоедините клемму № 85 реле к проводу от замка зажигания, на который поступает напряжение +12В, когда ключ зажигания находится в положении "ЗАПУСК" (CRANK), и присутствует напряжение 0В, когда ключ зажигания находится в любом ином положении.
Перережьте вышенайденный провод от замка зажигания, идущий к соленоиду стартера автомобиля, и подсоедините ту часть обрезанного провода, которая идет от замка зажигания, к клемме № 87А реле. Подсоедините другую часть провода к клемме № 30 реле.
Примечание: Обратите внимание на то, что при использовании такого варианта подсоединения питание на реле блокировки будет подаваться только в момент попытки завести двигатель, таким образом, реле блокировки будет потреблять энергию аккумулятора только в момент попытки запуска двигателя.
ВНИМАНИЕ: Если используется функция Anti-HiJack, мы не рекомендуем подключать ЗЕЛЕНЫЙ/БЕЛЫЙ провод для блокировки какой-либо иной цепи, кроме цепи стартера!
- ЗЕЛЕНЫЙ/БЕЛЫЙ провод может быть также запрограммирован как "отрицательный выход для управления внутрисалонным освещением автомобиля" (программируемая функция № 15) и в этом случае он уже более не будет замыкаться на "массу" при включении режима охраны. Вместо этого ЗЕЛЕНЫЙ/БЕЛЫЙ провод будет замыкаться на "массу" на 30 секунд после снятия системы с охраны и импульсно при срабатывании системы, обеспечивая включения внутрисалонного освещения (при установке дополнительного реле).
Подсоединение: Подсоедините ЗЕЛЕНЫЙ/БЕЛЫЙ провод к клемме № 86 дополнительного З0А реле и подсоедините клемму № 85 реле к +12В через предохранитель. Подсоедините остальные контакты реле в соответствии с полярностью цепи внутрисалонного освещения автомобиля как показано на схемах.
Внимание! Обязательно используйте диод для изолирования цепи управления внутрисалонным освещением от цепи триггера двери. В противном случае не сможет правильно работать функция пассивной постановки на охрану и функция автоматической повторной постановки системы в режим охраны.
ЧЕРНЫЙ ПРОВОД: "МАССА"
Черный провод подает "массу" на основной блок системы.
Подсоединение: Подсоедините ЧЕРНЫЙ провод системы к отрицательной клемме аккумулятора или к заземленным частям корпуса автомобиля.
Внимание! Не перепутайте этот провод с тонким Черным проводом антенны, который выходит из центрального блока управления отдельно.
ТЕМНО-ЗЕЛЕНЫЙ ПРОВОД: (-) ТРИГГЕР КАПОТА/БАГАЖНИКА
Когда система находится в режиме охраны, при замыкании ТЕМНО-ЗЕЛЕНОГО провода на "массу" произойдет немедленное срабатывание системы.
Подсоединение: Подсоедините ТЕМНО-ЗЕЛЕНЫЙ провод к предварительно установленным концевым выключателям капота и/или багажника отрицательной полярности.
ФИОЛЕТОВЫЙ ПРОВОД: (+) ТРИГГЕР ДВЕРИ / (-) ВХОД ДЛЯ ПОДКЛЮЧЕНИЯ 5-ПРОВОДНОГО ЭЛЕКТРОПРИВОДА
- Замыкание ФИОЛЕТОВОГО провода на +12В при открывании двери автомобиля обеспечивает немедленное срабатывание системы. Подсоединение триггера двери также необходимо для обеспечения работы функции пассивной постановки на охрану.
Подсоединение: Если выключатель внутрисалонного освещения имеет на выходе +12В при открывании двери (большинство автомобилей Ford, ГАЗ), Вы должны подсоединить ФИОЛЕТОВЫЙ провод к одному из штатных концевых выключателей. В большинстве случаев ФИОЛЕТОВЫЙ провод достаточно подсоединить только к одному концевому выключателю независимо от количества дверей в автомобиле.
Внимание! Не используйте ФИОЛЕТОВЫЙ провод, если концевые выключатели дверей отрицательной полярности (См. КОРИЧНЕВЫЙ провод ниже).
- В случае если в автомобиле используются концевые выключатели дверей отрицательной полярности, ФИОЛЕТОВЫЙ провод может быть также запрограммирован как "Отрицательный вход для подключения 5-проводного электропривода" (программируемая функция № 12). В этом случае, при замыкании ФИОЛЕТОВОГО провода на "массу" система будет автоматически подавать импульс для запирания дверей автомобиля, но только при выключенном режиме охраны.
Использование данной функции позволит Вам частично реализовать функцию "центрального замка" без необходимости использования дополнительного модуля, достаточно будет только установить один 5-проводный электропривод в двери водителя и 2-проводные электроприводы в остальных дверях. После этого, при запирании двери водителя система будет автоматически запирать все двери автомобиля.
Подсоединение: Подсоедините ФИОЛЕТОВЫЙ провод к проводу 5-проводного электропривода, который замыкается на "массу" при опускании электропривода.
КОРИЧНЕВЫЙ ПРОВОД: (-) ТРИГГЕР ДВЕРИ / (-) ВХОД ДЛЯ ПОДКЛЮЧЕНИЯ 5-ПРОВОДНОГО ЭЛЕКТРОПРИВОДА
- Замыкание КОРИЧНЕВОГО провода на "массу" при открывании двери автомобиля обеспечивает немедленное срабатывание системы. Подсоединение триггера двери также необходимо для обеспечения работы функции пассивной постановки на охрану.
Подсоединение: Если штатный концевой выключатель двери замыкается на "массу" при открывании дверей (это типично для большинства автомобилей), Вы должны подсоединить КОРИЧНЕВЫЙ провод к одному из штатных концевых выключателей. В большинстве случаев КОРИЧНЕВЫЙ провод достаточно подсоединить только к одному концевому выключателю независимо от количества дверей в автомобиле.
Внимание! Не используйте КОРИЧНЕВЫЙ провод, если полярность концевых выключателей дверей в автомобиле +12В (См. ФИОЛЕТОВЫЙ провод).
- В случае если в автомобиле используются концевые выключатели дверей положительной полярности, КОРИЧНЕВЫЙ провод может быть также запрограммирован как "Отрицательный вход для подключения 5-проводного электропривода" (программируемая функция № 13). В этом случае, при замыкании КОРИЧНЕВОГО провода на "массу" система будет автоматически подавать импульс для запирания дверей автомобиля, но только при выключенном режиме охраны.
Использование данной функции позволит Вам частично реализовать функцию "центрального замка" без необходимости использования дополнительного модуля, достаточно будет только установить один 5-проводный электропривод в двери водителя и 2-проводные электроприводы в остальных дверях. После этого, при запирании двери водителя система будет автоматически запирать все двери автомобиля.
Подсоединение: Подсоедините КОРИЧНЕВЫЙ провод к проводу 5-проводного электропривода, который замыкается на "массу" при опускании электропривода.
ЖЕЛТЫЙ ПРОВОД: +12В ПОСТОЯННОГО ТОКА НА ЗАМКЕ ЗАЖИГАНИЯ
Данный провод информирует систему о наличии/отсутствии питания на замке зажигания. Таким образом, система определяет, находитесь ли Вы внутри или вне автомобиля.
Подсоединение: Подсоедините ЖЕЛТЫЙ провод к проводу от замка зажигания, на котором имеется напряжение + 12В, когда ключ зажигания находится в положениях "ВКЛ." (ON) И "ЗАПУСК" (CRANK), и напряжение 0В, когда ключ зажигания находится в положениях "ВЫКЛ." (OFF) и "АСС".
ОРАНЖЕВЫЙ/БЕЛЫЙ ПРОВОД: ОТРИЦАТЕЛЬНЫЙ ВЫХОД 500 мА ПРИ ВЫКЛЮЧЕННОЙ ОХРАНЕ ДЛЯ БЛОКИРОВКИ СТАРТЕРА НОРМАЛЬНО РАЗОМКНУТЫМ РЕЛЕ (требуется установка дополнительного реле)
ОРАНЖЕВЫЙ/БЕЛЫЙ провод служит для управления дополнительным нормально разомкнутым реле блокировки стартера. Это отрицательный транзисторный слаботочный выход (максимальный ток нагрузки 500 мА) и должен использоваться только для управления катушкой дополнительного реле.
Подсоединение: Подсоедините ОРАНЖЕВЫЙ/БЕЛЫЙ провод к клемме № 86 дополнительного З0А реле. Подсоедините клемму № 85 реле к проводу от замка зажигания, на который поступает напряжение +12В, когда ключ зажигания находится в положении "ЗАПУСК" (CRANK), и присутствует напряжение 0В, когда ключ зажигания находится в любом ином положении.
Перережьте вышенайденный провод от замка зажигания, идущий к соленоиду стартера автомобиля, и подсоедините ту часть обрезанного провода, которая идет от замка зажигания, к клемме № 30 реле. Подсоедините другую часть провода к клемме № 87 реле.
Примечание: Обратите внимание на то, что при использовании такого варианта подсоединения питание на реле блокировки будет подаваться только в момент попытки завести двигатель, таким образом, реле блокировки будет потреблять энергию аккумулятора только в момент попытки запуска двигателя.
ВНИМАНИЕ: Если используется функция Anti-HiJack, мы не рекомендуем подключать ОРАНЖЕВЫЙ/БЕЛЫЙ провод для блокировки какой-либо иной цепи, кроме цепи стартера.
6-КОНТАКТНЫЙ РАЗЪЕМ: УПРАВЛЕНИЕ ЗАМКАМИ ДВЕРЕЙ
СИНИЙ/ЧЕРНЫЙ, СИНИЙ/БЕЛЫЙ, СИНИЙ/КРАСНЫЙ, ЗЕЛЕНЫЙ/ЧЕРНЫЙ, ЗЕЛЕНЫЙ/БЕЛЫЙ и ЗЕЛЕНЫЙ/КРАСНЫЙ, провода, оканчивающиеся 6-контактным белым разъемом, предназначены для подсоединения встроенных реле управления замками дверей. Функции каждого из этих проводов показаны ниже.
Перед подключением системы к установленным электроприводам замков дверей необходимо определить тип штатной системы центрального замка. Для этого - выньте выключатель дверного замка из панели двери водителя и протестируйте провода, идущие от выключателя.
1. УСТАНОВКА СИСТЕМЫ НА АВТОМОБИЛИ С 3-ПРОВОДНЫМИ ЦЕПЯМИ ДВЕРНЫХ ЗАМКОВ ОТРИЦАТЕЛЬНОЙ ПОЛЯРНОСТИ (см. схему 1)
Если от выключателя идет 3 провода, один из которых постоянно замкнут на "массу" (независимо от положения выключателя), а из двух других проводов один будет замыкаться на "массу" при переводе выключателя в положение "Unlock" ("Открыто") - Вы имеете дело с 3-проводной цепью отрицательной полярности.
- В автомобилях такого типа СИНИЙ/ЧЕРНЫЙ и ЗЕЛЕНЫЙ/ЧЕРНЫЙ провода системы НЕ используются.
- ЗЕЛЕНЫЙ/КРАСНЫЙ и СИНИЙ/КРАСНЫЙ провода системы должны быть подсоединены к "массе".
- Подсоедините СИНИЙ/БЕЛЫЙ провод к штатному проводу запирания автомобиля.
- Подсоедините ЗЕЛЕНЫЙ/БЕЛЫЙ провод к штатному проводу отпирания автомобиля.
2. УСТАНОВКА СИСТЕМЫ НА АВТОМОБИЛИ С 3-ПРОВОДНЫМИ ЦЕПЯМИ ДВЕРНЫХ ЗАМКОВ ПОЛОЖИТЕЛЬНОЙ ПОЛЯРНОСТИ (см. схему 2):
Если от выключателя идет 3 провода, один из которых постоянно замкнут на +12В (независимо от положения выключателя), а из двух других проводов один будет замыкаться на +12В при переводе выключателя в положение "Lock" ("Закрыто"), а другой будет замыкаться на +12В при переводе выключателя в положение "Unlock" ("Открыто") - Вы имеете дело с 3-проводной цепью положительной полярности.
- В автомобилях такого типа СИНИЙ/ЧЕРНЫЙ и ЗЕЛЕНЫЙ/ЧЕРНЫЙ провода системы НЕ используются.
- Подсоедините ЗЕЛЕНЫЙ/КРАСНЫЙ и СИНИЙ/КРАСНЫЙ провода системы к +12В постоянного тока.
- Подсоедините СИНИЙ/БЕЛЫЙ провод к штатному проводу запирания автомобиля.
- Подсоедините ЗЕЛЕНЫЙ/БЕЛЫЙ провод к штатному проводу отпирания автомобиля.
3. УСТАНОВКА СИСТЕМЫ НА АВТОМОБИЛИ С 5-ПРОВОДНЫМИ ЦЕПЯМИ ДВЕРНЫХ ЗАМКОВ С ОБРАТНОЙ (ПЕРЕМЕННОЙ) ПОЛЯРНОСТЬЮ (см. схему 3):
Если от выключателя идет 5 проводов (или иногда 4) - в данном автомобиле установлена штатная система центрального замка с переменной полярностью управляющего импульса. В таких системах нет штатных реле или собственно модуля центрального замка т.к. +12В подается непосредственно от выключателя на электроприводы замков и, к тому же, обеспечивается обратный выход на массу.
Один из 5 проводов, идущих от выключателя, будет постоянно замкнут на +12В, независимо от положения выключателя. Два провода (или один) будут постоянно замкнуты на массу, независимо от положения выключателя. Из двух оставшихся проводов - один будет замыкаться на +12В при переводе выключателя в положение "Lock" ("Закрыто"), а другой будет замыкаться на +12В при переводе выключателя в положение "Unlock" ("Открыто").
В автомобилях данного типа необходимо перерезать штатные провода, идущие от главного выключателя замков дверей ("Master"), находящегося в водительской двери, к выключателям замков других дверей, а затем к электроприводам замков.
- Перережьте штатный провод запирания, идущий от главного выключателя, и подсоедините СИНИЙ/БЕЛЫЙ провод к той части перерезанного ^провода, которая идет к выключателям других дверей и к электроприводам замков. Подсоедините СИНИЙ/ЧЕРНЫЙ провод к другой части перерезанного провода запирания, которая идет к главному выключателю.
- Перережьте штатный провод отпирания, идущий от главного выключателя, и подсоедините ЗЕЛЕНЫЙ/БЕЛЫЙ провод к той части перерезанного провода, которая идет к выключателям других дверей и к электроприводам замков. Подсоедините ЗЕЛЕНЫЙ/ЧЕРНЫЙ провод к другой части перерезанного провода отпирания, которая идет к главному выключателю.
- Подсоедините ЗЕЛЕНЫЙ/КРАСНЫЙ и СИНИЙ/КРАСНЫЙ провода системы к +12В постоянного тока.
4. ВАКУУМНАЯ СИСТЕМА ЦЕНТРАЛЬНОГО ЗАМКА (см. схему 4)
На автомобилях марки Mercedes-Benz или Audi используется вакуумная система центрального замка. Она имеет электровыключатели (встроенные в пневмоприводы), которые подают +12В или "массу" на пневмонасос. Эти выключатели работают при запирании и отпирании дверей изнутри или ключом снаружи автомобиля. Полярность выключателей определяет, будет ли насос создавать давление или разряжение.
Подсоединение может выполняться либо под декоративной накладкой (панелью) слева от водителя, либо
непосредственно на пневмонасосе, который обычно установлен в багажнике или под задним сиденьем.
- Подсоедините ЗЕЛЕНЫЙ/КРАСНЫЙ провод системы к +12В постоянного тока.
- Подсоедините СИНИЙ/КРАСНЫЙ провод системы к "массе".
- Подсоедините остальные провода системы как показано на схеме 4.
Примечание: В автомобилях выпуска 1989 г. (или ранее) пневмонасос работает около 3 секунд. При установке системы на такие автомобили необходимо будет также запрограммировать длительность импульса, подаваемого на замки дверей, на 3.5 секунды (программируемая функция № 10).
5. 1-ПРОВОДНАЯ СИСТЕМА ОТРИЦАТЕЛЬНОЙ ПОЛЯРНОСТИ (см. схему 5)
Если автомобиль марки Nissan, Mitsubishi или Lotus и в двери нет переключателя - необходимо найти провод, идущий из двери водителя, который замкнут на массу, если двери автомобиля открыты, и "разомкнут", если двери закрыты.
- В автомобилях данного типа СИНИЙ/КРАСНЫЙ и ЗЕЛЕНЫЙ/ЧЕРНЫЙ провода системы НЕ используются.
- Подсоедините ЗЕЛЕНЫЙ/КРАСНЫЙ провод системы к "массе".
- Подсоедините остальные провода системы как показано на схеме 5.
6. УСТАНОВКА ДОПОЛНИТЕЛЬНЫХ ЭЛЕКТРОПРИВОДОВ (см. схему 6):
Если автомобиль не оборудован центральным замком или электроприводами замков дверей, Вы можете установить дополнительные электроприводы и подсоединить их к системе следующим образом:
- Подсоедините СИНИЙ/ЧЕРНЫЙ и ЗЕЛЕНЫЙ/ЧЕРНЫЙ провода системы к "массе".
- Подсоедините СИНИЙ/КРАСНЫЙ и ЗЕЛЕНЫЙ/КРАСНЫЙ провода к +12 постоянного тока.
- Подсоедините ЗЕЛЕНЫЙ/БЕЛЫЙ провод к Синему проводу отпирания электропривода.
- Подсоедините СИНИЙ/БЕЛЫЙ провод к Зеленому проводу запирания электропривода.
ПОДСОЕДИНЕНИЕ ДОПОЛНИТЕЛЬНЫХ РАЗЪЕМОВ СИСТЕМЫ
4-КОНТАКТНЫЙ БЕЛЫЙ РАЗЪЕМ: 2-УРОВНЕВЫЙ ДАТЧИК УДАРА (ДАТЧИК 1)
Проложите Красный, Черный, Синий и Зеленый провода, оканчивающиеся 4-контактным белым разъемом, от датчика удара к основному блоку системы и подсоедините его с одной стороны к датчику удара, а с другой - к Белому разъему блока.
4-КОНТАКТНЫЙ БЕЛЫЙ РАЗЪЕМ: РАЗЪЕМ ДЛЯ ПОДСОЕДИНЕНИЯ ДОПОЛНИТЕЛЬНОГО 2-ЗОННОГО ДАТЧИКА (ДАТЧИК 2)
Проложите Красный, Черный, Синий и Зеленый провода, оканчивающиеся 4-контактным белым разъемом, от дополнительного датчика к основному блоку системы и подсоедините его с одной стороны к датчику, а с другой - к Белому разъему блока.
2-КОНТАКТНЫЙ БЕЛЫЙ РАЗЪЕМ: СВЕТОДИОДНЫЙ ИНДИКАТОР (СИД)
Проложите Красный и Синий провода, оканчивающиеся 2-контактным белым разъемом, от СИДа к основному блоку системы и подсоедините его к Белому разъему блока.
2-КОНТАКТНЫЙ СИНИЙ РАЗЪЕМ: ПЕРЕКЛЮЧАТЕЛЬ VALET
Проложите Серый и Черный провода, оканчивающиеся 2-контактным синим разъемом, от кнопочного переключателя VALET к основному блоку системы и подсоедините его к Синему разъему блока.
ЗАВЕРШЕНИЕ УСТАНОВКИ:
АНТЕННА: Вытяните тонкий Черный провод антенны во всю длину и закрепите его в том месте, где он не может быть поврежден. Избегайте укладки этого провода вокруг главных сильноточных жгутов проводки или близко к металлическим частям кузова.
РЕГУЛИРОВКА ДАТЧИКА УДАРА: Осторожно поверните регулировочный винт против часовой стрелки до упора при помощи маленькой отвертки (НЕ проворачивайте винт вокруг оси. Максимальный угол регулировки 270°). Закройте капот, багажник и поставьте систему на охрану. Подождите 6 секунд пока работа всех охранных устройств стабилизируется, затем сильно ударьте кулаком по заднему бамперу или по передней стойке с такой силой, которая была бы достаточной для того, чтобы разбить стекло. Внимание! Не стучите по стеклу, Вы можете его разбить!
Если система не сработала, поверните регулировочный винт по часовой стрелке (для увеличения чувствительности) примерно на 1/4 оборота и проверьте чувствительность датчика еще раз. Повторяйте эту процедуру до тех пор, пока не сработает сигнализация. Охрана должна срабатывать при сильном ударе по заднему бамперу автомобиля. При более слабом ударе должен срабатывать режим предупреждения и сирена подаст 3 коротких сигнала.
Внимание! При высокой чувствительности охрана будет срабатывать при вибрациях от проходящих рядом тяжелых автомобилей. Для уменьшения чувствительности поверните регулировочный винт против часовой стрелки.
ЗАЩИТА ПРОВОДКИ: Всегда защищайте провода спиральными трубками или обматывайте их изолентой. Закрепите жгуты проводов по всей длине при помощи пластиковых перетяжек. Это обеспечит отсутствие повреждений проводов при их соприкосновении с горячими или острыми подвижными частями автомобиля.
РАБОТА СИСТЕМЫ: Уделите некоторое время просмотру соответствующих пунктов в Руководстве пользователя и детально объясните работу системы Вашему заказчику.
ФУНКЦИИ КНОПОК ПЕРЕДАТЧИКА
Передатчики, входящие в комплект системы, программируются на заводе-изготовителе следующим образом:
| КНОПКА |
КНОПКА |
КАНАЛ |
ФУНКЦИЯ |
| 1 |
 |
1 |
Дистанционная постановка/снятие с охраны Запирание/отпирание дверей |
| 2 |
 |
2 |
Выход Канала 2 (дистанционное отпирание багажника/управление дополнительными устройствами) |
| 3 |
 |
3 |
Бесшумная постановка/снятие с охраны |
| 1 + 2 |
+  |
4 |
Дистанционное включение режима "Паника" (при выключенном зажигании) Дистанционное включение режима "Anti-HiJack" (при включенном зажигании и если включена функция № 9) |
| 1 + 3 |
+  |
5 |
Выход Канала 3 (дистанционное управление дополнительными устройствами) |
| 2 + 3 |
+  |
6 |
Дистанционное включение режима Valet (при выключенном режиме охраны) |
ВНИМАНИЕ: Так как в передатчиках используется постоянно меняющийся (динамический) код, в определенных, достаточно редких ситуациях (например, при нажатии кнопок брелка более 50 раз вдали от автомобиля) может произойти рассинхронизация брелков и системы. В этом случае - подойдите к автомобилю и быстро нажмите кнопку передатчика дважды. Синхронизация будет восстановлена и брелок вновь сможет управлять системой.
Программирование кодов новых передатчиков
В память системы может быть запрограммировано всего до 4-х передатчиков. При попытке запрограммировать 5-й передатчик, код первого передатчика будет "вытеснен" из памяти системы, при попытке запрограммировать 6-й передатчик, код второго передатчика будет "вытеснен" из памяти системы, и т.д. Код одного и того же передатчика может быть запрограммирован 4 раза.
Рекомендуется (при использовании 2 передатчиков) запрограммировать основной ("рабочий") передатчик 1 раз, а дополнительный ("запасной") передатчик - 3 раза. В этом случае при попытке несанкционированного программирования кодов дополнительных передатчиков код Вашего "рабочего" передатчика будет автоматически удален из памяти системы и Вы сразу же обратите на это внимание.
Внимание! Помните, что каждая операция должна быть выполнена в течение 15 секунд после предыдущей операции. Если 15-секундный интервал превышен, система автоматически выйдет из режима программирования, что будет подтверждено одним коротким и одним длинным сигналом сирены. Если в процессе программирования было выключено зажигание система также немедленно выйдет из режима программирования и Вы услышите один короткий и один длинный сигналы сирены.
- Снимите систему с охраны, сядьте в автомобиль и включите зажигание. Отключите функцию Anti-HiJack если она была включена.
- В течение 15 секунд после включения зажигания нажмите кнопочный выключатель Valet 3 раза. Вы услышите 1 короткий сигнал сирены и СИД начнет медленно мигать, подтверждая, что система готова к программированию нового передатчика.
- Вы можете выбрать для управления каналом 1 системы (функция постановки и снятия системы с охраны или дистанционное управление замками дверей) кнопку 1 (
) или кнопку 2 (
) передатчика. Нажмите и удерживайте выбранную Вами кнопку передатчика до тех пор, пока Вы не услышите длинный сигнал сирены, подтверждающий, что программирование Канала 1 произведено. СИД при этом будет светиться постоянно, пока кнопка остается нажатой.
- Программирование остальных кнопок передатчика произойдет автоматически. Так, например, если Вы запрограммировали кнопку 2 передатчика для постановки/снятия системы с охраны и т.д., то кнопка 1 передатчика будет автоматически запрограммирована для управления выходом Канала 2 системы и т.д. Бесшумная постановка и снятие системы охраны в любом случае будет производиться нажатием кнопки 3 (
) передатчика, также как и дистанционное включение режима Паника в любом случае будет производиться одновременным нажатием кнопки 1 и кнопки 2 передатчика при выключенном зажигании, а дистанционное включение режима "Anti-HiJack" будет производиться одновременным нажатием кнопки 1 и кнопки 2 передатчика при включенном зажигании (если данная функция включена). Дистанционное включение режима Valet, однако, будет зависеть от того, какая кнопка запрограммирована для управления выходом канала 2 системы т.к. вместе с кнопкой 3 одновременно нужно нажимать кнопку, запрограммированную для управления выходом канала 2.
- Отпустите кнопку передатчика. СИД вновь начнет медленно мигать, подтверждая, что система готова к программированию следующего передатчика.
- Для выхода из режима программирования:
- выключите зажигание или
- нажмите кнопочный переключатель Valet еще раз или
- подождите 15 секунд, не производя никаких действий.
Вы услышите один короткий и один длинный сигнал сирены, подтверждающие, что система вышла из режима программирования.
ЗАМЕНА ЭЛЕМЕНТОВ ПИТАНИЯ
В корпусе передатчика установлен маленький красный светодиод, который подтверждает нажатие кнопок передатчика и также показывает состояние батареек передатчика. По мере разряда батареек Вы можете заметить уменьшение дальности действия передатчика.
Помимо этого, если батарейка передатчика разряжена, то при постановке или снятии системы с охраны указатели поворота будут мигать 5 раз.
Для замены батарейки:
- Аккуратно подденьте и откройте крышку на обратной стороне передатчика.
- Извлеките севшие батарейки, запомнив полярность их установки.
- Установите 2 новые батарейки (типа CR2016), убедитесь в соблюдении полярности.
- Установите крышку обратно.
ТЕХНИЧЕСКИЕ ХАРАКТЕРИСТИКИ
| Номинальное напряжение питания |
+12В постоянного тока |
| Номиналы предохранителей |
|
| - на Красном проводе |
15А |
| - на Красном/Белом проводе |
5А |
| Потребление тока |
меньше 15mА в режиме охраны |
| Постановка на охрану |
через 3/45 секунд после нажатия кнопки передатчика |
| Максимальное количество циклов режима тревоги |
6 циклов по 30 секунд |
| Автоматическая повторная постановка на охрану |
через 30 секунд после снятия с режима охраны |
| Автоматическая постановка на охрану |
через 30 секунд после закрывания последней двери |
| Количество зон охраны |
6 |
| Триггеры системы: |
- отрицательный триггер двери |
| |
- положительный триггер двери |
| |
- отрицательный триггер капота/багажника |
| |
- вход зажигания |
| |
- датчик удара |
| |
- дополнительный датчик |
| |
- зона предупреждения |
| Количество каналов приемника |
6 |
| Максимальное количество передатчиков |
4 |
| Количество кодовых комбинаций |
1.8 х 1024 с динамическим изменением кода |
| Макс, ток нагрузки реле указателей поворота: |
15А |
| Макс, ток нагрузки реле запирания: |
15А |
| Макс, ток нагрузки реле отпирания: |
15А |
| Макс, ток нагрузки выхода блокировки стартера: |
500мА |
Схемы подключения.
РЕКОМЕНДАЦИИ ПО УСТАНОВКЕ СИСТЕМЫ ALLIGATOR L730 НА АВТОМОБИЛИ ВАЗ
- Рекомендуемая схема подключения КОРИЧНЕВОГО провода системы ("отрицательный триггер двери") к проводке автомобилей ВАЗ семейства 2109, 2123, оснащенных иммобилайзерами АПС-4 или АПС-6:
- Рекомендуемая схема подключения КОРИЧНЕВОГО провода системы ("отрицательный триггер двери") к проводке автомобилей ВАЗ семейств 2110 и 2115, оснащенных иммобилайзерами АПС-4:
- Рекомендуемая схема подключения ТЕМНО-ЗЕЛЕНОГО провода системы ("отрицательный триггер капота/багажника") к подкапотной лампе автомобилей ВАЗ семейств 2109, 2115, 2123 или лампе освещения багажника автомобилей ВАЗ семейства 2115:
29.04.2002