ALLIGATOR
D-830
ИНСТРУКЦИЯ ПО УСТАНОВКЕ
ПРОГРАММИРУЕМЫЕ ФУНКЦИИ СИСТЕМЫ
(заводские установки выделены жирным шрифтом)
|
№
|
Нажать кнопку
 передатчика (1 сигнал сирены)
|
Нажать кнопку
 передатчика 1 раз (2 сигнала сирены)
|
Нажать кнопку
 передатчика 2 раза (3 сигнала сирены)
|
Нажать кнопку
 передатчика 3 раза (4 сигнала сирены)
|
Нажать кнопку
передатчика 4 или 5 раз (5 или 6 сигналов сирены) |
| 1
|
Пассивная постановка на охрану с запиранием дверей включена
|
Пассивная постановка на охрану выключена
|
Пассивная постановка на охрану без запирания дверей
|
—
|
— |
| 2
|
Подтверждающие сигналы сирены включены а
|
Подтверждающие сигналы сирены выключены
|
—
|
—
|
— |
| 3
|
Автоматическое запирание дверей при включении зажигания включено
|
Автоматическое запирание дверей при включении зажигания выключено
|
—
|
—
|
— |
| 4
|
Автоматическое отпирание дверей при выключении зажигания включено
|
Автоматическое отпирание дверей при выключении зажигания выключено
|
—
|
—
|
— |
| 5
|
При снятии системы с охраны указатели поворота включатся 2 раза
|
При снятии системы с охраны указатели поворота включатся 2 раза и затем на 30 секунд
|
—
|
—
|
— |
| 6
|
При дистанционном открывании багажника система будет также сниматься с охраны
|
При дистанционном открывании багажника система не будет сниматься с охраны
|
—
|
—
|
— |
| 7
|
Пассивная блокировка двигателя включенаb
|
Пассивная блокировка двигателя выключена
|
—
|
—
|
— |
| 8
|
Функция защиты от ложных срабатываний FAPC™ включенаc
|
Функция защиты от ложных срабатываний FAPC™ выключена
|
—
|
—
|
— |
| 9
|
Отключение системы с помощью переключателя Valet (VALET)
|
Отключение системы с помощью персонального секретного кода (Code)d
|
—
|
—
|
— |
| 10
|
Функция снятия системы с охраны в 2 этапа включенаe
|
Функция снятия системы с охраны в 2 этапа выключена
|
—
|
—
|
— |
| 11
|
Включение функции Anti-Hi-Jack с помощью передатчикаf
|
Функция Anti-Hi-Jack отключена
|
—
|
—
|
— |
| 12
|
Автоматическое включение функции Anti-Hi-Jack при включении зажиганияf
|
Автоматическое включение функции Anti-Hi-Jack отключено
|
—
|
—
|
— |
| 13
|
Функция принудительного глушения двигателя в режиме Anti-Hi-Jack включенаf
|
Функция принудительного глушения двигателя в режиме Anti-Hi-Jack выключена
|
—
|
—
|
— |
| 14
|
Охрана автомобиля с работающим двигателем включена
|
Охрана автомобиля с работающим двигателем выключена
|
—
|
—
|
— |
| 15
|
Включение режима охраны через 3 секунды после подтверждающих сигналов сирены
|
Включение режима охраны через 45 секунд после подтверждающих сигналов сиреныg
|
—
|
—
|
— |
| 16
|
Длительность импульса, подаваемого на замки дверей :0.8с.
|
Длительность импульса, подаваемого на замки дверей: 3,5 с.
|
Запирание: двойной импульс 0.8 с; отпирание: 0.8 с.
|
Запирание:0.8 с; отпирание: двойной импульс 0.8 с.
|
Режим "Комфорт"h запирание: 10 с./28 с. (5/6 сигналов сирены), отпирание: 0.8 с. |
| 17
|
Функция Фиолетового провода: "(+) триггер двери"
|
Функция Фиолетового провода:"(+) вход для подключения 5-проводного электропривода"i
|
Функция Фиолетового провода: "(+) вход для реализации режима "турбо""j
|
—
|
— |
| 18
|
Функция Коричневого провода "(-) триггер двери"
|
Функция Коричневого провода")-) вход для подключения 5-проводного электропривода"i
|
—
|
—
|
— |
| 19
|
Выход канала 2 системы: "отпирание багажника"
|
Выход канала 2 системы: "импульсный"
|
Выход канала 2 системы: "постоянный"
|
Выход канала 2 системы: "таймерный 30 сек."
|
— |
| 20
|
Функция Зеленого/Желтого провода "Отрицательный выход для дополнительной блокировки Н.З. реле"
|
Функция Зеленого/Желтого провода "Отрицательный выход для управления внутрисалонным освещением"
|
Функция Зеленого / Желтого провода") выход для отпирания всех дверей"
|
Функция Зеленого /Желтого провода "(-) выход для закрывания окон"
|
— |
| 21
|
Выход канала 3 системы: "импульсный"
|
Выход канала 3 системы: "постоянный"
|
Выход канала 3 системы: "таймерный 30 сек."
|
Выход канала 3 системы:"таймерный 1 минута"
|
Выход канала 3 системы: "таймерный 3 минуты" |
| 22
|
Функция Серого провода: "(-) выход канала 3 системы"
|
Функция Серого провода: "(-) выход для управления внутрисалонным освещением "
|
Функция Серого провода: "(-) выход для отпирания всех дверей"
|
Функция Серого провода:"(-) выход для закрывания окон"
|
— |
Примечание: Функции № 13 - № 22 должны программироваться ТОЛЬКО квалифицированным мастером-установщиком при установке системы. Случайное изменение состояние этих функций может привести к неправильной работе или повреждению системы.
- даже если подтверждающие сигналы сирены отключены,3 и4 сигнала сирены будут всегда подаваться при постановке на охрану и при снятии системы с режима охраны.
- см. описание работы функции № 7 в Инструкции пользователя(раздел "Пассивная блокировка двигателя ")
- см. описание работы функции № 8 в Инструкции пользователя (раздел "Функция защиты от ложных срабатываний FAPC)
- см. описание работы функции № 9 в Инструкции пользователя (раздел "Аварийное отключение сиcтемы").
- см. описание работы функции № 10 в Инструкции пользователя (раздел "Снятие системы с охраны в 2 этапа ")
- см.описание работы функций № 11 и № 12 в Инструкции пользователя (разделы "Режим Anti-Hi-Jack")
- данная функция (№ 15) необходима при установке на некоторые современные модели автомобилей со штатной задержкой выключения внутрисалонного освещения или с турбодвигателем.
Если данная функция включена, то система полностью встанет в режим охраны и будет срабатывать от всех зон/триггеров через 3 секунды после сигналов подтверждения сирены. В том случае, если в автомобиле установлена штатная задержка выключения внутри сало иного освещения - необходимо будет данную функцию выключить.
Тогда, если при постановке системы на охрану с помощью передатчика включено внутрисалонное освещение автомобиля или если открыта одна из дверей автомобиля, система обойдет данную цепь и встанет в режим охраны со стандартными сигналами подтверждения (1 сигнал сирены и 1 мигание указателей поворота). Однако через 45 секунд, если дверь осталась открытой, сирена подаст 3 сигнала и указатели поворота мигнут 3 раза, подтверждая обход входа триггера двери. Система возьмет эту цепь под охрану через 3 секунды после того, как она перестанет быть активной.
- ряд современных моделей автомобилей оборудован штатной системой "Комфорт" или "Total Closure" ("закрыть все"), что позволяет запирать все двери и закрывать все окна и люк при закрывании замка двери водителя ключом. Для реализации данной функции необходимо использовать импульс управления запиранием дверей длительностью 10 или 28 с.
- данные функции (№ 17 и № 18) позволяют реализовать функцию "центрального замка" на запирание и отпирание дверей при запирании или отпирании двери водителя, если установлен дополнительный 5-проводнып электропривод в двери водителя. См. описание данной функции в разделах "Фиолетовый провод" и "Коричневый провод" ниже.
- данная опция (функция № 17) позволяет реализовать функцию автоматического включения режима "турбо" при установке системы на автомобили с турбонаддувом. ВНИМАНИЕ: если включена данная опция, то выход 3-го канала системы (функция № 21) будет автоматически запрограммирован как "таймерный 3 минуты".
Действия по программированию функций системы
Вход в режим программирования:
- Снимите систему с охраны и сядьте в автомобиль.
- Если функция № 9 включена (отключение системы с помощью переключателя Valet) - включите зажигание и перейдите к пункту 4.
- Если функция № 9 выключена (отключение системы с помощью персонального кода), то для входа в режим программирования функций системы Вам необходимо будет ввести свой персональный код или заводской код"11" как описано ниже:
- Включите, выключите и вновь включите зажигание
Примечание: Если включена программируемая функция № 12 "Автоматическое включение режима Anti-Hi-Jack при включении зажигания", то после первого включения зажигания необходимо будет нажать и отпустить кнопку Valet для отключения функции Anti-Hi-Jack, затем выключить и вновь включить зажигание.
- В течение 15 секунд нажмите и отпустите кнопочный выключатель Valet количество раз, равное 1-й цифре Вашего персонального кода (заводская установка - 1 раз), затем выключите и вновь включите зажигание.
Примечание: Если Ваш персональный код состоит только из одной цифры - пропустите следующий шаг.
- В течение 15 секунд нажмите и отпустите кнопочный выключатель Valet количество раз, равное 2-й цифре Вашего персонального кода (заводская установка - 1 раз), затем выключите и вновь включите зажигание.
- В течение 15 секунд после включения зажигания нажмите кнопочный выключатель Valet 3 раза. Вы услышите 1 короткий сигнал сирены и СИД системы начнет медленно мигать.
- В течение 15 секунд после сигнала сирены выключите зажигание. Вы услышите 1 короткий и 1 длинный сигнал сирены.
- В течение 3 секунд после сигналов сирены включите зажигание. Вы автоматически войдете в режим программирования функции № 1. СИД начнет мигать одиночными вспышками и сирена подаст 1, 2 или 3 сигнала в зависимости от состояния функции № 1.
- Каждый раз, когда Вы входите в режим программирование той или иной функции (даже если Вы при этом хотите сразу же перейти к следующей функции), СИД начнет мигать сериями вспышек в соответствии с номером функции и Вы услышите 1, 2, 3, 4, 5 или 6 сигналов сирены, показывающих состояние выбранной функции. После сигналов сирены Вы можете либо:
- Изменить состояние данной функции. Нажмите кнопку
(кнопку 1) передатчика для включения выбранной функции (сирена подаст 1 подтверждающий сигнал), либо нажмите кнопку
передатчика для выключения выбранной функции (сирена подаст 2 подтверждающих сигнала). Если же имеется несколько возможностей настройки данной функции, то переход между ними можно осуществлять последовательными нажатиями кнопки
передатчика. При этом Вы каждый раз услышите количество подтверждающих сигналов, соответствующее выбранной Вами настройке.
- Перейти к следующей функции (нажав и отпустив один раз кнопочный выключатель Valet)
- Выйти из режима программирования (например, выключив зажигание).
Примечание: Не допускайте, чтобы между Вашими действиями прошло больше 15 секунд, иначе система автоматически выйдет из режима программирования, и Вы услышите 1 длинный сигнал сирены.
1 Программирование функции № 1
- После включения зажигания Вы услышите 1, 2 или 3 сигнала сирены, показывающие состояние функции № 1 (1 сигнал - включена пассивная постановка в режим охраны с запиранием дверей; 2 сигнала -пассивная постановка в режим охраны выключена, 3 сигнала - включена пассивная постановка в режим охраны без запирания дверей). СИД при этом будет мигать одиночными вспышками через паузу.
- Для включения функции № 1 нажмите и отпустите кнопку
передатчика, для изменения состояния функции № 1 нажмите и отпустите кнопку
передатчика 1 или 2 раза, или перейдите к программированию функции №2.
2. Программирование функции № 2
- Нажмите кнопочный выключатель Valet один раз. Вы войдете в режим программирования функции №2 СИД начнет мигать сериями из 2 вспышек через паузу.
- Вы услышите 1 или 2 сигнала сирены, показывающие состояние функции №2 (1 сигнал - подтверждающие сигналы сирены включены; 2 сигнала - подтверждающие сигналы сирены выключены).
- Для включения функции № 2 нажмите и отпустите кнопку
передатчика, для выключения функции № 2 нажмите и отпустите кнопку
передатчика или перейдите к программированию функции № 3
3. Программирование функции № 3
- Нажмите кнопочный выключатель Valet один раз. Вы войдете в режим программирования функции № 3.СИД начнет мигать сериями из 3 вспышек через паузу,
- Вы услышите 1 или 2 сигнала сирены, показывающие состояние функции № 3 (1 сигнал - функция автоматического запирания дверей при включении зажигания включена; 2 сигнала - функция автоматического запирания дверей при включении зажигания выключена).
- Для включения функции № 3 нажмите и отпустите кнопку
передатчика, для выключения функции № 3 нажмите и отпустите кнопку
передатчика или перейдите к программированию функции № 4.
4. Программирование функции № 4
- Нажмите кнопочный выключатель Valet один раз. Вы войдете в режим программирования функции № 4. СИД начнет мигать сериями из 4 вспышек через паузу.
- Вы услышите 1 или 2 сигнала сирены, показывающие состояние функции №4 (1 сигнал - функция автоматического отпирания дверей при выключении зажигания включена, 2 сигнала - функция автоматического отпирания дверей при выключении зажигания выключена).
- Для включения функции № 4 нажмите и отпустите кнопку
передатчика, для выключения функции 4 нажмите и отпустите кнопку
передатчика или перейдите к программированию функции № 5.
5. Программирование функции №5
- Нажмите кнопочный выключатель Valet один раз. Вы войдете в режим программирования функции № 5. СИД начнет мигать сериями из 5 вспышек через паузу.
- Вы услышите 1 или 2 сигнала сирены, показывающие состояние функции № 5 (1 сигнал - при снятии системы с охраны указатели поворота автомобиля будут включаться 2раза; 2 сигнала - при снятии системы с охраны указатели поворота будут включаться 2 раза и затем на 30 секунд).
- Для включения функции № 5 нажмите и отпустите кнопку
передатчика, для выключения функции № 5 нажмите и отпустите кнопку
передатчика или перейдите к программированию функции № 6.
6. Программирование функции № 6
- Нажмите кнопочный выключатель Valet один раз. Вы войдете в режим программирования функции №6. СИД начнет мигать сериями из 6 вспышек через паузу.
- Вы услышите 1 или 2 сигнала сирены, показывающие состояние функции № 6 (1 сигнал - при дистанционном открывании багажника система будет также автоматически сниматься с охраны; 2 сигнала при дистанционном открывании багажника система не будет автоматически сниматься с охраны).
- Для включения функции № 6 нажмите и отпустите кнопку
передатчика, для выключения функции № 6 нажмите и отпустите кнопку
передатчика или перейдите к программированию функции № 7.
7. Программирование функции №7
- Нажмите кнопочный выключатель Valet один раз. Вы войдете в режим программирования функции № 7 СИД начнет мигать сериями из 7 вспышек через паузу.
- Вы услышите 1 или 2 сигнала сирены, показывающие состояние функции № 7 (1 сигнал - функция пассивной блокировки двигателя включена; 2 сигнала - функция пассивной блокировки двигателя выключена).
- Для включения функции № 7 нажмите и отпустите кнопку
передатчика, для выключения функции № 7 нажмите и отпустите кнопку
передатчика или перейдите к программированию функции № 8.
8. Программирование функции № 8
- Нажмите кнопочный выключатель Valet один раз. Вы войдете в режим программирования функции № 8 СИД начнет мигать сериями из 8 вспышек через паузу.
- Вы услышите 1 или 2 сигнала сирены, показывающие состояние функции № 8 (1 сигнал - функция защиты от ложных срабатываний FAPC™ включена; 2 сигнала - функция защиты от ложных срабатываний FAPC™ выключена).
- Для включения функции № 8 нажмите и отпустите кнопку
передатчика, для выключения функции № 8 нажмите и отпустите кнопку
передатчика или перейдите к программированию функции № 9.
9. Программирование функции № 9
- Нажмите кнопочный выключатель Valet один раз. Вы войдете в режим программирования функции №9 СИД начнет мигать сериями из 9 вспышек через паузу.
- Вы услышите 1 или 2 сигнала сирены, показывающие состояние функции № 9 (1 сигнал - отключение системы производится с помощью кнопочного выключателя Valet; 2 сигнала - система может быть отключена только с помощью соответствующего персонального секретного кода (Code)).
- Для включения функции № 9 нажмите и отпустите кнопку
передатчика, для выключения функции № 9 нажмите и отпустите кнопку
передатчика или перейдите к программированию функции № 10.
10. Программирование функции № 10
- Нажмите кнопочный выключатель Valet один раз. Вы войдете в режим программирования функции № 10 СИД начнет мигать сериями из 10 вспышек через паузу.
- Вы услышите 1 или 2 сигнала сирены, показывающие состояние функции № 10 (функция снятия системы с охраны в 2 этапа включена; 2 сигнала - функция снятия системы с охраны в 2 этапа выключена).
- Для включения функции № 10 нажмите и отпустите кнопку
передатчика, для выключения функции № 10 нажмите и отпустите кнопку
передатчика или перейдите к программированию функции № 11.
11. Программирование функции № 11
- Нажмите кнопочный выключатель Valet один раз. Вы войдете в режим программирования функции № 11 СИД начнет мигать сериями из 11 вспышек через паузу.
- Вы услышите 1 или 2 сигнала сирены, показывающие состояние функции № 11 (1 сигнал - функция дистанционного включения режима Anti-Hi-Jack с помощью передатчика включена; 2 сигнала - функция дистанционного включения режима Anti-Hi-Jack выключена).
- Для включения функции № 11 нажмите и отпустите кнопку
передатчика, для выключения функции № 11 нажмите и отпустите кнопку
передатчика или перейдите к программированию функции № 12.
12. Программирование функции № 12
- Нажмите кнопочный выключатель Valet один раз. Вы войдете в режим программирования функции № 12 СИД начнет мигать сериями из 12 вспышек через паузу.
- Вы услышите 1 или 2 сигнала сирены, показывающие состояние функции № 12{сигнал - автоматическое включение функции Anti-Hi-Jack включено; 2 сигнала - автоматическое включение функции Anti-Hi-Jack включено).
- Для включения функции № 12 нажмите и отпустите кнопку
передатчика, для выключения функции № 12 нажмите и отпустите кнопку
передатчика или перейдите к программированию функции № 13.
13. Программирование функции № 13
- Нажмите кнопочный выключатель Valet один раз. Вы войдете в режим программирования функции № 13. СИД начнет мигать сериями из 13 вспышек через паузу.
- Вы услышите 1 или 2 сигнала сирены, показывающие состояние функции № 13 (1 сигнал - функция принудительного глушения двигателя в режиме Anti-Hi-Jack включена; 2 сигнала - функция принудительного глушения двигателя в режиме Anti-Hi-Jack выключена)
- Для включения функции № 13 нажмите и отпустите кнопку
передатчика, для выключения функции № 13 нажмите и отпустите кнопку
передатчика или перейдите к программированию функции № 14.
14. Программирование функции № 14
- Нажмите кнопочный выключатель Valet один раз. Вы войдете в режим программирования функции № 14.СИД начнет мигать сериями из 14 вспышек через паузу.
- Вы услышите 1 или 2 сигнала сирены, показывающие состояние функции № 14 (1 сигнал - охрана автомобиля с работающим двигателем включена; 2 сигнала - охрана автомобиля с работающим двигателем выключена).
- Для включения функции № 14 нажмите и отпустите кнопку
передатчика, для выключения функции № 14 нажмите и отпустите кнопку
передатчика или перейдите к программированию функции № 15.
15. Программирование функции № 15
- Нажмите кнопочный выключатель Valet один раз. Вы войдете в режим программирования функции № 15.СИД начнет мигать сериями из 15 вспышек через паузу.
- Вы услышите 1 или 2 сигнала сирены, показывающие состояние функции № 15 (1 сигнал - система будет полностью вставать в режим охраны и сможет срабатывать от триггеров концевых выключателей дверей системы через 3 секунды после сигналов подтверждения сирены; 2 сигнала - система будет полностью вставать в режим охраны и сможет срабатывать от триггеров концевых выключателей дверей через 45 секунд после сигналов подтверждения сирены).
- Для включения функции № 15 нажмите и отпустите кнопку
передатчика, для выключения функции № 15 нажмите и отпустите кнопку
передатчика или перейдите к программированию функции № 16
16. Программирование функции № 16
- Нажмите кнопочный выключатель Valet один раз. Вы войдете в режим программирования функции № 16. СИД начнет мигать сериями из 16 вспышек через паузу.
- Вы услышите 1, 2, 3, 4, 5 или 6 сигналов сирены, показывающих состояние функции № 16 (1 сигнал - длительность импульса, подаваемого на замки дверей 0.8 с; 2 сигнала - длительность импульса, подаваемого на замки дверей 3.5 с; 3 сигнала - для запирания дверей подаются два импульса 0.8 с, длительность импульса отпирания 0.8 с; 4 сигнала - длительность импульса запирания 0.8 с, для отпирания дверей подаются два импульса 0.8 с; 5 сигналов - длительность импульса запирания 10 с, для отпирания дверей подается импульс 0.8 с; 6 сигналов - длительность импульса запирания 28 с. (управление режимом "Комфорт"), для отпирания дверей подается импульс 0.8 с).
- Для включения функции № 16 нажмите и отпустите кнопку
передатчика, для изменения состояния функции № 16 нажмите и отпустите кнопку
передатчика 1, 2, 3, 4 или 5 раз, или перейдите к программированию функции № 17.
17. Программирование функции № 17
- Нажмите кнопочный выключатель Valet один раз. Вы войдете в режим программирования функции № 17.CИД начнет мигать сериями из 17 вспышек через паузу.
- Вы услышите 1, 2 или 3 сигнала сирены, показывающие состояние функции № 17 (1 сигнал - функция Фиолетового провода "(+) триггер двери", 2 сигнала - функция Фиолетового провода "(+) вход для подключения 5-проводного электропривода двери водителя"; 3 сигнала - функция Фиолетового провода "(+) вход для реализации режима "турбо").
- Для включения функции № 17 нажмите и отпустите кнопку
передатчика, для изменения состояния функции № 17 нажмите и отпустите кнопку
передатчика 1 или 2 раза, или перейдите к программированию функции № 18.
18. Программирование функции № 18
- Нажмите кнопочный выключатель Valet один раз. Вы войдете в режим программирования функции № 18.СИД начнет мигать сериями из 18 вспышек через паузу.
- Вы услышите 1 или 2 сигнала сирены, показывающие состояние функции № 18 (1 сигнал - функция Коричневого провода "(-) триггер двери"; 2 сигнала - функция Коричневого провода "(-) вход для подключения 5-проводного электропривода двери водителя").
- Для включения функции № 18 нажмите и отпустите кнопку
передатчика, для выключения функции № 18 нажмите и отпустите кнопку
передатчика или перейдите к программированию функции № 19.
19. Программирование функции № 19
- Нажмите кнопочный выключатель Valet один раз. Вы войдете в режим программирования функции № 19.СИД начнет мигать сериями из 19 вспышек через паузу.
- Вы услышите 1, 2, 3 или 4 сигнала сирены, показывающие состояние функции № 19 (1 сигнал - выход канала 2 системы используется для управления отпирания замка багажника, 2 сигнала - выход канала 2 системы "импульсный"; 3 сигнала - выход канала 2 системы "постоянный"; 4 сигнала - выход канала 2 системы "таймерный 30 секунд").
- Для включения функции № 19 нажмите и отпустите кнопку
передатчика, для изменения состояния функции № 19 нажмите и отпустите кнопку
передатчика 1, 2 или 3 раза, или перейдите к программированию функции№20.
20. Программирование функции №20
- Нажмите кнопочный выключатель Valet один раз. Вы войдете в режим программирования функции № 20. СИД начнет мигать сериями из 20 вспышек через паузу.
- Вы услышите 1, 2, 3 или 4 сигнала сирены, показывающие состояние функции №20(( сигнал - функция Зеленого/Желтого провода '(-) выход для дополнительной блокировки Н.З. реле", ,2 сигнала функция Зеленого/ Желтого провода "(-) выход для управления внутрисалонным освещением", 3 сигнала -функция Зеленого/ Желтого провода "(-) выход для отпирания всех дверей"; 4 сигнала - функция Зеленого/Желтого провода "(-) выход для закрывания окон автомобиля").
- Для включения функции № 20 нажмите и отпустите кнопку
передатчика, для изменения состояния функции № 20 нажмите и отпустите кнопку
передатчика 1, 2 или 3 раза, или перейдите к программированию функции №21.
21 .Программирование функции №21
- Нажмите кнопочный выключатель Valet один раз. Вы войдете в режим программирования функции № 21.СИД начнет мигать сериями из 21 вспышки через паузу.
- Вы услышите 1, 2, 3, 4 или 5 сигналов сирены, показывающие состояние функции № 21 (1 сигнал - выход канала 3 системы "импульсный", 2 сигнала - выход канала 3 системы "постоянный"; 3 сигнала -выход канала 3 системы "таймерный 30 секунд"; 4 сигнала - выход канала 3 системы "таймерный 1 минута"; 5 сигналов - выход канала 3 системы "таймерный 3 минуты").
- Для включения функции № 21 нажмите и отпустите кнопку
передатчика, для изменения состояния функции № 21 нажмите и отпустите кнопку
передатчика 1, 2, 3 или 4 раза, или перейдите к программированию функции №22.
22. Программирование функции №22
- Нажмите кнопочный выключатель Valet один раз. Вы войдете в режим программирования функции № 22. СИД начнет мигать сериями из 22 вспышек через паузу.
- Вы услышите 1, 2, 3 или 4 сигнала сирены, показывающие состояние функции № 20 {\ сигнал - функция Серого провода "(-) выход канала 3 системы", 2 сигнала - функция Серого провода "(-) выход для управления внутрисалонным освещением"; 3 сигнала - функция Серого провода "(-) выход для отпирания всех дверей"; 4 сигнала - функция Серого провода "(-) выход для закрывания окон автомобиля").
- Для включения функции № 22 нажмите и отпустите кнопку
передатчика, для изменения состояния функции № 22 нажмите и отпустите кнопку
передатчика 1, 2 или 3 раза, или выйдите из режима программирования.
Выход из режима программирования:
Система выйдет из режима программирования, если:
- было выключено зажигание, или
- в течение 15 секунд не производилось никаких действий, или
- после программирования функции № 22 переключатель Valet был нажат еще раз.
При выходе из режима программирования Вы услышите 1 длинный сигнал сирены и СИД системы погаснет.
Пример программирования: Включите функцию автоматического запирания дверей при включении зажигания (функция № 3) и запрограммируйте выход канала 2 системы (функция № 19) как "постоянный"
- Снимите систему с охраны и сядьте в автомобиль.
- Если функция № 9 включена (отключение системы с помощью переключателя Valet) - включите зажигание и перейдите к пункту 4.
- Если функция № 9 выключена (отключение системы с помощью персонального кода), то для входа в режим программирования функций системы Вам необходимо будет ввести свой персональный код или заводской код "11" как описано ниже:
- Включите, выключите и вновь включите зажигание
Примечание: Если включена программируемая функция № 12 "Автоматическое включение режима Anti-Hi-Jack при включении зажигания", то после первого включения зажигания необходимо будет нажать и отпустить кнопку Valet для отключения функции Anti-Hi-Jack, затем выключить и вновь включить зажигание.
- В течение 15 секунд нажмите и отпустите кнопочный выключатель Valet количество раз, равное 1-й цифре Вашего персонального кода (заводская установка - 1 раз), затем выключите и вновь включите зажигание.
Примечание: Если Ваш персональный код состоит только из одной цифры - пропустите следующий шаг.
- В течение 15 секунд нажмите и отпустите кнопочный выключатель Valet количество раз, равное 2-й цифре Вашего персонального кода (заводская установка - 1 раз), затем выключите и вновь включите зажигание.
- В течение 15 секунд после включения зажигания нажмите кнопочный выключатель Valet 3 раза. Вы услышите 1 короткий сигнал сирены и СИД системы начнет мигать.
- В течение 15 секунд после сигнала сирены выключите зажигание. Вы услышите 1 короткий и 1 длинный сигнал сирены. СИД системы погаснет.
- В течение 3 секунд после сигналов сирены включите зажигание. СИД начнет мигать одиночными вспышками и Вы услышите 1 сигнал сирены (показывающий фабричную установку функции № 1 Включена пассивная постановка на охрану с запиранием дверей").
- Нажмите кнопочный выключатель Valet 2 раза. СИД начнет мигать сериями из 3-х вспышек и Вы услышите 2 сигнала сирены (показывающих фабричную установку функции № 3 - "Автоматическое запирание дверей при включении зажигания выключено ")
- Нажмите кнопку
передатчика. Вы услышите 1 сигнал сирены. Функция № 3 теперь включена.
- Нажмите кнопочный выключатель Valet 16 раз. После каждого нажатия кнопки Valet сирена будет подавать сигналы подтверждения, соответствующие состоянию каждой последующей функции.
- СИД начнет мигать сериями из 19 вспышек и Вы услышите 1 сигнал сирены (показывающий фабричную установку функции № 19 - "Выход канала 2 системы используется для отпирания замка багажника")
- Нажмите кнопку
передатчика 2 раза. После первого нажатия кнопки
передатчика Вы услышите 2 сигнала сирены, а после второго - 3 сигнала сирены. Функция № 19 теперь запрограммирована как "Выход канала 2 системы - постоянный сигнал").
- Выключите зажигание. Вы услышите один длинный сигнал сирены, подтверждающие, что система вышла из режима программирования. СИД системы погаснет.
Восстановление заводских установок программируемых функций системы:
Находясь в режиме программирования функций, Вы можете возвратить настройки всех функций к заводским установкам. Для этого нажмите и удерживайте кнопочный выключатель Valet в течение 5 секунд. Вы услышите 2 коротких сигнала сирены, подтверждающие восстановление заводских настроек и выход из режима программирования функций.
Данная функция позволяет восстановить заводские настройки всех программируемых функций системы, кроме персонального кода, состояния функции № 9 и кодов брелков-передатчиков.
УСТАНОВКА ОСНОВНЫХ КОМПОНЕНТОВ СИСТЕМЫ
ЦЕНТРАЛЬНЫЙ БЛОК УПРАВЛЕНИЯ
Выберите место для установки центрального блока управления в салоне (например, за или под приборной панелью) и закрепите его при помощи двух шурупов. Центральный блок управления можно также закрепить при помощи пластиковых перетяжек.
Не устанавливайте центральный блок управления в моторном отсеке, так как он не герметичен. Избегайте устанавливать блок непосредственно на имеющиеся в автомобиле электронные блоки. Они могут быть источником радиопомех, уменьшающих радиус действия передатчика или вызывающих перебои в работе.
СИРЕНА
Выберите место для установки сирены в моторном отсеке, которое хорошо защищено от доступа из-под днища автомобиля. Не размещайте сирену рядом с сильно нагревающимися узлами или движущимися частями в моторном отсеке. Для предотвращения скопления влаги раструб сирены должен быть направлен вниз. Установите сирену в выбранном месте при помощи входящих в комплект винтов и кронштейна.
КОНЦЕВЫЕ ВЫКЛЮЧАТЕЛИ КАПОТА И БАГАЖНИКА
В комплект системы входит концевой выключатель для обеспечения охраны капота автомобиля. Выключатель должен всегда устанавливаться на служащую массой металлическую поверхность автомобиля. Важно выбрать такое место, где исключается скопление или протекание воды, избегайте мест стока влаги на стенках крыльев капота или багажника. Выбирайте места, защищенные резиновыми прокладками, когда капот закрыт.
Концевой выключатель может быть установлен с помощью прилагаемой скобы или в монтажном отверстии на 8 мм. Помните, что при правильной установке концевой выключатель должен иметь ход как минимум 6 мм (1/4 дюйма) при закрывании капота.
Вы можете также установить дополнительный концевой выключатель для обеспечения охраны багажника или задней двери автомобиля.
СВЕТОДИОДНЫЙ ИНДИКАТОР (СИД)
В комплект входит Синий светодиодный индикатор (СИД), который показывает состояние охранной системы. Он должен устанавливаться на приборной панели и быть хорошо виден снаружи автомобиля, но не должен отвлекать водителя. После выбора места установки проверьте возможность прокладки проводов за панелью и убедитесь, что при сверлении отверстия не будут повреждены существующие компоненты.
Просверлите отверстие диаметром 7 мм и пропустите в него с лицевой стороны панели Красный и Синий провода светодиода. Установите светодиод в просверленное отверстие.
КНОПОЧНЫЙ ВЫКЛЮЧАТЕЛЬ VALET
Выберите место установки кнопочного выключателя Valet, которое, с одной стороны, должно быть легко доступно для водителя автомобиля, а с другой стороны; не позволит угонщику быстро найти переключатель Valet и отключить систему. Переключатель может быть установлен, например, в нижней части приборной панели с помощью 2-сторонней липкой ленты.
При любом методе крепления убедитесь в наличии свободного доступа к задней части переключателя для подсоединения проводов при установке.
ДАТЧИК УДАРА
Выберите твердую поверхность на переборке между салоном и моторным отсеком внутри салона и установите датчик при помощи двух прилагаемых винтов. Датчик также может быть легко установлен при помощи перетяжек под панелью приборов.
При любом методе крепления датчика убедитесь в наличии свободного доступа к датчику для его регулировки.
ПРИЕМОПЕРЕДАЮЩИЙ МОДУЛЬ СИСТЕМЫ СО ВСТРОЕННОЙ АНТЕННОЙ
Для обеспечения максимальной дальности действия пейджера, в комплект системы входит передающий модуль со встроенной антенной и кнопкой вызова. Выберите место для установки модуля на лобовом стекле автомобиля на расстоянии не менее 5 см от боковых стоек и крыши, либо на или над приборной панелью. Обратите внимание на то, что в ряде новейших моделей автомобилей используется стекла со специальным защитным покрытием, которое может производить экранирующий эффект. В этом случае рекомендуется установка модуля на заднем стекле.
Закрепите модуль в выбранном месте с помощью прилагаемой двусторонней липкой ленты. Для лучшей фиксации мы также рекомендуем закрепить часть провода, идущего от модуля.
ПОДСОЕДИНЕНИЕ ПРОВОДОВ СИСТЕМЫ
20-КОНТАКТНЫЙ РАЗЪЕМ (нижний ряд):
ЗЕЛЕНЫЙ/БЕЛЫЙ ПРОВОД: см. раздел "УПРАВЛЕНИЕ ЗАМКАМИ ДВЕРЕЙ" ниже.
ЗЕЛЕНЫЙ/КРАСНЫЙ ПРОВОД: см. раздел "УПРАВЛЕНИЕ ЗАМКАМИ ДВЕРЕЙ" ниже.
ЖЕЛТЫЙ ПРОВОД: +12В ПОСТОЯННОГО ТОКА НА ЗАМКЕ ЗАЖИГАНИЯ
Данный провод информирует систему о наличии/отсутствии питания на замке зажигания. Таким образом, система определяет, находитесь ли Вы внутри или вне автомобиля
Подсоединение: Подсоедините ЖЕЛТЫЙ провод к проводу от замка зажигания, на котором имеется напряжение + 12В, когда ключ зажигания находится в положениях "ВКЛ." (ON) И "ЗАПУСК" (CRANK), и напряжение 0 В, когда ключ зажигания находится в положениях "ВЫКЛ." (OFF) и "АСС".
ВНИМАНИЕ: Если используется дополнительная блокировка цепи зажигания автомобиля, то ЖЕЛТЫЙ провод системы должен быть подключен к проводу, идущему от замка зажигания до места подключения дополнительного реле блокировки.
ФИОЛЕТОВЫЙ ПРОВОД: (+) ТРИГГЕР ДВЕРИ / (+) ВХОД ДЛЯ ПОДКЛЮЧЕНИЯ 5-ПРОВОДНОГО ЭЛЕКТРОПРИВОДА/(+) ВХОД ДЛЯ РЕАЛИЗАЦИИ АВТОМАТИЧЕСКОГО РЕЖИМА "ТУРБО"
- Замыкание ФИОЛЕТОВОГО провода на +12В при открывании двери автомобиля обеспечивает немедленное срабатывание системы. Подсоединение триггера двери также необходимо для обеспечения работы функции пассивной постановки на охрану и ряда других охранных и сервисных функций системы.
Подсоединение: Если выключатель внутрисалонного освещения имеет на выходе +12В при открывании двери (большинство автомобилей Ford, ГАЗ), Вы должны подсоединить ФИОЛЕТОВЫЙ провод к одному из штатных концевых выключателей. В большинстве случаев ФИОЛЕТОВЫЙ провод достаточно подсоединить только к одному концевому выключателю независимо от количества дверей в автомобиле.
ВНИМАНИЕ: Не используйте ФИОЛЕТОВЫЙ провод, если концевые выключатели дверей отрицательной полярности (См. подключение КОРИЧНЕВОГО провода ниже).
- Если в автомобиле используются концевые выключатели дверей отрицательной полярности, ФИОЛЕТОВЫЙ провод может быть также запрограммирован как "(+) вход для подключения 5-проводного электропривода" (программируемая функция № 17). В этом случае, при замыкании ФИОЛЕТОВОГО провода на +12 В система будет автоматически подавать импульс для отпирания дверей автомобиля, а при отключении от +12 В - импульс для запирания дверей автомобиля, но только при выключенном режиме охраны.
Использование данной функции позволит Вам реализовать функцию "центрального замка" без необходимости использования дополнительного модуля, достаточно будет только установить один 5-проводный электропривод в двери водителя и 2-проводные электроприводы в остальных дверях. После этого, при запирании или отпирании двери водителя система будет автоматически запирать или отпирать все двери автомобиля.
Подсоединение: Среди проводов 5-проводного электропривода, установленного в двери водителя, найдите провод, соответствующий общему контакту встроенной в электропривод контактной группы. Подсоедините к нему ФИОЛЕТОВЫЙ провод системы. Затем найдите провод, который замыкается с общим проводом встроенной контактной группы, когда дверь не заперта. Подключите этот провод к постоянному питанию +12В автомобиля. Третий провод встроенной контактной группы заизолируйте.
- Если в автомобиле используются концевые выключатели дверей отрицательной полярности, ФИОЛЕТОВЫЙ провод системы может быть также запрограммирован как "(+) вход для реализации автоматического режима "турбо" (программируемая функция № 17).
В этом случае:
- каждый раз при переводе рычага переключения передач в положение "PARK" или в нейтральное положение, и/или постановке автомобиля на стояночный тормоз (т.е. при замыкании ФИОЛЕТОВОГО провода системы на +12В при включенном зажигании), система автоматически будет подавать напряжение на замок зажигания в обход ключа зажигания в течение 3 минут. Если в течение этого времени рычаг переключения передач переведен из положения "PARK" или если автомобиль будет снят со стояночного тормоза - система немедленно перестанет подавать питание на замок зажигания.
- Выньте ключи из замка зажигания (двигатель будет продолжать работать), выйдите из автомобиля, убедитесь, что все двери, капот и багажник закрыты и поставьте систему в режим охраны автомобиля с работающим двигателем.
- Двигатель автомобиля будет продолжать работать на холостом ходу под управлением системы еще в течение 3-х минут, после чего будет автоматически остановлен и система перейдет в стандартный режим охраны. Двигатель также, может быть остановлен до истечения 3-х минут одновременным нажатием и удерживанием кнопок
и
передатчика на 2 секунды, после чего система также перейдет в стандартный режим охраны.
Для реализации данной функции:
- Включите программируемую функцию № 14 (возможность постановки автомобиля на охрану с работающим двигателем).
- Запрограммируйте функцию ФИОЛЕТОВОГО провода системы как Положительный вход для реализации автоматического режима "турбо" (программируемая функция №17).
- Выход дополнительного канала 3 системы (СЕРЫЙ провод системы) будет автоматически запрограммирован как "таймерный 3 минуты" и более уже не будет активизироваться с помощью передатчика (с передатчика можно будет только остановить работу данного выхода системы).
- Подсоедините ФИОЛЕТОВЫЙ провод к проводу от коробки переключения передач, который замыкается на +12В при переводе рычага переключения передач в положение "PARK" или в нейтральное положение. Если данное подключение невозможно, Вы можете подсоединить ФИОЛЕТОВЫЙ провод к проводу, который замыкается на +12В при постановке автомобиля на стояночный тормоз. При необходимости используйте дополнительные реле для изменения полярности сигнала.
- Каждый раз при замыкании ФИОЛЕТОВОГО провода системы на +12В при включенном зажигании СЕРЫЙ провод системы автоматически замыкаться на "массу" на 3 минуты. Если в течение этого времени ФИОЛЕТОВЫЙ провод системы будет отключен от +12В или если были нажаты одновременно кнопки
и
передатчика на 2 секунды, то СЕРЫЙ провод системы будет немедленно разомкнут от "массы".
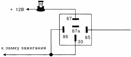
- Подсоедините СЕРЫЙ провод системы к контакту № 85 дополнительного реле.
- Подсоедините контакты № 86 и № 30 реле к проводу от замка зажигания, на который поступает напряжение +12В, когда ключ зажигания находится в положениях "ВКЛ" (ON) и "ЗАПУСК" (CRANK) и присутствует напряжение 0В, когда ключ зажигания находится в любом ином положении. Подсоедините контакт № 87 реле к постоянному питанию +12В через предохранитель.
КОРИЧНЕВЫЙ ПРОВОД: (-) ТРИГГЕР ДВЕРИ / (-) ВХОД ДЛЯ ПОДКЛЮЧЕНИЯ 5-ПРОВОДНОГО ЭЛЕКТРОПРИВОДА
- Замыкание КОРИЧНЕВОГО провода на "массу" при открывании двери автомобиля обеспечивает немедленное срабатывание системы. Подсоединение триггера двери также необходимо для обеспечения работы функции пассивной постановки на охрану.
Подсоединение: Если штатный концевой выключатель двери замыкается на "массу" при отрывании дверей (это ТИПИЧНО ДЛЯ большинства автомобилей), Вы должны подсоединить КОРИЧНЕВЫЙ провод к одному из штатных концевых выключателей. В большинстве случаев КОРИЧНЕВЫЙ провод достаточно подсоединить только к одному концевому выключателю независимо от количества дверей в автомобиле.
ВНИМАНИЕ: Не используйте КОРИЧНЕВЫЙ провод, если полярность концевых выключателей дверей в автомобиле +12В (См. подключение ФИОЛЕТОВОГО провода выше).
- Если в автомобиле используются концевые выключатели дверей положительной полярности, КОРИЧНЕВЫЙ провод может быть также запрограммирован как "(-) вход для подключения 5-проводного электропривода" (программируемая функция № 18). В этом случае, при замыкании КОРИЧНЕВОГО провода на "массу" система будет автоматически подавать импульс для отпирания дверей автомобиля, а при отключении от "массы" - импульс для запирания дверей автомобиля, но только при выключенном режиме охраны.
Использование данной функции позволит Вам реализовать функцию "центрального замка" без необходимости использования дополнительного модуля, достаточно будет только установить один 5-проводный электропривод в двери водителя и 2-проводные электроприводы в остальных дверях. После этого, при запирании или отпирании двери водителя система будет автоматически запирать или отпирать все двери автомобиля.
Подсоединение: Среди проводов 5-проводного электропривода, установленного в двери водителя, найдите провод, соответствующий общему контакту встроенной в электропривод контактной группы. Подсоедините к нему КОРИЧНЕВЫЙ провод системы. Затем найдите провод, который замыкается с общим проводом встроенной контактной группы, когда дверь не заперта. Подключите этот провод к "массе" автомобиля. Третий провод встроенной контактной группы заизолируйте.
ТЕМНО-ЗЕЛЕНЫЙ ПРОВОД: (-) ТРИГГЕР КАПОТА/БАГАЖНИКА
Когда система находится в режиме охраны, при замыкании ТЕМНО-ЗЕЛЕНОГО провода на "массу" произойдет немедленное срабатывание системы.
Подсоединение: Подсоедините ТЕМНО-ЗЕЛЕНЫЙ провод к предварительно установленным концевым выключателям капота и/или багажника отрицательной полярности.
ЗЕЛЕНЫЙ/ЖЕЛТЫЙ ПРОВОД: ОТРИЦАТЕЛЬНЫЙ ВЫХОД 200 мА ПРИ ВКЛЮЧЕННОЙ ОХРАНЕ ДЛЯ БЛОКИРОВКИ СТАРТЕРА НОРМАЛЬНО ЗАМКНУТЫМ РЕЛЕ (ОТРИЦАТЕЛЬНЫЙ ВЫХОД ДЛЯ УПРАВЛЕНИЯ ВНУТРИСАЛОННЫМ ОСВЕЩЕНИЕМ / ВЫХОД ДЛЯ ОТПИРАНИЯ ВСЕХ ДВЕРЕЙ / ВЫХОД ДЛЯ ЗАКРЫВАНИЯ ОКОН АВТОМОБИЛЯ) (требуется установка дополнительного реле)
- ЗЕЛЕНЫЙ/ЖЕЛТЫЙ провод замыкается на "массу" при включенной охране и может использоваться для управления дополнительным нормально замкнутым реле блокировки стартера. Это отрицательный транзисторный слаботочный выход (максимальный ток нагрузки 200 мА) и должен использоваться только для управления катушкой дополнительного реле.
Подсоединение: Подсоедините ЗЕЛЕНЫЙ/ЖЕЛТЫЙ провод системы к клемме № 86 дополнительного реле. Подсоедините клемму № 85 реле к проводу от замка зажигания, на который поступает напряжение +12В, когда ключ зажигания находится в положении "ЗАПУСК" (CRANK), и присутствует напряжение 0 В, когда ключ зажигания находится в любом ином положении.
Перережьте вышенайденный провод от замка зажигания, идущий к соленоиду стартера автомобиля, и подсоедините ту часть обрезанного провода, которая идет от замка зажигания, к клемме № 30 реле. Подсоедините другую часть провода к клемме № 87А реле.
Примечание: Обратите внимание на то, что при использовании такого варианта подсоединения питание на реле блокировки будет подаваться только в момент попытки завести двигатель, таким образом, реле блокировки будет потреблять энергию аккумулятора только в момент попытки запуска двигателя.
Схема подключения ЗЕЛЕНОГО/ЖЕЛТОГО провода для блокировки цепи зажигания автомобиля:
ВНИМАНИЕ: Если используется функция Anti-Hi-Jack, мы не рекомендуем подключать ЗЕЛЕНЫЙ/ЖЕЛТЫЙ провод для блокировки какой-либо иной цепи, кроме цепи стартера!
- ЗЕЛЕНЫЙ/ЖЕЛТЫЙ провод может быть также запрограммирован как "отрицательный выход для управления внутрисалонным освещением автомобиля" (программируемая функция № 20) и в этом случае он уже более не будет замыкаться на "массу" при включении режима охраны. Вместо этого ЗЕЛЕНЫЙ/ЖЕЛТЫЙ провод после снятия системы с охраны будет замыкаться на "массу" на 30 секунд (или до момента включения зажигания, если это произойдет ранее) и будет замыкаться на "массу" импульсно при срабатывании системы, обеспечивая включения внутрисалонного освещения (при установке дополнительного реле).
ЦЕПЬ ВНУТРИСАЛОННОГО ОСВЕЩЕНИЯ ОТРИЦАТЕЛЬНОЙ ПОЛЯРНОСТИ
Подсоединение: Подсоедините ЗЕЛЕНЫЙ/ЖЕЛТЫЙ провод к клемме № 86 дополнительного 30 А реле и подсоедините клемму № 85 реле к +12В через предохранитель. Подсоедините остальные контакты реле в соответствии с полярностью цепи внутрисалонного освещения автомобиля как показано на схемах.
ЦЕПЬ ВНУТРИСАЛОННОГО ОСВЕЩЕНИЯ ПОЛОЖИТЕЛЬНОЙ ПОЛЯРНОСТИ
ВНИМАНИЕ: Обязательно используйте диод для изолирования цепи управления внутрисалонным освещением от цепи триггера двери. В противном случае не сможет правильно работать функция пассивной постановки на охрану и функция автоматической повторной постановки системы в режим охраны.
- ЗЕЛЕНЫЙ/ЖЕЛТЫЙ провод может быть также запрограммирован как "отрицательный выход для отпирания всех дверей" для реализации функции отпирания дверей в 2 этапа при снятии системы с охраны.
В этом случае ЗЕЛЕНЫЙ/ЖЕЛТЫЙ провод будет замыкаться на "массу" на 1 секунду при повторном нажатии кнопки
передатчика в течение 5 секунд после сигналов подтверждения снятия системы с охраны.
Подсоединение: Для реализации данной функции необходимо будет подсоединить ЗЕЛЕНЫЙ/БЕЛЫЙ провод отпирания системы только к электроприводу, установленному в двери водителя. Подсоедините ЗЕЛЕНЫЙ/ЖЕЛТЫЙ провод (используя, при необходимости, дополнительные реле) к проводам отпирания всех остальных дверей
- Если автомобиль оборудован электрическими стеклоподъемниками ЗЕЛЕНЫЙ/ЖЕЛТЫЙ провод может быть также запрограммирован как "отрицательный выход для закрывания окон автомобиля при постановке системы на охрану" .
В этом случае ЗЕЛЕНЫЙ/ЖЕЛТЫЙ провод будет замыкаться на "массу" на 30 секунд после постановки системы на охрану с помощью брелка-передатчика. Нажатие кнопки
передатчика в течение этих 30 секунд остановит работу данного выхода системы (система при этом останется в режиме охраны).
Для того, чтобы работа электрических стеклоподъемников не вызвала срабатывания системы, система автоматически отключит вход датчика удара и вход дополнительного датчика на все время, пока данный выход активизирован + еще 3 секунды.
Подсоединение: Найдите провод штатного модуля управления электрическими стеклоподъемниками автомобиля, при замыкании которого на массу происходит закрывание окон. Подсоедините ЗЕЛЕНЫЙ/ЖЕЛТЫЙ провод к данному проводу.
СЕРЫЙ ПРОВОД: ОТРИЦАТЕЛЬНЫЙ ВЫХОД 200 мА / КАНАЛ 3
(ОТРИЦАТЕЛЬНЫЙ ВЫХОД ДЛЯ УПРАВЛЕНИЯВНУТРИСАЛОННЫМ ОСВЕЩЕНИЕМ / ВЫХОД ДЛЯ ОТПИРАНИЯ ВСЕХ ДВЕРЕЙ / ВЫХОД ДЛЯ ЗАКРЫВАНИЯ ОКОН АВТОМОБИЛЯ)
В зависимости от состояния программируемой функции № 22 СЕРЫЙ провод системы может использоваться как:
- отрицательный выход канала 3 (заводская установка функции № 22)
- отрицательный выход для управления внутрисалонным освещением автомобиля
- отрицательный выход для отпирания всех дверей
- отрицательный выход для закрывания окон автомобиля при постановке системы на охрану
- Если СЕРЫЙ провод запрограммирован как "отрицательный выход канала З системы" он будет замыкаться на "массу" на 1 секунду при одновременном нажатии и удерживании кнопок
и
передатчика на 2 секунды и должен использоваться для дистанционного управления дополнительными устройствами. Это отрицательный транзисторный слаботочный выход (максимальный ток нагрузки 200 мА) и должен использоваться только для управления катушкой дополнительного реле.
"Режим работы" выхода канала 3 может быть запрограммирован при установке системы (программируемая функция № 21) как:
- Отрицательный "импульсный" сигнал (заводская установка функции № 21), активизируемый на 1 секунду или на все время, пока кнопки
и
передатчика удерживается в нажатом положении, но не более 25 секунд;
- Отрицательный "постоянный" сигнал, активизируемый при одновременном нажатии кнопок
и
передатчика на 2 секунды и работающий до следующего нажатия кнопок
и
передатчика одновременно на 2 секунды.
- Отрицательный "таймерный 30-секундный" сигнал, активизируемый при одновременном нажатии кнопок
и
передатчика на 2 секунды и работающий в течение 30 секунд либо до следующего нажатия кнопок
и
передатчика одновременно на 2 секунды.
- Отрицательный "таймерный 1 минута" сигнал, активизируемый при одновременном нажатии кнопок
и
передатчика на 2 секунды и работающий в течение 1 минуты либо до следующего нажатия кнопок
и
передатчика одновременно на 2 секунды.
- Отрицательный "таймерный 3 минуты" сигнал, активизируемый при одновременном нажатии кнопок
и
передатчика на 2 секунды и работающий в течение 3 минут либо до следующего нажатия кнопок
и
передатчика одновременно на 2 секунды.
В любом из описанных выше случаев:
- выход канала 3 системы может быть активизирован в любое время (при включенном или при выключенном режиме охраны, при включенном или при выключенном зажигании и т.д.);
- для того, чтобы работа дополнительных устройств, управляемых каналом 3, не вызывала срабатывания системы, в режиме охраны система автоматически отключит вход датчика удара, вход дополнительного датчика и вход зажигания на все время, пока выход канала 3 активизирован, + еще 3 секунды. Если вход одного из датчиков системы или вход зажигания остается активным после окончания работы выхода 3-го
канала системы - данная зона будет обойдена, сирена системы подаст 3 сигнала, а указатели поворота включатся 3 раза.
Подсоединение: Подсоедините СЕРЫЙ провод к клемме № 85 дополнительного З0 А реле, подсоедините клемму № 86 реле к +12В. Подсоедините остальные контакты реле в соответствии с выбранной функцией канала 3 системы.
ВНИМАНИЕ: Вы также можете использовать СЕРЫЙ провод для того, чтобы система подавала питание на замок зажигания в течение определенного времени. В этом случае Вы сможете ставить систему в режим охраны с заведенным двигателем, не оставляя ключи в замке зажигания {если программируемая функция № 14 включена):
- Перед выключением зажигания активизируйте выход канала 3, нажав кнопки
и
передатчика одновременно на 2 секунды. Система начнет подавать напряжение на замок зажигания в обход ключа зажигания.
- Выньте ключ из замка зажигания (двигатель будет продолжать работать), выйдите из автомобиля, убедитесь, что все двери, капот и багажник закрыты и поставьте систему в режим охраны автомобиля с работающим двигателем.
- После снятия системы с охраны вставьте ключ в замок зажигания и включите зажигание. После этого отключите канал 3 системы, нажав кнопки
и
передатчика одновременно на 2 секунды. Двигатель будет продолжать работать.
Для реализации данной функции:
- ОРАНЖЕВЫЙ/БЕЛЫЙ провод или ЗЕЛЕНЫЙ/ЖЕЛТЫЙ провод системы ДОЛЖЕН использоваться для блокировки цепи зажигания.
- Запрограммируйте выход канала 3 системы (СЕРЫЙ провод) как "постоянный",
- Подсоедините СЕРЫЙ провод системы к клемме № 85 дополнительного реле, как показано на схеме ниже.
- Подсоедините клеммы № 86 и № 30 реле к проводу от замка зажигания, на который поступает напряжение +12В, когда ключ зажигания находится в положениях "ВКЛ" (ON) и "ЗАПУСК" (CRANK) и присутствует напряжение 0В, когда ключ зажигания находится в любом ином положении. Подсоедините клемму № 87 реле к постоянному питанию +12В через предохранитель.
ВНИМАНИЕ: данное дополнительное реле должно быть подключено ДО места подключения цепи блокировки зажигания.
- СЕРЫЙ провод может быть также запрограммирован как "отрицательный выход для управления внутрисалонным освещением автомобиля" и в этом случае он уже более не будет замыкаться на "массу" при нажатии кнопок
и
передатчика на 2 секунды. Вместо этого СЕРЫЙ провод будет замыкаться на "массу" на 30 секунд после снятия системы с охраны и импульсно при срабатывании системы, обеспечивая включения внутрисалонного освещения (при установке дополнительного реле).
Подсоединение: Подсоедините СЕРЫЙ провод к клемме № 86 дополнительного 30 А реле и подсоедините клемму № 85 реле к +12В через предохранитель. Подсоедините остальные контакты реле в соответствии с полярностью цепи внутрисалонного освещения автомобиля как показано на схемах подключения ЗЕЛЕНОГО/ЖЕЛТОГО провода.
- СЕРЫЙ провод может быть также запрограммирован как "отрицательный выход для отпирания всех дверей" для реализации функции отпирания дверей в 2 этапа при снятии системы с охраны.
В этом случае СЕРЫЙ провод также уже более не будет замыкаться на "массу" при нажатии кнопок
и
передатчика на 2 секунды. Вместо этого СЕРЫЙ провод будет замыкаться на "массу" на 1 секунду при повторном нажатии кнопки
передатчика после снятия системы с охраны.
Подсоединение: Для реализации данной функции необходимо будет подсоединить ЗЕЛЕНЫЙ/БЕЛЫЙ провод отпирания системы только к электроприводу, установленному в двери водителя. Подсоедините СЕРЫЙ провод (используя, при необходимости, дополнительные реле) к проводам отпирания всех остальных дверей
- Если автомобиль оборудован электрическими стеклоподъемниками СЕРЫЙ провод может быть также запрограммирован как "отрицательный выход для закрывания окон автомобиля при постановке системы на охрану".
В этом случае СЕРЫЙ провод также уже более не будет замыкаться на "массу" при нажатии кнопок
и
передатчика на 2 секунды. Вместо этого СЕРЫЙ провод будет замыкаться на "массу" на 30 секунд после постановки системы на охрану с помощью брелка-передатчика. Нажатие кнопки
передатчика в течение этих 30 секунд остановит работу данного выхода системы (система при этом останется в режиме охраны).
Для того, чтобы работа электрических стеклоподъемников не вызвала срабатывания системы, система автоматически отключит вход датчика удара и вход дополнительного датчика на все время, пока данный выход активизирован + еще 3 секунды.
Подсоединение: Найдите провод штатного модуля управления электрическими стеклоподъемниками автомобиля, при замыкании которого на массу происходит закрывание окон. Подсоедините СЕРЫЙ провод к данному проводу.
ЧЕРНЫЙ ПРОВОД: "МАССА"
Черный провод подает "массу" на основной блок системы.
Подсоединение: Подсоедините ЧЕРНЫЙ провод системы к отрицательной клемме аккумулятора.
ОРАНЖЕВЫЙ/БЕЛЫЙ ПРОВОД: ОТРИЦАТЕЛЬНЫЙ ВЫХОД 500 мА ПРИ ВЫКЛЮЧЕННОЙ ОХРАНЕ ДЛЯ БЛОКИРОВКИ СТАРТЕРА НОРМАЛЬНО РАЗОМКНУТЫМ РЕЛЕ
ОРАНЖЕВЫЙ/БЕЛЫЙ провод служит для управления нормально разомкнутым реле блокировки стартера. Это отрицательный транзисторный слаботочный выход (максимальный ток нагрузки 500 мА) и должен использоваться только для управления катушкой реле блокировки стартера.
Подсоединение: Подсоедините ОРАНЖЕВЫЙ/БЕЛЫЙ провод к ОРАНЖЕВОМУ/БЕЛОМУ проводу, идущему от клеммы № 86 прилагаемого реле. Подсоедините ЖЕЛТЫЙ провод, идущий от клеммы № 85 реле к проводу от замка зажигания, на который поступает напряжение +12В, когда ключ зажигания находится в положении "ЗАПУСК" (CRANK), и присутствует напряжение 0 В, когда ключ зажигания находится в любом ином положении. Если используется блокировка цепи зажигания (что необходимо, например, для реализации функции активного глушения двигателя автомобиля или для реализации функции постановке на охрану с включенным двигателем), то Вы также можете подключить ЖЕЛТЫЙ провод колодки реле к ЖЕЛТОМУ проводу системы.
Перережьте вышенайденный провод от замка зажигания, идущий к соленоиду стартера автомобиля, и подсоедините ту часть перерезанного провода, которая идет от замка зажигания, к ЧЕРНОМУ проводу, идущему от клеммы № 30 реле. Подсоедините другую часть перерезанного провода к ЧЕРНОМУ проводу, идущему от клеммы № 87 реле.
Примечание: Обратите внимание на то, что при использовании такого варианта подсоединения реле блокировки стартера питание на реле блокировки будет подаваться только в момент попытки завести двигатель, таким образом, реле блокировки будет потреблять энергию аккумулятора только в момент попытки запуска двигателя (или только при включении зажигания).
ВНИМАНИЕ: Если используется функция Anti-Hi-Jack, мы не рекомендуем подключать ОРАНЖЕВЫЙ/БЕЛЫЙ провод для блокировки какой-либо иной цепи, кроме цепи стартера.
20-КОНТАКТНЫЙ РАЗЪЕМ (верхний ряд):
ЗЕЛЕНЫЙ/ЧЕРНЫЙ ПРОВОД: см. раздел "УПРАВЛЕНИЕ ЗАМКАМИ ДВЕРЕЙ" ниже.
СИНИЙ/БЕЛЫЙ ПРОВОД: см. раздел "УПРАВЛЕНИЕ ЗАМКАМИ ДВЕРЕЙ" ниже.
СИНИЙ/КРАСНЫЙ ПРОВОД: см. раздел "УПРАВЛЕНИЕ ЗАМКАМИ ДВЕРЕЙ" ниже.
СИНИЙ/ЧЕРНЫЙ ПРОВОД: см. раздел "УПРАВЛЕНИЕ ЗАМКАМИ ДВЕРЕЙ" ниже.
ТЕМНО-СИНИЙ ПРОВОД: ОТРИЦАТЕЛЬНЫЙ ВЫХОД 200 мА / КАНАЛ 2
- ТЕМНО-СИНИЙ провод замыкается на "массу" на 1 секунду при нажатии и удерживании кнопки
передатчика в течение 3 секунд при снятой охране и выключенном зажигании и используется для дистанционного открывания электрического замка крышки багажника (если автомобиль им оборудован).
Выход Канала 2 системы будет также работать при включенном зажигании, но только если в этот момент открыта одна из дверей автомобиля. Это предотвратит случайное открывание багажника при движении автомобиля.
Если же выход Канала 2 активизирован при включенном режиме охраны, то в этом случае система одновременно отключит вход датчика удара и триггер капота/багажника для того, чтобы открывание багажника не вызвало срабатывание системы. Через 3 секунды после того, как багажник будет закрыт, система опять автоматически возьмет эти цепи под охрану.
Это отрицательный транзисторный слаботочный выход (максимальный ток нагрузки 200 мА) и должен использоваться только для управления катушкой дополнительного реле.
ВНИМАНИЕ: Подсоединение ТЕМНО-СИНЕГО провода непосредственно к сильноточным цепям замка багажника или к некоторым устройствам дистанционного запуска двигателя приведет к повреждению основного блока системы.
Подсоединение: Подсоедините ТЕМНО-СИНИЙ провод к клемме № 85 дополнительного 30 А реле, подсоедините клемму № 86 реле к +12В. Подсоедините остальные контакты реле как показано на схеме или в соответствии с выбранной функцией канала 2 системы.
ПОДСОЕДИНЕНИЕ ЗАМКА БАГАЖНИКА
С ИСПОЛЬЗОВАНИЕМ ДОПОЛНИТЕЛЬНОГО РЕЛЕ
- Выход канала 2 системы (ТЕМНО-СИНИЙ провод) может также использоваться для управления различными иными дополнительными устройствами. Режим работы выхода канала 2 в этом случае может быть запрограммирован при установке системы (программируемая функция № 19) как:
- Отрицательный "импульсный" сигнал, активизируемый на 1 секунду или на все время, пока кнопка
(кнопка 2) передатчика удерживается в нажатом положении, но не более 25 секунд;
- Отрицательный "постоянный" сигнал, активизируемый при нажатии кнопки
передатчика на 3 секунды и работающий до следующего нажатия и удерживания кнопки
передатчика на 3 секунды.
- Отрицательный "таймерный 30-секундный" сигнал, активизируемый при нажатии кнопки
передатчика на 3 секунды и работающий в течение 30 секунд либо до следующего нажатия и удерживания кнопки
передатчика на 3 секунды.
В любом из описанных выше случаев:
- выход канала 2 системы может быть активизирован в любое время (при включенном или при выключенном режиме охраны, при включенном или при выключенном зажигании и т.д.);
- для того, чтобы работа дополнительных устройств, управляемых каналом 2, не вызывала срабатывания системы, в режиме охраны система автоматически отключит вход датчика удара, вход дополнительного датчика и вход зажигания на все время, пока выход канала 2 активизирован, + еще 3 секунды. Если вход одного из датчиков или вход зажигания остается активным после окончания работы выхода 2-го канала -данная зона будет обойдена, сирена подаст 3 сигнала, а указатели поворота включатся 3 раза.
Подсоединение: Подсоедините ТЕМНО-СИНИЙ провод к клемме № 85 дополнительного 30 А реле, подсоедините клемму № 86 реле к +12В. Подсоедините остальные контакты реле в соответствии с выбранной функцией Канала 2 системы.
2 БЕЛЫХ ПРОВОДА: ИМПУЛЬСНЫЙ ВЫХОД НА УКАЗАТЕЛИ ПОВОРОТА +12В ПОСТ. ТОКА (2 х 7.5А МАКС.)
- Эти провода обеспечивают мигание указателей поворота при постановке и снятии системы с охраны, а также при срабатывании системы и при срабатывании режима "Anti-Hi-Jack" (если данная функция включена).
Подсоединение: Подсоедините БЕЛЫЕ провода системы к правым и левым указателям поворота автомобиля.
- Вы также можете использовать БЕЛЫЕ провода системы для управления габаритными огнями автомобиля вместо указателей поворота:
- Если в автомобиле цепь управления габаритными огнями положительной полярности, подсоедините 2 БЕЛЫХ провода системы непосредственно к цепям управления правых и левых габаритных огней автомобиля.
- Если же цепь управления габаритными огнями отрицательной полярности (как в большинстве автомобилей японского производства), отсоедините КРАЗНЫЙ/БЕЛЫЙ провод питания основного блока системы от КРАСНОГО провода системы, нарастите его и подсоедините к +12В аккумулятора. КРАСНЫЙ провод системы подсоедините к "массе" через предохранитель. После этого переставьте диоды, установленные в БЕЛЫХ проводах системы, в обратную полярность и подсоедините 2 БЕЛЫХ провода системы непосредственно к цепям управления правых и левых габаритных огней.
БЕЛЫЙ ПРОВОД С ЧЕРНОЙ ПОЛОСОЙ: ПОЛОЖИТЕЛЬНЫЙ ВЫХОД ДЛЯ УПРАВЛЕНИЯ СИРЕНОЙ (1А)
Проложите этот провод через резиновую втулку в теплоизоляционной перегородке к месту установки сирены.
Подсоединение: Подсоедините БЕЛЫЙ провод с ЧЕРНОЙ полосой к Красному проводу сирены. Подсоедините Черный провод массы сирены к "массе".
КРАСНЫЙ ПРОВОД С ПРЕДОХРАНИТЕЛЕМ 15А; +12В ПОСТОЯННОГО ТОКА ОТ АККУМУЛЯТОРА
Этот провод подает питание на основной блок системы и на встроенное реле управления указателями поворота. Подсоедините КРАСНЫЙ провод с предохранителем 15А к +12В постоянного тока от аккумулятора автомобиля.
КРАСНЫЙ/БЕЛЫЙ ПРОВОД С ПРЕДОХРАНИТЕЛЕМ 5А: +12В ПОСТОЯННОГО ТОКА ОТ АККУМУЛЯТОРА
Этот провод подает питание на основной блок системы. Он подсоединен через предохранитель 5А к КРАСНОМУ проводу системы.
УПРАВЛЕНИЕ ЗАМКАМИ ДВЕРЕЙ
СИНИЙ/ЧЕРНЫЙ, СИНИЙ/БЕЛЫЙ, СИНИЙ/КРАСНЫЙ, ЗЕЛЕНЫЙ/ЧЕРНЫЙ, ЗЕЛЕНЫЙ/БЕЛЫЙ и ЗЕЛЕНЫЙ/КРАСНЫЙ провода системы предназначены для подсоединения встроенных реле управления замками дверей. Функция каждого из этих проводов показана ниже.
Перед подключением системы к установленным электроприводам замков дверей необходимо определить тип штатной системы центрального замка. Для этого - выньте выключатель дверного замка из панели двери водителя и протестируйте провода, идущие от выключателя.
1. 3-ПРОВОДНАЯ СИСТЕМА ЦЕНТРАЛЬНОГО ЗАМКА, УПРАВЛЯЕМАЯ СИГНАЛОМ ОТРИЦАТЕЛЬНОЙ ПОЛЯРНОСТИ (см. схему 1)
Если от выключателя идет 3 провода, один из которых постоянно замкнут на "массу" (независимо от положения выключателя), а из двух других проводов один будет замыкаться на "массу" при переводе выключателя в положение "Lock" ("Закрыто"), а другой будет замыкаться на массу при переводе выключателя в положение "Unlock" ("Открыто") - Вы имеете дело с 3-проводной цепью отрицательной полярности.
- В автомобилях такого типа СИНИЙ/ЧЕРНЫЙ и ЗЕЛЕНЫЙ/ЧЕРНЫЙ провода системы НЕ используются.
- ЗЕЛЕНЫЙ/КРАСНЫЙ и СИНИЙ/КРАСНЫЙ провода системы должны быть подсоединены к "массе".
- Подсоедините СИНИЙ/БЕЛЫЙ провод к штатному проводу запирания автомобиля.
- Подсоедините ЗЕЛЕНЫЙ/БЕЛЫЙ провод к штатному проводу отпирания автомобиля.
2. 3-ПРОВОДНАЯ СИСТЕМА ЦЕНТРАЛЬНОГО ЗАМКА, УПРАВЛЯЕМАЯ СИГНАЛОМ ПОЛОЖИТЕЛЬНОЙ ПОЛЯРНОСТИ (см.схему2):
Если от выключателя идет 3 провода, один из которых постоянно замкнут на +12В (независимо от положения выключателя), а из двух других проводов один будет замыкаться на +12В при переводе выключателя в положение "Lock" ("Закрыто"), а другой будет замыкаться на +12В при переводе выключателя в положение "Unlock" ("Открыто") - Вы имеете дело с 3-проводной цепью положительной полярности.
- В автомобилях такого типа СИНИЙ/ЧЕРНЫЙ и ЗЕЛЕНЫЙ/ЧЕРНЫЙ провода системы НЕ используются.
- Подсоедините ЗЕЛЕНЫЙ/КРАСНЫЙ и СИНИЙ/КРАСНЫЙ провода системы К+12В постоянного тока.
- Подсоедините СИНИЙ/БЕЛЫЙ провод к штатному проводу запирания автомобиля.
- Подсоедините ЗЕЛЕНЫЙ/БЕЛЫЙ провод к штатному проводу отпирания автомобиля.
3. 5 (4)-ПРОВОДНАЯ СИСТЕМА ЦЕНТРАЛЬНОГО ЗАМКА, УПРАВЛЯЕМАЯ СИГНАЛОМ ОБРАТНОЙ (ПЕРЕМЕННОЙ) ПОЛЯРНОСТИ (см. схему 3):
Если от выключателя идет 5 проводов (или иногда 4) - в данном автомобиле установлена штатная система центрального замка с переменной полярностью управляющего импульса. В таких системах нет штатных реле или собственно модуля центрального замка т.к. +12В подается непосредственно от выключателя на электроприводы замков и, к тому же, обеспечивается обратный выход на массу.
Один из 5 проводов, идущих от выключателя, будет постоянно замкнут на +12В, независимо от положения выключателя. Два провода (или один) будут постоянно замкнуты на массу, независимо от положения выключателя, из двух оставшихся проводов - один будет замыкаться на +12В при переводе выключателя в положение "Lock' ("Закрыто"), а другой будет замыкаться на +12В при переводе выключателя в положение "Unlock" ("Открыто").
В автомобилях данного типа необходимо перерезать штатные провода, идущие от главного выключателя замков дверей ("Master"), находящегося в водительской двери, к выключателям замков других дверей, а затем к электроприводам замков.
- Перережьте штатный провод запирания, идущий от главного выключателя, и подсоедините СИНИЙ/БЕЛЫЙ провод к той части перерезанного провода, которая идет к выключателям других дверей и к электроприводам замков.
- Подсоедините СИНИЙ/ЧЕРНЫЙ провод к другой части перерезанного провода запирания, которая идет к главному выключателю.
- Перережьте штатный провод отпирания, идущий от главного выключателя, и подсоедините ЗЕЛЕНЫЙ/БЕЛЫЙ провод к той части перерезанного провода, которая идет к выключателям других дверей и к электроприводам замков. Подсоедините ЗЕЛЕНЫЙ/ЧЕРНЫЙ провод к другой части перерезанного провода отпирания, которая идет к главному выключателю.
- Подсоедините ЗЕЛЕНЫЙ/КРАСНЫЙ и СИНИЙ/КРАСНЫЙ провода системы к +12В постоянного тока.
4. ВАКУУМНАЯ СИСТЕМА ЦЕНТРАЛЬНОГО ЗАМКА (см. схему 4)
На автомобилях марки Mercedes-Benz или Audi используется вакуумная система центрального замка. Она имеет электровыключатели (встроенные в пневмоприводы), которые подают + 12В или "массу" на пневмонасос. Эти выключатели работают при запирании и отпирании дверей изнутри или ключом снаружи автомобиля. Полярность выключателей определяет, будет ли насос создавать давление или разрежение. Подсоединение может выполняться либо под декоративной накладкой (панелью) слева от водителя, либо непосредственно на пневмонасосе, который обычно установлен в багажнике или под задним сиденьем.
- Подсоедините ЗЕЛЕНЫЙ/КРАСНЫЙ провод системы к +12В постоянного тока.
- Подсоедините СИНИЙ/КРАСНЫЙ провод системы к "массе".
- Подсоедините остальные провода системы как показано на схеме 4
Примечание: В автомобилях выпуска 1989 г. (или ранее) пневмонасос работает около 3 секунд. При установке системы на такие автомобили необходимо будет также запрограммировать длительность импульса, подаваемого на замки дверей, на 3.5 секунды (программируемая функция № 16).
5. 1-ПРОВОДНАЯ СИСТЕМА ЦЕНТРАЛЬНОГО ЗАМКА, УПРАВЛЯЕМАЯ СИГНАЛОМ ОТРИЦАТЕЛЬНОЙ ПОЛЯРНОСТИ (см. схему 5)
Если автомобиль марки Nissan, Mitsubishi или Lotus и в двери нет переключателя - необходимо найти провод, идущий из двери водителя, который замкнут на массу, если двери автомобиля открыты, и "разомкнут", если двери закрыты.
- В автомобилях данного типа СИНИЙ/КРАСНЫЙ и ЗЕЛЕНЫЙ/ЧЕРНЫЙ провода системы НЕ используются.
- Подсоедините ЗЕЛЕНЫЙ/КРАСНЫЙ провод системы к "массе".
- Подсоедините остальные провода системы как показано на схеме 5.
6. УСТАНОВКА ДОПОЛНИТЕЛЬНЫХ ЭЛЕКТРОПРИВОДОВ (см. схему 6):
Если автомобиль не оборудован центральным замком или электроприводами замков дверей, Вы можете установить дополнительные электроприводы и подсоединить их к системе следующим образом:
- Подсоедините СИНИЙ/ЧЕРНЫЙ и ЗЕЛЕНЫЙ/ЧЕРНЫЙ провода системы к "массе".
- Подсоедините СИНИЙ/КРАСНЫЙ и ЗЕЛЕНЫЙ/КРАСНЫЙ провода к+12 постоянного тока.
- Подсоедините ЗЕЛЕНЫЙ/БЕЛЫЙ провод к Синему проводу отпирания электропривода.
- Подсоедините СИНИЙ/БЕЛЫЙ провод к Зеленому проводу запирания электропривода.
ОТПИРАНИЕ ДВЕРЕЙ В 2 ЭТАПА
Вы можете использовать функцию отпирания дверей в 2 этапа, запрограммировав ЗЕЛЕНЫЙ/ЖЕЛТЫЙ провод или СЕРЫЙ провод системы как "Отрицательный выход для отпирания всех дверей". В этом случае при снятии системы с охраны будет отпираться только дверь водителя и затем, при повторном нажатии в течение 5 секунд кнопки
будут отпираться все остальные двери.
Подсоединение: Подсоедините ЗЕЛЕНЫЙ/БЕЛЫЙ провод системы к проводу отпирания электропривода замка двери водителя. Подсоедините ЗЕЛЕНЫЙ/ЖЕЛТЫЙ провод или СЕРЫЙ провод системы, запрограммированный как "(-) выход для отпирания всех дверей", к дополнительному реле отпирания электроприводов всех остальных дверей.
ДВОЙНОЙ ИМПУЛЬС ЗАПИРАНИЯ/ДВОЙНОЙ ИМПУЛЬС ОТПИРАНИЯ/ФУНКЦИЯ "КОМФОРТ'
- Штатные системы центрального замка некоторых последних моделей автомобилей требуют двойного отрицательного импульсного сигнала для включения блокировки дверей после их запирания (импульс "до-запирания"). В этом случае необходимо соответствующим образом запрограммировать функцию № 16.
- Штатные системы центрального замка некоторых последних моделей автомобилей требуют двойного отрицательного импульсного сигнала для отпирания дверей автомобиля. В этом случае необходимо соответствующим образом запрограммировать функцию № 16.
- Ряд современных автомобилей оборудован штатной системой "Комфорт" (или 'Total Closure"), которая обеспечивает запирание всех дверей и закрывание всех окон и люка при запирании замка двери водителя ключом и удерживании его в замке в течение определенного времени.
Если функция № 16 запрограммирована соответствующим образом, то при постановке системы на охрану с помощью передатчика система будет подавать импульс запирания 10 секунд (необходимо для некоторых автомобилей VW, Audi, Opel и Mercedes) или 28 секунд (необходимо для некоторых моделей BIVW и ряда других). На этот период времени система также автоматически отключит все зоны и триггеры системы. Если вход какой-либо зоны охраны остается активным после окончания импульса запирания - данная зона будет обойдена, сирена системы подаст 3 сигнала, а указатели поворота включатся 3 раза.
Во всех остальных случаях (при снятии системы с охраны, при пассивной постановке на охрану, автоматической повторной постановке на охрану и т.д.) будут подаваться импульсы отпирания и запирания длительностью 0.8 с.
Работа данной функции может быть остановлена нажатием кнопки
передатчика в любой момент в течение времени работы данной функции после постановки системы на охрану с помощью передатчика. Система при этом останется в режиме охраны.
ПОДСОЕДИНЕНИЕ ДОПОЛНИТЕЛЬНЫХРАЗЪЕМОВ СИСТЕМЫ
4-КОНТАКТНЫЙ БЕЛЫЙ РАЗЪЕМ: РАЗЪЕМ ДЛЯ ПОДСОЕДИНЕНИЯ ДОПОЛНИТЕЛЬНОГО 2-ЗОННОГО ДАТЧИКА (ДАТЧИК 2)
Проложите Красный, Черный, Синий и Зеленый провода, оканчивающиеся 4-контактным белым разъемом, от дополнительного датчика к основному блоку системы и подсоедините его с одной стороны к датчику, а с другой - к Белому разъему блока.
4-КОНТАКТНЫЙ БЕЛЫЙ РАЗЪЕМ: 2-УРОВНЕВЫЙ ДАТЧИК УДАРА (ДАТЧИК 1)
Проложите Красный, Черный, Синий и Зеленый провода, оканчивающиеся 4-контактным белым разъемом, отдатчика удара к основному блоку системы и подсоедините его с одной стороны к датчику удара, а с другой - к Белому разъему блока.
2-КОНТАКТНЫЙ БЕЛЫЙ РАЗЪЕМ: СВЕТОДИОДНЫЙ ИНДИКАТОР (СИД)
Проложите Красный и Синий провода, оканчивающиеся 2-контактным белым разъемом, от СИДа к основному блоку системы и подсоедините его к Белому разъему блока.
4-КОНТАКТНЫЙ ЧЕРНЫЙ РАЗЪЕМ: ПРИЕМОПЕРЕДАЮЩИЙ МОДУЛЬ СИСТЕМЫ СО ВСТРОЕННОЙ AHTEHHOЙ
Проложите черный кабель с Красным, Зеленым, Черным и Синим проводами, оканчивающийся 4-контактным Черным разъемом от места установки приемопередающего модуля к основному блоку системы и подсоедините разъем к Черному разъему блока. Другую часть кабеля, оканчивающуюся 4-контакнтым разъемом, подсоедините к разъему модуля.
2-КОНТАКТНЫЙ СИНИЙ РАЗЪЕМ: ПЕРЕКЛЮЧАТЕЛЬ VALET
Проложите Серый и Черный провода, оканчивающиеся 2-контактным синим разъемом, от кнопочного переключателя VALET к основному блоку системы и подсоедините его к Синему разъему блока.
ЗАВЕРШЕНИЕ УСТАНОВКИ:
РЕГУЛИРОВКА ДАТЧИКА УДАРА
Осторожно поверните регулировочный винт против часовой стрелки до упора при помощи маленькой отвертки (НЕ проворачивайте винт вокруг оси. Максимальный угол регулировки 270°). Закройте капот, багажник и поставьте систему на охрану. Подождите 6 секунд пока работа всех охранных устройств стабилизируется, затем сильно ударьте кулаком по заднему бамперу или по передней стойке с такой силой, которая была бы достаточной для того, чтобы разбить стекло. Внимание! Не стучите по стеклу, Вы можете его разбить!
Если система не сработала, поверните регулировочный винт по часовой стрелке (для увеличения чувствительности) примерно на 1/4 оборота и проверьте чувствительность датчика еще раз. Повторяйте эту процедуру до тех пор, пока не сработает сигнализация. Охрана должна срабатывать при сильном ударе по заднему бамперу автомобиля. При более слабом ударе должен срабатывать режим предупреждения и сирена подаст 3 коротких сигнала.
Внимание! При высокой чувствительности охрана будет срабатывать при вибрациях от проходящих рядом тяжелых автомобилей. Для уменьшения чувствительности поверните регулировочный винт против часовой стрелки.
ЗАЩИТА ПРОВОДКИ
Всегда защищайте провода спиральными трубками или обматывайте их изолентой. Закрепите жгуты проводов по всей длине при помощи пластиковых перетяжек. Это обеспечит отсутствие повреждений проводов при их соприкосновении с горячими или острыми подвижными частями автомобиля.
ДОПОЛНИТЕЛЬНАЯ СИРЕНА С АВТОНОМНЫМ ПИТАНИЕМ ALLIGATOR BS-98M
Данная система совместима с дополнительной сиреной с автономным питанием ALLIGATOR BS-98M. В данной сирене реализована схема защиты от обрыва проводов управления, таким образом, сирена немедленно сработает не только при попытке отключить аккумулятор автомобиля или при обрыве проводов питания, но и при попытке оборвать провод системы, управляющий сиреной (БЕЛЫЙ/ЧЕРНЫЙ провод).
РАБОТА СИСТЕМЫ
Уделите некоторое время просмотру соответствующих пунктов в Руководстве пользователя и детально объясните работу системы Вашему заказчику.
ТЕХНИЧЕСКИЕ ХАРАКТЕРИСТИКИ
| Номинальное напряжение питания | + 12В постоянного тока |
| Номиналы предохранителей |
|
| — на Красном проводе | 15А |
| — на Красном/Белом проводе | 5А |
| Потребление тока | < 15 мА в режиме охраны |
| Постановка на охрану | через 3/45 секунд после нажатия кнопки передатчика |
| Максимальное количество циклов режима тревоги | 6 циклов по 30 секунд |
| Автоматическая повторная постановка на охрану | через 30 секунд после снятия с режима охраны |
| Автоматическая постановка на охрану | через 30 секунд после закрывания последней двери |
| Количество индицируемых зон охраны | 6 |
| Триггеры системы/зоны охраны: | - отрицательный триггер двери
- положительный триггер двери
- отрицательный триггер капота/багажника
- вход зажигания
- датчик удара
- дополнительный датчик
- зона предупреждения
|
| Количество каналов приемника | 10
|
| Максимальное количество передатчиков | 4 |
| Количество кодовых комбинаций | 1.8x1024 с динамическим изменением кода |
| Макс, ток нагрузки реле указателей поворота: | 15А (2х7.5А)
|
| Макс, ток нагрузки реле запирания: | 15А
|
| Макс, ток нагрузки реле отпирания: | 15А
|
| Макс, ток нагрузки реле блокировки стартера: | 40А |
| Макс, ток нагрузки выхода 2-го канала системы: | 200мА |
| Макс, ток нагрузки выхода 3-го канала системы: | 200мА |
| Макс, ток нагрузки выхода Зеленого/Желтого провода системы: | 200мА |
ФУНКЦИИ КНОПОК БРЕЛКОВ-ПЕРЕДАТЧИКОВ СИСТЕМЫ
Передатчики, входящие в комплект системы, программируются на заводе-изготовителе следующим образом:
| ФУНКЦИЯ |
КНОПКА 4-КНОПОЧНОГО БРЕЛКА С 2-СТОРОННЕЙ СВЯЗЬЮ |
КНОПКА 3-КНОПОЧНОГО БРЕЛКА |
ПРИМЕЧАНИЕ |
| Дистанционная постановка на охрану или дистанционное запирание дверей в режиме Valet |
 |
 |
Нажать и отпустить |
| Постановка на охрану с отключением зоны предупреждения датчиков |
,  |
,  |
Нажать последовательно в течение 5 секунд |
| Постановка на охрану с отключением обеих зон датчиков |
, ,  |
, ,  |
Нажать последовательно в течение 5 секунд |
| Бесшумная постановка на охрану |
 |
 |
Нажать и отпустить |
| Бесшумная постановка на охрану с отключением зоны предупреждения датчиков |
,  |
,  |
Нажать последовательно в течение 5 секунд |
| Бесшумная постановка на охрану с отключением обеих зон датчиков |
, ,  |
, ,  |
Нажать последовательно в течение 5 секунд |
| Включение режима охраны автомобиля с работающим двигателем (если включена функция № 14) |
 |
 |
Нажать и удерживать 3 секунды при включенном зажигании |
| Включение "бесшумного" режима охраны |
,  |
,  |
Нажать последовательно в течение 4 секунд |
| Дистанционное снятие с охраны или дистанционное отпирание дверей в режиме Valet |
 |
 |
Нажать и отпустить |
| Дистанционное снятие с охраны с отпиранием всех дверей (если данная функция подключена) |
,  |
,  |
Нажать последовательно в течение 5 секунд |
| Бесшумное снятие с охраны |
,  |
,  |
Нажать последовательно в течение 4 секунд |
| Запирание дверей во время движения автомобиля |
 |
 |
Нажать и отпустить при включенном зажигании |
| Отпирание дверей во время движения автомобиля |
 |
 |
Нажать и отпустить при включенном зажигании |
| Выход канала 2 (дистанционное отпирание замка багажника / управление дополнительными устройствами) |
 |
 |
Нажать и удерживать 3 секунды |
| Выход канала 3 (управление дополнительными устройствами) |
+  |
+  |
Нажать одновременно и удерживать 2 секунды |
| Дистанционное включение режима "Паника" |
+  |
+  |
Нажать одновременно и удерживать 3 секунды при выключенном зажигании |
| Дистанционное выключение режима "Паника" |
+  |
+  |
Нажать и отпустить одновременно |
| Дистанционное включение режима "Anti-Hi-Jack" (если включена функция №11) |
+  |
+  |
Нажать одновременно и удерживать 3 секунды при включенном зажигании |
| Дистанционное включение режима "Valet" |
+  |
+  |
Нажать одновременно и удерживать 3 секунды в течение 10 секунд после включения/выключения зажигания |
| Дистанционное выключение режима "Valet" |
+  |
+  |
Нажать одновременно и удерживать 3 секунды в течение 10 секунд после включения/выключения зажигания |
| "Поиск автомобиля" |
+  |
+  |
Нажать и отпустить при выключенном зажигании |
| Отключение сигналов оповещения брелка с 2-сторонней связью при срабатывании системы с отключением режима тревоги |
любая кнопка |
— |
Нажать и отпустить |
| Включение режима проверки зоны действия передатчика с 2-сторонней связью |
+  |
— |
Нажать и отпустить одновременно |
| Выбор режима оповещения: звуковой и вибратор / только звуковой / только вибратор |
+  |
— |
Нажать и отпустить одновременно |
| Выбор режима работы брелка с 2-сторонней связью: "Полный" режим / Режим "пейджера" |
+  |
— |
Нажать и отпустить одновременно |
ВНИМАНИЕ: Так как в передатчиках используется постоянно меняющийся (динамический) код, в определенных, достаточно редких ситуациях (например, при нажатии кнопок брелка более 30 раз вдали от автомобиля) может произойти рассинхронизация брелков и системы. В этом случае - подойдите к автомобилю и быстро нажмите кнопку передатчика дважды. Синхронизация будет восстановлена и брелок вновь сможет управлять системой.
Программирование кодов новых передатчиков системы
В память системы может быть запрограммировано всего до 4-х передатчиков (максимум два 3-кнопочных передатчика и два 4-кнопочных передатчика). При программировании нового или дополнительного передатчика, все коды ранее запрограммированных передатчиков (3-кнопочных и 4-кнопочных) будут автоматически стерты из памяти системы.
ВНИМАНИЕ: Помните, что каждая операция должна быть выполнена в течение 15 секунд после предыдущей операции. Если 15-секундный интервал превышен, система автоматически выйдет из режима программирования, что будет подтверждено одним коротким и одним длинным сигналом сирены. Если в процессе программирования было выключено зажигание система также немедленно выйдет из режима программирования и Вы услышите 1 короткий и 1 длинный сигналы сирены.
Для программирования дополнительных передатчиков системы:
- Снимите систему с охраны и сядьте в автомобиль.
- Если функция № 9 включена (отключение системы с помощью переключателя Valet) - включите зажигание и перейдите к пункту 4.
- Если функция № 9 выключена (отключение системы с помощью персонального кода), то для входа в режим программирования функций системы Вам необходимо будет ввести свой персональный код или заводской код"11" как описано ниже:
- Включите, выключите и вновь включите зажигание
Примечание: Если включена программируемая функция № 12 "Автоматическое включение режима Anti-Hi-Jack при включении зажигания", то после первого включения зажигания необходимо будет нажать и отпустить кнопку Valet для отключения функции Anti-Hi-Jack, затем выключить и вновь включить зажигание.
- В течение 15 секунд нажмите и отпустите кнопочный выключатель Valet количество раз, равное 1-й цифре Вашего персонального кода (заводская установка - 1 раз), затем выключите и вновь включите зажигание.
Примечание: Если Ваш персональный код состоит только из одной цифры - пропустите следующий шаг.
- В течение 15 секунд нажмите и отпустите кнопочный выключатель Valet количество раз, равное 2-й цифре Вашего персонального кода (заводская установка - 1 раз), затем выключите и вновь включите зажигание.
- В течение 15 секунд после включения зажигания нажмите кнопочный выключатель Valet 3 раза. Вы услышите 1 короткий сигнал сирены и СИД начнет медленно мигать, подтверждая, что система готова к программированию нового передатчика.
- Нажмите и удерживайте кнопку
передатчика до тех пор, пока Вы не услышите длинный сигнал сирены, подтверждающий, что программирование 1-го передатчика произведено. СИД системы при этом будет светиться постоянно, пока кнопка остается нажатой.
- Отпустите кнопку передатчика. СИД вновь начнет медленно мигать, подтверждая, что система готова к программированию следующего передатчика.
- Запрограммируйте все оставшиеся передатчики, которые Вы собираетесь использовать.
- Для выхода из режима программирования:
- выключите зажигание или
- подождите 15 секунд, не производя никаких действий.
Вы услышите 1 короткий и 1 длинный сигнал сирены, подтверждающие, что система вышла из режима программирования передатчиков.
Схемы подключения
Главная
Схема 1. 3-проводная система центрального замка, управляемая сигналом отрицательной полярности (большинство автомобилей японского производства)
Зеленый/Черный и Синий/Черный провода системы не используются. Заизолируйте их отдельно друг от друга
Схема 2. 3-проводная система положительной полярности (большинство легковых автомобилей марки GM
Зеленый/Черный и Синий/Черный провода системы не используются. Заизолируйте их отдельно друг от друга
Схема 3. 5 (4) проводная система с обратной (переменной) полярностью (большинство легковых а/м марки Форд и Крайслер; большинство грузовых а/м марки Форд и GM)
4. Вакуумная система (Мерседес-Бенц и Ауди)
Схема 5. Однопроводный тип цепи дверных замков с отрицательной полярностью (некоторые автомобили марки Ниссан, Mazda и др.)
Синий/Красный и Зеленый/Черный провода системы не используются. Заизолируйте их отдельно друг от друга
Схема 6. Установка дополнительных электроприводов
РЕКОМЕНДАЦИИ ПО УСТАНОВКЕ СИСТЕМЫ ALLIGATOR D-830 НА АВТОМОБИЛИ ВАЗ
- 1. Рекомендуемая схема подключения КОРИЧНЕВОГО провода системы ("отрицательный триггер двери") к проводке автомобилей ВАЗ семейства 2109, 2123, оснащенных иммобилайзерами АПС-4 или АПС-6:
- . Рекомендуемая схема подключения КОРИЧНЕВОГО провода системы ("отрицательный триггер двери") к проводке автомобилей ВАЗ семейств 2110 и 2115, оснащенных иммобилайзерами АПС-4:
- . Рекомендуемая схема подключения ТЕМНО-ЗЕЛЕНОГО провода системы ("отрицательный триггер капота/багажника") к подкапотной лампе автомобилей ВАЗ семейств 2109, 2115, 2123 или лампе освещения багажника автомобилей ВАЗ семейства 2115:
28.10.2005