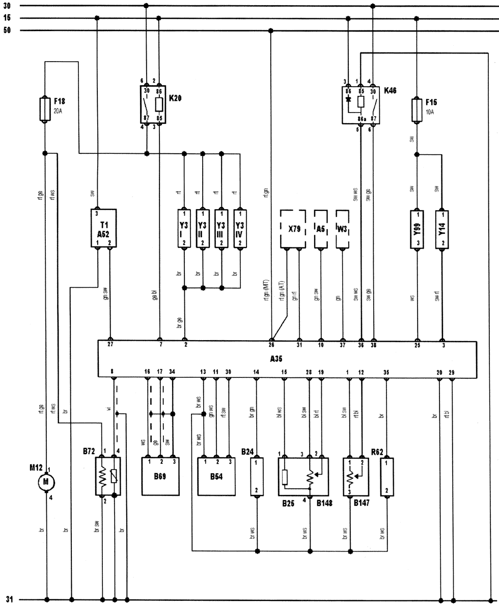
Manufacturer: Volkswagen
Model: Passat 2.0L
ECU: VAG Digifant
Engine code: 2E


| 30 | Battery + |
| 31 | Battery - |
| Y14 | Cold start injector |
| Â54 | Crankshaft position (CKP) sensor |
| À35 | Engine control module (ECM) |
| K46 | Engine control relay |
| Â24 | Engine coolant temperature (ÅÑÒ) sensor |
| Ì12 | Fuel pump |
| Ê20 | Fuel pump relay |
| F | Fuse |
| Â72 | Heated oxygen sensor (HO2S) |
| Y99 | Idle air control (IAC) valve |
| À52 | Ignition amplifier |
| Ò1 | Ignition coil |
| 15 | Ignition switch - ignition ON |
| 50 | Ignition switch - start signal |
| Y3 | Injector |
| À5 | Instrument panel - MIL light |
| Â25 | Intake air temperature (IAT) sensor |
| B69 | Knock sensor (KS) |
| R62 | Mixture adjustment resistor |
| W3 | Spare cable |
| Â147 | Throttle position (TP) sensor |
| X79 | Transmission connector |
| B148 | Volume air flow (VAF) sensor |
bl = blue
br = brown
el = cream
ge = yellow
gn = green
gr=grey
nf = neutral
og = orange
rs = pink
rt = red
sw = black
vi = violet
ws = white
hbl = light blue
hgn = light green
rbr = maroon