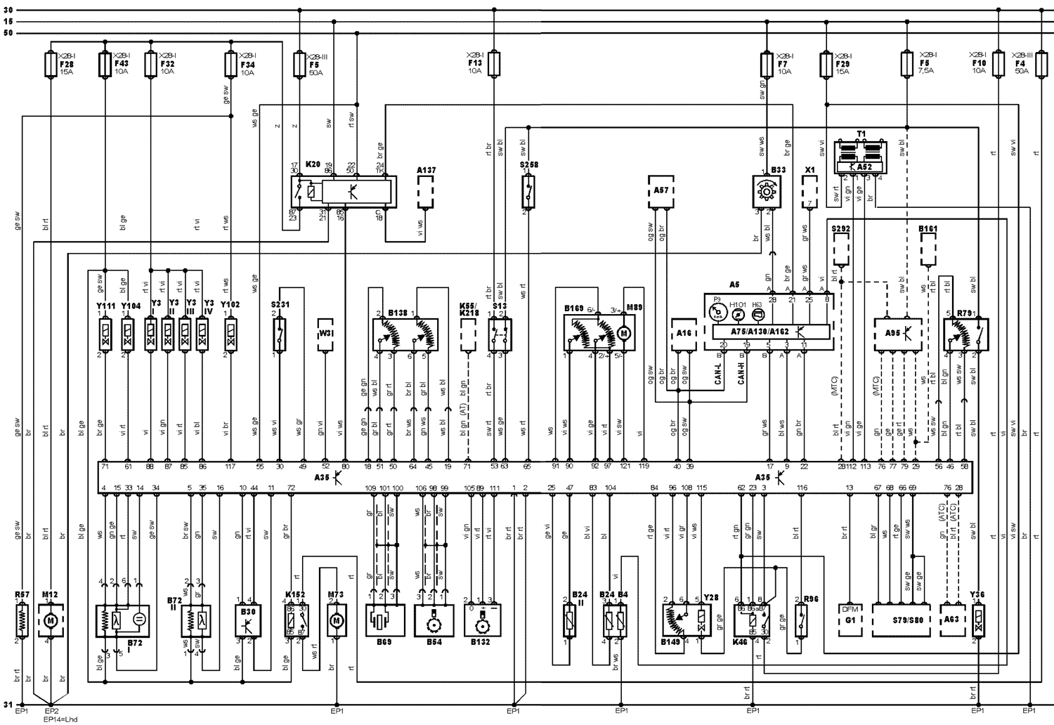
Manufacturer: Volkswagen
Model: Golf 1,6L
ECU: SIEMENS SIMOS 3.3
Engine code: AVU
Tuned for: R-Cat

| A16 | ABS control module |
| A63 | AC control module |
| B161 | AC refrigerant pressure sensor |
| R79 | AC/heater air mix flap potentiometer |
| S292 | AC/heater function control panel |
| B138 | Accelerator pedal position (APP) sensor |
| A137 | Airbag control module |
| G1 | Alternator |
| 30 | Battery + |
| 31 | Battery - |
| S13 | Brake pedal position (BPP) switch |
| Â132 | Camshaft position (CMP) sensor |
| S258 | Clutch pedal position (CPP) switch |
| R57 | Crankcase breather heater |
| Â54 | Crankshaft position (CKP) sensor |
| S79 | Cruise control master switch |
| S80 | Cruise control selector switch |
| Õ1 | Data link connector (DLC) |
| A130 | Diagnostic module |
| Ê46 | Engine control relay |
| A95 | Engine coolant blower motor control module |
| Y36 | Engine coolant heater regulator valve |
| Â24 | Engine coolant temperature (ÅÑÒ) sensor |
| B4 | Engine coolant temperature gauge sensor |
| R96 | Engine coolant thermostat |
| H63 | Engine malfunction indicator lamp (MIL) |
| Y104 | Evaporative emission (EVAP) canister purge valve |
| Y28 | Exhaust gas recirculation (EGR) solenoid |
| B149 | Exhaust gas recirculation (EGR) valve position sensor |
| Ì12 | Fuel pump |
| Ê20 | Fuel pump relay |
| F | Fuse |
| Â72 | Heated oxygen sensor (HO2S) |
| Ò1 | Ignition coil |
| 15 | Ignition switch - ignition ON |
| 50 | Ignition switch - start signal |
| À162 | Immobilizer control module |
| Y3 | Injector |
| À5 | Instrument panel |
| A75 | Instrumentation control module |
| Y102 | Intake manifold air control solenoid |
| Â69 | Knock sensor (KS) |
| Â30 | Mass air flow (MAF) sensor |
| S231 | Power steering pressure (PSP) switch |
| K218 | Reversing lamp relay |
| M73 | Secondary air injection (AIR) pump |
| K152 | Secondary air injection (AIR) pump relay |
| Y111 | Secondary air injection (AIR) solenoid |
| W3 | Spare cable, engine rear bulkhead |
| K55 | Starter motor inhibitor switch relay |
| H101 | Throttle control system warning lamp |
| B169 | Throttle motor position sensor |
| M89 | Throttle position motor |
| À57 | Transmission control module (TCM) |
| ÂÇÇ | Vehicle speed sensor (VSS) |
| P9 | Vehicle speedometer |
bl = blue
br = brown
el = cream
ge = yellow
gn = green
gr=grey
nf = neutral
og = orange
rs = pink
rt = red
sw = black
vi = violet
ws = white
hbl = light blue
hgn = light green
rbr = maroon