Manufacturer: Volvo
Model: S40 1.9D
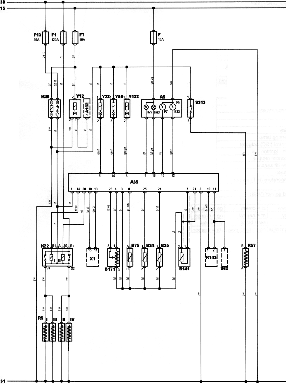
ECU: Lucas DPI-N
Engine code: D4192T
Tuned for: R-Cat


| Ê143 | AC compressor clutch relay |
| S63 | AC refrigerant pressure switch |
| 30 | Battery + |
| 31 | Battery - |
| R57 | Crankcase breather heater |
| Õ1 | Data link connector (DLC) |
| À35 | Engine control module (ECM) |
| Ê46 | Engine control relay |
| Â24 | Engine coolant temperature (ÅÑÒ) sensor |
| H63 | Engine malfunction indicator lamp (MIL) |
| B75 | Engine speed (RPM) sensor |
| Y28 | Exhaust gas recirculation (EGR) solenoid |
| Y132 | Fuel injection timing solenoid |
| B171 | Fuel lever position sensor |
| Y12 | Fuel shut-off solenoid |
| S313 | Fuel temperature switch |
| F | Fuse |
| R5 | Glow plug |
| K22 | Glow plug relay |
| H25 | Glow plug warning lamp |
| Y56 | Idle speed control (ISC) actuator |
| 15 | Ignition switch - ignition ON |
| À162 | Immobilizer control module |
| B141 | lniector needle lift sensor |
| À5 | Instrument panel |
| Â25 | Intake air temperature (IAT) sensor |
| P7 | Tachometer |
| ÂÇÇ | Vehicle speed sensor (VSS) |
bl = blue
br = brown
el = cream
ge = yellow
gn = green
gr=grey
nf = neutral
og = orange
rs = pink
rt = red
sw = black
vi = violet
ws = white
hbl = light blue
hgn = light green
rbr = maroon