











1/1 Battery
2/2 Relay, front foglights USA/CDN
2/3 Regulator DIM-DIP
2/4 Intermittent relay, windshield wipers
2/5 Relay, seat belt reminder/ignition key warning
2/6 Bypass relay 151
2/7 Central locking relay
2/8 Overdrive relay
2/10 Power unit ECC
2/11 Relay, engine cooling fan
2/12 Relay, radio interference suppression
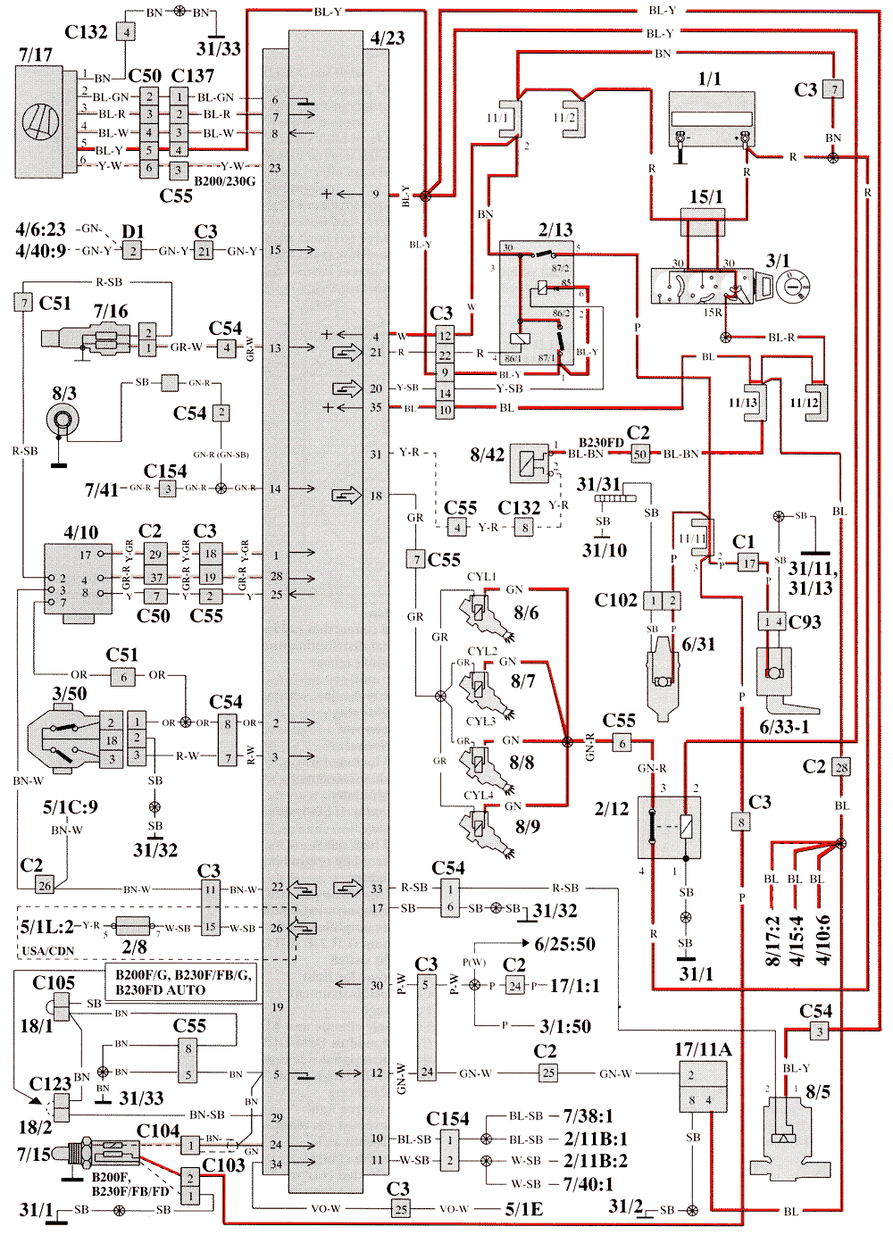
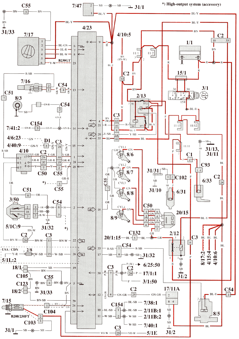
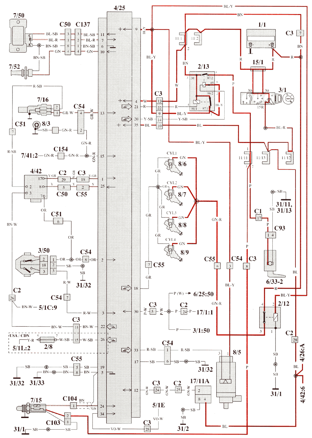
2/13 Relay, fuel injection (MFI)
2/14 Relay, glowplug mechanism
2/15 Relay, exhaust gas temperature sensor
2/16 Intermittent tailgate wiper relay
2/18 Transient protector, ABS
2/34 Relay, front foglights
2/36 Headlight flasher
2/37 Headlight relay
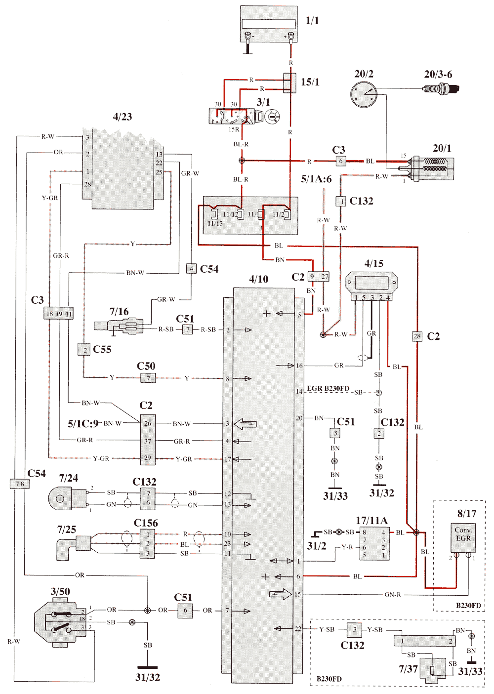
2/38 Timer relay, exhaust gas recirculation (EGR)
2/45 Relay, P-shift lock
2/49 Relay, rear foglights
2/50 Bypass relay, high beam
3/1 Ignition lock
3/2 Light switch
3/4 Cruise control operation
3/5 Switch, turn signal/high-low beam
3/6 Switch, hazard warning flashers
3/7 Foglight switch
3/8-1 Switch, heated rear window
3/8-2 Switch with timer relay, heated rear window/door mirrors
3/9 Brake light switch
3/10 Backup (reversing) light switch
3/12 Switch, windshield wash/wipe
3/13 Switch, tailgate wash/wipe
3/14 Switch, lock button
3/15 Power window switch, driver's door for driver's door
3/16 Power window switch, driver's door for driver's side rear door
3/17 Power window switch, driver's door for passenger's side front
3/18 Power window switch, driver's door for passenger's side rear
3/19 Power window switch, driver's side rear
3/20 Power window switch, passenger's side front
3/21 Power window switch, passenger's side rear
3/22 Switch for rear power window lifts
3/23 Switch for power door mirror, driver's side
3/24 Switch for power door mirror, passenger's side
3/25 Switch for power sunroof
3/26 Operating module, driver's seat
3/27 Operating module, passenger's seat
3/28 Switch for heated driver's seat
3/29 Switch for heated passenger's seat
3/31 Door switch, driver's door
3/32 Door switch, passenger's side front
3/33 Door switch, driver's side rear
3/34 Door switch, passenger's side rear
3/35 Door switch, tailgate (5-door estate)
3/36 Switch, glove compartment
3/37 Horn contacts
3/38 Switch, brake pedal
3/39 Switch, clutch pedal
3/40 Start inhibit switch, automatic transmission
3/42-1 Switch on transmission
3/42-2 Oil pressure sensor, kick-down valve
3/43 Switch in gear lever
3/44 Seat belt lock, driver's seat
3/47 Parking brake switch
3/50 Throttle position (TP) switch
3/52 Switch for power antenna
3/59 Beam width control
3/66 Idle air control (IAC) control, EGR
3/70 Thermostat setting
3/78 Lock unit, tailgate
4/1 Overheating protector, driver's seat
4/2 Overheating protector, passenger's seat
4/3 Control module, cruise control
4/4 Rheostat
4/5 Safety circuit, SRS (airbag)
4/6 Control module, ECC
4/9 Sensor module, SRS (airbag)
4/10 Control module EZ-K (DI) system
4/15 Power amplifier, EZ-K (DI) system
4/16 Control module ABS
4/23 Control module LH-jetronic 2.4 (MFI) system
4/25 Control module Regina (MFI) system
4/26 Power amplifier/ignition coil REX-I (DI) system
4/29 Control module driver's seat
4/40 À/Ñ controls, MCC
4/42 Control module REX-I (DI) system
4/43 Heater controls
5/1 Combined instrument
5/3 Ambient temperature sensor
6/1 Windshield wiper motor
6/2 Washer motor, front
6/3 Right headlight wiper motor
6/4 Left headlight wiper motor
6/5 Central locking motor, passenger's side front
6/6 Central locking motor, passenger's side rear
6/7 Central locking motor, driver's side rear
6/8 Central locking motor, tailgate
6/9 Window lift motor driver's door
6/10 Window lift motor driver's side rear
6/11 Window lift motor passenger's side front
6/12 Window lift motor passenger's side rear
6/13 Power door mirror, driver's side
6/14 Power door mirror, passenger's side
6/15 Motor power sunroof
6/16 Motor driver's seat backrest
6/17 Motor up-down, front edge of driver's seat
6/18 Motor up-down, rear edge of driver's seat
6/19 Motor fore-aft, driver's seat
6/24 Vacuum, cruise control
6/25 Starter motor
6/26 Generator
6/27 Servo motor, throttle control
6/28 Cabin fan motor
6/29 Engine cooling fan
6/30 Washer motor, tailgate
6/31 Fuel pump
6/32 Tailgate wiper motor
6/33-1 Fuel level sensor/primer pump
6/33-2 Fuel level sensor/pump
6/34 Power antenna
6/35 Parking heater
6/36 Central locking motor, driver's side front
6/38 Actuator, left
6/39 Actuator, right
7/4 Brake fluid level sensor
7/5 Washer fluid level sensor
7/6 Oil pressure sensor
7/7 Engine coolant temperature (ÅÑÒ) sensor
7/9 Engine coolant temperature (ÅÑÒ) sensor, ECC
7/10 Cabin temperature sensor
7/11 Ambient temperature sensor
7/12 Solar sensor
7/14 Thermostat, engine cooling fan
7/15 Heated oxygen sensor (H02S)
7/16 Engine coolant temperature (ÅÑÒ) sensor, fuel/ignition (MFI/DI) system
7/17 Mass air flow (MAF) sensor
7/24 Knock sensor (KS)
7/25 Engine speed (RPM) sensor
7/26 Pressure sensor, EGR
7/28 Engine coolant temperature (ÅÑÒ) sensor, diesel
7/30 Pressure sensor for charge pressure, turbodiesel
7/31 Sensor, ABS left front
7/32 Sensor, ABS right front
7/33 Sensor, vehicle speed and ABS
7/34 Thermoelement, three-way catalytic converter (TWC)
7/37 Temperature sensor, EGR
7/38 Low-speed pressure sensor, engine cooling fan
7/40 High-speed pressure sensor, engine cooling fan
7/41 High-pressure, A/C
7/43 Thermostat, driver's seat
7/44 Thermostat, passenger's seat
7/47 PTC-resistor, air pre-heating
7/50 Pressure sensor, intake manifold
7/52 Temperature sensor, intake air
7/53 Low-pressure sensor, A/C
7/69 Ambient temperature sensor
7/75 Bulb failure sensor
8/1 Operating solenoid, overdrive
8/2 Solenoids, ECC
8/3 Solenoid coupling, A/C
8/5 Idle air control (IAC) valve
8/6-9 Injection valves
8/13 Fuel valve, diesel
8/15 Hydraulic unit, ABS
8/17 Converter, EGR
8/24 3-way valve, EGR
8/30 Steering wheel module, SRS (airbag)
8/33 Igniter for driver's side seat belt tensioner
8/34 Igniter for passenger's side seat belt tensioner
8/36 Solenoid P-shift lock
8/42 Solenoid, pulsed secondary air injection (PAIR)
9/1 Cigar lighter
9/2 Heated rear window
9/3 Heater element, driver's seat backrest
9/4 Heater element, passenger's seat backrest
9/5 Heater element, driver's seat cushion
9/6 Heater element, passenger's seat cushion
10/5 Left front foglight
10/6 Right front foglight
10/11 Left front parking light
10/12 Right front parking light
10/13 Left front turn signal
10/14 Right front turn signal
10/15 Left turn signal repeater (not USA/CDN)
10/16 Right turn signal repeater (not USA/CDN)
10/19 Extra brake light
10/20 Left number plate light
10/21 Right number plate light
10/22 Roof light
10/24 Trunk light
10/25 Roof light, load area (5-door)
10/29 Glove compartment light
10/30 Door-open warning light, driver's door
10/31 Door-open warning light, front passenger's side
10/32 Door-open warning light, rear driver's side
10/33 Door-open warning light, rear passenger's side
10/34 Warning light, rear seat belts
10/36 Control panel lighting
10/38 Ashtray lighting, rear
10/39 Switch lighting, seat heater
10/40 Gear selector lighting
10/43 Right brake light
10/44 Right parking light, rear
10/45 Right parking/tail light
10/46 Right rear foglight
10/47 Bulb, right rear turn signal
10/48 Right backup (reversing) light
10/50 Left brake light
10/51 Left parking light, rear
10/52 Left parking/tail light
10/53 Left rear foglight
10/54 Bulb. left rear turn signal
10/55 Left backup (reversing) light
10/64 Right high beam
10/65 Right extra main beam
10/66 Right low beam
10/68 Left high beam
10/69 Left extra high beam
10/70 Left low beam
10/72 Ashtray lighting, front
10/74 Indicator light, exhaust gas temperature
10/75 Indicator light, charge pressure, turbodiesel
10/76 Indicator light, diesel preheating
10/77 Indicator light, SRS (airbag)
10/78 Indicator light, seat belt
10/79 Indicator light, overdrive (auto.)/Gear selection indicator
10/80 Indicator light, overdrive (man.)
10/82 Indicator light, ABS
10/83 Indicator light, parking brake
10/84 Indicator light, brake warning
10/85 Indicator light, high beam
10/86 Indicator light, oil pressure
10/87 Indicator light, charge
10/88 Indicator light, bulb failure
10/89 Indicator light, rear foglights
10/90 Indicator light, washer fluid level
10/91 Service indicator
10/92 Indicator light, trailer
10/93 Indicator light, malfunction indicator lamp (MIL)
10/94 Indicator light, right turn signal
10/95 Indicator light, left turn signal
10/96 Instrument lighting
10/103 Switch lighting, heated rear window/door mirrors
10/104 Switch lighting
10/112 Vanity mirror lighting
11/1-26 Fuses
11/41 Fuse, combined instrument
15/1 Positive terminal
15/2 30-rail in el. distribution unit
15/9 Fuse-protected 15-rail in el. distribution unit
16/1 Radio
16/2 Amplifier
16/3 Loudspeaker, right front door
16/4 Loudspeaker, left front door
16/5 Loudspeaker, right rear door
16/6 Loudspeaker, left rear door
16/7 Loudspeaker, instrument panel, right side
16/8 Loudspeaker, instrument panel, left side
16/9 Antenna
16/10 Horn 1
16/11 Horn 2
16/15 CD-changer
16/17 Loudspeaker, rear parcel shelf, left side
16/18 Loudspeaker, rear parcel shelf, right side
17/l Service socket for starter motor operation
17/11 OBD diagnostic socket
17/14 Test socket for diagnosis of power seat
18/1 Bridge connector 1
18/2 Bridge connector 2
19/1 Engine coolant temperature (ÅÑÒ) gauge
19/2 Rev. counter (RPM gauge)
19/3 Speedometer
19/4 Clock
19/5 Fuel gauge
20/1 Ignition coil
20/2 Distributor
20/3-6 Spark plugs
20/9 Glowplugs
20/15 Series resistance
20/18 Cabin fan resistor
31/1 Ground connector right front wing
31/2 Ground connector left front wing
31/3 Ground connector body (ground connection, battery-body)
31/4 Ground connector engine (ground connection, battery-engine)
31/5 Ground connector for heated rear window (4-door)
31/6 Ground connector left A-post
31/9 Ground connector at parking brake lever
31/10 Ground connector right A-post
31/11 Ground connector left tail light
31/12 Ground connector right tail light
31/13 Ground connector in load area
31/16 Ground connector at windshield wiper motor
31/17 Ground connector at power sunroof motor
31/26 Ground connector, generator
31/28 Ground connector at overdrive solenoid
31/31 Ground connection rail in el. distribution unit
31/32 Ground connector on engine (power ground)
31/33 Ground connector on engine (signal ground)
31/60 Ground connector on engine (diesel)
31/63 Ground connector at steering column bracket
31/64 Ground connector engine cooling fan
C1 Connector, 53-pin Instrument panel harness - Door sill harness
C2 Connector, 53-pin Instrument panel harness - Left wheel housing harness
C3 Connector, 53-pin Instrument panel harness - Right wheel housing harness
C5 Connector, left A-post, 2-pin
C6 Connector, at el. dist. unit, 4-pin
C7 Connector, at steering column, 8-pin
C9 Connector, at center console, 10-pin
C11 Connector, at el. dist. unit, 4-pin
C12 Connector, at el. dist. unit, 2-pin
C13 Connector, at el. dist. unit, 4-pin
C14 Connector, at el. dist. unit, 2-pin
C15 Connector, left A-post, 4-pin
C19 Connector, at instrument panel, 2-pin
C20 Connector, under gear lever carrier, 1-pin or 2-pin
C21 Connector, left B-post, 4-pin
C22 Connector, at tailgate, 6-pin (5-door)
C23 Connector, at tailgate, 2-pin (5-door)
C24 Connector, at extra brake light, 2-pin
C25 Connector, tailgate, 2-pin, (5-door)
C27 Connector, tailgate, 1-pin, (5-door)
C29 Connector, at driver's seat, 4-pin
C31 Connector, at passenger's seat, 2-pin
C32 Connector, at driver's seat, 2-pin
C33 Connector, under driver's seat, 2-pin
C34 Connector, under passenger's seat, 2-pin
C36 Connector, under passenger's seat, 2-pin
C37 Connector, under driver's seat, 2-pin
C39 Connector, at driver's seat, 4-pin
C40 Connector, at passenger's seat, 4-pin
C41 Connector, under driver's seat, 6-pin
C42 Connector, under driver's seat, 2-pin
C50 Connector, 8-pin Left wheel housing harness - Engine harness
C51 Connector, 8-pin Left wheel housing harness - Engine harness
C54 Connector, 8-pin Right wheel housing harness - Engine harness
C55 Connector, 8-pin Right wheel housing harness - Engine harness
C62 Connector, at windshield wiper motor, 4-pin
C63 Connector, at left headlight, 3-pin
C64 Connector, at right headlight, 3-pin
C65 Connector, driver's door, 6-pin
C66 Connector, passenger's door, 6-pin
C72 Connector, driver's door, 2-pin
C73 Connector, passenger's door, 2-pin
C74 Connector, rear door driver's side, 2-pin
C75 Connector, rear door passenger's side, 2-pin
C76 Connector, right A-post, 2-pin
C79 Connector, driver's door, 4-pin
C84 Connector, drivers door, 2-pin
C85 Connector, rear door driver's side, 2-pin
C86 Connector, passenger's door, 2-pin
C87 Connector, rear door passenger's side, 2-pin
C88 Connector, at switch, 5-pin
C89 Connector, at sunroof motor, 2-pin
C91 Connector, at el. dist. unit, 2-pin
C92 Connector, behind steering wheel, 2-pin
C93 Connector, left rear wheel housing, 4-pin
C98 Connector, at power antenna, 4-pin
C100 Connector, left wheel housing, 2-pin
C101 Connector, right wheel housing, 2-pin
C102 Connector, at el. dist. unit, 2-pin
C103 Connector, at firewall, 2-pin
C104 Connector, at firewall, 1-pin
C105 Connector on bridge connector 1, 2-pin
C111 Connector, at thermoelement, 2-pin
C117 Connector, 2-pin Left wheel housing harness - Engine harness
C121 Coupling reel, steering wheel, SRS (airbag)
C123 Connector to bridge connector 2, 2-pin
C132 Connector, 8-pin Left wheel housing harness - Engine harness
C137 Connector, 4-pin Right wheel housing harness - Engine harness
C139 Connector, at gear selector, 4-pin
C143 Connector, at A-post passenger's side, 24-pin
C144 Connector, at A-post driver's side, 24-pin
C149 Connector, at B-post passenger's side, 11-pin
C150 Connector, at B-post driver's side, 11-pin
C154 Connector, 3-pin or 1-pin Right wheel housing harness - engine cooling fan harness
C155 Connector, left A-post, 8-pin
C156 Connector, at firewall, 3-pin
C157 Connector, at el. dist. unit, 4-pin
C160 Connector, at instrument panel, 6-pin
C161 Connector, at firewall, 1-pin
C162 Connector, left B-post, 2-pin
C163 Connector, at firewall, 2-pin (diesel)
D1 Connector, at instrument panel, 4-pin
D2 Connector, alarm, 8-pin at steering column
D3 Connector, alarm, 4-pin at steering column
D4 Connector, alarm, 2-pin in engine compartment, left front
D5 Connector, towing hook, 10-pin (not USA/CDN)
D7 Connector, ambient temperature sensor, 6-pin