Free Japan Cars Factory Service Manuals
[ICO]NameSize
[PARENTDIR]Parent Directory -
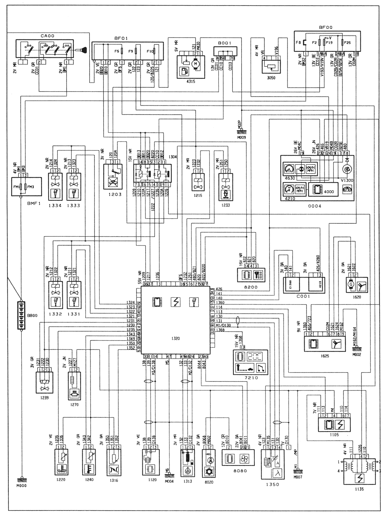
[IMG]rgx-1.gif159K
[IMG]rgx-2.gif204K
[IMG]rgx-3.gif151K
[IMG]rgx-4.gif144K
[TXT]rgx.htm2.9K
Thanks to donations there are no ads! All manuals are available on downloadable archives HERE. You will get the pass with 5 EUR donation. If you have new service manuals, send them my way to be shared with the fellow owners!   
Contact