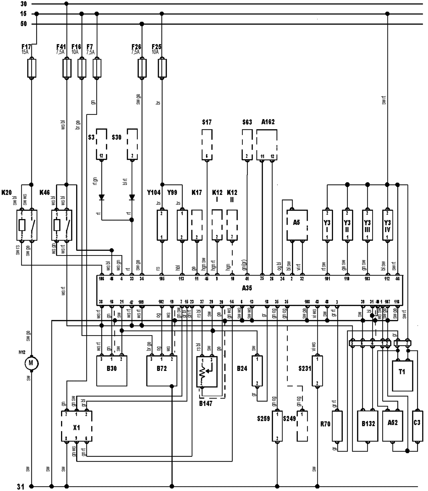
Manufacturer: Nissan
Model: Almera (N15) 1,6L
Engine code: GA16DE
Tuned for: R-Cat


| K17 | AC relay |
| 30 | Battery + |
| 31 | Battery - |
| B132 | Camshaft position (CMP) sensor |
| Õ1 | Data link connector (DLC) |
| À35 | Engine control module (ECM) |
| K46 | Engine control relay |
| K12 | Engine coolant blower motor relay |
| Â24 | Engine coolant temperature (ÅÑÒ) sensor |
| Y104 | Evaporative emission (EVAP) canister purge valve |
| Ì12 | Fuel pump |
| Ê20 | Fuel pump relay |
| F | Fuse |
| S3 | Headlamp switch |
| Â72 | Heated oxygen sensor (HO2S) |
| S30 | Heated rear window switch |
| S17 | Heater/AC motor switch |
| Y99 | Idle air control (IAC) valve |
| À52 | Ignition amplifier |
| Ò1 | Ignition coil |
| 15 | Ignition switch - ignition ON |
| 50 | Ignition switch - start signal |
| À162 | Immobilizer control module |
| Y3 | Injector |
| A5 | Instrument panel |
| B30 | Mass air flow (MAF) sensor |
| S259 | Park/neutral position (PNP) switch |
| S231 | Power steering pressure (PSP) switch |
| ÑÇ | Suppressor |
| Â147 | Throttle position (TP) sensor |
| S249 | Transmission shift position switch |
bl = blue
br = brown
el = cream
ge = yellow
gn = green
gr=grey
nf = neutral
og = orange
rs = pink
rt = red
sw = black
vi = violet
ws = white
hbl = light blue
hgn = light green
rbr = maroon