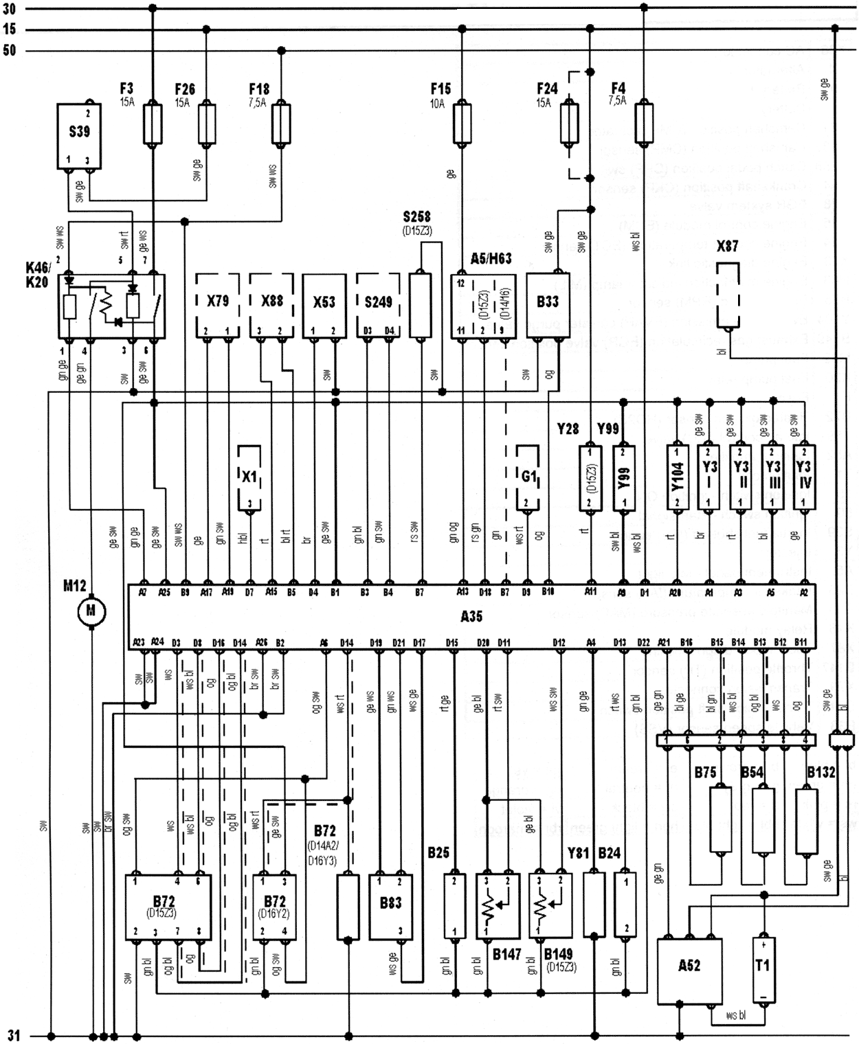
Manufacturer: Honda
Model: Civic 1,4L
Engine code: D14A2
ECU: PGM-FI
Tuned for: R-Cat


| Õ88 | AC connector |
| G1 | Alternator |
| 30 | Battery + |
| 31 | Battery - |
| Y81 | Camshaft position (CMP) actuator |
| Â132 | Camshaft position (CMP) sensor |
| S258 | Clutch pedal position (CPP) switch |
| Â54 | Crankshaft position (CKP) sensor |
| Y28 | Exhaust gas recirculation (EGR) solenoid |
| À35 | Engine control module (ECM) |
| Â24 | Engine coolant temperature (ÅÑÒ) sensor |
| X53 | Engine diagnostic link |
| H63 | Engine malfunction indicator lamp (MIL) |
| B75 | Engine speed (RPM) sensor |
| Y104 | Evaporative emission (EVAP) canister purge valve |
| B149 | Exhaust gas recirculation (EGR) valve position sensor |
| Ì12 | Fuel pump |
| Ê20 | Fuel pump relay |
| F | Fuse |
| Â72 | Heated oxygen sensor (HO2S) |
| Y99 | Idle air control (IAC) valve |
| A52 | Ignition amplifier |
| Ò1 | Ignition coil |
| 15 | Ignition switch - ignition ON |
| 50 | Ignition switch - start signal |
| S39 | Inertia fuel shut-off (IFS) switch |
| Y3 | Injector |
| À5 | Instrument panel |
| Â25 | Intake air temperature (IAT) sensor |
| B83 | Manifold absolute pressure (MAP) sensor |
| Ê46 | Engine control relay |
| X87 | Tachometer diagnostic link |
| Â147 | Throttle position (TP) sensor |
| X79 | Transmission connector |
| S249 | Transmission shift position switch |
| B33 | Vehicle speed sensor (VSS) |
bl = blue
br = brown
el = cream
ge = yellow
gn = green
gr=grey
nf = neutral
og = orange
rs = pink
rt = red
sw = black
vi = violet
ws = white
hbl = light blue
hgn = light green
rbr = maroon