Manufacturer: Ford
Model: Mondeo 1,6L
Engine code: L1J
Tuned for: R-Cat


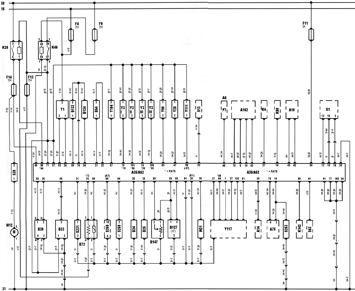
| Ê143 | AC compressor clutch relay |
| S63 | AC refrigerant pressure switch |
| 30 | Battery + |
| 31 | Battery - |
| S13 | Brake pedal position (BPP) switch |
| Â132 | Camshaft position (CMP) sensor |
| S258 | Clutch pedal position (CPP) switch |
| Â54 | Crankshaft position (CKP) sensor |
| Õ1 | Data link connector (DLC) |
| À35 | Engine control module (ECM) |
| Ê46 | Engine control relay |
| Â24 | Engine coolant temperature (ÅÑÒ) sensor |
| Y104 | Evaporative emission (EVAP) canister purge valve |
| Â127 | Exhaust gas pressure sensor |
| Y28 | Exhaust gas recirculation (EGR) solenoid |
| Ì12 | Fuel pump |
| Ê20 | Fuel pump relay |
| F | Fuse |
| Â72 | Heated oxygen sensor (HO2S) |
| Ê98 | Heated windscreen relay |
| Y99 | Idle air control (IAC) valve |
| Ò1 | Ignition coil |
| 15 | Ignition switch - ignition ON |
| À162 | Immobilizer control module |
| S39 | Inertia fuel shut-off (IFS) switch |
| Y3 | Injector |
| À75 | Instrumentation control module |
| Â25 | Intake air temperature (IAT) sensor |
| B30 | Mass air flow (MAF) sensor |
| W21 | Octane coding plug |
| S259 | Park/neutral position (PNP) switch |
| S231 | Power steering pressure (PSP) switch |
| Y111 | Secondary air (AIR) solenoid |
| Ê4 | Starter motor relay |
| Ð7 | Tachometer |
| Â147 | Throttle position (TP) sensor |
| S253 | Transmission mode selection switch |
| À14 | Transmission shift control module |
| Y117 | Transmission valve block |
| Â134 | Transmission vehicle speed sensor |
| À19 | Trip computer |
| ÂÇÇ | Vehicle speed sensor (VSS) |
bl = blue
br = brown
el = cream
ge = yellow
gn = green
gr=grey
nf = neutral
og = orange
rs = pink
rt = red
sw = black
vi = violet
ws = white
hbl = light blue
hgn = light green
rbr = maroon