Manufacturer: Ford
Model: Ka 1,3L
Engine code: J4D
Tuned for: R-Cat


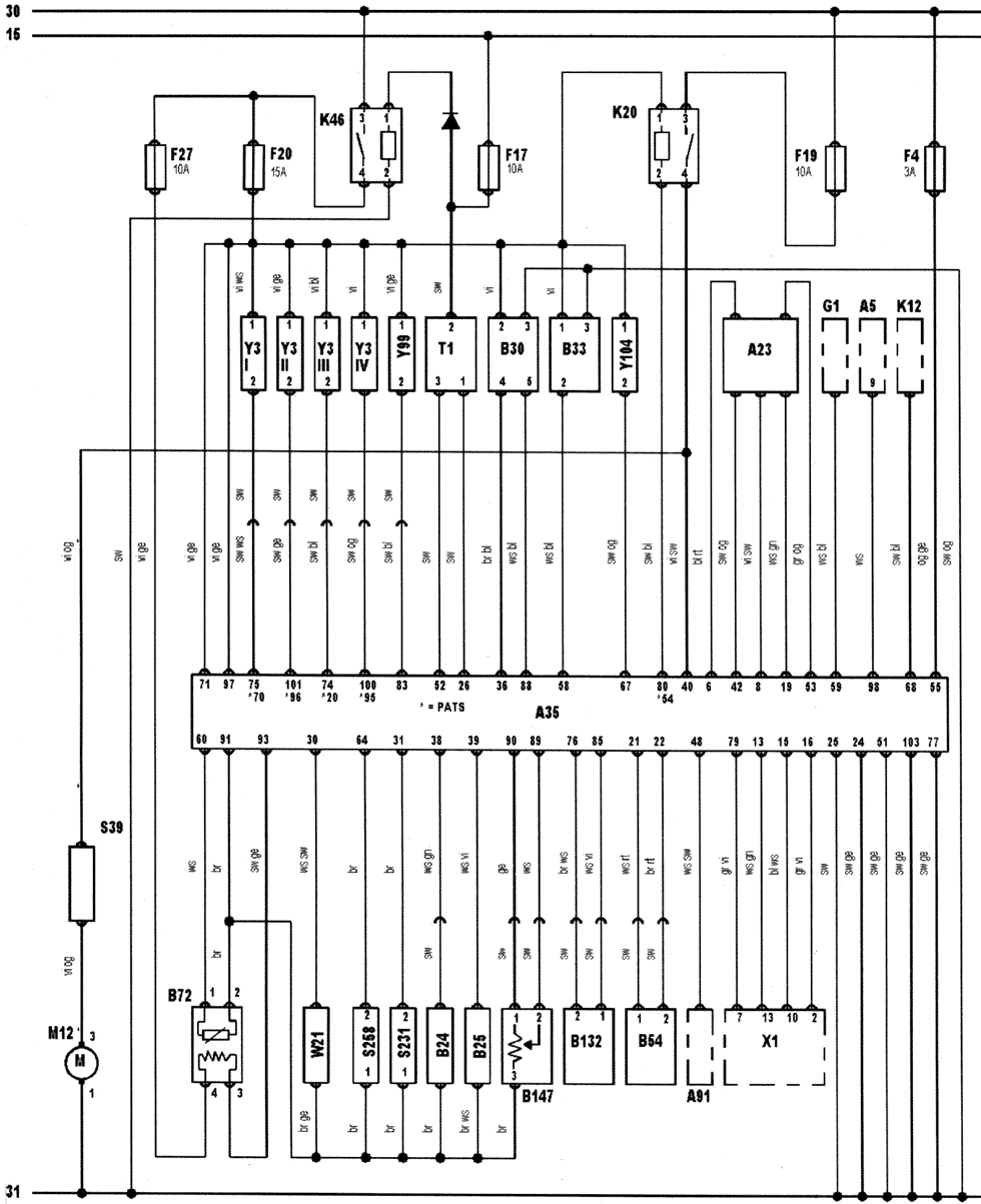
| À23 | Alarm system control module |
| G1 | Alternator |
| 30 | Battery + |
| 31 | Battery - |
| Â132 | Camshaft position (CMP) sensor |
| S258 | Clutch pedal position (CPP) switch |
| Â54 | Crankshaft position (CKP) sensor |
| Õ1 | Data link connector (DLC) |
| À35 | Engine control module (ECM) |
| Ê46 | Engine control relay |
| Ê12 | Engine coolant blower motor relay |
| Â24 | Engine coolant temperature (ECT) sensor |
| Y104 | Evaporative emission (EVAP) canister purge valve |
| Ì12 | Fuel pump |
| Ê20 | Fuel pump relay |
| F | Fuse |
| Â72 | Heated oxygen sensor (HO2S) |
| A91 | Heater function control module |
| Y99 | Idle air control (IAC) valve |
| Ò1 | Ignition coil |
| 15 | Ignition switch - ignition ON |
| S39 | Inertia fuel shut-off (IFS) switch |
| Y3 | Injector |
| À5 | Instrument panel |
| Â25 | Intake air temperature (IAT) sensor |
| B30 | Mass air flow (MAF) sensor |
| W21 | Octane coding plug |
| S231 | Power steering pressure (PSP) switch |
| Â147 | Throttle position (TP) sensor |
| ÂÇÇ | Vehicle speed sensor (VSS) |
bl = blue
br = brown
el = cream
ge = yellow
gn = green
gr=grey
nf = neutral
og = orange
rs = pink
rt = red
sw = black
vi = violet
ws = white
hbl = light blue
hgn = light green
rbr = maroon