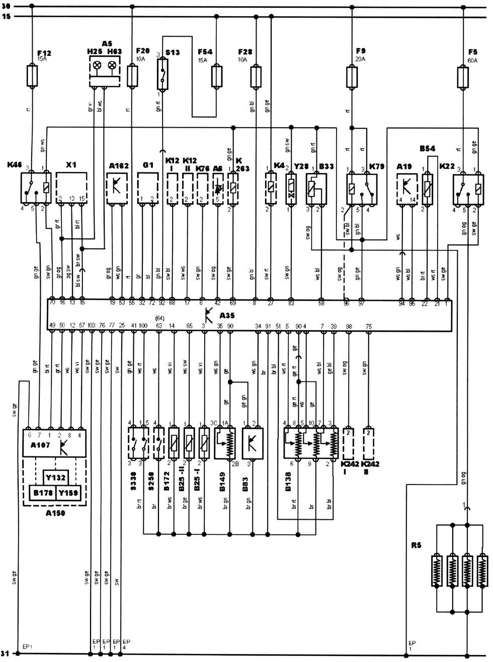
Manufacturer: Ford
Model: Focus 1,8D Turbo
ECU: BOSCH EDC/EEC V
Engine code: C9DC


| Ê263 | AC compressor clutch cut-off relay |
| S338 | AC refrigerant dual pressure switch |
| B138 | Accelerator pedal position (APR) sensor |
| G1 | Alternator |
| 30 | Battery + |
| 31 | Battery - |
| S13 | Brake pedal position (BPP) switch |
| S258 | Clutch pedal position (CPP) switch |
| Â54 | Crankshaft position (CKP) sensor |
| B172 | Cylinder head temperature (CHT) sensor |
| Õ1 | Data link connector (DLC) |
| A6 | Digital clock |
| À35 | Engine control module (ECM) |
| Ê46 | Engine control relay |
| K12 | Engine coolant blower motor relay |
| K242 | Engine coolant heater relay |
| H63 | Engine malfunction indicator lamp (MIL) |
| Y28 | Exhaust gas recirculation (EGR) solenoid |
| B149 | Exhaust gas recirculation (EGR) valve position sensor |
| A150 | Fuel injection pump assembly |
| A107 | Fuel injection pump control module |
| Y132 | Fuel injection timing solenoid |
| Y159 | Fuel quantity adjuster |
| F | Fuse |
| R5 | Glow plug |
| K22 | Glow plug relay |
| H25 | Glow plug warning lamp |
| K76 | Ignition auxiliary circuits relay |
| K79 | Ignition main circuits relay |
| 15 | Ignition switch - ignition ON |
| À162 | Immobilizer control module |
| B178 | Injection pump position sensor |
| À5 | Instrument panel |
| Â25 | Intake air temperature (IAT) sensor |
| B83 | Manifold absolute pressure (MAP) sensor |
| Ê4 | Starter motor relay |
| À19 | Trip computer |
| ÂÇÇ | Vehicle speed sensor (VSS) |
bl = blue
br = brown
el = cream
ge = yellow
gn = green
gr=grey
nf = neutral
og = orange
rs = pink
rt = red
sw = black
vi = violet
ws = white
hbl = light blue
hgn = light green
rbr = maroon