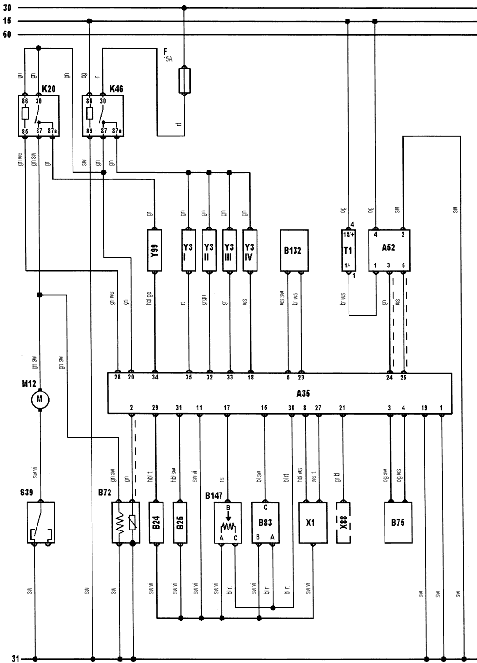
Manufacturer: Fiat
Model: Tipo 1,8
ECU: Magnetti-Marelli IAW
Engine code: 835C2.000


| Õ88 | AC connector |
| 30 | Battery + |
| 31 | Battery - |
| Â132 | Camshaft position (CMP) sensor |
| X1 | Data link connector (DLC) |
| A35 | Engine control module (ECM) |
| K46 | Engine control relay |
| B24 | Engine coolant temperature (ÅÑÒ) sensor |
| Â75 | Engine speed (RPM) sensor |
| M12 | Fuel pump |
| K20 | Fuel pump relay |
| F | Fuse |
| B72 | Heated oxygen sensor (HO2S) |
| Y99 | Idle air control (IAC) valve |
| À52 | Ignition amplifier |
| T1 | Ignition coil |
| 15 | Ignition switch - ignition ON |
| 50 | Ignition switch - start signal |
| S39 | Inertia fuel shut-off (IFS) switch |
| Y3 | Injector |
| B25 | Intake air temperature (IAT) sensor |
| Â83 | Manifold absolute pressure (MAP) sensor |
| B147 | Throttle position (TP) sensor |
bl = blue
br = brown
el = cream
ge = yellow
gn = green
gr=grey
nf = neutral
og = orange
rs = pink
rt = red
sw = black
vi = violet
ws = white
hbl = light blue
hgn = light green
rbr = maroon