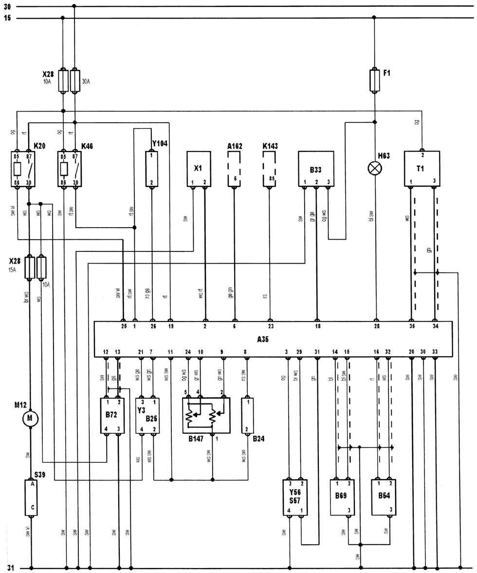
Manufacturer: Fiat
Model: Bravo 1,4
ECU: BOSCH MONO-MOTRONIC MA1.7.3
Engine code: 182A3.000


| Ê143 | AC compressor clutch relay |
| 30 | Battery + |
| 31 | Battery - |
| S57 | Closed throttle position (CTP) switch |
| B54 | Crankshaft position (CKP) sensor |
| X1 | Data link connector (DLC) |
| A35 | Engine control module (ECM) |
| K46 | Engine control relay |
| B24 | Engine coolant temperature (ÅÑÒ) sensor |
| H63 | Engine malfunction indicator lamp (MIL) |
| Y104 | Evaporative emission (EVAP) canister purge valve |
| M12 | Fuel pump |
| K20 | Fuel pump relay |
| F | Fuse |
| X28 | Fuse box/relay base |
| B72 | Heated oxygen sensor (HO2S) |
| Y56 | Idle speed control (ISC) actuator |
| T1 | Ignition coil |
| 15 | Ignition switch - ignition ON |
| A162 | Immobilizer control module |
| S39 | Inertia fuel shut-off (IFS) switch |
| Y3 | Injector |
| B25 | Intake air temperature (IAT) sensor |
| B69 | Knock sensor (KS) |
| B147 | Throttle position (TP) sensor |
| B33 | Vehicle speed sensor (VSS) |
bl = blue
br = brown
el = cream
ge = yellow
gn = green
gr=grey
nf = neutral
og = orange
rs = pink
rt = red
sw = black
vi = violet
ws = white
hbl = light blue
hgn = light green
rbr = maroon