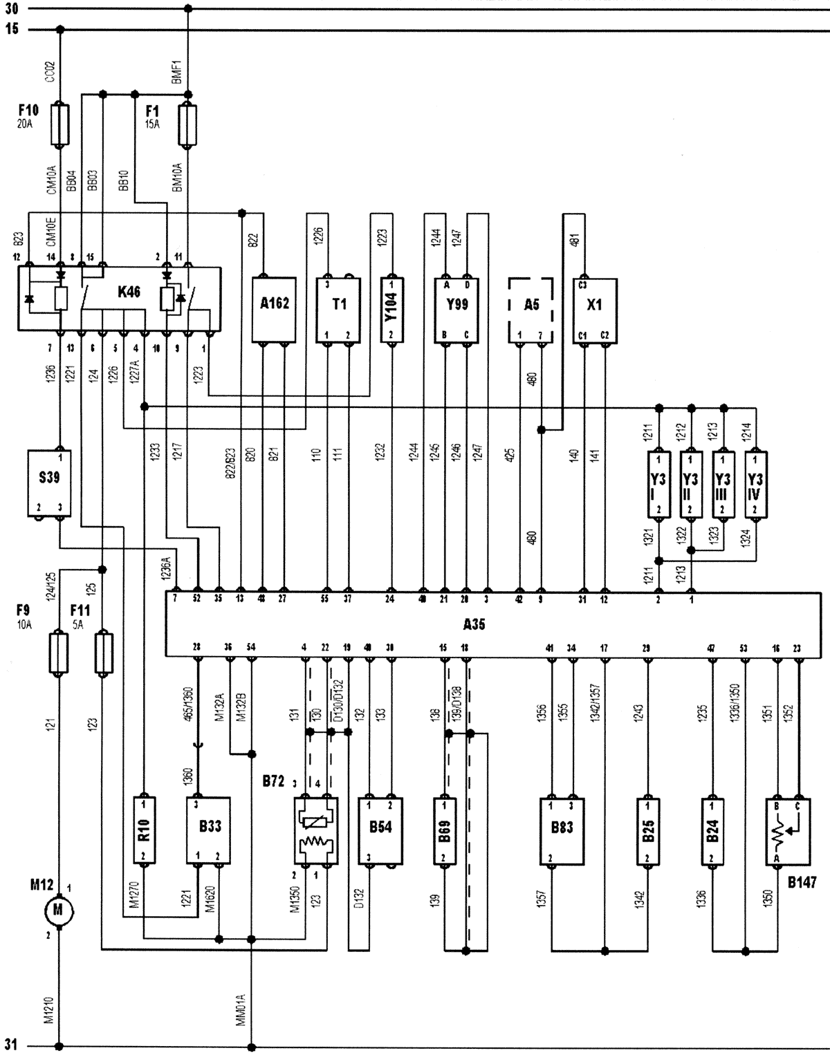
Manufacturer: Citroen
Model: Saxo 1.4L
ECU: Magnetti Marelli 1AP
Engine code: KFX (TU3JP/L3)
Tuned for: R-Cat
Year: 1996-03


| 30 | Battery + |
| 31 | Battery - |
| Â54 | Crankshaft position (CKP) sensor |
| Õ1 | Data link connector (DLC) |
| À35 | Engine control module (ECM) |
| Â24 | Engine coolant temperature (ÅÑÒ) sensor |
| Y104 | Evaporative emission (EVAP) canister purge valve |
| Ì12 | Fuel pump |
| F | Fuse |
| Â72 | Heated oxygen sensor (HO2S) |
| Y99 | Idle air control (IAC) valve |
| Ò1 | Ignition coil |
| 15 | Ignition switch - ignition ON |
| À162 | Immobilizer control module |
| S39 | Inertia fuel shut-off (IFS) switch |
| Y3 | Injector |
| À5 | Instrument panel |
| B25 | Intake air temperature (IAT) sensor |
| Â69 | Knock sensor (KS) |
| B83 | Manifold absolute pressure (MAP) sensor |
| K46 | Relay module |
| R10 | Throttle body heater |
| Â147 | Throttle position (TP) sensor |
| B33 | Vehicle speed sensor (VSS) |
bl = blue
br = brown
el = cream
ge = yellow
gn = green
gr=grey
nf = neutral
og = orange
rs = pink
rt = red
sw = black
vi = violet
ws = white
hbl = light blue
hgn = light green
rbr = maroon