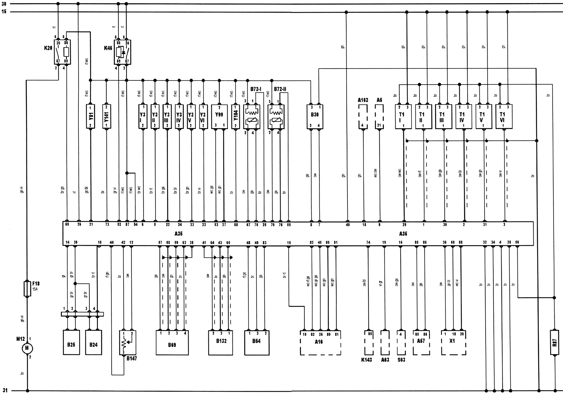
Manufacturer: BMW
Model: 3 Series (E36) 2,0L
ECU: SIEMENS MOTRONIC MS41
Engine code: 20 6S 3
Tuned for: R-Cat
Year: 1994-99


| À16 | ABS control module |
| Ê143 | AC compressor clutch relay |
| À63 | AC control module |
| S63 | AC refrigerant pressure switch |
| 30 | Battery + |
| 31 | Battery - |
| Y81 | Camshaft position (CMP) actuator |
| Â132 | Camshaft position (CMP) sensor |
| Â54 | Crankshaft position (CKP) sensor |
| Õ1 | Data link connector (DLC) |
| À35 | Engine control module (ECM) |
| Ê46 | Engine control relay |
| Â24 | Engine coolant temperature (ÅÑÒ) sensor |
| Y104 | Evaporative emission (EVAP) canister purge valve |
| Y141 | Exhaust gas control solenoid |
| Ì12 | Fuel pump |
| Ê20 | Fuel pump relay |
| F | Fuse |
| Â72 | Heated oxygen sensor (HO2S) |
| Y99 | Idle air control (IAC) valve |
| Ò1 | Ignition coil |
| R87 | Ignition signal resistor |
| 15 | Ignition switch - ignition ON |
| À162 | Immobilizer control module |
| Y3 | Injector |
| À5 | Instrument panel |
| Â25 | Intake air temperature (IAT) sensor |
| Â69 | Knock sensor (KS) |
| B30 | Mass air flow (MAF) sensor |
| Â147 | Throttle position (TP) sensor |
| À57 | Transmission control module (TCM) |
bl = blue
br = brown
el = cream
ge = yellow
gn = green
gr=grey
nf = neutral
og = orange
rs = pink
rt = red
sw = black
vi = violet
ws = white
hbl = light blue
hgn = light green
rbr = maroon