Manufacturer: Audi
Model: A4 1,8
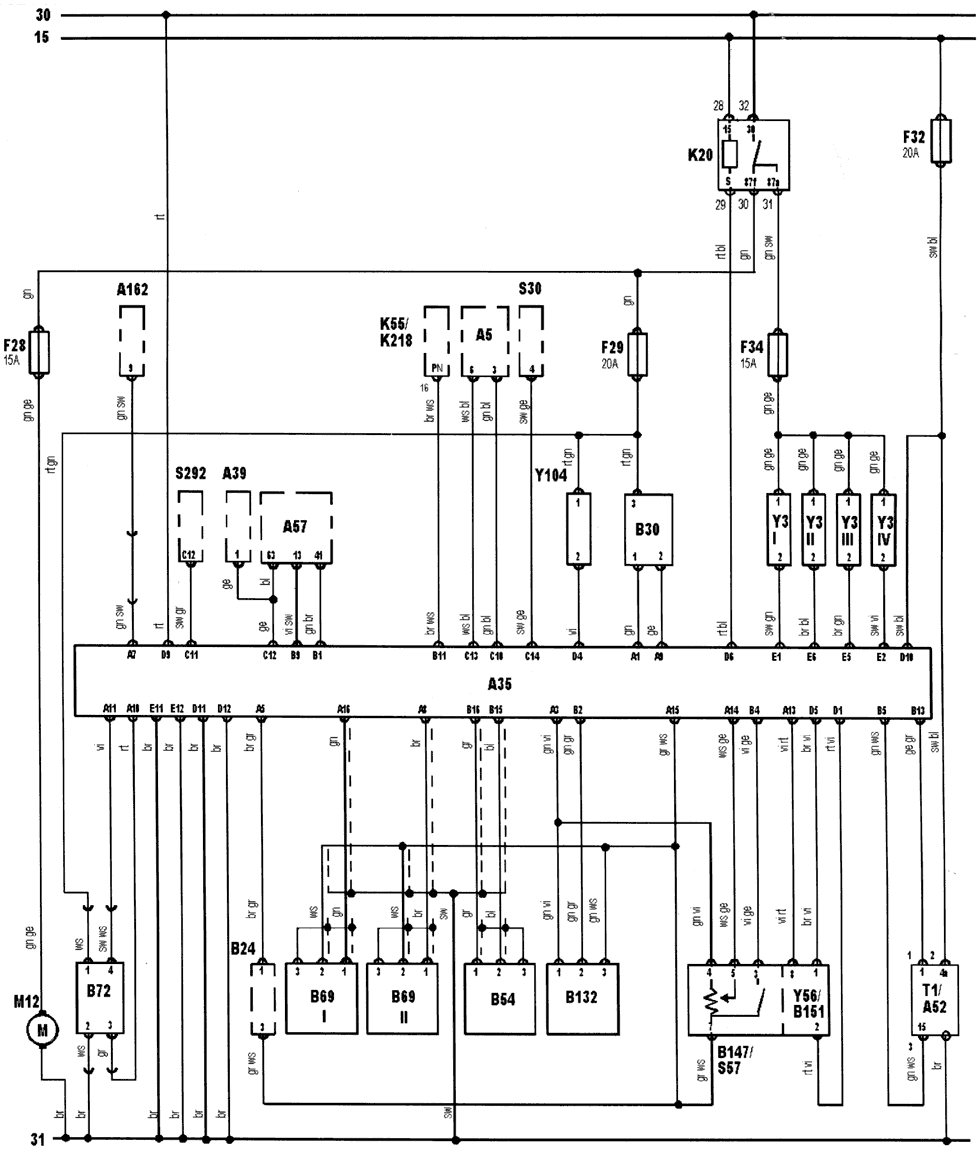
ECU: BOSCH MOTRONIC 3.2
Engine code: ADR
Tuned for: R-Cat


| S292 | AC/Heater function control panel |
| À39 | Auxiliary warning module |
| 30 | Battery + |
| 31 | Battery - |
| B132 | Camshaft position (CMP) sensor |
| S57 | Closed throttle position (CTP) switch |
| B54 | Crankshaft position (CKP) sensor |
| A35 | Engine control module (ECM) |
| B24 | Engine coolant temperature (ÅÑÒ) sensor |
| Y104 | Evaporative emission (EVAP) canister purge valve |
| M12 | Fuel pump |
| K20 | Fuel pump relay |
| F | Fuse |
| B72 | Heated oxygen sensor (HO2S) |
| S30 | Heated rear window switch |
| Y56 | Idle speed control (ISC) actuator |
| B151 | Idle speed control (ISC) actuator position sensor |
| A52 | Ignition amplifier |
| T1 | Ignition coil |
| 15 | Ignition switch - ignition ON |
| A162 | Immobilizer control module |
| Y3 | Injector |
| A5 | Instrument panel |
| B69 | Knock sensor (KS) |
| B30 | Mass air flow (MAF) sensor |
| K218 | Reversing lamps relay |
| K55 | Starter motor inhibitor switch relay |
| B147 | Throttle position (TP) sensor |
| A57 | Transmission control module (TCM) |
bl = blue
br = brown
el = cream
ge = yellow
gn = green
gr=grey
nf = neutral
og = orange
rs = pink
rt = red
sw = black
vi = violet
ws = white
hbl = light blue
hgn = light green
rbr = maroon