Manufacturer: Audi
Model: A4 2,6
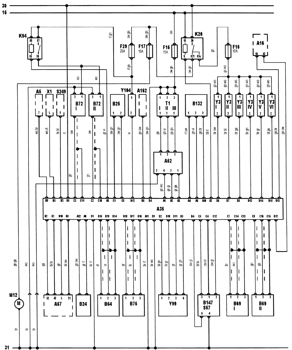
ECU: VAG MPFI
Engine code: ABC
Tuned for: R-Cat


| À16 | ABS control module |
| 30 | Battery + |
| 31 | Battery - |
| Â132 | Camshaft position (CMP) sensor |
| S57 | Closed throttle position (CTP) switch |
| Â54 | Crankshaft position (CKP) sensor |
| Õ1 | Data link connector (DLC) |
| À35 | Engine control module (ECM) |
| Â24 | Engine coolant temperature (ÅÑÒ) sensor |
| Â75 | Engine speed (RPM) sensor |
| Y104 | Evaporative emission (EVAP) canister purge valve |
| Ì12 | Fuel pump |
| Ê20 | Fuel pump relay |
| F | Fuse |
| Â72 | Heated oxygen sensor (HO2S) |
| Y99 | Idle air control (IAC) valve |
| À52 | Ignition amplifier |
| Ò1 | Ignition coil |
| 15 | Ignition switch - ignition ON |
| À162 | Immobilizer control module |
| Y3 | Injector |
| À5 | Instrument panel |
| Â25 | Intake air temperature (IAT) sensor |
| Â69 | Knock sensor (KS) |
| Ê94 | Oxygen sensor heater relay |
| Â147 | Throttle position (TP) sensor |
| À57 | Transmission control module (TCM) |
| S249 | Transmission shift position switch |
bl = blue
br = brown
el = cream
ge = yellow
gn = green
gr=grey
nf = neutral
og = orange
rs = pink
rt = red
sw = black
vi = violet
ws = white
hbl = light blue
hgn = light green
rbr = maroon